RU2208917C2 - Система цифрового телевидения - Google Patents
Система цифрового телевидения Download PDFInfo
- Publication number
- RU2208917C2 RU2208917C2 RU2001125887/09A RU2001125887A RU2208917C2 RU 2208917 C2 RU2208917 C2 RU 2208917C2 RU 2001125887/09 A RU2001125887/09 A RU 2001125887/09A RU 2001125887 A RU2001125887 A RU 2001125887A RU 2208917 C2 RU2208917 C2 RU 2208917C2
- Authority
- RU
- Russia
- Prior art keywords
- inputs
- outputs
- output
- input
- signal
- Prior art date
Links
- 238000012545 processing Methods 0.000 claims abstract description 33
- 230000005236 sound signal Effects 0.000 claims description 19
- 239000013307 optical fiber Substances 0.000 claims description 13
- 230000010355 oscillation Effects 0.000 claims description 6
- 241000023320 Luma <angiosperm> Species 0.000 claims 1
- OSWPMRLSEDHDFF-UHFFFAOYSA-N methyl salicylate Chemical group COC(=O)C1=CC=CC=C1O OSWPMRLSEDHDFF-UHFFFAOYSA-N 0.000 claims 1
- 238000004891 communication Methods 0.000 abstract description 6
- 230000005540 biological transmission Effects 0.000 abstract 2
- 230000000694 effects Effects 0.000 abstract 1
- 238000003780 insertion Methods 0.000 abstract 1
- 230000037431 insertion Effects 0.000 abstract 1
- 239000000126 substance Substances 0.000 abstract 1
- 108091022873 acetoacetate decarboxylase Proteins 0.000 description 34
- 238000005070 sampling Methods 0.000 description 15
- 101000797092 Mesorhizobium japonicum (strain LMG 29417 / CECT 9101 / MAFF 303099) Probable acetoacetate decarboxylase 3 Proteins 0.000 description 14
- 238000010586 diagram Methods 0.000 description 9
- 238000000034 method Methods 0.000 description 8
- 230000001934 delay Effects 0.000 description 6
- 238000006243 chemical reaction Methods 0.000 description 5
- 239000011159 matrix material Substances 0.000 description 5
- 239000000284 extract Substances 0.000 description 3
- 101150109310 msrAB1 gene Proteins 0.000 description 3
- 238000001228 spectrum Methods 0.000 description 3
- 239000003086 colorant Substances 0.000 description 2
- 238000001514 detection method Methods 0.000 description 2
- 238000005516 engineering process Methods 0.000 description 2
- 239000000835 fiber Substances 0.000 description 2
- 230000007274 generation of a signal involved in cell-cell signaling Effects 0.000 description 2
- 230000005855 radiation Effects 0.000 description 2
- 241000208202 Linaceae Species 0.000 description 1
- 235000004431 Linum usitatissimum Nutrition 0.000 description 1
- 101100269618 Streptococcus pneumoniae serotype 4 (strain ATCC BAA-334 / TIGR4) aliA gene Proteins 0.000 description 1
- 230000003321 amplification Effects 0.000 description 1
- 244000309464 bull Species 0.000 description 1
- 230000008878 coupling Effects 0.000 description 1
- 238000010168 coupling process Methods 0.000 description 1
- 238000005859 coupling reaction Methods 0.000 description 1
- 230000003247 decreasing effect Effects 0.000 description 1
- 238000013461 design Methods 0.000 description 1
- 238000001914 filtration Methods 0.000 description 1
- 238000004377 microelectronic Methods 0.000 description 1
- 239000000203 mixture Substances 0.000 description 1
- 238000003199 nucleic acid amplification method Methods 0.000 description 1
- 230000010287 polarization Effects 0.000 description 1
- 210000001747 pupil Anatomy 0.000 description 1
- 239000007858 starting material Substances 0.000 description 1
- 238000012546 transfer Methods 0.000 description 1
- 239000013598 vector Substances 0.000 description 1
Images
Landscapes
- Color Television Systems (AREA)
Abstract
Изобретение относится к технике радиосвязи для использования в цифровом телевещании наземными сетями телевидения в диапазоне дециметровых волн (ДМВ) и по спутниковым линиям связи. Техническим результатом является повышение разрешающей способности изображения в 2,5 раза с числом элементов разрешения в кадре 1032480. Технический результат достигается тем, что в систему, содержащую передающую и приемные стороны, на передающей стороне дополнительно введены формирователь кодов сигнала яркости, второй канал, состоящий из амплитудного модулятора и выходного усилителя, а на второй стороне - второй тракт приема кодов сигналов, блок обработки кодов первого цветоразностного сигнала и блок обработки кодов второго цветоразностного сигнала и синтезатор частот. При этом занимаемая полоса частот 268 Гц, количество элементов разрешения в кадре 1032480, тактовая частота 66,96 МГц. 15 ил., 1 табл.
Description
Изобретение относится к технике радиосвязи и может использоваться для цифрового телевещания наземными сетями телевидения в диапазоне ДМВ и по спутниковым линиям связи.
Прототипом принята "Цифровая система телевидения" [1], содержащая на передающей стороне фотоэлектрический преобразователь, формирователь сигнала яркости и двух цветоразностных сигналов, первый-четвертый АЦП соответственно сигнала яркости, первого и второго цветоразностных сигналов и сигнала звука, генератор синусоидальных колебаний и делитель частоты, формирователь группового сигнала, самоходный распределитель импульсов и передатчик радиосигнала, на приемной стороне содержащая блок сенсорного управления, блок приема радиосигнала, усилитель радиочастоты и двухполярный амплитудный детектор, первый и второй формирователи импульсов, канал сигнала яркости, содержащий три ключа, четыре выходных регистра, четыре блока элементов задержек, сумматор, три триггера, диоды и первый ЦАП, канал первого цветоразностного сигнала из четырех ключей, четырех выходных регистров, четырех блоков элементов задержек, сумматора, трех триггеров, диодов и второго ЦАП, канал второго цветоразностного сигнала из трех ключей, четырех выходных регистров, четырех блоков элементов задержек, сумматора, трех триггеров, диодов и третьего ЦАП, канал звукового сигнала из двух ключей, первого и второго блоков регистров и четвертого ЦАП, канал формирования управляющих сигналов, состоящий из блока выделения кода синхроимпульсов, генератора импульсов дискретизации, самоходного распределителя импульсов, ключа, счетчика импульсов, дешифратора, формирователя импульсов и триггера, и средства воспроизведения изображения и звука, включающие видеоусилитель, селектор синхроимпульсов, блоки строчной и кадровой развертки, цветной кинескоп, декодирующую матрицу, видеоусилители сигналов трех основных цветов, блок канала звукового сопровождения с громкоговорителем. Три АЦП преобразуют аналоговые видеосигналы яркости с частотой 6,75 МГц и два цветоразностных сигнала с частотой 3,375 МГц в 8-разрядные коды. Формирователь группового сигнала преобразует параллельные коды в последовательные и заменяет в них символы единиц с импульсов на полусинусоиды, модулирующие по амплитуде несущую частоту в модуляторе передатчика. В модуляторе несущая подавляется, нижняя боковая частота отфильтровывается, верхняя боковая частота усиливается и излучается в эфир. Приемная сторона принимает радиосигнал, детектирует его, выделяет код синхроимпульса, формирует импульсы дискретизации 6,75 МГц и тактовые импульсы 54 МГц, увеличивает в 2 раза частоту следования сигнала яркости и цветоразностных сигналов, преобразует коды видеосигналов и звука в аналоговые сигналы и воспроизводит изображение кинескопом, звук-громкоговорителем.
Недостатком прототипа является недостаточная разрешающая способность телевизионного изображения кадром с 625-ю строками с числом элементов разрешения 400000 [2, с.46].
Целью изобретения является повышение разрешающей способности телевизионного изображения.
Техническим результатом заявляемой системы является повышение разрешающей способности изображения в 2,5 раза с числом элементов разрешения в кадре 1032480. Число строк в кадре для получения чересстрочной развертки [2, с. 136] принимается нечетным /775/, коэффициенты деления строк из множителей 5, 5, 31. Активных строк в кадре при кадровом гасящем импульсе 1,5 мс /относительная длительность его 7,5%/ 717 [2, с.132]. Число отсчетов в строке на передающей стороне сигнала яркости 720, каждого цветоразностного сигнала 360. Кодирование на передающей стороне 4:2:2, частота дискретизации сигнала яркости на передающей стороне 16,74 МГц, цветоразностных сигналов 8,37 МГц. Информацию о сигнале яркости Еу несет нижняя боковая частота несущей, о сигнале ЕR-у несут верхняя боковая частота несущей и положительная полярность сигналов кода, о сигнале Ев-у несут верхняя боковая частота и отрицательная полярность сигналов кода. Число отсчетов в строке на приемной стороне: сигнала Eу 1440, каждого цветоразностного сигнала 720. На приемной стороне частота дискретизации сигнала яркости 33,48 МГц, цветоразностных сигналов 16,74 МГц. Технические параметры системы показаны в таблице. Занимаемая полоса частот в эфире при несущей 669,6 МГц и стабильности генератора передающей стороны 10-7 268 Гц. Кодом синхронизации являются 432-е /последние/ отсчеты в каждой строке. Приемная сторона принимает два радиосигнала, производит детектирование, выделяет коды синхроимпульсов, формирует управляющие сигналы, увеличивает частоту дискретизации сигнала яркости и цветоразностных сигналов в 2 раза, преобразует коды в аналоговые видеосигналы и воспроизводит изображение цветным кинескопом и звук громкоговорителем.
Сущность заявляемой системы в том, что в систему цифрового телевидения, содержащую передающую сторону, включающую фотоэлектрический преобразователь, формирователь сигнала яркости и двух цветоразностных сигналов, четыре АЦП, генератор синусоидальных колебаний и делитель частоты, формирователь группового сигнала, самоходный распределитель импульсов, передатчик радиосигнала, включающий генератор несущей частоты, амплитудный модулятор и выходной усилитель, и приемную сторону, включающую антенну, блок сенсорного управления, первый тракт приема кодов видеосигналов, содержащий блок приема радиосигнала, усилитель радиочастоты, двухполярный амплитудный детектор, два формирователя импульсов, канал формирования управляющих сигналов, канал сигнала яркости, включающий первый и второй регистры сигнала яркости и первый ЦАП, канал первого цветоразностного сигнала, включающий регистр первого цветоразностного сигнала и второй ЦАП, канал второго цветоразностного сигнала, включающий регистр второго цветоразностного сигнала и третий ЦАП, канал звукового сигнала из двух ключей и двух блоков регистров и четвертого ЦАП, введены на передающей стороне формирователь кодов сигнала яркости, включающий триггер, блок коммутации и два канала, каждый из которых включает блок элементов И, элемент ИЛИ, выходной ключ и самоходный распределитель импульсов, второй канал в передатчике, включающий амплитудный модулятор и выходной усилитель, на приемной стороне введен второй тракт приема кодов видеосигналов, содержащий блок приема радиосигнала, усилитель радиочастоты, двухполярный амплитудный детектор, третий и четвертый формирователи импульсов, в каналы сигнала яркости, первого и второго цветоразностных сигналов введены соответственно блок обработки кодов сигнала яркости, блок обработки кодов первого цветоразностного сигнала и блок обработки кодов второго цветоразностного сигнала, и в канал формирования управляющих сигналов введен синтезатор частот.
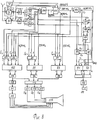
Структурная схема передающей стороны приведена на фиг.1, последовательность отсчетов в строке - на фиг.2, функциональная схема АЦП сигнала яркости - на фиг. 3, функциональная схема АЦП цветоразностного сигнала - на фиг.4, АЦП сигнала звука - на фиг.5, функциональная схема формирователя группового сигнала - на фиг.6, функциональная схема формирователя кодов сигнала яркости - на фиг. 7, структурная схема приемной стороны - на фиг.8, блок обработки кодов сигнала яркости - на фиг.9, блок обработки кодов цветоразностного сигнала - на фиг.10, блок выделения кода синхроимпульса - на фиг.11, принципиальная схема двухполярного амплитудного детектора - на фиг.12, конструкция пьезодефлектора - на фиг.13, временные диаграммы работы системы - на фиг.14, спектры выходных сигналов передатчика - на фиг.15.
Передающая сторона включает /фиг.1/ последовательно соединенные фотоэлектрический преобразователь 1, являющийся датчиком цветного ТВ сигнала, формирователь 2 сигнала яркости Еу и двух цветоразностных сигналов ЕR-у, Ев-у, представляющий кодирующую матрицу, первый АЦП 3 сигнала яркости, второй АЦП 4 первого цветоразностного сигнала, третий АЦП 5 второго цветоразностного сигнала, четвертый АЦП 6 сигнала звука, последовательно соединенные генератор 7 синусоидальных колебаний и делитель 8 частоты, самоходный распределитель 9 импульсов, формирователь 10 группового сигнала, формирователь 11 кодов сигнала яркости, передатчик 12, включающий последовательно соединенные генератор 13 несущей частоты и два канала, первый канал включает последовательно соединенные амплитудный модулятор 14 и выходной усилитель 15, второй канал включает амплитудный модулятор 16 и выходной усилитель 17. Амплитудный модулятор 14 включает кольцевой модулятор, подавляющий несущую частоту, и полосовой фильтр, отфильтровывающий нижнюю боковую частоту в спектре амплитудно-модулированной несущей. Амплитудный модулятор 16 включает кольцевой модулятор, подавляющий несущую частоту, и полосовой фильтр, отфильтровывающий верхнюю боковую частоту. Первый канал излучает в эфир верхнюю модулированную боковую частоту с информацией о цветоразностных сигналах ЕR-у, Ев-у второй канал излучает в эфир нижнюю модулированную боковую частоту с информацией о сигнале яркости.
АЦП 3, 4, 5 выполнены идентично /фиг.3 и 4/. АЦП 3 включает последовательно соединенные видеоусилитель 18, суммирующий усилитель 19, на второй вход его поданы сигналы синхронизации Еси, и пьезодефлектор 20 со световым отражателем на торце, включает первый источник 21 положительного опорного напряжения, второй источник 22 отрицательного опорного напряжения, импульсный излучатель, содержащий импульсный светодиод 23, щелевую диафрагму 24 и объектив 25, квантующую линейку 26 световодов, входы которых оптически соединены со световым отражателем пьезодефлектора, блок 27 фотоприемников и шифратор 28. Первым входом АЦП 3 является вход видеоусилителя 18, вторым - вход суммирующего усилителя 19. Выходом являются выходы шифратора 28. Управляющим входом является вход импульсного светодиода 23, подключенный к пятому выходу делителя 8 частоты /16,74 МГц/. АЦП 4 и 5 /фиг.4/ каждый включает видеоусилитель 29 и пьезодефлектор 30 со световым отражателем на торце, первый источник 31 положительного опорного напряжения, второй источник 32 отрицательного опорного напряжения, импульсный светодиод 33, щелевую диафрагму 34 и объектив 35, квантующую линейку 36 световодов, блок 37 фотоприемников и шифратор 38. Управляющий вход - вход импульсного светодиода 33, подключен к первому выходу делителя 8 /8,37 МГц/.
АЦП 6 сигнала звука /фиг.5/ включает последовательно соединенные управляемый делитель 39 напряжения, блок 40 ключей, согласующий усилитель 41, усилитель 42 звуковой частоты и пьезодефлектор 43 со световым отражателем на торце, первый источник 44 положительного опорного напряжения, второй источник 45 отрицательного опорного напряжения, импульсный излучатель, содержащий импульсный светодиод 46, щелевую диафрагму 47 и объектив 48, квантующую линейку 49 световодов, блок 50 фотоприемников, первый дешифратор 51, шифратор 52 и второй дешифратор 53, счетчик 54 импульсов, третий дешифратор 55 и блок 56 регистров. Входом АЦП 6 является вход блока 39, управляющими входами: первым - счетный вход счетчика 54, вторым - управляющий вход счетчика 54, третьим - объединенный вход светодиода 46 и четвертый управляющий вход блока 56 регистров. Выходом является выход блока 56 регистров в формирователь 10 группового сигнала.
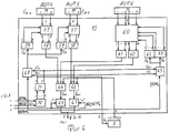
Формирователь 10 группового сигнала /фиг.6/ включает три канала. Пeрвыe два идентичные и каждый включает последовательно соединенные блок 57 элементов И и элемент 58 ИЛИ и самоходный распределитель 59 импульсов, третий канал включает блок 60 элементов И, первый 61 и второй 62 элементы ИЛИ и два самоходных распределителя 63 импульсов, выходы первых восьми /1-8/ элементов И блока 60 подключены к входам первого элемента 61 ИЛИ, выходы вторых восьми /9-16/ элементов И блока 60 подключены к входам второго 62 элемента ИЛИ, включает третий элемент 64 ИЛИ и первый выходной ключ 65, последовательно соединенные четвертый элемент 66 ИЛИ и второй выходной ключ 67, первый 68 и второй 69 ключи, счетчик 70 импульсов и дешифратор 71. Информационными входами являются: первым - входы блока 57 первого канала, подключенные к выходу АЦП 4, вторым - входы блока 57 второго канала, подключенные к выходу АЦП 5, третьим - входы блока 60 элементов И третьего канала, подключенные к выходу АЦП 6, четвертым - третьи входы третьего 64 и четвертого 66 элементов ИЛИ, подключенные к выходу блока 9 самоходного распределителя импульсов.
Первым выходом является объединенный выход выходных ключей 65, 67, вторым выходом является выход дешифратора 71, подключенный к блоку 9. Управляющими входами являются: первым - объединенные входы первого 68, второго 69 ключей и счетчика 70 импульсов, подключенные к первому выходу делителя 8 частоты, вторым - объединенные сигнальные входы выходных ключей 65, 67, подключенные к второму выходу делителя 8 частоты, третьим - управляющий вход счетчика 70 импульсов, подключенный к третьему выходу делителя 8 частоты.
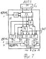
Формирователь 11 кодов сигнала яркости /фиг.7/ содержит последовательно соединенные триггер 72 и блок 73 коммутации и два канала, входы которых подключены к соответствующим выходам блока 73 коммутации, а выходы каналов объединены и являются выходом формирователя 11 кодов. Каналы идентичны и каждый включает последовательно соединенные блок 74 элементов И, элемент 75 ИЛИ и выходной ключ 76 и самоходный распределитель 77 импульсов. Первым информационным входом формирователя 11 являются входы блока 73 коммутации, подключенные к выходам АЦП 3. Вторым информационным входом являются вторые входы элементов ИЛИ 75, подключенные к выходу самоходного распределителя 9 импульсов. Первым управляющим входом является вход триггера 72, подключенный к пятому выходу делителя 8 частоты, вторым управляющим входом является объединенный вход самоходных распределителей 77 импульсов, подключенный к первому выходу делителя 8 частоты, третьим является объединенный вход сигнальных входов выходных ключей 76, подключенный к второму выходу делителя 8 частоты. Выходом формирователя 11 является объединенный выход выходных ключей 76, подключенный к второму входу амплитудного модулятора 16.
Приемная сторона включает /фиг.8/ антенну, блок 78 сенсорного управления, первый тракт приема кодов видеосигналов, содержащий блок 79 приема радиосигнала, первый вход которого подключен к антенне, вторые входы подключены к первой группе выходов блока 78 сенсорного управления, усилитель 80 радиочастоты и двухполярный амплитудный детектор 81, первый 82 и второй 83 формирователи импульсов, канал первого цветоразностного сигнала ЕR-у, включающий регистр 84 первого цветоразностного сигнала, блок 85 обработки кодов первого цветоразностного сигнала и второй ЦАП 86, канал второго цветоразностного сигнала Ев-у, включающий регистр 87 второго цветоразностного сигнала, блок 88 обработки кодов второго цветоразностного сигнала и третий ЦАП 89, канал звукового сигнала, содержащий первый ключ 90 и первый блок 91 регистров, второй ключ 92 и второй блок 93 регистров, и четвертый ЦАП 94, входы которого подключены к выходам блоков 91, 93 регистров.
Приемная сторона включает второй тракт приема кодов видеосигналов, содержащий блок 95 приема радиосигнала, первый вход которого подключен к антенне, вторые входы подключены к первой группе выходов блока 78 сенсорного управления, усилитель 96 радиочастоты и двухполярный амплитудный детектор 97, третий 98 и четвертый 99 формирователи импульсов, канал сигнала яркости, включающий первый 100, второй 101 регистры сигнала яркости, блок 102 обработки кодов сигнала яркости и первый ЦАП 103, канал формирования управляющих сигналов, содержащий последовательно соединенные блок 104 выделения кода синхроимпульса, синтезатор 105 частот и самоходный распределитель 106 импульсов, и ключ 107, счетчик 108 импульсов и дешифратор 109. Входы блока 104 подключены к выходам формирователей импульсов 82, 83, 98, 99. Синтезатор 105 частот выдает с первого выхода импульсы дискретизации 16,74 МГц сигнала яркости, со второго выхода импульсы дискретизации 8,37 МГц первого и второго цветоразностных сигналов, с третьего выхода импульсы дискретизации сигнала звука 58125 Гц для блоков 91, 93 регистров, с четвертого выхода синусоидальные колебания несущей частоты, соответственно поступившего управляющего сигнала с блока 78 сенсорного управления, на третьи входы блоков 75, 95 приема радиосигнала. Собственная стабильность частоты синтезатора 105 частот 10-5. Подстройка частоты синтезатора под частоту и фазу задающего генератора 7 передающей стороны производится по переднему фронту синхроимпульса с блока 104, поступающего на первый вход синтезатора 105 частот.
Далее используются известные средства воспроизведения изображения и звука, представленные на фиг.8 следующими блоками: видеоусилитель 110, селектор 111 синхроимпульсов, блок 112 строчной и кадровой разверток, цветной кинескоп 113, декодирующая матрица 114, видеоусилители 115, 116, 117 трех видеосигналов основных цветов, блок 118 звукового сопровождения и громкоговоритель 119.
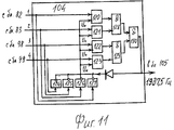
Блок 104 выделения кода синхроимпульса /фиг.11/ содержит первый 120, второй 121, третий 122, четвертый 123 счетчики импульсов, первый 124, второй 125, третий 126 и четвертый 127 элементы НЕ, первый 128, второй 129, третий 130 элементы И и диод. Входами блока 104 являются счетные входы счетчиков 120-123, выходом является выход третьего элемента И 130. С приходом на счетные входы 4-разрядных счетчиков четырех кодов 11111111 с выхода элемента И 130 следует синхроимпульс частотой 19375 Гц (частотой строк). Самоходные распределители импульсов выполнены по схеме [3, с.274]. Пьезодефлекторы выполнены одинаково /фиг.13/, каждый включает [4, с.118] первую 131 и вторую 132 пьезопластины, внутренний электрод 133, первый 134, второй 135 внешние электроды, один конец пьезопластин закреплен в держателе 136, на свободном конце расположен световой отражатель 137.
Блок 102 обработки кодов сигнала яркости /фиг.9/ содержит триггер 138, первый 139, второй 140, третий 141, четвертый 142 регистры, первый 143, второй 144, третий 148 блоки элементов задержек, сумматор 147, пятый 145 и шестой 146 регистры и 16 диодов. Первым информационным входом являются входы первого блока 143 элементов задержек, на них поступают коды нечетных отсчетов в параллельном виде с первого регистра 100 сигнала яркости, вторым информационным входом являются входы второго блока 144 элементов задержек, на входы которого поступают коды четных отсчетов строки сигнала яркости в параллельном виде со второго регистра 101. Управляющим входом является вход триггера 138, подключенный к первому выходу синтезатора 105 частот. Выходом блока 102 являются объединенные выходы третьего блока 148 элементов задержек, пятого 145 и шестого 146 регистров, подключенные к входам первого ЦАП 103.
Блок 85 обработки кодов первого цветоразностного сигнала и блок 88 обработки кодов второго цветоразностного сигнала идентичны /фиг.10/, каждый включает триггер 149, первый 150, второй 151 блоки ключей /по восемь в каждом/, первый 152, второй 153, третий 154, четвертый 155 регистры, первый 156, второй 157, третий 160 блоки элементов задержек, пятый 158 и шестой 159 регистры, сумматор 161 и 16 диодов. Информационным входом являются объединенные входы первого 150 и второго 151 ключей, на них поступают с частотой 8,37 МГц коды первого /второго/ цветоразностного сигнала с регистра 84 /87/. Управляющим входом являются вход триггера 148 и управляющий вход сумматора 161, подключенные к второму выходу синтезатора 105 частот. Выходом блока 85 /88/ являются объединенные выходы третьего 160 блока элементов задержек, пятого 158 и шестого 159 регистров, подключенные к входам второго /третьего/ ЦАП 86 /89/.
Тактовая частота в системе составляет:
где 775строкх25 Гц=19375 Гц - частота строк,
25 Гц - частота кадров,
- число пар отсчетов в строке 432,
8раз - число разрядов в коде.
где 775строкх25 Гц=19375 Гц - частота строк,
25 Гц - частота кадров,
- число пар отсчетов в строке 432,
8раз - число разрядов в коде.
Фотоэлектрический преобразователь 1 формирует три видеосигнала основных цветов ЕR, ЕG, Eв для формирователя 2, являющегося кодирующей матрицей, выдающей с первого выхода видеосигнал яркости Еу, со второго выхода - первый цветоразностный видеосигнал ЕR-у, с третьего - второй пветоразностный видеосигнал Ев-у.
АЦП 3 преобразует видеосигнал яркости в 8-разрядные коды с частотой 16,74 МГц, АЦП 4 и 5 преобразуют в 8-разрядные коды первый и второй цветоразностные видеосигналы с частотой 8,37 МГц. АЦП 6 преобразует сигналы звука в 16-разрядные коды с частотой 58125 Гц. Формирователь 10 группового сигнала преобразует параллельные коды в последовательные и заменяет в них представление символов единиц в кодах с импульсов на положительные /коды с АЦП 4 и 6/ и отрицательные /с АЦП 5, 6/ полусинусоиды. Формирователь 11 преобразует параллельные коды сигнала яркости в последовательные и заменяет в них представление единиц с импульсов на положительные /коды нечетных отсчетов/ и отрицательные /коды четных отсчетов/ полусинусоиды. Генератор 7 выполняет роль задающего генератора и генерирует синусоидальные колебания со стабильностью 10-7. Делитель 8 частоты формирует частоты и выдает: с первого выхода импульсы 8,37 МГц дискретизации для АЦП 4, 5, первых управляющих входов АЦП 6, формирователя 10 группового сигнала, второго управляющего входа формирователя 11 кодов, со второго выхода - синусоидальные колебания 66,96 МГц для второго управляющего входа формирователя 10 группового сигнала и третьего управляющего входа формирователя 11 кодов, с третьего выхода - импульсы 19375 Гц для второго управляющего входа АЦП 6 и третьего управляющего входа формирователя 10 группового сигнала, с четвертого выхода - импульсы 58125 Гц для третьего управляющего входа АЦП 6, с пятого выхода - импульсы 16,74 МГц для управляющего входа АЦП 3, с шестого - синусоидальные колебания 66,96 МГц для генератора 13 несущей частоты.
АЦП 3, 4, 5 /фиг.3 и 4/ имеют один принцип преобразования, состоящий в развертке луча от светодиода отражателем пьезодефлектора по плоскости входных зрачков квантующей линейки 26 /36/ световодов, световой импульс преобразуется фотоприемником в электрический сигнал, возбуждающий одну из входных шин шифратора 28 /38/, который выдает мгновенное значение входного сигнала в двоичном коде. Квантующая линейка 26 /36/ световодов содержит 255 световодов для кодирования видеосигнала 8-разрядным кодом. Шифратор 28 формирует коды с 00000001 по 11111111. Единицы в кодах представляются наличием импульса, нули - их отсутствием. Первому световоду соответствует код 00000001, второму - 00000010, третьему - 00000011 и т.д., 255-у - 11111111. Скорость создания информации в АЦП 3: 16,74 МГц х 8раз=133,92 Мбит/с, в АЦП 4 и 5 в каждом: 8,37 МГц х 8раз=66,96 Мбит/с. И в сумме будет 267,84 Мбит/с. Источником излучения принят импульсный инфракрасный светодиод АЛ402А с временем срабатывания импульса излучения 25 нс, что с запасом удовлетворяет частоте 16,74 МГц /59,7 нс/. Сигнал с усилителя 29 в АЦП 4 и с суммирующего усилителя 19 в АЦП 3 поступает на внутренний электрод 133 /фиг.13/ пьезодефлектора. К внешнему электроду 134 приложено положительное напряжение с источника 31. Ко второму внешнему электроду приложено отрицательное опорное напряжение с источника 32. Напряжения векторов поляризации пьезопластин 131, 132 совпадают [4, c. 122]. При подаче сигнала на внутренний электрод 133 происходит деформация пьезопластин, торец со световым отражателем 137 поворачивается и отклоняет луч по входным торцам световодов квантующей линейки 26. Фотоприемниками являются лавинные фотодиоды /ЛФД/ с временем срабатывания 10 нс и изготовленные методом микроэлектронной технологии на выходных торцах световодов. Выходы каждого фотоприемника подключены к соответствующим входам шифратора 28 /38/, представляющего собой микросхемы К155ИВ1 [5, с.231] с временем срабатывания 20 нс. Время преобразования складывается из времени срабатывания фотоприемника 10 нс и времени срабатывания шифратора 20 нс, в сумме 30 нс, или 33•106 преоб./с, с запасом удовлетворяющее дискретизации 16,74 МГц /59,7 нс/. Коды с АЦП 3 поступают в формирователь 11 кодов, коды с АЦП 4 и 5 поступают в формирователь 10 группового сигнала. АЦП 6 за время одной строки формирует три 16-разрядных кода сигнала звука. Частота дискретизации 58125 Гц. Принцип преобразования тот же, что и АЦП 3. Для получения кода с 16-ю разрядами производится изменение коэффициента передачи делителя 39 напряжения, представляющего семиступенчатый резистивный делитель. Блок 40 ключей включает семь ключей для подключения соответствующей ступени делителя к согласующему усилителю 41. Квантующая линейка 49 световодов содержит 1024 световода для преобразования звукового сигнала в 10-разрядный код, представляющий 210. Разрешающая способность принята 10 мкВ, диапазон кодирования линейкой 49 составляет 0 - 0,01024 В. Преобразование в коды сигналов, превышающих 210, выполняют первый дешифратор 51, второй дешифратор 53 и блок ключей 40. С их применением диапазон кодирования 0 - 0,65536 В, т.е. 216. При достижении сигналом величины кода 210 импульс со второго выхода дешифратора 53 открывает второй ключ в блоке 40 и закрывает первый ключ, коэффициент становится 0,5. При коде 211 - коэффициент 0,25, при коде 212 - 0,125, при 213 - 0,0625, при 214 - 0,03125, при 215 - 0,015625, который остается до кода 216. С уменьшением амплитуды сигнала процесс обратный. За время одной строки шифратор 52 выдает три кода, которые поступают в блок 56 регистров, включающий три 16-разрядных регистра. В процессе поступления коды сдвигаются из регистра в регистр импульсами сдвига Ucд. В блоке 56 накапливаются три кода, которые затем друг за другом в параллельном виде выдаются в формирователь 10 группового сигнала. Сигналы выдачи приходят с трех выходов третьего дешифратора 55 в моменты следования 429, 430, 431-го дискретных импульсов. Сигналы выдачи формирует счетчик 54 импульсов и третий дешифратор 55. Счетчик 54 9-разрядный, ведет счет импульсов дискретизации 8,37 МГц в каждой строке, цикл счета 432 импульса. В моменты 429, 430, 431 импульсов дешифратор 55 выдает из блока 56 три кода звука подряд в формирователь 10 на первые входы элементов И блока 60. Обнуляется счетчик 54 передним фронтом импульса частоты строк 19375 Гц с третьего выхода делителя 8 частоты.
Работа формирователя 10 группового сигнала /фиг.6/. Формирователь 10 преобразует поступающие с АЦП 4, 5, 6 параллельные коды в последовательные и заменяет в них символы единиц на положительные полусинусоиды в сигналах ЕR-у с АЦП 4 и в кодах звука с АЦП 6 с 1 по 8 разряды, в кодах второго сигнала Ев-у с АЦП 5 и кодах звука с 9 по 16 разряды на отрицательные полусинусоиды. Коды первого цветоразностного ЕR-у /фиг. 2/ следуют с 1 по 380 отсчеты строки, с 361 по 427 отсчеты кодов нет, при 428 отсчете идет переключение ключей 68, 69, в 429, 430, 431 отсчеты следуют коды звука с 1 по 8 разряды, в 432 отсчет идет код синхроимпульса из восьми единиц 11111111. Коды второго цветоразностного сигнала Ев-у идут с 1 по 360 отсчеты строки, с 361 по 427 кодов нет, в 428 - переключение ключей 68, 69, в 429, 430, 431 отсчетах идут коды звука с 9 по 16 разряды, в 432 отсчете идет код синхроимпульса 11111111. При 428 отсчете дешифратор 71 дешифрирует код 428 числа, выдает с второго выхода импульс U3, закрывающий ключ 68 и открывающий ключ 69. На входы выходных ключей поступают коды звука. В момент 431 отсчета дешифратор 71 сигналом с первого выхода открывает ключ 68, закрывает ключ 69. Одновременно импульс с первого выхода дешифратора 71 в качестве сигнала Uп пуска поступает на вход самоходного распределителя 9 импульсов, выдающего код синхроимпульса на третьи входы элементов ИЛИ 64, 66. В момент 432-го отсчета с выхода формирователя 10 следует код синхроимпульса 11111111. На сигнальные входы выходных ключей поступают синусоидальные колебания моночастоты 66,96 МГц. Выходной ключ 65 в открытом состоянии /14,9 нс/ пропускает на выход один положительный полупериод синусоиды, выходной ключ 67 в открытом состоянии пропускает один отрицательный полупериод синусоиды. На входе формирователя 10 символы единиц в кодах представлены импульсами, с выходов выходных ключей 65, 67 символы единиц в кодах сигнала ЕR-у, в кодах звука с 1 по 8 разряды представляются положительными полусинусоидами /фиг.2/, в кодах сигнала EВ-У и в кодах звука с 9 по 16 разряды представляются отрицательными полусинусоидами. Временные диаграммы этого на фиг.14. Выходной сигнал формирователя 10 представляется следованием полных или неполных синусоид моночастоты 66,96 МГц, которые и модулируют по амплитуде несущую частоту 669,6 МГц в амплитудном модуляторе 14. Блок 60 элементов И включает 16 элементов и по числу разрядов в коде звука. Счетчик 70 9- разрядный, производит счет импульсов 8,37 МГц, цикл счета 432 импульса обнуляется передним фронтом строчного импульса U0 19375 Гц.
Работа формирователя 11 кодов сигнала яркости /фиг.7/. Формирователь 11 нормирует из параллельных кодов сигнала яркости Еу последовательные с 1 по 720 отсчеты строки, синхроимпульсов Еси - с 721 по 862 отсчеты /импульсы частоты строк, кадров, гашения луча и др./, 863, 864 отсчеты являются кодами синхроимпульса 11111111. Коды с АЦП 3 с частотой 16,74 МГц поступают на входы блока 73 коммутации, разделяющего поток кодов в 16,74 МГц на два потока по 8,37 МГц. Блок 73 включает четыре микросхемы К176КТ1, являющиеся 4-канальными коммутаторами с временем срабатывания 25 нc [10, c.222]. Выходы первых микросхем подключены к первым входам элементов И блока 74 первого канала, выходы других микросхем подключены к первым входам элементов И блока 74 второго канала. Поочередное подключение этих блоков к своим выходам в блоке 73 выполняет триггер 72, на вход которого поступают управляющие сигналы 16,74 МГц. На выходе формирователя 11 символы единиц представляются в кодах нечетных отсчетов строки положительными полусинусоидами, в четных отсчетах строки - отрицательными полусинусоидами. Выходной сигнал с формирователя 11 представляется следованием полных или неполных синусоид моночастоты 66,96 МГц, модулирующих несущую частоту в амплитудном модуляторе 16. Генератор 13 несущей частоты является умножителем частоты 66,96 МГц на 10 и получает несущую 669,6 МГц. Спектр амплитудно-модулированного сигнала /фиг.15/ состоит из несущей и двух боковых частот - нижней и верхней. Одна из боковых частот и сама несущая являются в информационном смысле избыточными. Амплитудные модуляторы 14 и 16 каждый состоит из кольцевого модулятора и полосового фильтра [6, с.235]. Каждый амплитудный модулятор методом двойной балансной модуляции и фильтрацией одной из боковых полос формирует однополосный сигнал. В блоке 14 подавляется несущая частота и отфильтровывается полосовым фильтром нижняя боковая частота. Информацию о кодах сигналов ЕR-у и Ев-у несет верхняя боковая частота 736,56 МГц /669,6+66,96/ и при стабильности генератора 7 в 10-7 занимает в эфире полосу ±73,65 Гц или 147,3 Гц. В блоке 16 подавляется несущая частота и отфильтровывается верхняя боковая частота. Информацию о кодах сигнала яркости Еу несет нижняя боковая частота 602,64 МГц /669,6-66,96/, занимающая полосу ± 60,26 Гц или 120,5 Гц. Эти полосы можно разместить между каналами аналогового телевещания без ущерба для них. Для передачи такой полосы нужна много меньшая мощность передатчика, чем при передаче сигнала с полосой в несколько МГц.
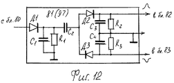
На приемной стороне блоки 79, 95 приема радиосигнала принимают модулированные боковые частоты. Блоки являются селекторами дециметрового диапазона /СКД/ с электронной настройкой и производят прием радиосигналов в диапазоне 550-790 МГц. Каждый из блоков представляет собой первую половину СКД-24 [7, с. 132] и включает входную цепь, усилитель радиочастоты и из преобразователя частоты используется смеситель VT2 [7, рис.4.2]. Полосовой фильтр усилителя радиочастоты в каждом диапазоне перестраивается подачей напряжения смещения на варикапы с электронного коммутатора блока 78 сенсорного управления, являющегося блоком выбора программ, например, УCУ-1-15 [7, с.86]. Усиленный радиочастотный сигнал через петлю связи L11 [7, с.132] поступает на эмиттер смесителя /транзистор VT2/, на смеситель с синтезатора 105 частот подается соответствующая несущая частота, необходимая для детектирования однополосного сигнала [11, с.146]. Контур гетеродина и фильтр ПЧ, имеющиеся в СКД-24, не нужны. Сигнал с коллектора VТ2, являющийся выходным сигналом блока 79 /95/, поступает на вход усилителя 80 /96/ радиочастот, где усиливается до необходимой величины и поступает на вход двухполярного амплитудного детектора 81 /97/. Вторые входы синтезатора 105 частот подключены к второй группе выходов блока 78 /после диодов Д11 - Д18/ [7, с.86]. При включении программы передач напряжение с соответствующего диода определяет выход нужной частоты с синтезатора 105 на третьи входы блоков 79, 95. Двухполярные амплитудные детекторы 81, 97 выполнены по схеме [8, c.112] /фиг.12/. Диод Д1 выделяет положительную огибающую /фиг.14/ модулирующего синусоидального сигнала. Диод Д2 из модулирующей выделяет огибающие положительных полусинусоид /символы единиц кодов положительной полярности ЕR-у и нечетные отсчеты Еу/, диод Д3 из модулирующей выделяет огибающие отрицательных полусинусоид /символы единиц сигнала Ев-у и четных отсчетов Еу/. С первого выхода детектора 81 /97/ положительные полусинусоиды поступают на вход формирователя 82 /98/ импульсов. Продетектированные отрицательные полусинусоиды со второго выхода детектора 81 /97/ поступают на вход формирователя 83 /99/ импульсов. Формирователи импульсов выполнены по схеме несимметричного триггера с эмиттерной связью [9, c.209] и формируют прямоугольные импульсы из гармонически изменяющихся сигналов. Импульсы с формирователей имеют одну полярность и длительность, равную длительности импульсов в кодах на передающей стороне. Единицы в кодах представляются наличием импульса, нули - их отсутствием. Порядок работы приемной стороны определяется управляющими сигналами с канала формирования управляющих сигналов. Задающая роль принадлежит блоку 104 выделения кода синхроимпульса. Условием выдачи синхроимпульса с блока 104 является одновременный приход с формирователей 82, 83, 98, 99 четырех кодов из восьми единиц 11111111 на входы блока 104. Во всех кодах строки, кроме 432-го, всегда будет один и более нулей, тем более в четырех кодах одновременно, по которым элементы НЕ /фиг.11/ обнуляют счетчики 120, 121, 122, 123 импульсов. С приходом четырех кодов 11111111 блок 104 выдает импульс, являющийся синхроимпульсом 19375 Гц /частота строк/, который открывает ключ 107 и по которому производится подстройка частоты синтезатора 105 под частоту и фазу задающего генератора 7 передающей стороны. Синтезатор 105 выдает с первого выхода импульсы дискретизации 16,74 МГц на управляющий вход блока 102, со второго выхода импульсы дискретизации 8,37 МГц - на управляющие входы блоков 85, 88 обработки кодов, на первые управляющие входы регистров в канале яркости 100, 101, регистра 84 канала первого цветоразностного сигнала, регистра 87 канала второго цветоразностного сигнала, с третьего выхода импульсы 58125 Гц - на первые управляющие входы блоков 91, 93 регистров канала звука как сигнал Uвыд, с четвертого выхода выдает несущую частоту соответственно принимаемой программе на третьи входы блоков 79, 95. Импульсы 8,37 МГц поступают на вход самоходного распределителя 106 импульсов как сигнал Uп пуска, который умножает частоту 8,37 МГц на 8, выдает с выхода тактовую частоту 66,96 МГц для вторых управляющих входов регистров 100, 101, 84, 87 и для вторых управляющих входов блоков 91, 93 канала звука. Синхроимпульс с блока 104 открывает ключ 107, пропускающий импульсы 8,37 МГц в счетчик 108 импульсов. Счетчик 108 9-разрядный, цикл счета 432 импульса. С приходом 428-го импульса дешифратор 109 выдает сигнал с первого выхода, который открывает ключи 90, 92 на время длительности трех кодов звука /длительности импульсов 429, 430, 431/. Коды звука проходят ключи, поступают в блоки 91, 93 регистров, с которых выдаются сигналами Uвыд 58125 Гц в четвертый ЦАП 94. С приходом 431-го импульса в счетчик 108 дешифратор 109 выдает сигнал со второго выхода, закрывающий ключи 90, 92, обнуляет счетчик 108 и закрывает ключ 107. Следующий синхроимпульс опять открывает ключ 107, процесс повторяется, нечетные коды сигнала яркости с формирователя 98 импульсов поступают в первый регистр 100 сигнала яркости, четные коды Еу с формирователя 99 импульсов поступают во второй регистр 101. Из регистров 100, 101 коды в параллельном виде выдаются импульсами дискретизации 8,37 МГц в блок 102 обработки кодов сигнала яркости. Коды первого цветоразностного сигнала с формирователя 82 поступают в регистр 84 и из него в параллельном виде выдаются импульсами 8,37 МГц в блок 85 обработки кодов. Коды второго цветоразностного сигнала с формирователя 83 поступают в регистр 87 и из него в параллельном виде выдаются в блок 88 обработки кодов. Регистры 100, 101, 84, 87 выполняют преобразование последовательных кодов в параллельные.
Работа блока 102 обработки кодов сигнала яркости /фиг.9/. Исходное состояние регистров блока 102 обнуленное. Блок 102 производит удвоение частоты следования кодов сигнала яркости с 16,74 МГц в 33,48 МГц получением от каждого предыдущего и последующего кодов с передающей стороны промежуточных /средних/ значений. Каждый код используется для сложения два раза, в блоке 102 применены четыре регистра, для каждого кода по два. С включением приемной стороны на вход триггера 138 поступает первый импульс 16,74 МГц с блока 105. Импульс Uвыд1 с первого выхода триггера выдает одновременно код "0к" из регистра 140 и код "0к" из регистра 141 и обнуляет их. Код с регистра 140 поступает на первые входы сумматора 147, код с регистра 141 через диоды поступает на вторые входы сумматора 147 и на входы шестого регистра 146, имеющего восемь разрядов и хранящий /задерживающий/ код 59,7 нс. С регистра 100 первый код в параллельном виде поступает на входы первого блока 143 элементов задержек, выполняющий задержку на 10 нс. Блок 143 имеет восемь элементов задержек и предназначен для исключения наложения по времени поступающего кода в регистры 139, 140 и выдаваемого из них. Первый код "1к" заполняет регистры 139, 140 после выдачи из них предыдущего "0к" кода. Сумматор 147 производит сложение кодов, а сумма делится пополам . B качестве сумматора применена микросхема К555ИМ6 [5, с.258] с временем сложения 24 нс. Деление суммы пополам выполняется сдвигом кода суммы на один разряд так, что отбрасывается младший разряд кода суммы. Сдвиг на один разряд выполняется соответствующим подключением выходов сумматора 147 к входам блока 148 элементов задержек:
Разряд 0 означает разряд переноса при сумме кодов. Процесс получения промежуточных кодов поясняется фиг.9. При удвоений частоты следования кодов с 16,74 МГц в 33,48 МГц коды следуют через 29,9 нс. процесс сложения занимает 24 нс, следовательно, третий блок 148 элементов задержек задерживает код еще на 5,9 нс. По истечении 29,9 нс код 1 поступает с блока 148 в первый ЦАП 103. Код 2 выдается в ЦАП 103 с регистра 146 сигналом Uвыд2 и следует после кода 1 через 29,9 нс. Это код "0к", который был выдан с регистра 141 в регистр 146. Регистр 146 хранит код 59,9 нс, первая половина задержки в 29,9 нс приходится на время сложения плюс задержка в блоке 148 5,9 нс. Поэтому код 2 из регистра 146 поступает в ЦАП 103 через 29,9 нс за кодом 1. С приходом второго импульса в триггер 138 импульс Uвыд2 со второго выхода триггера выдает из регистра 139 первый код "1к" через диоды на первые входы сумматора 147 и в пятый регистр 145, задерживающий код на 59,7 нс. Этот же импульс Uвыд2 выдает из регистра 142 код "0к" в сумматор 147. Идет сложение и деление суммы пополам . Вслед за выдачей кода с регистра 142 регистры 141, 142 заполняются кодом "2к" с второго блока 144 элементов задержек. Блок 144 производит задержку четных кодов на 69,7 нс, в которые входят 59,7 нс, воспроизводящие следование четного кода за нечетным, и 10 нс для согласования по времени выдачи кода из регистров 141, 142 и заполнения их новым. Через 29,9 нс после кода 2 с блока 148 в ЦАП 103 следует код 3 , еще через 29,9 нс с регистра 145 сигналом Uвыд1 с первого выхода триггера 138 выдается код 4 "1к". С приходом третьего импульса в триггер 138 сигналом Uвыд3 с первого выхода из регистра 140 выдается код "1к" в сумматор и второй код "2к" из регистра 141 в сумматор 147 и в регистр 146. Идет сложение и деление суммы пополам , на вход ЦАП 103 поступает код 5 . Через 29,9 нс из регистра 146 выдается сигналом со второго выхода триггера 138 код 6 "2к". С приходом четвертого импульса в триггер 138 сигнал Uвыд4 со второго выхода выдает из регистра 142 код "2к" в суматор 147 и третий код "3к" из регистра 139 в сумматор 147 и в регистр 145. Следует заполнение регистров 141, 142 кодом "4к". Идет сложение в сумматоре, деление пополам, на вход ЦАП 103 идет код 7 , через 29,9 нс за кодом 7 из регистра 145 следует код 8 "3к". Далее эти процессы, чередуясь, повторяются.
Разряд 0 означает разряд переноса при сумме кодов. Процесс получения промежуточных кодов поясняется фиг.9. При удвоений частоты следования кодов с 16,74 МГц в 33,48 МГц коды следуют через 29,9 нс. процесс сложения занимает 24 нс, следовательно, третий блок 148 элементов задержек задерживает код еще на 5,9 нс. По истечении 29,9 нс код 1 поступает с блока 148 в первый ЦАП 103. Код 2 выдается в ЦАП 103 с регистра 146 сигналом Uвыд2 и следует после кода 1 через 29,9 нс. Это код "0к", который был выдан с регистра 141 в регистр 146. Регистр 146 хранит код 59,9 нс, первая половина задержки в 29,9 нс приходится на время сложения плюс задержка в блоке 148 5,9 нс. Поэтому код 2 из регистра 146 поступает в ЦАП 103 через 29,9 нс за кодом 1. С приходом второго импульса в триггер 138 импульс Uвыд2 со второго выхода триггера выдает из регистра 139 первый код "1к" через диоды на первые входы сумматора 147 и в пятый регистр 145, задерживающий код на 59,7 нс. Этот же импульс Uвыд2 выдает из регистра 142 код "0к" в сумматор 147. Идет сложение и деление суммы пополам . Вслед за выдачей кода с регистра 142 регистры 141, 142 заполняются кодом "2к" с второго блока 144 элементов задержек. Блок 144 производит задержку четных кодов на 69,7 нс, в которые входят 59,7 нс, воспроизводящие следование четного кода за нечетным, и 10 нс для согласования по времени выдачи кода из регистров 141, 142 и заполнения их новым. Через 29,9 нс после кода 2 с блока 148 в ЦАП 103 следует код 3 , еще через 29,9 нс с регистра 145 сигналом Uвыд1 с первого выхода триггера 138 выдается код 4 "1к". С приходом третьего импульса в триггер 138 сигналом Uвыд3 с первого выхода из регистра 140 выдается код "1к" в сумматор и второй код "2к" из регистра 141 в сумматор 147 и в регистр 146. Идет сложение и деление суммы пополам , на вход ЦАП 103 поступает код 5 . Через 29,9 нс из регистра 146 выдается сигналом со второго выхода триггера 138 код 6 "2к". С приходом четвертого импульса в триггер 138 сигнал Uвыд4 со второго выхода выдает из регистра 142 код "2к" в суматор 147 и третий код "3к" из регистра 139 в сумматор 147 и в регистр 145. Следует заполнение регистров 141, 142 кодом "4к". Идет сложение в сумматоре, деление пополам, на вход ЦАП 103 идет код 7 , через 29,9 нс за кодом 7 из регистра 145 следует код 8 "3к". Далее эти процессы, чередуясь, повторяются.
Работа блока 85 /88/ обработки кодов /фиг.10/. Блок 85 производит удвоение частоты следования кодов ЕR-у с 8,37 МГц в 16,74 МГц получением промежуточных /средних/ значений между каждым предыдущим и последующим кодами сигнала ЕR-у /в блоке 88 сигнала Ев-у/ с передающей стороны. С поступлением первого импульса 8,37 МГц в триггер 149 импульс Uвыд1 с первого выхода триггера выдает код "0к" из регистра 153 и код "0к" из регистра 154 и обнуляет их. Код с регистра 153 поступает на первые входы сумматора 161, код с регистра 154 через диоды поступает на вторые входы сумматора и в шестой регистр 159, хранящий код 119,5 нс. С регистра 84 первый код "1к" в параллельном виде поступает на входы первого 150 и второго 151 блоков ключей. Сигнал Uвыд1 с первого выхода триггера 149 открывает ключи в блоке 150, содержащем восемь ключей. Код "1к" с блока ключей 150 проходит блок 156 элементов задержек, задерживающий код на 10 нc, и заполняет регистры 152, 153. Сумматор 161 производит сложение, сумма делится пополам . время сложения 24 нс. Деление суммы пополам выполняется соответствующим подключением выходов сумматора 161 и входов блока 160. При частоте 16,74 МГц период следования 59,7 нс, поэтому блок 160 задерживает код еще на 35,7 нс. Через 59,7 нc код 1 поступает с блока 160 в ЦАП 86. Код 2 "0к" выдается сигналом Uвыд2 из регистра 159 через 59,7 нс после кода 1 в ЦАП 86. Регистр 159 задерживает код на 119,5 нc, но первая половина задержки приходится на время суммирования и задержки кода в блоке 160. С приходом второго импульса в триггер 149 импульс Uвыд2 со второго выхода выдает из регистра 152 код "1к" через диоды на первые входы сумматора и в пятый регистр 158, задерживающий код на 119,5 нс . Этот же импульс выдает из регистра 154 код "0к" в сумматор 161. Следует сложение, деление пополам: . Одновременно Uвыд2 открывает ключи в блоке 151. Второй код "2к" с блока 151 проходит блок 157 элементов задержек, задерживающий код на 10 нc, и заполняет регистры 154, 155. Через 59,7 нс после кода 2 с блока 160 выдается код 3 в ЦАП 86. Через 59,7 нc из регистра 159 сигнал Uвыд2 выдает код 4 "Iк". С приходом в триггер 149 третьего импульса сигнал Uвыд3 с первого выхода триггера выдает из регистра 153 в сумматор код "1к" и из регистра 154 код "2к" в сумматор и в регистр 159. Сигнал Uвыд3 открывает ключи в блоке 150, третий код "3к" заполняет регистры 152, 153. Параллельно идет сложение, деление пополам и в ЦАП 86 поступает код 5 . Через 59,7 нс с регистра 159 выдается код 6 "2к". С приходом четвертого импульса в триггер 149 сигнал Uвыд4 выдает код "2к" из регистра 155 в сумматор и код "3к" из регистра 152 в сумматор и в регистр 158. Сигнал Uвыд4 открывает ключи в блоке 150, код "4к" заполняет регистры 154, 155. Одновременно следуют сложение и деление суммы пополам, с блока 160 выдается в ЦАП 88 код 7 . Через 59,7 нс с регистра 158 выдается код 8 "3к". Далее процессы, чередуясь, повторяются.
Воспроизведение изображения соответствует кодированию 4:2:2. Коды сигнала яркости поступают в ЦАП 103 с частотой 33,48 МГц, коды сигналов ЕR-у, Ев-у поступают в ЦАП 86, 89 с частотой 16,74 МГц. Аналоговые видеосигналы поступают в декодирующую матрицу 114, формирующую три видеосигнала основных цветов, которые после усиления в выходных видеоусилителях 115, 116, 117 поступают на модуляторы цветного кинескопа 113. Аналоговые видеосигналы яркости поступают в видеоусилитель 110, с него - в селектор 111 синхроимпульсов, выделяющий импульсы строк и кадров, поступающие в блок 112 строчной и кадровой разверток. Сигналы разверток поступают на соответствующие входы кинескопа 113, обеспечивая воспроизведение цветного изображения. Первый 90 и второй 92 ключи подключены к выходам первого 82 и второго 83 формирователей импульсов и открываются перед приходом в них кодов сигналов звука импульсом U0 с первого выхода дешифратора 109. После прохода трех кодов сигнала звука ключи закрываются импульсом U3 со второго выхода дешифратора 109. Первый блок 91 регистров принимает три кода звука с разрядами с 1 по 8, второй блок 93 регистров принимает эти же три кода с разрядами с 9 по 16. Выдаются коды звука в ЦАП 94, который преобразует их в аналоговые сигналы, которые усиливаются в блоке 118 и воспроизводятся громкоговорителем 119.
Работа системы
С фотоэлектрического преобразователя 1 напряжения трех цветоделенных сигналов поступают на входы формирователя 2 сигнала яркости и двух цветоразностных сигналов, с выхода которого поступают на АЦП 3, 4, 5. На второй вход АЦП 3 поступают сигналы Еси, преобразуются в 8-разрядные коды с частотой 16,74 МГц, цветоразностные сигналы преобразуются в 8-разрядные коды АЦП 4, с частотой 8,37 МГц. Сигналы звукового сопровождения преобразуются АЦП 6 в 16-разрядные коды с частотой 58125 Гц. Формирователь 10 группового сигнала преобразует параллельные коды первого и второго цветоразностных сигналов и сигнала звука в последовательные и заменяет в них символы единиц с импульсов на положительные и отрицательные полусинусоиды моночастоты 66,96 МГц. Формирователь 11 кодов преобразует параллельные коды сигнала яркости в последовательные и заменяет в них символы единиц с импульсов на положительные и отрицательные полусинусоиды моночастоты 66,96 МГц. Самоходный распределитель 9 импульсов выдает код синхроимпульса 11111111 на соответствующие входы формирователей 10 и 11 кодов в момент 432-го дискретного импульса строки. Выходной сигнал с формирователя 10 в составе полных и неполных синусоид частоты 66,96 МГц модулирует несущую частоту 669,6 МГц в амплитудном модуляторе 14. Передача информации цветоразностных сигналов выполняется верхней боковой частотой несущей 736,56 МГц. Выходной сигнал формирователя 11 кодов в составе полных и неполных синусоид частоты 66,96 МГц модулирует ту же несущую частоту в амплитудном модуляторе 16. Передача информации сигнала яркости выполняется нижней боковой частотой 602,64 МГц. Приемная сторона принимает два радиосигнала двумя трактами приема кодов видеосигналов, производит двухполярное амплитудное детектирование их, выделяет код синхроимпульса, формирует управляющие сигналы и тактовые импульсы 66,96 МГц, производит увеличение частоты следования кодов сигнала яркости и цветоразностных сигналов в два раза, преобразует коды видеосигналов и звука в аналоговые сигналы и воспроизводит цветное изображение кинескопом 113 и звук громкоговорителем 119. Число строк в кадре 775, отсчетов сигнала яркости в строке 1440, каждого цветоразностного сигнала 720. Занимаемая полоса частот в эфире 267,8 Гц.
С фотоэлектрического преобразователя 1 напряжения трех цветоделенных сигналов поступают на входы формирователя 2 сигнала яркости и двух цветоразностных сигналов, с выхода которого поступают на АЦП 3, 4, 5. На второй вход АЦП 3 поступают сигналы Еси, преобразуются в 8-разрядные коды с частотой 16,74 МГц, цветоразностные сигналы преобразуются в 8-разрядные коды АЦП 4, с частотой 8,37 МГц. Сигналы звукового сопровождения преобразуются АЦП 6 в 16-разрядные коды с частотой 58125 Гц. Формирователь 10 группового сигнала преобразует параллельные коды первого и второго цветоразностных сигналов и сигнала звука в последовательные и заменяет в них символы единиц с импульсов на положительные и отрицательные полусинусоиды моночастоты 66,96 МГц. Формирователь 11 кодов преобразует параллельные коды сигнала яркости в последовательные и заменяет в них символы единиц с импульсов на положительные и отрицательные полусинусоиды моночастоты 66,96 МГц. Самоходный распределитель 9 импульсов выдает код синхроимпульса 11111111 на соответствующие входы формирователей 10 и 11 кодов в момент 432-го дискретного импульса строки. Выходной сигнал с формирователя 10 в составе полных и неполных синусоид частоты 66,96 МГц модулирует несущую частоту 669,6 МГц в амплитудном модуляторе 14. Передача информации цветоразностных сигналов выполняется верхней боковой частотой несущей 736,56 МГц. Выходной сигнал формирователя 11 кодов в составе полных и неполных синусоид частоты 66,96 МГц модулирует ту же несущую частоту в амплитудном модуляторе 16. Передача информации сигнала яркости выполняется нижней боковой частотой 602,64 МГц. Приемная сторона принимает два радиосигнала двумя трактами приема кодов видеосигналов, производит двухполярное амплитудное детектирование их, выделяет код синхроимпульса, формирует управляющие сигналы и тактовые импульсы 66,96 МГц, производит увеличение частоты следования кодов сигнала яркости и цветоразностных сигналов в два раза, преобразует коды видеосигналов и звука в аналоговые сигналы и воспроизводит цветное изображение кинескопом 113 и звук громкоговорителем 119. Число строк в кадре 775, отсчетов сигнала яркости в строке 1440, каждого цветоразностного сигнала 720. Занимаемая полоса частот в эфире 267,8 Гц.
Предлагаемая система может быть применена для цифрового телевещания по существующим наземным сетям ТВ в диапазоне ДМВ без ущерба аналоговым каналам телевидения в этом же диапазоне.
Источники информации
1. Патент 2173030, кл. Н 04 N 7/00, бюл.24 от 27.08.01, прототип.
1. Патент 2173030, кл. Н 04 N 7/00, бюл.24 от 27.08.01, прототип.
2. Самойлов В.Ф., Хромой Б.П. "Телевидение", М., 1975, с.46, 132, 136.
3. Ильин В.А. "Телеуправление и телеизмерение", М., 1982, с.274.
4. Фридлянд И.В., Сошников В.Г. "Системы автоматического регулирования в устройствах видеозаписи", М., 1988, с. 118, рис.5.5, с.122.
5. Цифровые интегральные микросхемы, Минск, 1991, с.231, 258.
6. Радиопередающие устройства. М.С. Шумилин и др, М., 1981, с.234, 235.
7. Бродский М. А. "Телевизоры цветного изображения", Минск, 1988, с.66 рис.2.55, с.132 рис.4.2.
8. Справочник по радиовещанию. /Под ред. А.В. Выходца, Киев, 1981, с. 112.
9. Баркан В. Ф. , Жданов В.К. "Усилительная и импульсная техника", М., 1981, с.209.
10. Шило В.А. "Популярные цифровые микросхемы". Справочник, Челябинск, 1989, с.222.
11. Радиосвязь, вещание и телевидение. /Под ред. А.Д. Фортушенко, М., 1981, с.146.
Claims (1)
- Система цифрового телевидения, содержащая передающую сторону, которая включает последовательно соединенные фотоэлектрический преобразователь и формирователь сигнала яркости и двух цветоразностных сигналов, к первому, второму и третьему выходам которого подключены соответственно первый, второй и третий аналого-цифровые преобразователи /АЦП/, включает четвертый АЦП, на вход которого подан сигнал звукового сопровождения, последовательно соединенные генератор синусоидальных колебаний и делитель частоты, формирователь группового сигнала, самоходный распределитель импульсов, вход которого подключен ко второму выходу формирователя группового сигнала, а выход подключен к соответствующему информационному входу формирователя группового сигнала, и передатчик радиосигнала, включающий последовательно соединенные генератор несущей частоты, вход которого подключен к соответствующему выходу делителя частоты, амплитудный модулятор и выходной усилитель, второй вход амплитудного модулятора подключен к первому выходу формирователя группового сигнала, на второй информационный вход первого АЦП поданы сигналы синхронизации, первый, второй и третий информационные входы формирователя группового сигнала подключены к выходам соответственно второго, третьего и четвертого АЦП и первый, второй и третий управляющие входы подключены к первому, второму и третьему выходам делителя частоты, первый выход которого подключен к первому управляющему входу четвертого АЦП, второй и третий управляющие входы которого подключены к третьему и четвертому выходам делителя частоты, первый, второй и третий АЦП каждый содержит последовательно соединенные видеоусилитель и пьезодефлектор со световым отражателем на торце, импульсный излучатель, содержащий импульсный светодиод, щелевую диафрагму и объектив, квантующую линейку световодов, входы которых оптически соединены со световым отражателем пьезодефлектора, и последовательно соединенные блок фотоприемников и шифратор, входы блока фотоприемников оптически соединены с выходными торцами световодов квантующей линейки световодов, первым входом АЦП является вход видеоусилителя, а выходом являются выходы шифратора, первый АЦП включает между выходом видеоусилителя и входом пьезодефлектора суммирующий усилитель, на второй вход которого поданы сигналы синхронизации, и он является вторым входом первого АЦП, вход импульсного светодиода в первом, втором и третьем АЦП является управляющим входом, который во втором и третьем АЦП подключен к первому выходу делителя частоты, четвертый АЦП включает последовательно соединенные управляемый делитель напряжения, вход которого является входом АЦП, блок ключей, согласующий усилитель, усилитель звуковой частоты и пьезодефлектор со световым отражателем на торце, первый источник положительного опорного напряжения, второй источник отрицательного опорного напряжения, импульсный излучатель, квантующую линейку световодов, последовательно соединенные блок фотоприемников, первый дешифратор, шифратор, второй дешифратор, выходы которого соединены с управляющими входами блока ключей и с соответствующими входами первого дешифратора, и включает последовательно соединенные счетчик импульсов, третий дешифратор и блок регистров, входы которого подключены к выходам шифратора, а выходы являются выходами четвертого АЦП, формирователь группового сигнала включает три канала, первые два идентичны и каждый содержит последовательно соединенные блок элементов И и элемент ИЛИ, и самоходный распределитель импульсов, первые входы элементов И являются сигнальными входами и подключены к выходам соответствующего АЦП, вторые входы элементов И подключены к выходам самоходного распределителя импульсов своего канала, третий канал включает блок элементов И, первый и второй элементы ИЛИ, и самоходный распределитель импульсов, первые входы элементов И подключены к выходам четвертого АЦП, вторые входы соответствующих элементов И подключены к выходам самоходного распределителя импульсов своего канала, выходы первых восьми элементов И подключены к входам первого элемента ИЛИ, выходы вторых восьми элементов И подключены к входам второго элемента ИЛИ, формирователь группового сигнала содержит последовательно соединенные третий элемент ИЛИ и первый выходной ключ, последовательно соединенные четвертый элемент ИЛИ и второй выходной ключ, первый и второй входы третьего элемента ИЛИ подключены к выходу элемента ИЛИ первого канала и к выходу первого элемента ИЛИ третьего канала, первый и второй входы четвертого элемента ИЛИ подключены к выходу элемента ИЛИ второго канала и к выходу второго элемента ИЛИ третьего канала, выходы выходных ключей объединены и являются первым выходом формирователя группового сигнала, который включает первый и второй ключи, последовательно соединенные счетчик импульсов и дешифратор, первый выход которого подключен к первому управляющему входу первого ключа и ко второму управляющему входу второго ключа, второй выход дешифратора подключен ко второму управляющему входу первого ключа и к первому управляющему входу второго ключа, выход первого ключа подключен к входам самоходных распределителей импульсов первого и второго каналов, выход второго ключа подключен к входу самоходного распределителя импульсов третьего канала, третьи входы третьего и четвертого элементов ИЛИ объединены и являются четвертым входом формирователя группового сигнала, первым управляющим входом которого является объединенный вход первого, второго ключей и счетный вход счетчика импульсов, вторым управляющим входом являются объединенные сигнальные входы выходных ключей, третьим управляющим входом является управляющий вход счетчика импульсов, и содержащий приемную сторону, включающую антенну, блок сенсорного управления, первый тракт приема кодов видеосигналов, содержащий последовательно соединенные блок приема радиосигнала, первый вход которого подключен к антенне, вторые входы подключены к первым выходам блока сенсорного управления, усилитель радиочастоты и двухполярный амплитудный детектор, первый и второй формирователи импульсов, входы которых подключены к первому и второму выходам двухполярного амплитудного детектора, канал сигнала яркости, содержащий первый и второй регистры сигнала яркости и первый ЦАП, канал первого цветоразностного сигнала, включающий регистр первого цветоразностного сигнала и второй ЦАП, канал второго цветоразностного сигнала, включающий регистр второго цветоразностного сигнала и третий ЦАП, канал звукового сигнала, содержащий последовательно соединенные первый ключ и первый блок регистров, последовательно соединенные второй ключ и второй блок регистров, и четвертый ЦАП, входы которого подключены к выходам первого и второго блоков регистров, а сигнальные входы первого и второго ключей подключены к выходам соответственно первого и второго формирователей импульсов первого тракта, канал формирования управляющих сигналов, содержащий блок выделения кода синхроимпульса, первый и второй входы которого подключены к выходам первого и второго формирователей импульсов первого тракта, самоходный распределитель импульсов, последовательно соединенные ключ, счетчик импульсов и дешифратор, первый управляющий вход ключа подключен к выходу блока выделения кода синхроимпульса, второй управляющий вход ключа и управляющий вход счетчика импульсов подключены ко второму выходу дешифратора, который подключен и ко вторым управляющим входам первого и второго ключей канала звукового сигнала, первые управляющие входы которых подключены к первому выходу дешифратора, выход самоходного распределителя импульсов подключен ко вторым управляющим входам первого и второго регистров канала сигнала яркости, регистра первого цветоразностного сигнала, регистра второго цветоразностного сигнала, первого и второго блоков регистров канала звукового сигнала, отличающаяся тем, что на передающей стороне в формирователе группового сигнала первый выход дешифратора является и вторым выходом формирователя группового сигнала, в третий канал которого введен второй самоходный распределитель импульсов, вход которого подключен к выходу второго ключа, а выходы подключены ко вторым входам соответствующих элементов И в блоке элементов И третьего канала, на передающей стороне введен формирователь кодов сигнала яркости, содержащий последовательно соединенные триггер и блок коммутации, и два канала, входы которых подключены к соответствующим выходам блока коммутации, а выходы каналов объединены и являются выходом формирователя кодов сигнала яркости, каждый канал включает последовательно соединенные блок элементов И, элемент ИЛИ и выходной ключ, и самоходный распределитель импульсов, первые входы элементов И подключены к соответствующим выходам блока коммутации, вторые входы элементов И подключены к выходам своего самоходного распределителя импульсов, первым информационным входом формирователя кодов сигнала яркости являются входы блока коммутации, подключенные к выходу первого АЦП, вторым информационным входом являются вторые входы элементов ИЛИ, подключенные к выходу самоходного распределителя импульсов передающей стороны, первым управляющим входом является вход триггера, подключенный к пятому выходу делителя частоты, вторым управляющим входом является объединенный вход самоходных распределителей импульсов, подключенный к первому выходу делителя частоты, третьим управляющим входом является объединенный вход сигнальных входов выходных ключей, подключенный ко второму выходу делителя частоты, выходом формирователя кодов сигнала яркости является объединенный выход выходных ключей, в первый АЦП введены первый источник положительного опорного напряжения, выход которого подключен ко второму входу пьезодефлектора и к третьему входу суммирующего усилителя, и второй источник отрицательного опорного напряжения, выход которого подключен к третьему входу пьезодефлектора и к четвертому входу суммирующего усилителя, управляющий вход первого АЦП подключен к пятому выходу делителя частоты, во второй и третий АЦП в каждый введены первый источник положительного опорного напряжения, выход которого подключен ко вторым входам усилителя и пьезодефлектора, и второй источник отрицательного опорного напряжения, выход которого подключен к третьим входам усилителя и пьезодефлектора, в передатчик введен второй канал, включающий последовательно соединенные амплитудный модулятор и выходной усилитель, первый вход амплитудного модулятора подключен к выходу генератора несущей частоты, второй вход подключен к выходу формирователя кодов сигнала яркости, каждый амплитудный модулятор включает последовательно соединенные кольцевой модулятор и полосовой фильтр, на приемной стороне выходы первого и второго формирователей импульсов первого тракта приема кодов видеосигналов подключены в канале первого цветоразностного сигнала и в канале второго цветоразностного сигнала к информационным входам соответственно регистра первого цветоразностного сигнала и регистра второго цветоразностного сигнала, введен второй тракт приема кодов видеосигналов, содержащий последовательно соединенные блок приема радиосигнала, первый вход которого подключен к антенне, вторые входы подключены к первым выходам блока сенсорного управления, усилитель радиочастоты и двухполярный амплитудный детектор, третий и четвертый формирователи импульсов, входы которых подключены к первому и второму выходам двухполярного амплитудного детектора второго тракта, выходы подключены к третьему и четвертому входам блока выделения кода синхроимпульса и в канале сигнала яркости подключены к информационным входам соответственно первого и второго регистров сигнала яркости, в каналы сигнала яркости, первого цветоразностного сигнала, второго цветоразностного сигнала введены соответственно блок обработки кодов сигнала яркости, блок обработки кодов первого цветоразностного сигнала, блок обработки кодов второго цветоразностного сигнала, первые информационные входы блока обработки кодов сигнала яркости подключены к выходам первого регистра сигнала яркости, вторые информационные входы подключены к выходам второго регистра сигнала яркости, выходы блока подключены к входам первого ЦАП, информационные входы блока обработки кодов первого цветоразностного сигнала подключены к выходам регистра первого цветоразностного сигнала, выходы блока подключены к входам второго ЦАП, информационные входы блока обработки кодов второго цветоразностного сигнала подключены к выходам регистра второго цветоразностного сигнала, выходы блока подключены к входам третьего ЦАП, в канал формирования управляющих сигналов введен синтезатор частот, вторые входы которого подключены ко второй группе выходов блока сенсорного управления, первый управляющий вход подключен к выходу блока выделения кода синхроимпульса, первый выход подключен к управляющему входу блока обработки кодов сигнала яркости, второй выход подключен ко входу самоходного распределителя импульсов и к первым управляющим входам блока обработки кодов первого цветоразностного сигнала и блока обработки кодов второго цветоразностного сигнала, третий выход подключен к первым управляющим входам первого и второго блоков регистров канала звукового сигнала, четвертый выход подключен параллельно к третьим входам блоков приема обоих трактов приема кодов видеосигналов, блок обработки кодов сигнала яркости включает триггер, первый, второй, третий и четвертый регистры, первый, второй и третий блоки элементов задержек, пятый и шестой регистры, сумматор и соответствующее число диодов, первым информационным входом являются входы первого блока элементов задержек, выходы которого подключены параллельно к входам первого и второго регистров, вторым информационным входом являются входы второго блока элементов задержек, выходы которого параллельно подключены к входам третьего и четвертого регистров, управляющим входом является вход триггера, первый выход которого подключен к управляющим входам второго, третьего и пятого регистров, второй выход триггера подключен к управляющим входам первого, четвертого и шестого регистров, первые входы сумматора подключены к выходам второго регистра и через диоды к выходам первого регистра, вторые входы сумматора подключены к выходам четвертого и через диоды к выходам третьего регистра, управляющий вход сумматора подключен ко входу триггера, выходы сумматора подключены к входам третьего блока элементов задержек, выходы которого являются выходами блока и подключены к входам первого ЦАП, входы пятого регистра подключены к выходам первого регистра, выходы подключены к соответствующим выходам третьего блока элементов задержек, входы шестого регистра подключены к выходам третьего регистра, а выходы подключены к соответствующим выходам третьего блока элементов задержек, блок обработки кодов первого цветоразностного сигнала и блок обработки кодов второго цветоразностного сигнала идентичны и каждый из них включает триггер, первый и второй блоки ключей, первый, второй, третий и четвертый регистры, первый, второй и третий блоки элементов задержек, пятый и шестой регистры, сумматор и соответствующее число диодов, информационные входы первого и второго регистров объединены и через первый блок элементов задержек подключены к выходам первого блока ключей, информационные входы третьего и четвертого регистров объединены и через второй блок элементов задержек подключены к выходам второго блока ключей, информационным входом блока обработки кодов являются объединенные входы первого и второго блоков ключей, управляющим входом является вход триггера, первый выход которого подключен к управляющим входам второго, третьего, пятого регистров и первого блока ключей, второй выход триггера подключен к управляющим входам первого, четвертого, шестого регистров и второго блока ключей, первые входы сумматора подключены к выходам второго регистра и через диоды к выходам первого регистра, вторые входы сумматора подключены к выходам четвертого регистра и через диоды к выходам третьего регистра, управляющий вход сумматора подключен ко входу триггера, выходы сумматора подключены к входам третьего блока элементов задержек, выходы которого являются выходами блока обработки кодов и подключены к входам второго /третьего/ ЦАП, входы пятого регистра подключены к выходам первого регистра, а выходы подключены к выходам третьего блока элементов задержек, входы шестого регистра подключены к выходам третьего регистра, а выходы подключены к соответствующим выходам третьего блока элементов задержек, в блок выделения кода синхроимпульса введены третий и четвертый счетчики импульсов, счетные входы которых являются входами блока и подключены к выходам третьего и четвертого формирователей импульсов второго тракта приема кодов видеосигналов, третий и четвертый элементы НЕ, входы которых подключены к входам третьего и четвертого счетчиков импульсов, и второй и третий элементы И, входы второго элемента И подключены к выходам третьего и четвертого счетчиков импульсов, входы третьего элемента И подключены к выходам первого и второго элементов И, а выход третьего элемента И является выходом блока выделения кода синхроимпульса, выходы третьего и четвертого элементов НЕ и выход третьего элемента И через диод объединены и подключены к управляющим входам первого-четвертого счетчиков импульсов.
Priority Applications (1)
| Application Number | Priority Date | Filing Date | Title |
|---|---|---|---|
| RU2001125887/09A RU2208917C2 (ru) | 2001-09-20 | 2001-09-20 | Система цифрового телевидения |
Applications Claiming Priority (1)
| Application Number | Priority Date | Filing Date | Title |
|---|---|---|---|
| RU2001125887/09A RU2208917C2 (ru) | 2001-09-20 | 2001-09-20 | Система цифрового телевидения |
Publications (1)
| Publication Number | Publication Date |
|---|---|
| RU2208917C2 true RU2208917C2 (ru) | 2003-07-20 |
Family
ID=29210474
Family Applications (1)
| Application Number | Title | Priority Date | Filing Date |
|---|---|---|---|
| RU2001125887/09A RU2208917C2 (ru) | 2001-09-20 | 2001-09-20 | Система цифрового телевидения |
Country Status (1)
| Country | Link |
|---|---|
| RU (1) | RU2208917C2 (ru) |
Cited By (3)
| Publication number | Priority date | Publication date | Assignee | Title |
|---|---|---|---|---|
| RU2336558C1 (ru) * | 2004-08-06 | 2008-10-20 | Кэнон Кабусики Кайся | Устройство для обработки изображения и способ управления для него |
| RU2480838C2 (ru) * | 2011-07-29 | 2013-04-27 | Федеральное государственное унитарное предприятие "Государственный космический научно-производственный центр имени М.В. Хруничева" (ФГУП "ГКНПЦ им. М.В. Хруничева") | Способ передачи телеметрической информации, адаптированный к неравномерности потока данных телеизмерений, и система для его осуществления |
| RU2506641C1 (ru) * | 2012-08-06 | 2014-02-10 | Борис Иванович Волков | Устройство оцифровывания изображения кадра |
Citations (6)
| Publication number | Priority date | Publication date | Assignee | Title |
|---|---|---|---|---|
| US4633293A (en) * | 1983-09-26 | 1986-12-30 | Rca Corporation | High definition television signal for film-television standards conversion system |
| US5223929A (en) * | 1990-03-24 | 1993-06-29 | Nippon Television Network Corporation | Television system |
| RU2016494C1 (ru) * | 1990-01-17 | 1994-07-15 | Владимир Ефимович Теслер | Телевизионная система |
| RU2024215C1 (ru) * | 1981-09-08 | 1994-11-30 | РКА Корпорейшн | Телевизионная воспроизводящая система |
| US5528306A (en) * | 1994-05-31 | 1996-06-18 | Victor Company Of Japan, Ltd. | Video signal processing circuit for converting digital color difference signals into a carrier chrominance signal |
| US5534938A (en) * | 1991-07-18 | 1996-07-09 | Citta; Richard W. | Digital TV system using segment and field sync signals |
-
2001
- 2001-09-20 RU RU2001125887/09A patent/RU2208917C2/ru not_active IP Right Cessation
Patent Citations (6)
| Publication number | Priority date | Publication date | Assignee | Title |
|---|---|---|---|---|
| RU2024215C1 (ru) * | 1981-09-08 | 1994-11-30 | РКА Корпорейшн | Телевизионная воспроизводящая система |
| US4633293A (en) * | 1983-09-26 | 1986-12-30 | Rca Corporation | High definition television signal for film-television standards conversion system |
| RU2016494C1 (ru) * | 1990-01-17 | 1994-07-15 | Владимир Ефимович Теслер | Телевизионная система |
| US5223929A (en) * | 1990-03-24 | 1993-06-29 | Nippon Television Network Corporation | Television system |
| US5534938A (en) * | 1991-07-18 | 1996-07-09 | Citta; Richard W. | Digital TV system using segment and field sync signals |
| US5528306A (en) * | 1994-05-31 | 1996-06-18 | Victor Company Of Japan, Ltd. | Video signal processing circuit for converting digital color difference signals into a carrier chrominance signal |
Cited By (4)
| Publication number | Priority date | Publication date | Assignee | Title |
|---|---|---|---|---|
| RU2336558C1 (ru) * | 2004-08-06 | 2008-10-20 | Кэнон Кабусики Кайся | Устройство для обработки изображения и способ управления для него |
| US8171463B2 (en) | 2004-08-06 | 2012-05-01 | Canon Kabushiki Kaisha | Image processing apparatus and control method thereof |
| RU2480838C2 (ru) * | 2011-07-29 | 2013-04-27 | Федеральное государственное унитарное предприятие "Государственный космический научно-производственный центр имени М.В. Хруничева" (ФГУП "ГКНПЦ им. М.В. Хруничева") | Способ передачи телеметрической информации, адаптированный к неравномерности потока данных телеизмерений, и система для его осуществления |
| RU2506641C1 (ru) * | 2012-08-06 | 2014-02-10 | Борис Иванович Волков | Устройство оцифровывания изображения кадра |
Similar Documents
| Publication | Publication Date | Title |
|---|---|---|
| JPH01198840A (ja) | 多数のデジタルデータ流伝送用送信機及び受信機 | |
| RU2410846C1 (ru) | Универсальная система телевидения | |
| RU2208917C2 (ru) | Система цифрового телевидения | |
| RU2246801C1 (ru) | Цифровая система стереотелевидения | |
| RU2103839C1 (ru) | Система цифрового цветного телевидения | |
| RU2128890C1 (ru) | Цифровая система телевидения | |
| RU2194370C2 (ru) | Цифровая система телевидения высокой четкости | |
| RU2214693C2 (ru) | Цифровая система телевидения высокой четкости | |
| RU2173030C2 (ru) | Цифровая система телевидения | |
| RU2165681C1 (ru) | Цифровая система телевидения | |
| RU2048704C1 (ru) | Цифровая система радиовещания | |
| RU2256298C1 (ru) | Цифровая система стереотелевидения | |
| RU2246799C1 (ru) | Система стереотелевидения | |
| RU2462828C1 (ru) | Система стереотелевидения | |
| RU2369041C1 (ru) | Система стереотелевидения | |
| RU2356179C1 (ru) | Система стереотелевидения | |
| RU2248103C1 (ru) | Цифровая система телевидения | |
| RU2246800C1 (ru) | Цветной телевизор | |
| RU2279708C1 (ru) | Персональный компьютер | |
| RU2383103C1 (ru) | Система радиовещания | |
| RU2477578C1 (ru) | Универсальная система телевидения | |
| RU2292127C1 (ru) | Цифровая система стереотелевидения | |
| RU2334369C1 (ru) | Система стереотелевидения | |
| RU2326508C1 (ru) | Система стереотелевидения | |
| RU2298297C1 (ru) | Система стереотелевидения |
Legal Events
| Date | Code | Title | Description |
|---|---|---|---|
| MM4A | The patent is invalid due to non-payment of fees |
Effective date: 20040921 |
