JP2011013669A - Image forming apparatus - Google Patents

Image forming apparatus Download PDF

Info

Publication number
JP2011013669A
JP2011013669A JP2010124239A JP2010124239A JP2011013669A JP 2011013669 A JP2011013669 A JP 2011013669A JP 2010124239 A JP2010124239 A JP 2010124239A JP 2010124239 A JP2010124239 A JP 2010124239A JP 2011013669 A JP2011013669 A JP 2011013669A
Authority
JP
Japan
Prior art keywords
unit
image forming
cooling
forming apparatus
heat receiving
Prior art date
Legal status (The legal status is an assumption and is not a legal conclusion. Google has not performed a legal analysis and makes no representation as to the accuracy of the status listed.)
Granted
Application number
JP2010124239A
Other languages
Japanese (ja)
Other versions
JP5557096B2 (en
Inventor
Kenichi Takehara
賢一 竹原
Satoru Okano
覚 岡野
Tomoyasu Hirasawa
友康 平澤
Shingo Suzuki
伸五 鈴木
Masanori Saito
政範 斉藤
Yasuaki Iijima
泰明 飯嶋
Kazuyuki Nishimura
和之 西村
Hiromitsu Fujitani
博充 藤谷
Keisuke Yuasa
慶祐 湯淺
Current Assignee (The listed assignees may be inaccurate. Google has not performed a legal analysis and makes no representation or warranty as to the accuracy of the list.)
Ricoh Co Ltd
Original Assignee
Ricoh Co Ltd
Priority date (The priority date is an assumption and is not a legal conclusion. Google has not performed a legal analysis and makes no representation as to the accuracy of the date listed.)
Filing date
Publication date
Application filed by Ricoh Co Ltd filed Critical Ricoh Co Ltd
Priority to JP2010124239A priority Critical patent/JP5557096B2/en
Publication of JP2011013669A publication Critical patent/JP2011013669A/en
Application granted granted Critical
Publication of JP5557096B2 publication Critical patent/JP5557096B2/en
Expired - Fee Related legal-status Critical Current
Anticipated expiration legal-status Critical

Links

Images

Landscapes

  • Dry Development In Electrophotography (AREA)
  • Cleaning In Electrography (AREA)
  • Electrophotography Configuration And Component (AREA)
  • Control Or Security For Electrophotography (AREA)
  • Color Electrophotography (AREA)

Abstract

【課題】受熱部を被冷却部に当接させることによる弊害を防止することができる画像形成装置を提供する。
【解決手段】像担持体と2、像担持体2に現像剤を供給する現像剤担持体40を有する現像ユニット4と、現像ユニット4を像担持体2に対して位置決めする位置決め手段と、現像ユニット4に当接可能に配設された受熱部61を有する冷却装置とを備えた画像形成装置である。受熱部61と現像ユニット4との当接方向を、像担持体2と現像剤担持体40との対向方向に対して略直交するように構成した。
【選択図】図16
An image forming apparatus capable of preventing adverse effects caused by bringing a heat receiving portion into contact with a portion to be cooled is provided.
A developing unit having an image carrier, a developer carrier for supplying a developer to the image carrier, positioning means for positioning the development unit with respect to the image carrier, and development The image forming apparatus includes a cooling device having a heat receiving portion 61 disposed so as to be able to contact the unit 4. The contact direction between the heat receiving portion 61 and the developing unit 4 is configured to be substantially orthogonal to the facing direction between the image carrier 2 and the developer carrier 40.
[Selection] Figure 16

Description

本発明は、複写機、プリンタ、ファクシミリ、あるいはこれらの複合機等の画像形成装置に関する。   The present invention relates to an image forming apparatus such as a copying machine, a printer, a facsimile, or a complex machine of these.

複写機、プリンタ、ファクシミリ、あるいはこれらの複合機等の画像形成装置において、装置内に設けられた装置やユニットなどによる輻射熱によって、装置内雰囲気の温度上昇が起こることが一般に知られている。例えば、記録用紙に画像を定着させる定着装置として、熱定着タイプのものを使用している場合、その定着装置の熱によって装置内の空気が暖められる。また、現像ユニットには、現像剤を攪拌する現像剤攪拌部材や、現像剤担持体に担持させる現像剤の層厚を規制する現像剤規制部材等が配設されているが、これらの部材と現像剤との摺接による摩擦熱や、現像剤同士の摺接による摩擦熱によっても、装置内の空気が暖められる。   It is generally known that in an image forming apparatus such as a copying machine, a printer, a facsimile machine, or a complex machine of these, the temperature of the atmosphere in the apparatus is increased by radiant heat from an apparatus or a unit provided in the apparatus. For example, when a heat fixing type fixing device is used as a fixing device for fixing an image on recording paper, the air in the device is warmed by the heat of the fixing device. Further, the developing unit is provided with a developer stirring member that stirs the developer, a developer regulating member that regulates the layer thickness of the developer carried on the developer carrier, and the like. The air in the apparatus is also warmed by frictional heat due to sliding contact with the developer and frictional heat due to sliding contact between the developers.

装置内雰囲気の温度が上昇すると、トナーの帯電量が低下してトナー付着量が増加し、所定の画像濃度が得られなくなる場合がある。また、装置内雰囲気の温度上昇によってトナーが溶融すると、溶融したトナーが現像剤規制部材や現像剤担持体又は像担持体などに固着し、画像にスジ状の濃度ムラが生じる場合もある。近年、画像定着時の消費エネルギーを少なくするために、溶融温度の低いトナーを用いられることがあるが、特に、このような溶融温度の低いトナーを使用した場合は、トナーが溶融しやすくなるため、上記トナーの固着による濃度ムラが生じやすくなる。   When the temperature of the atmosphere in the apparatus rises, the charge amount of the toner decreases, the toner adhesion amount increases, and a predetermined image density may not be obtained. Further, when the toner is melted due to the temperature rise in the atmosphere in the apparatus, the melted toner is fixed to the developer regulating member, the developer carrier or the image carrier, and streaky density unevenness may occur in the image. In recent years, in order to reduce energy consumption at the time of image fixing, a toner having a low melting temperature may be used. In particular, when such a toner having a low melting temperature is used, the toner easily melts. The density unevenness due to the fixing of the toner tends to occur.

また、上記画像形成装置には、一般的に、像担持体としての感光体や中間転写ベルトに残留するトナーを除去するためにクリーニングユニットが設けられている。このクリーニングユニットは像担持体の表面に当接するクリーニングブレードを有し、像担持体が回転することによりその表面上の残留トナーがクリーニングブレードによって掻き取られるようになっている。その後、掻き取られたトナーは、クリーニングユニットに設けられた搬送スクリューなどによってユニット外の回収部へと搬送される。   The image forming apparatus is generally provided with a cleaning unit for removing the toner remaining on the photosensitive member as the image carrier and the intermediate transfer belt. The cleaning unit has a cleaning blade that abuts on the surface of the image carrier, and the toner remaining on the surface is scraped off by the cleaning blade as the image carrier rotates. Thereafter, the scraped toner is conveyed to a collecting unit outside the unit by a conveying screw or the like provided in the cleaning unit.

しかしながら、上記廃トナーの搬送動作に伴う発熱や、定着装置の熱などによって、クリーニングユニット内の温度が上昇すると、ユニット内でトナーが溶融して固着することがある。そして、トナーが固着して凝集するとトナー搬送性が低下する虞がある。   However, when the temperature in the cleaning unit rises due to heat generated by the waste toner conveyance operation, heat of the fixing device, or the like, the toner may be melted and fixed in the unit. When the toner is fixed and aggregated, there is a possibility that the toner transportability is lowered.

上記装置内の温度上昇による弊害を抑制するには、現像ユニットやクリーニングユニットの過度の温度上昇を抑制することが必要となる。そのため、従来から、現像ユニット等を冷却するための冷却装置を備えた画像形成装置が提案されている(例えば、下記特許文献1及び2参照)。また、その冷却装置としては、空冷式と液冷式のものがある。   In order to suppress the harmful effects caused by the temperature increase in the apparatus, it is necessary to suppress an excessive temperature increase in the developing unit and the cleaning unit. For this reason, conventionally, an image forming apparatus including a cooling device for cooling a developing unit or the like has been proposed (for example, see Patent Documents 1 and 2 below). The cooling device includes an air cooling type and a liquid cooling type.

空冷式の冷却装置は、例えば、空冷ファンを有し、空冷ファンによって取り込んだ外気を、現像ユニットの周辺に形成した送風ダクト(風路)に送り込むことによって、現像ユニットの温度が過度に上昇しないようにしている(特許文献1参照)。しかしながら、近年における装置の小型化の要請から、空冷ファンや送風ダクトを配設する空間的余裕がなくなってきており、それらの設置スペースの確保が困難となってきている。また、空冷により周辺に気流が発生すると、トナー等の粉塵が発生し、機内及び機外を汚してしまうなどの不具合が生じる。   The air-cooled cooling device has, for example, an air-cooling fan, and the outside air taken in by the air-cooling fan is sent to a blower duct (air passage) formed around the developing unit so that the temperature of the developing unit does not increase excessively. (See Patent Document 1). However, due to the recent demand for downsizing of the apparatus, there is no room for arranging the air cooling fan and the air duct, and it is difficult to secure the installation space for them. In addition, when an airflow is generated around the air by air cooling, dust such as toner is generated, causing problems such as staining the inside and outside of the apparatus.

一方、液冷式の冷却装置は、例えば、現像ユニットに当接すると共に内部に冷却液を通す冷却流路を形成した受熱部と、冷却液の熱を放熱するための放熱部と、受熱部と放熱部との間で冷却液を循環させる循環パイプ(流路)と、冷却液を送り出すポンプ等を有する(特許文献2参照)。ポンプによって冷却液を循環させることにより、受熱部から現像ユニットの熱を奪って冷却されるようになっている。また、受熱部を現像ユニットに圧接させる加圧レバー等を備えることより、受熱部と現像ユニットとの当接面積(受熱面積)を大きくして、冷却効率を向上させることが可能である。このような液冷式の冷却装置は、空冷式の冷却装置よりも、効率良く冷却することができる。しかも、液冷式の循環パイプは、空冷式の送風ダクトよりも設置スペースが小さくてすむため、コンパクト化によって現像ユニットの周辺空間が少ない画像形成装置にも配設することが可能である。   On the other hand, the liquid cooling type cooling device includes, for example, a heat receiving portion that forms a cooling flow path that contacts the developing unit and passes the cooling liquid therein, a heat radiating portion that radiates heat of the cooling liquid, and a heat receiving portion. A circulation pipe (flow path) that circulates the cooling liquid between the heat radiating unit and a pump that sends out the cooling liquid (see Patent Document 2). The coolant is circulated by the pump, so that the heat of the developing unit is taken from the heat receiving portion to be cooled. Further, by providing a pressure lever or the like that presses the heat receiving portion against the developing unit, it is possible to increase the contact area (heat receiving area) between the heat receiving portion and the developing unit, thereby improving the cooling efficiency. Such a liquid cooling type cooling device can cool more efficiently than an air cooling type cooling device. In addition, since the liquid-cooled circulation pipe requires less installation space than the air-cooled air duct, the liquid-cooled circulation pipe can be arranged in an image forming apparatus that has less space around the developing unit due to downsizing.

ところで、トナーとキャリアを含む2成分現像剤を用いた現像ユニットを使用している場合、図21に示すように、像担持体としての感光体100と、現像ユニット200が有する現像剤担持体としての現像ローラ210は、一定の間隔、すなわち現像ギャップGを隔てて配設されている。この現像ギャップGは、高画質を形成する上において極めて重要であるため、従来から現像ギャップGの管理には、大変な注意が払われている。従って、感光体100に対する現像ユニット200(又は現像ローラ210)の位置決めは精度良く行わなければならない。   By the way, when a developing unit using a two-component developer including toner and carrier is used, as shown in FIG. 21, a photosensitive member 100 as an image carrier and a developer carrier included in the developing unit 200 are used. The developing rollers 210 are arranged at a constant interval, that is, with a developing gap G therebetween. Since this development gap G is extremely important in forming high image quality, much attention has been paid to the management of the development gap G. Accordingly, the positioning of the developing unit 200 (or developing roller 210) with respect to the photoreceptor 100 must be performed with high accuracy.

しかしながら、図21に示すように、現像ユニット200を冷却するための受熱部300を、図の矢印に示す方向に当接又は圧接した場合、受熱部300の当接力によって現像ユニット200は感光体100に接近する方向の力を受ける。その結果、現像ギャップGが変化して所定の画質を維持できなくなる虞がある。   However, as shown in FIG. 21, when the heat receiving unit 300 for cooling the developing unit 200 is brought into contact or pressure contact in the direction indicated by the arrow in the drawing, the developing unit 200 is brought into contact with the photoreceptor 100 by the contact force of the heat receiving unit 300. Receives force in the direction of approaching. As a result, the development gap G may change and the predetermined image quality may not be maintained.

また、像担持体をクリーニングするクリーニングユニットを冷却するために、上記受熱部を当該ユニットに当接又は圧接させた場合、その当接又は圧接によって像担持体に対するクリーニングブレードの接触圧や接触角度が変化すると、クリーニング性が低下したり、クリーニング機能が発揮できなくなったりする虞がある。例えば、クリーニングブレードの接触圧が小さくなると、像担持体上のトナー等が十分に掻き取れない状態となるので、形成される画像が汚れたり、繰り返し使用すると粉塵が詰まって装置が停止したりする虞がある。また、逆に接触圧が大きくなると、クリーニングブレードの捲れが生じ、クリーニングブレードや像担持体(中間転写ベルト)などの破損を引き起こす虞がある。   Further, when the heat receiving portion is brought into contact or pressure contact with the unit in order to cool the cleaning unit that cleans the image carrier, the contact pressure or contact angle of the cleaning blade with respect to the image carrier is caused by the contact or pressure contact. If it changes, there is a possibility that the cleaning property may be deteriorated or the cleaning function cannot be exhibited. For example, if the contact pressure of the cleaning blade decreases, the toner on the image carrier cannot be sufficiently scraped off, so that the formed image becomes dirty or the device stops due to clogging with dust when used repeatedly. There is a fear. On the other hand, when the contact pressure increases, the cleaning blade may bend, and the cleaning blade and the image carrier (intermediate transfer belt) may be damaged.

そこで、本発明は、斯かる事情に鑑み、受熱部を被冷却部に当接させることによる弊害を防止することができる画像形成装置を提供しようとするものである。   Therefore, in view of such circumstances, an object of the present invention is to provide an image forming apparatus capable of preventing the adverse effects caused by bringing the heat receiving portion into contact with the cooled portion.

請求項1の発明は、像担持体と、当該像担持体に現像剤を供給する現像剤担持体を有する現像ユニットと、当該現像ユニットを前記像担持体に対して位置決めする位置決め手段と、前記現像ユニットに当接可能に配設された受熱部を有する冷却装置とを備えた画像形成装置において、前記受熱部と前記現像ユニットとの当接方向を、前記像担持体と前記現像剤担持体との対向方向に対して略直交するように構成したものである。   The invention of claim 1 includes an image carrier, a development unit having a developer carrier for supplying a developer to the image carrier, positioning means for positioning the development unit with respect to the image carrier, An image forming apparatus including a cooling device having a heat receiving portion disposed so as to be able to contact the developing unit, wherein the contact direction between the heat receiving portion and the developing unit is determined according to the image carrier and the developer carrier. It is comprised so that it may cross substantially orthogonally to the opposing direction.

本発明は、受熱部と現像ユニットの当接方向と、像担持体と現像剤担持体の対向方向を、互いに略直交するように構成したことにより、現像ユニットが受熱部との当接によって主として受ける力の方向を、上記対向方向に対して略直交する方向に作用させることができる。これにより、現像ユニットが受熱部との当接によって変位しても、像担持体と現像剤担持体との対向方向の位置関係がそれの影響を受けにくくなる。従って、像担持体と現像剤担持体との対向方向の位置関係を高精度に維持することができるので、高画質の画像形成が可能となる。また、本発明は、上記当接方向と上記対向方向を略直交にするだけでよいので、現像ユニットの位置を高精度に維持するための複雑な機構などは必要ない。このため、構造を簡素化することができると共に装置の小型化も図れる。   In the present invention, the abutting direction of the heat receiving portion and the developing unit and the opposing direction of the image carrier and the developer carrying member are configured to be substantially orthogonal to each other, so that the developing unit is mainly brought into contact with the heat receiving portion. The direction of the force received can be made to act in a direction substantially orthogonal to the facing direction. As a result, even when the developing unit is displaced by contact with the heat receiving portion, the positional relationship between the image carrier and the developer carrier in the facing direction is not easily affected. Therefore, since the positional relationship between the image carrier and the developer carrier in the facing direction can be maintained with high accuracy, high-quality image formation is possible. Further, in the present invention, since the contact direction and the facing direction need only be substantially orthogonal, a complicated mechanism for maintaining the position of the developing unit with high accuracy is not necessary. For this reason, the structure can be simplified and the apparatus can be miniaturized.

請求項2の発明は、請求項1に記載の画像形成装置において、前記受熱部を前記現像ユニットに加圧する加圧手段を備えたものである。   A second aspect of the present invention is the image forming apparatus according to the first aspect, further comprising a pressurizing unit that pressurizes the heat receiving portion against the developing unit.

加圧手段によって受熱部を現像ユニットに加圧することによって、受熱部の現像ユニットに対する当接面積を大きく確保することができ、冷却効果が向上する。このように、受熱部を現像ユニットに加圧する場合は、現像ユニットは受熱部からの押圧力を受けて変位しやすくなるが、上記のように、受熱部と現像ユニットの当接方向と、像担持体と現像剤担持体の対向方向を、互いに略直交するように構成したことにより、像担持体と現像剤担持体との対向方向の位置関係を高精度に維持することができる。   By pressurizing the heat receiving portion to the developing unit by the pressurizing means, a large contact area of the heat receiving portion with the developing unit can be ensured, and the cooling effect is improved. As described above, when the heat receiving portion is pressurized to the developing unit, the developing unit is easily displaced by the pressing force from the heat receiving portion, but as described above, the contact direction between the heat receiving portion and the developing unit, and the image By configuring the opposing direction of the carrier and the developer carrier to be substantially orthogonal to each other, the positional relationship in the opposing direction between the image carrier and the developer carrier can be maintained with high accuracy.

請求項3の発明は、請求項1又は2に記載の画像形成装置において、前記現像ユニットを複数備え、前記冷却装置は各現像ユニットに当接可能な1つの前記受熱部を有するものである。   According to a third aspect of the present invention, in the image forming apparatus according to the first or second aspect, the developing unit includes a plurality of the developing units, and the cooling device has one heat receiving portion that can contact each developing unit.

1つの受熱部を各現像ユニットに当接させる構成は、各現像ユニットに対して受熱部を1つずつ当接させる構成に比べて、構造を簡素化することができると共に、部品点数の削減を図ることができる。また、この場合、装置全体の剛性、特に画像形成部の剛性が向上するため、画像形成能力の安定化を図ることができ信頼性が向上する。   The configuration in which one heat receiving portion is brought into contact with each developing unit can simplify the structure and reduce the number of parts compared to the configuration in which one heat receiving portion is brought into contact with each developing unit one by one. Can be planned. In this case, since the rigidity of the entire apparatus, particularly the rigidity of the image forming portion is improved, the image forming ability can be stabilized and the reliability is improved.

請求項4の発明は、請求項1から3のいずれか1項に記載の画像形成装置において、前記像担持体に静電潜像を形成する潜像形成手段を備え、当該潜像形成手段と前記現像ユニットの両方に前記受熱部を当接可能に構成したものである。   A fourth aspect of the present invention is the image forming apparatus according to any one of the first to third aspects, further comprising: a latent image forming unit that forms an electrostatic latent image on the image carrier; The heat receiving portion can be brought into contact with both of the developing units.

受熱部を現像ユニット以外に潜像形成手段にも当接させることにより、現像ユニットと併せて潜像形成手段も冷却することができる。これにより、色ずれ等の画像不良をより効果的に抑制することができ、高画質な画像形成が可能となる。   By bringing the heat receiving portion into contact with the latent image forming unit in addition to the developing unit, the latent image forming unit can be cooled together with the developing unit. Thereby, image defects such as color misregistration can be more effectively suppressed, and high-quality image formation is possible.

請求項5の発明は、請求項1から4のいずれか1項に記載の画像形成装置において、前記現像ユニットを上下方向に複数並設し、各現像ユニットに対する前記冷却装置の冷却能力を、上側に配設した前記現像ユニットほど高くなるように構成したものである。   According to a fifth aspect of the present invention, in the image forming apparatus according to any one of the first to fourth aspects, a plurality of the developing units are arranged in parallel in the vertical direction, and the cooling capacity of the cooling device for each developing unit is set to the upper side. The developing unit arranged in the above is configured to be higher.

画像形成装置内で暖められた空気は、装置内の上部へ溜まる。従って、複数の現像ユニットを上下方向に並設した場合は、上側に配設した現像ユニットほど温度上昇しやすくなる。そのため、上側に配設した現像ユニットほど、受熱部の冷却効果を高くすることによって、各現像ユニットをその配設位置によらずより均一な温度に冷却することができ、高画質の画像形成を安定して行うことが可能となる。   Air warmed in the image forming apparatus accumulates in the upper part of the apparatus. Accordingly, when a plurality of developing units are arranged in the vertical direction, the temperature of the developing units disposed on the upper side is more likely to rise. Therefore, the higher the developing unit disposed on the upper side, the higher the cooling effect of the heat receiving section, so that each developing unit can be cooled to a more uniform temperature regardless of the position of the developing unit, and high-quality image formation can be achieved. It becomes possible to carry out stably.

請求項6の発明は、請求項1から5のいずれか1項に記載の画像形成装置において、前記現像ユニットを複数備えると共に、熱によって記録媒体に画像を定着させる定着装置を備え、各現像ユニットに対する前記冷却装置の冷却能力を、前記定着装置に近い位置に配設した前記現像ユニットほど高くなるように構成したものである。   According to a sixth aspect of the present invention, in the image forming apparatus according to any one of the first to fifth aspects, the developing unit includes a plurality of the developing units and a fixing device that fixes an image on a recording medium by heat. The cooling capacity of the developing device is configured such that the developing unit disposed closer to the fixing device has a higher cooling capacity.

定着装置に近い現像ユニットほど温度が高くなりやすい傾向にある。そのため、定着装置に近い位置に配設した現像ユニットほど、受熱部の冷却効果を高くすることによって、各現像ユニットをその配設位置によらずより均一な温度に冷却することができ、高画質の画像形成を安定して行うことが可能となる。   The developing unit closer to the fixing device tends to have a higher temperature. For this reason, the higher the cooling effect of the heat receiving portion, the more the development unit disposed closer to the fixing device, it is possible to cool each development unit to a more uniform temperature regardless of the placement position. It is possible to stably perform image formation.

請求項7の発明は、請求項1から6のいずれか1項に記載の画像形成装置において、前記像担持体と前記現像ユニットをそれぞれ複数備えると共に、各像担持体から転写された画像を記録媒体に転写する中間転写回転体と、熱によって記録媒体に画像を定着させる定着装置と、定着後の記録媒体を両面印刷のために再び前記中間転写回転体へ搬送する両面印刷用搬送装置を備え、各現像ユニットに対する前記冷却装置の冷却能力を、前記中間転写回転体の記録媒体への転写位置を始点として回転方向の上流側に配設された前記現像ユニットほど高くなるように構成したものがある。   According to a seventh aspect of the present invention, in the image forming apparatus according to any one of the first to sixth aspects, a plurality of the image carriers and the developing units are provided, and images transferred from the image carriers are recorded. An intermediate transfer rotator for transferring to a medium, a fixing device for fixing an image on the recording medium by heat, and a duplex printing transport device for transporting the fixed recording medium to the intermediate transfer rotator again for duplex printing. The cooling capacity of the cooling device for each developing unit is configured such that the developing unit disposed upstream in the rotation direction starts from the transfer position of the intermediate transfer rotator to the recording medium. is there.

両面印刷を行う場合、定着装置で加熱された記録媒体が、再び中間転写回転体の画像転写位置へ搬送され、そこで中間転写回転体に接触するため、中間転写回転体が温度上昇する。そして、その中間転写回転体の温度上昇部が、中間転写回転体の回転に伴って、現像ユニットに接近することにより、現像ユニットが温度上昇する。このとき、中間転写体の温度上昇部が接近する順番が早い現像ユニットほど温度上昇しやすい。言い換えれば、中間転写回転体の記録媒体への転写位置を始点として回転方向の上流側に配設された現像ユニットほど、温度上昇が顕著となる。そのため、前記回転方向の上流側に配設された現像ユニットほど、受熱部の冷却効果を高くすることによって、各現像ユニットをその配設位置によらずより均一な温度に冷却することができ、高画質の画像形成を安定して行うことが可能となる。   When performing duplex printing, the recording medium heated by the fixing device is conveyed again to the image transfer position of the intermediate transfer rotator, where it contacts the intermediate transfer rotator, so that the temperature of the intermediate transfer rotator rises. Then, the temperature increasing portion of the intermediate transfer rotator approaches the developing unit as the intermediate transfer rotator rotates, whereby the temperature of the developing unit increases. At this time, the temperature of the developing unit that is earlier in the order in which the temperature rising portion of the intermediate transfer member approaches is more likely to rise. In other words, the temperature rise becomes more remarkable as the developing unit is disposed upstream in the rotation direction starting from the transfer position of the intermediate transfer rotator to the recording medium. Therefore, as the developing unit disposed on the upstream side in the rotation direction, by increasing the cooling effect of the heat receiving portion, each developing unit can be cooled to a more uniform temperature regardless of the position of the developing unit. High-quality image formation can be stably performed.

請求項8の発明は、請求項1から7のいずれか1項に記載の画像形成装置において、前記冷却装置は、前記受熱部と、冷却液を冷却する冷却部と、前記冷却液を搬送するための流路と、当該流路を介して前記冷却部から前記受熱部へ冷却液を搬送する冷却液搬送手段とを備えたものである。   The invention of claim 8 is the image forming apparatus according to any one of claims 1 to 7, wherein the cooling device conveys the cooling liquid, the heat receiving part, a cooling part for cooling the cooling liquid, and the cooling liquid. And a coolant transporting means for transporting the coolant from the cooling unit to the heat receiving unit via the channel.

上記のような液冷式の冷却装置は、空冷式の冷却装置よりも設置スペースを小さくすることができる利点がある。このため、小型化のために内部が高密度化した画像形成装置には、液冷式の冷却装置が好適である。また、一般に、水の定積熱容量は空気の3000倍以上である。このため、液冷式の冷却装置は少ない流量で大きな熱量を移送することができ、空冷式の冷却装置に比べて効率の良い冷却が可能である。   The liquid cooling type cooling device as described above has an advantage that the installation space can be made smaller than that of the air cooling type cooling device. For this reason, a liquid cooling type cooling device is suitable for an image forming apparatus having a high density inside for downsizing. In general, the constant volume heat capacity of water is 3000 times or more that of air. For this reason, the liquid cooling type cooling device can transfer a large amount of heat at a small flow rate, and can be cooled more efficiently than the air cooling type cooling device.

請求項9の発明は、請求項8に記載の画像形成装置において、前記現像ユニットと前記冷却装置を一体的に画像形成装置本体に対して着脱可能に構成したものである。   According to a ninth aspect of the present invention, in the image forming apparatus according to the eighth aspect, the developing unit and the cooling device are integrally detachable from the main body of the image forming apparatus.

現像ユニットと冷却装置を一体的に着脱可能に構成したことにより、現像ユニットと冷却装置のメンテナンス等が容易となる。また、着脱時に、冷却装置を構成する部品同士を分離する必要がないので、分離箇所からの冷却液漏れの虞もなく、信頼性が向上する。   Since the developing unit and the cooling device can be integrally attached and detached, maintenance and the like of the developing unit and the cooling device are facilitated. Moreover, since it is not necessary to separate the components constituting the cooling device at the time of attachment and detachment, there is no risk of leakage of the coolant from the separation portion, and the reliability is improved.

請求項10の発明は、請求項8又は9に記載の画像形成装置において、前記現像ユニットを複数備え、温度上昇しやすい前記現像ユニットから順に、前記受熱部に前記冷却液を搬送するように構成したものである。   According to a tenth aspect of the present invention, in the image forming apparatus according to the eighth or ninth aspect, a plurality of the developing units are provided, and the cooling liquid is conveyed to the heat receiving portion in order from the developing units that are likely to increase in temperature. It is what.

温度が高くなりやすい現像ユニットから順に、受熱部に冷却液を搬送することにより、温度が高くなりやすい現像ユニットほど、受熱部による冷却効果を高めることができる。これにより、各現像ユニットをより均一な温度に冷却することができ、高画質の画像形成を安定して行うことができる。   By transporting the cooling liquid to the heat receiving unit in order from the developing unit that tends to increase in temperature, the cooling effect of the heat receiving unit can be enhanced as the developing unit tends to increase in temperature. Thereby, each developing unit can be cooled to a more uniform temperature, and high-quality image formation can be performed stably.

請求項11の発明は、請求項8から10のいずれか1項に記載の画像形成装置において、前記現像ユニットを複数備え、温度上昇しやすい前記現像ユニットほど、前記受熱部との当接面積を大きくするように構成したものである。   The invention according to claim 11 is the image forming apparatus according to any one of claims 8 to 10, wherein the developing unit includes a plurality of the developing units, and the temperature of the developing unit that is likely to increase in temperature has a contact area with the heat receiving portion. It is configured to be enlarged.

温度上昇しやすい現像ユニットほど、受熱部との当接面積を大きくすることにより、受熱部による冷却効果を高めることができる。これにより、各現像ユニットをより均一な温度に冷却することができ、高画質の画像形成を安定して行うことができる。   By increasing the contact area with the heat receiving part, the cooling effect by the heat receiving part can be enhanced as the developing unit tends to rise in temperature. Thereby, each developing unit can be cooled to a more uniform temperature, and high-quality image formation can be performed stably.

請求項12の発明は、請求項8から11のいずれか1項に記載の画像形成装置において、前記現像ユニットを複数備え、温度上昇しやすい前記現像ユニットほど、前記受熱部に搬送する前記冷却液の単位時間当たりの流量を多くするように構成したものである。   According to a twelfth aspect of the present invention, in the image forming apparatus according to any one of the eighth to eleventh aspects, the cooling liquid that is provided with a plurality of the developing units and that is more likely to increase in temperature is conveyed to the heat receiving portion. The flow rate per unit time is increased.

温度上昇しやすい現像ユニットほど、受熱部に搬送する冷却液の単位時間当たりの流量を多くすることにより、受熱部による冷却効果を高めることができる。これにより、各現像ユニットをより均一な温度に冷却することができ、高画質の画像形成を安定して行うことができる。   By increasing the flow rate of the cooling liquid conveyed to the heat receiving unit per unit time, the cooling effect by the heat receiving unit can be enhanced as the developing unit tends to rise in temperature. Thereby, each developing unit can be cooled to a more uniform temperature, and high-quality image formation can be performed stably.

請求項13の発明は、請求項8から12のいずれか1項に記載の画像形成装置において、前記現像ユニットを複数備えると共に、各現像ユニットに対応させて前記冷却部を1つずつ配設し、温度上昇しやすい前記現像ユニットほど、対応した前記冷却部の冷却効果を高くなるように構成したものである。   According to a thirteenth aspect of the present invention, in the image forming apparatus according to any one of the eighth to twelfth aspects, a plurality of the developing units are provided, and the cooling units are arranged one by one so as to correspond to the developing units. The developing unit that is more likely to rise in temperature is configured to have a higher cooling effect of the corresponding cooling unit.

温度上昇しやすい現像ユニットほど、対応した冷却部の冷却効果を高くなるように構成したことにより、各現像ユニットをより均一な温度に冷却することができ、高画質の画像形成を安定して行うことができる。   By configuring the developing unit that tends to increase in temperature so that the cooling effect of the corresponding cooling unit is enhanced, each developing unit can be cooled to a more uniform temperature, and high-quality image formation is stably performed. be able to.

請求項14の発明は、請求項13に記載の画像形成装置において、前記冷却部は、前記冷却液を放熱させるラジエータを備え、温度上昇しやすい前記現像ユニットほど、対応した前記ラジエータのサイズを大きくしたものである。   According to a fourteenth aspect of the present invention, in the image forming apparatus according to the thirteenth aspect, the cooling unit includes a radiator that dissipates the cooling liquid, and the developing unit that easily rises in temperature increases the size of the corresponding radiator. It is a thing.

温度上昇しやすい前記現像ユニットほど、対応したラジエータのサイズを大きくしたことにより、ラジエータの放熱量を多くすることができる。これにより、各現像ユニットをより均一な温度に冷却することができ、高画質の画像形成を安定して行うことができる。   By increasing the size of the corresponding radiator, the amount of heat radiation of the radiator can be increased as the developing unit is likely to rise in temperature. Thereby, each developing unit can be cooled to a more uniform temperature, and high-quality image formation can be performed stably.

請求項15の発明は、請求項13又は14に記載の画像形成装置において、前記冷却部は、前記冷却液を放熱させるラジエータと、当該ラジエータに送風する冷却ファンとを備え、温度上昇しやすい前記現像ユニットほど、対応した前記冷却ファンの風量を多くするように構成したものである。   According to a fifteenth aspect of the present invention, in the image forming apparatus according to the thirteenth or fourteenth aspect, the cooling unit includes a radiator that dissipates the cooling liquid and a cooling fan that blows air to the radiator, and the temperature is likely to increase. The developing unit is configured to increase the air volume of the corresponding cooling fan.

温度上昇しやすい現像ユニットほど、対応した冷却ファンの風量を多くすることにより、ラジエータの放熱量を多くすることができる。これにより、各現像ユニットをより均一な温度に冷却することができ、高画質の画像形成を安定して行うことができる。   By increasing the air flow rate of the corresponding cooling fan, the heat radiation amount of the radiator can be increased for the developing unit whose temperature rises more easily. Thereby, each developing unit can be cooled to a more uniform temperature, and high-quality image formation can be performed stably.

請求項16の発明は、像担持体と、当該像担持体に当接してクリーニングするクリーニング部材を有するクリーニングユニットと、当該クリーニングユニットを前記像担持体に対して位置決めする位置決め手段と、前記クリーニングユニットに当接可能に配設された受熱部を有する冷却装置とを備えた画像形成装置において、前記受熱部と前記クリーニングユニットとの当接方向を、前記像担持体と前記クリーニング部材との当接方向に対して略直交するように構成したものである。   According to a sixteenth aspect of the present invention, there is provided an image carrier, a cleaning unit having a cleaning member that contacts and cleans the image carrier, positioning means for positioning the cleaning unit with respect to the image carrier, and the cleaning unit. And a cooling device having a heat receiving portion disposed so as to be able to come into contact with the image forming apparatus. The contact direction between the heat receiving portion and the cleaning unit is determined by the contact between the image carrier and the cleaning member. It is configured to be substantially orthogonal to the direction.

本発明では、受熱部とクリーニングユニットとの当接方向を、像担持体とクリーニング部材との当接方向に対して略直交するように構成したことにより、クリーニングユニットが受熱部との当接によって主として受ける力の方向を、上記クリーニング部材の当接方向に対して略直交する方向に作用させることができる。これにより、クリーニングユニットが受熱部との当接によって変位しても、像担持体とクリーニング部材との当接方向の位置関係がそれの影響を受けにくくなる。従って、像担持体とクリーニング部材との当接方向の位置関係を高精度に維持することができるので、クリーニング性を良好に維持することが可能となる。また、本発明は、上記受熱部の当接方向と上記クリーニング部材の当接方向を略直交にするだけでよいので、クリーニングユニットの位置を高精度に維持するための複雑な機構などは必要ない。このため、構造を簡素化することができると共に装置の小型化も図れる。   In the present invention, the contact direction between the heat receiving portion and the cleaning unit is configured to be substantially orthogonal to the contact direction between the image carrier and the cleaning member, so that the cleaning unit is brought into contact with the heat receiving portion. The direction of the force mainly received can be made to act in a direction substantially orthogonal to the contact direction of the cleaning member. As a result, even if the cleaning unit is displaced due to contact with the heat receiving portion, the positional relationship in the contact direction between the image carrier and the cleaning member is not easily affected. Therefore, the positional relationship in the contact direction between the image carrier and the cleaning member can be maintained with high accuracy, and the cleaning performance can be maintained well. Further, in the present invention, since the contact direction of the heat receiving portion and the contact direction of the cleaning member need only be substantially orthogonal, a complicated mechanism or the like for maintaining the position of the cleaning unit with high accuracy is not necessary. . For this reason, the structure can be simplified and the apparatus can be miniaturized.

本発明によれば、簡単な構成により、像担持体と被冷却部(現像ユニット又はクリーニングユニット)との対向方向又は当接方向の位置関係を高精度に維持することができるので、装置の小型化を図りつつ高画質の画像形成を実現可能である。   According to the present invention, the positional relationship in the facing direction or the contact direction between the image carrier and the cooled portion (developing unit or cleaning unit) can be maintained with high accuracy with a simple configuration. It is possible to achieve high-quality image formation while achieving high speed.

本発明の実施例1に係る中間転写タンデム方式のカラー画像形成装置の全体構成を示す概略図である。1 is a schematic diagram illustrating an overall configuration of an intermediate transfer tandem type color image forming apparatus according to Embodiment 1 of the present invention. FIG. 画像形成ユニットの手前側斜視図である。FIG. 3 is a front perspective view of the image forming unit. 画像形成ユニットの奥側斜視図である。It is a back side perspective view of an image forming unit. 現像ローラの両端に金属ローラを設けた構成を示す概略構成図である。It is a schematic block diagram which shows the structure which provided the metal roller in the both ends of the developing roller. 冷却装置の概略平面図である。It is a schematic plan view of a cooling device. 受熱部の概略図である。It is the schematic of a heat receiving part. 本発明の実施例2に係る冷却装置の概略図である。It is the schematic of the cooling device which concerns on Example 2 of this invention. 本発明の実施例3に係る冷却装置の概略図である。It is the schematic of the cooling device which concerns on Example 3 of this invention. 本発明の実施例4に係る冷却装置の概略図である。It is the schematic of the cooling device which concerns on Example 4 of this invention. 本発明の実施例5に係る画像形成装置の一部を示す概略図である。FIG. 10 is a schematic diagram illustrating a part of an image forming apparatus according to Embodiment 5 of the present invention. 本発明の実施例6に係る画像形成装置の一部を示す概略図である。FIG. 9 is a schematic diagram illustrating a part of an image forming apparatus according to Embodiment 6 of the present invention. 上記実施例6の変形例を示す概略図である。It is the schematic which shows the modification of the said Example 6. FIG. 本発明の実施例7に係る画像形成装置の一部を示す概略図である。FIG. 10 is a schematic diagram illustrating a part of an image forming apparatus according to Embodiment 7 of the present invention. 上記実施例7の変形例を示す概略図である。It is the schematic which shows the modification of the said Example 7. FIG. 本発明の実施例8に係る構成を概念化して示した図である。It is the figure which conceptualized and showed the structure which concerns on Example 8 of this invention. 図1に示す複数の画像形成ユニットのうち、1つの画像形成ユニットを示した図である。It is the figure which showed one image forming unit among the several image forming units shown in FIG. 受熱部と現像ユニットの当接方向を説明するための図であって、(a)は受熱部と現像ユニットの当接状態の一例を示し、(b)は前記当接状態の他の例を示す。It is a figure for demonstrating the contact direction of a heat receiving part and a developing unit, (a) shows an example of the contact state of a heat receiving part and a development unit, (b) is another example of the said contact state. Show. 図10に示す複数の画像形成ユニットのうち、1つの画像形成ユニットを示した図である。It is the figure which showed one image forming unit among the several image forming units shown in FIG. 本発明の実施例9に係る画像形成装置の一部を示す概略図である。FIG. 10 is a schematic diagram illustrating a part of an image forming apparatus according to Embodiment 9 of the present invention. 直接転写タンデム方式のカラー画像形成装置を示す図である。1 is a diagram illustrating a direct transfer tandem color image forming apparatus. FIG. 従来の画像形成装置における受熱部と現像ユニットの当接状態を示す図である。FIG. 10 is a diagram illustrating a contact state between a heat receiving unit and a developing unit in a conventional image forming apparatus.

図1は、本発明の実施例1に係る画像形成装置の概略図である。
図1に示す画像形成装置は、カラー画像形成装置であり、カラー画像の色分解成分に対応するイエロー、マゼンタ、シアン、ブラックの異なる色の画像を形成する4つの画像形成ユニット10Y,10M,10C,10Kを並設した画像形成部1を備えている。各画像形成ユニット10Y,10M,10C,10Kは、像担持体としてのドラム状の感光体2Y,2M,2C,2Kと、帯電手段としての帯電ユニット3Y,3M,3C,3Kと、現像手段としての2成分現像方式の現像ユニット4Y,4M,4C,4Kと、クリーニング手段としてのドラムクリーニングユニット5Y,5M,5C,5K等を、図示しない枠体に一体的に収容している。これら画像形成ユニット10Y,10M,10C,10Kは、画像形成装置本体に対して着脱可能に構成され、一度に消耗部品を交換できるようになっている。また、画像形成装置の上部には、原稿を読み取る読取装置7が配設されている。
FIG. 1 is a schematic diagram of an image forming apparatus according to Embodiment 1 of the present invention.
The image forming apparatus shown in FIG. 1 is a color image forming apparatus, and four image forming units 10Y, 10M, and 10C that form images of different colors of yellow, magenta, cyan, and black corresponding to color separation components of a color image. , 10K are provided in parallel. Each of the image forming units 10Y, 10M, 10C, and 10K includes drum-shaped photosensitive members 2Y, 2M, 2C, and 2K as image carriers, charging units 3Y, 3M, 3C, and 3K as charging means, and developing means. The two-component developing type developing units 4Y, 4M, 4C, and 4K and the drum cleaning units 5Y, 5M, 5C, and 5K as cleaning means are integrally accommodated in a frame (not shown). These image forming units 10Y, 10M, 10C, and 10K are configured to be detachable from the main body of the image forming apparatus so that consumable parts can be replaced at a time. A reading device 7 for reading a document is disposed on the upper part of the image forming apparatus.

上記画像形成部1の上方には、潜像形成手段としての露光ユニット6が配設されている。この露光ユニット6から発されたレーザ光は、各感光体2Y,2M,2C,2Kに照射されるようになっている。画像形成部1の下方には、転写ユニット8が配設されている。転写ユニット8は、中間転写回転体としての中間転写ベルト9と、一次転写手段としての4つの一次転写ローラ11Y,11M,11C,11K等を有する。中間転写ベルト9は複数のローラに掛け渡され、それらローラのうちの1つが駆動ローラとして回転駆動することによって、中間転写ベルト9は図の矢印の方向に周回走行(回転)するように構成されている。4つの一次転写ローラ11Y,11M,11C,11Kは、上記感光体2Y,2M,2C,2Kに対向する位置で中間転写ベルト9の内周面に接触している。これら一次転写ローラ11Y,11M,11C,11Kの中間転写ベルト9への接触によって、中間転写ベルト9は各感光体2Y,2M,2C,2Kと接触し、その接触部において一次転写ニップを形成している。   Above the image forming unit 1, an exposure unit 6 as a latent image forming unit is disposed. Laser light emitted from the exposure unit 6 is applied to each of the photoreceptors 2Y, 2M, 2C, and 2K. A transfer unit 8 is disposed below the image forming unit 1. The transfer unit 8 includes an intermediate transfer belt 9 as an intermediate transfer rotator, four primary transfer rollers 11Y, 11M, 11C, and 11K as primary transfer means. The intermediate transfer belt 9 is stretched around a plurality of rollers, and when one of these rollers is driven to rotate as a driving roller, the intermediate transfer belt 9 is configured to run around (rotate) in the direction of the arrow in the figure. ing. The four primary transfer rollers 11Y, 11M, 11C, and 11K are in contact with the inner peripheral surface of the intermediate transfer belt 9 at positions facing the photoconductors 2Y, 2M, 2C, and 2K. By contact of these primary transfer rollers 11Y, 11M, 11C, and 11K with the intermediate transfer belt 9, the intermediate transfer belt 9 comes into contact with each of the photoreceptors 2Y, 2M, 2C, and 2K, and forms a primary transfer nip at the contact portion. ing.

転写ユニット2の下方には二次転写手段としての二次転写装置14が配設されている。二次転写装置14は、図示しない電源によって電圧が印加される二次転写ローラ12を有し、その二次転写ローラ12は、中間転写ベルト9を掛け渡したローラの1つである対向ローラ13に対向した位置で中間転写ベルト9の外周面に接触している。この二次転写ローラ12と中間転写ベルト9が接触する接触部において二次転写ニップが形成されている。   Below the transfer unit 2, a secondary transfer device 14 as a secondary transfer unit is disposed. The secondary transfer device 14 includes a secondary transfer roller 12 to which a voltage is applied by a power source (not shown), and the secondary transfer roller 12 is a counter roller 13 that is one of the rollers that span the intermediate transfer belt 9. In contact with the outer peripheral surface of the intermediate transfer belt 9. A secondary transfer nip is formed at a contact portion where the secondary transfer roller 12 and the intermediate transfer belt 9 are in contact with each other.

二次転写装置14の図の右方には、記録用紙を収容した図示しない給紙カセットから記録用紙を1枚ずつ二次転写装置14へ給紙する給紙ユニット17が配設されている。また、二次転写装置14の図の左方には、記録媒体としての記録用紙に画像を定着するための定着装置15が配設されている。この定着装置15と二次転写装置14との間には記録用紙を定着装置15へ搬送するための搬送ベルト16が配設してある。また、定着装置15の図の左方には、定着装置15を通過した記録用紙を機外又は両面印刷用搬送装置18へ搬送する排紙ユニット19が配設されている。   On the right side of the secondary transfer device 14, a paper feed unit 17 that feeds recording paper to the secondary transfer device 14 one by one from a paper feed cassette (not shown) containing recording paper is disposed. A fixing device 15 for fixing an image on a recording sheet as a recording medium is disposed on the left side of the secondary transfer device 14 in the drawing. A conveyance belt 16 for conveying the recording paper to the fixing device 15 is disposed between the fixing device 15 and the secondary transfer device 14. Further, on the left side of the drawing of the fixing device 15, a paper discharge unit 19 that conveys the recording paper that has passed through the fixing device 15 to the outside of the apparatus or the conveyance device 18 for duplex printing is disposed.

以下、図1を参照して上記画像形成装置の基本的動作について説明する。なお、以下の説明において、イエロー、マゼンタ、シアン、ブラックの各色の識別を表す添え字Y,M,C,Kは便宜的に省略する。   The basic operation of the image forming apparatus will be described below with reference to FIG. In the following description, the subscripts Y, M, C, and K representing the identification of each color of yellow, magenta, cyan, and black are omitted for convenience.

まず、図示しない原稿台又はコンタクトガラス等に原稿をセットし、読取装置7によって原稿の画像情報を読み取る。この原稿の読み取りに並行して、各感光体2が図示しない駆動装置によって図の反時計回りに回転駆動され、各感光体2の表面が帯電ユニット3によって所定の極性に一様に帯電される。帯電された各感光体2の表面には、露光ユニット6からレーザ光がそれぞれ照射されて、各感光体2の表面に静電潜像が形成される。このとき、各感光体2に露光する画像情報は所望のフルカラー画像をイエロー、シアン、マゼンタ及びブラックの色情報に分解した単色の画像情報である。このように感光体2上に形成された静電潜像に、各現像ユニット4によってトナーが供給されることにより、静電潜像はトナー画像として可視像化される。   First, a document is set on a document table or contact glass (not shown), and image information of the document is read by the reading device 7. In parallel with the reading of the original, each photoconductor 2 is rotated counterclockwise in the figure by a driving device (not shown), and the surface of each photoconductor 2 is uniformly charged to a predetermined polarity by the charging unit 3. . The surface of each charged photoconductor 2 is irradiated with laser light from the exposure unit 6 to form an electrostatic latent image on the surface of each photoconductor 2. At this time, the image information to be exposed on each photoconductor 2 is monochromatic image information obtained by separating a desired full-color image into color information of yellow, cyan, magenta, and black. In this way, the electrostatic latent image formed on the photosensitive member 2 is supplied with toner by each developing unit 4, whereby the electrostatic latent image is visualized as a toner image.

中間転写ベルト9を張架する駆動ローラが回転駆動することにより、中間転写ベルトは図の矢印で示す方向に走行駆動される。また、各一次転写ローラ11に、トナーの帯電極性と逆極性の定電圧又は定電流制御された電圧が印加される。これにより、各一次転写ローラ11と各感光体2との間の一次転写ニップにおいて転写電界が形成される。そして、各感光体2に形成された各色のトナー画像が、上記一次転写ニップにおいて形成された転写電界によって、中間転写ベルト9上に順次重ね合わせて転写される。かくして中間転写ベルト9はその表面にフルカラーのトナー画像を担持する。   When the drive roller that stretches the intermediate transfer belt 9 is driven to rotate, the intermediate transfer belt is driven to travel in the direction indicated by the arrow in the figure. Further, a constant voltage or a constant current controlled voltage having a polarity opposite to the toner charging polarity is applied to each primary transfer roller 11. As a result, a transfer electric field is formed at the primary transfer nip between each primary transfer roller 11 and each photoconductor 2. Then, the toner images of the respective colors formed on the respective photoreceptors 2 are sequentially superimposed and transferred onto the intermediate transfer belt 9 by the transfer electric field formed in the primary transfer nip. Thus, the intermediate transfer belt 9 carries a full-color toner image on its surface.

給紙ユニット17によって送り出された記録用紙は、一対のレジストローラ20によってタイミングを計られて、二次転写ローラ12と中間転写ベルト9との間の二次転写ニップに送られる。このとき二次転写ローラ12に、中間転写ベルト9上のトナー画像のトナー帯電極性と逆極性の転写電圧が印加され、二次転写ニップに転写電界が形成される。そして、二次転写ニップに形成された転写電界によって、中間転写ベルト9上のトナー画像が記録用紙上に一括して転写される。トナー画像が転写された記録用紙は定着装置15へと搬送され、記録用紙が定着装置15を通過する際に熱と圧力が加えられてトナー画像が熔融されて定着される。トナー画像が定着された記録用紙は、排紙ユニット19によって機外へと排出される。   The recording paper sent out by the paper supply unit 17 is timed by a pair of registration rollers 20 and sent to the secondary transfer nip between the secondary transfer roller 12 and the intermediate transfer belt 9. At this time, a transfer voltage having a polarity opposite to the toner charging polarity of the toner image on the intermediate transfer belt 9 is applied to the secondary transfer roller 12, and a transfer electric field is formed in the secondary transfer nip. Then, the toner image on the intermediate transfer belt 9 is collectively transferred onto the recording paper by the transfer electric field formed in the secondary transfer nip. The recording paper on which the toner image has been transferred is conveyed to the fixing device 15, and when the recording paper passes through the fixing device 15, heat and pressure are applied to melt and fix the toner image. The recording paper on which the toner image is fixed is discharged out of the apparatus by the paper discharge unit 19.

また、両面印刷を行う場合は、記録用紙を機外へ排出せずに、記録用紙を排紙ユニット19から両面印刷用搬送装置18へと搬送する。記録用紙は両面印刷用搬送装置18を通過する間に表裏反転され再び二次転写ニップへと案内される。そして、上記と同様にして、記録用紙の裏面に画像の転写と定着を行った後、記録用紙を機外へと排出する。   When performing duplex printing, the recording paper is transported from the paper discharge unit 19 to the duplex printing transport device 18 without discharging the recording paper to the outside of the apparatus. The recording sheet is turned upside down while passing through the duplex printing conveyance device 18 and guided again to the secondary transfer nip. In the same manner as described above, after the image is transferred and fixed on the back surface of the recording paper, the recording paper is discharged out of the apparatus.

なお、トナー画像が転写された後の各感光体2の表面に付着する残留トナーは、各ドラムクリーニングユニット5によって感光体2の表面から除去され、次いで、その表面が図示していない除電装置によって除電作用を受け、その表面電位が初期化されて次の画像形成に備えられる。   The residual toner adhering to the surface of each photoconductor 2 after the toner image is transferred is removed from the surface of the photoconductor 2 by each drum cleaning unit 5, and then the surface is removed by a static eliminator (not shown). Upon receiving the charge eliminating action, the surface potential is initialized to prepare for the next image formation.

以上の説明は、記録用紙にフルカラー画像を形成するときの画像形成動作であるが、4つの画像形成ユニット10のいずれか1つを使用して単色画像を形成したり、2つ又は3つの画像形成ユニット10を使用して、2色又は3色の画像を形成したりすることも可能である。   The above description is an image forming operation when a full-color image is formed on a recording sheet. A single-color image is formed using any one of the four image forming units 10, or two or three images are formed. It is also possible to form a two-color or three-color image using the forming unit 10.

図2は、上記各画像形成ユニット10Y,10M,10C,10Kの1つの手前側斜視図であり、図3は、その画像形成ユニットの奥側斜視図である。なお、各画像形成ユニット10Y,10M,10C,10Kは同様の構成となっているので、図2及び図3において、各色の識別を表す添え字Y,M,C,Kは便宜的に省略している。   FIG. 2 is a front perspective view of one of the image forming units 10Y, 10M, 10C, and 10K, and FIG. 3 is a rear perspective view of the image forming unit. Since the image forming units 10Y, 10M, 10C, and 10K have the same configuration, the subscripts Y, M, C, and K representing the identification of each color are omitted for convenience in FIGS. ing.

図2に示すように、感光体2は、感光層が塗工された感光管21と、手前側フランジ22と、奥側フランジ23とで構成されている。感光体2の手前側フランジ22と奥側フランジ23とが、画像形成ユニット10の枠体30に回転可能に支持されている。詳しくは、感光体2の支持軸であるドラム軸24が、位置決め手段としての前位置決め板31と奥位置決め板32のそれぞれに設けた軸受に回転可能に嵌合している。これにより、感光体2が位置決めされる。また、感光体2のドラム軸24の一端には、感光体2を回転駆動させる感光体モータ25が取り付けられている。   As shown in FIG. 2, the photoreceptor 2 includes a photosensitive tube 21 coated with a photosensitive layer, a front flange 22, and a back flange 23. The front side flange 22 and the back side flange 23 of the photosensitive member 2 are rotatably supported by the frame 30 of the image forming unit 10. Specifically, a drum shaft 24 that is a support shaft of the photosensitive member 2 is rotatably fitted to bearings provided on the front positioning plate 31 and the back positioning plate 32 as positioning means. Thereby, the photoreceptor 2 is positioned. A photosensitive member motor 25 that rotates the photosensitive member 2 is attached to one end of the drum shaft 24 of the photosensitive member 2.

現像ユニット4は、画像形成ユニット10の枠体30に仮位置決めされた後、前位置決め板31と奥位置決め板32によって位置決めされている。現像ユニット4は、現像剤担持体としての現像ローラ40を有しており、現像ローラ40の図示しないローラ軸が、各位置決め板31,32に設けた軸受に回転可能に嵌合している。また、各位置決め板31,32には、それぞれ長孔より成る従基準孔が形成され、これら従基準孔には、現像ユニット4の両端部に固定された従基準ピン33が嵌合している。このように、従基準ピン33が従基準孔に嵌合することによって、現像ユニット4の現像ローラ40の中心軸線回りの回転が規制される。   The development unit 4 is temporarily positioned on the frame 30 of the image forming unit 10 and then positioned by the front positioning plate 31 and the back positioning plate 32. The developing unit 4 has a developing roller 40 as a developer carrier, and a roller shaft (not shown) of the developing roller 40 is rotatably fitted to bearings provided on the positioning plates 31 and 32. The positioning plates 31 and 32 are each formed with a secondary reference hole made of a long hole, and a secondary reference pin 33 fixed to both ends of the developing unit 4 is fitted in the secondary reference hole. . Thus, the rotation of the developing roller 40 around the central axis of the developing unit 4 is restricted by fitting the slave reference pin 33 into the slave reference hole.

各位置決め板31,32によって現像ローラ40と感光体2とが支持された状態では、現像ローラ40と感光体2との間に一定の現像ギャップが保持されている。この現像ギャップを所定の間隔で維持することにより、感光体2に高品質なトナー画像を現像することができる。   In a state where the developing roller 40 and the photosensitive member 2 are supported by the positioning plates 31 and 32, a constant developing gap is maintained between the developing roller 40 and the photosensitive member 2. By maintaining this development gap at a predetermined interval, a high-quality toner image can be developed on the photoreceptor 2.

また、図4に示すように、現像ローラ40の両端に金属ローラ41,42を設け、これら金属ローラ41,42を感光体2のフランジ22,23に当接させて、現像ローラ40と感光体2とが所定の現像ギャップを介して位置決めされるように構成してもよい。   As shown in FIG. 4, metal rollers 41 and 42 are provided at both ends of the developing roller 40, and the metal rollers 41 and 42 are brought into contact with the flanges 22 and 23 of the photosensitive member 2 so that the developing roller 40 and the photosensitive member are brought into contact with each other. 2 may be positioned through a predetermined development gap.

なお、上記各位置決め板31,32は、コスト低減及び軽量化の観点から樹脂で形成することが好ましいが、金属を適用してもよい。   The positioning plates 31 and 32 are preferably formed of resin from the viewpoint of cost reduction and weight reduction, but metal may be applied.

ところで、近年、画像形成装置の小型化の要請から、装置内が高密度化しつつある。本発明に係る画像形成装置においても小型化が図られており、装置内が高密度化している。そのため、図1に示すように、定着装置15を転写ユニット8の下方へもぐり込ませて配設しており、中間転写ベルト9が定着装置15に対して近接した構成となっている。   By the way, in recent years, due to a demand for downsizing of an image forming apparatus, the inside of the apparatus is being increased in density. The image forming apparatus according to the present invention is also downsized, and the inside of the apparatus is densified. For this reason, as shown in FIG. 1, the fixing device 15 is disposed below the transfer unit 8, and the intermediate transfer belt 9 is close to the fixing device 15.

このように、中間転写ベルト9が定着装置15に対して近接して配設されると、定着装置15の熱によって中間転写ベルト9に変形が生じ、色ずれ等の画像不良が発生する虞がある。また、このような画像不良は、画像形成装置の高速化に伴って装置内の発熱量が増大すると、顕著となる傾向にある。また、両面印刷を行った場合は、定着装置15で加熱された記録用紙が、再び中間転写ベルト9の二次転写位置へ搬送され、そこで中間転写ベルト9に接触するため、さらに中間転写ベルト9が温度上昇し、画像形成を良好に行うにはより厳しい条件となる。また、中間転写ベルト9を介して感光体2や現像ユニット4にも熱が伝達されるため、感光体2や現像ユニット4の温度上昇も招く。これらの温度上昇によって、トナーの帯電量低下に伴う画像濃度異常や、溶融したトナーが感光体や現像ローラ等に固着することによる画像の濃度ムラ等が発生しやすくなる。   As described above, when the intermediate transfer belt 9 is disposed close to the fixing device 15, the intermediate transfer belt 9 may be deformed by the heat of the fixing device 15 and image defects such as color misregistration may occur. is there. Further, such image defects tend to become prominent when the amount of heat generated in the apparatus increases as the speed of the image forming apparatus increases. When double-sided printing is performed, the recording paper heated by the fixing device 15 is conveyed again to the secondary transfer position of the intermediate transfer belt 9 and contacts the intermediate transfer belt 9 there. However, the temperature rises, and it becomes a more severe condition for good image formation. Further, since heat is transmitted to the photosensitive member 2 and the developing unit 4 via the intermediate transfer belt 9, the temperature of the photosensitive member 2 and the developing unit 4 is also increased. Due to these temperature rises, an image density abnormality due to a decrease in the charge amount of the toner, an image density unevenness due to the fused toner adhering to the photosensitive member, the developing roller, etc. are likely to occur.

そこで、図1に示すように、定着装置15と中間転写ベルト9との間に断熱装置50を配設している。断熱装置50は、主として、受熱部材としての受熱板51と、伝熱手段(熱輸送手段)としてのヒートパイプ52と、放熱部材としての放熱板53と、ダクト54及び図示しない排気ファンによって構成されている。受熱板51は、熱を吸収しやすい材料によって形成されており、発熱源である定着装置15とその熱の影響から保護したい保護対象部である転写ユニット8との間に配設されている。ヒートパイプ52の一端部(下端部)は受熱板51の下面に付設され、他端部は放熱板53に付設されている。放熱板53は、熱を放出しやすい材料によって形成されており、ダクト54内に配設されている。本実施例では、ダクト54は画像形成装置の前面から背面に渡って延設されている。ダクト54の装置前面側の端部には空気流入口が設けられ、装置背面側の端部には排気口が設けられている。また、その排気口には図示しない排気ファンが設けてある。   Therefore, as shown in FIG. 1, a heat insulating device 50 is disposed between the fixing device 15 and the intermediate transfer belt 9. The heat insulating device 50 is mainly composed of a heat receiving plate 51 as a heat receiving member, a heat pipe 52 as a heat transfer means (heat transport means), a heat radiating plate 53 as a heat radiating member, a duct 54 and an exhaust fan (not shown). ing. The heat receiving plate 51 is formed of a material that easily absorbs heat, and is disposed between the fixing device 15 that is a heat generation source and the transfer unit 8 that is a protection target portion that is to be protected from the influence of the heat. One end (lower end) of the heat pipe 52 is attached to the lower surface of the heat receiving plate 51, and the other end is attached to the heat radiating plate 53. The heat radiating plate 53 is made of a material that easily releases heat, and is disposed in the duct 54. In this embodiment, the duct 54 extends from the front surface to the back surface of the image forming apparatus. An air inlet is provided at the end of the duct 54 on the front side of the device, and an exhaust port is provided at the end of the back side of the device. An exhaust fan (not shown) is provided at the exhaust port.

以上のように構成された断熱装置50は、定着装置15からの熱を受熱板51で受け、その熱がヒートパイプ52によって放熱板53まで伝達される。そして、放熱板53から熱が放出され、放出された熱は図示しない排気ファンよって機外に排出される。なお、排気ファンを設けず、自然冷却とすることも可能である。このように、定着装置15から発された熱を転写ユニット8の手前で受熱板51によって吸収し、その熱を機外に排出することによって、定着装置15の熱による転写ユニット8の温度上昇を抑制するようにしている。また、転写ユニット8の温度上昇が抑制されることによって、感光体2や現像ユニット4の温度上昇も抑制される。これにより、中間転写ベルト9の変形による画像の位置ずれや、トナーの帯電量低下に伴う画像濃度異常、トナーの固着による画像の濃度ムラ等の不具合を未然に防止している。   The heat insulating device 50 configured as described above receives heat from the fixing device 15 by the heat receiving plate 51, and the heat is transmitted to the heat radiating plate 53 by the heat pipe 52. Then, heat is released from the heat radiating plate 53, and the released heat is discharged outside the machine by an exhaust fan (not shown). Note that it is possible to perform natural cooling without providing an exhaust fan. In this way, the heat generated from the fixing device 15 is absorbed by the heat receiving plate 51 in front of the transfer unit 8, and the heat is discharged out of the apparatus, thereby increasing the temperature of the transfer unit 8 due to the heat of the fixing device 15. I try to suppress it. Further, by suppressing the temperature rise of the transfer unit 8, the temperature rise of the photoconductor 2 and the developing unit 4 is also suppressed. As a result, it is possible to prevent problems such as an image position shift due to deformation of the intermediate transfer belt 9, an image density abnormality due to a decrease in toner charge amount, and an image density unevenness due to toner fixation.

また、各現像ユニット4は、現像ユニット4内に収容された現像剤(トナー)を攪拌搬送する現像剤攪拌搬送部材や、現像剤を現像領域に搬送する前に現像ローラ上に担持されている現像剤の層厚を規制する現像剤規制部材を有している(図示省略)。現像剤攪拌搬送部材によって現像剤を攪拌搬送した際、又は現像剤規制部材によって現像剤の層厚を規制した際に、現像剤攪拌搬送部材又は現像剤規制部材と現像剤との摺接による摩擦熱や、現像剤同士の摺接による摩擦熱によって、現像ユニット4内の温度が上昇する。現像ユニット4内の温度が上昇すると、トナーの帯電量低下に伴う画像濃度異常や、トナーが現像ローラや現像剤規制部材等に固着することによる濃度ムラ等が発生する虞がある。特に、画像定着時の消費エネルギーの低減の目的で溶融温度の低いトナーを用いた場合は、トナーが溶融しやすいため、上記トナーの固着が生じやすくなる。また、印刷スピードを高速化した場合は、現像ユニット4が高温になりやすいため、上記のような画像不良が生じやすくなる。   Each developing unit 4 is carried on a developer agitating / conveying member that stirs and conveys the developer (toner) accommodated in the developing unit 4 or on a developing roller before the developer is conveyed to the developing region. It has a developer regulating member that regulates the layer thickness of the developer (not shown). Friction caused by sliding contact between the developer agitating / conveying member or the developer regulating member and the developer when the developer is agitated and conveyed by the developer agitating / conveying member or when the layer thickness of the developer is regulated by the developer regulating member The temperature in the developing unit 4 rises due to heat and frictional heat due to sliding contact between the developers. When the temperature in the developing unit 4 rises, there is a risk that image density abnormality due to a decrease in the toner charge amount, density unevenness due to toner sticking to the developing roller, the developer regulating member, or the like may occur. In particular, when a toner having a low melting temperature is used for the purpose of reducing energy consumption at the time of image fixing, the toner is easily melted, so that the toner is easily fixed. Further, when the printing speed is increased, the developing unit 4 is likely to be at a high temperature, so that the above-described image defect is likely to occur.

そのため、本発明に係る画像形成装置は、各現像ユニット4を冷却する冷却装置を備えている。   Therefore, the image forming apparatus according to the present invention includes a cooling device that cools each developing unit 4.

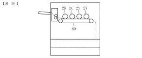
図5は、上記冷却装置の概略平面図である。ここでは、冷却装置として液冷式の冷却装置を用いている。
図5に示すように、冷却装置60は、各画像形成ユニット10Y,10M,10C,10Kの下側に配設された4つの受熱部61Y,61M,61C,61Kと、3つの冷却部62と、冷却ポンプ64と、リザーブタンク65と、これらを連結する流路としての循環パイプ63とを備えている。
FIG. 5 is a schematic plan view of the cooling device. Here, a liquid cooling type cooling device is used as the cooling device.
As shown in FIG. 5, the cooling device 60 includes four heat receiving portions 61Y, 61M, 61C, and 61K disposed under the image forming units 10Y, 10M, 10C, and 10K, and three cooling portions 62. A cooling pump 64, a reserve tank 65, and a circulation pipe 63 as a flow path connecting them are provided.

上記冷却部62は、冷却液を冷却する冷却手段である。各冷却部62は、放熱手段としてのラジエータ66及び冷却ファン67等を有する。ラジエータ66は、熱伝導率が高いアルミニウム等で構成された収容部を有する。この収容部内に冷却液を収容することにより、冷却液を放熱させて冷却するようになっている。冷却ファン67は、ラジエータ66に送風することによって、ラジエータ66の放熱効果を高めるためのものである。また、この実施例では、3つのラジエータ66と、4つの受熱部61Y,61M,61C,61Kと、冷却ポンプ64と、リザーブタンク65とが、循環パイプ63によって直列に連結されている。   The cooling unit 62 is a cooling unit that cools the coolant. Each cooling unit 62 includes a radiator 66 and a cooling fan 67 as heat dissipation means. The radiator 66 has a housing portion made of aluminum or the like having a high thermal conductivity. By accommodating the cooling liquid in the accommodating portion, the cooling liquid is radiated to cool. The cooling fan 67 is for improving the heat dissipation effect of the radiator 66 by sending air to the radiator 66. In this embodiment, three radiators 66, four heat receiving portions 61Y, 61M, 61C, 61K, a cooling pump 64, and a reserve tank 65 are connected in series by a circulation pipe 63.

冷却部62は1又は2つでもよいし、4つ以上であっても構わない。冷却部62を複数備えることで、各冷却部62の冷却効果が比較的低くても、十分な冷却効果を発揮することが可能である。複数の冷却部62によって冷却する場合は、1つの冷却部62によって冷却する場合に比べて、1つ当たりの放熱面積を小さくすることができ、結果的に小型化を図ることが可能となる。また、この実施例では、冷却部62ごとに冷却ファン67を設けているが、1つの冷却ファン67によって各ラジエータ66に外気を供給するように構成してもよい。   The cooling unit 62 may be one or two, or four or more. By providing a plurality of cooling units 62, a sufficient cooling effect can be exhibited even if the cooling effect of each cooling unit 62 is relatively low. In the case of cooling by a plurality of cooling units 62, compared with the case of cooling by one cooling unit 62, the heat radiation area per one can be reduced, and as a result, downsizing can be achieved. Further, in this embodiment, the cooling fan 67 is provided for each cooling unit 62, but it may be configured such that outside air is supplied to each radiator 66 by one cooling fan 67.

上記冷却ポンプ64は、冷却液を循環パイプ63を介して各受熱部61Y,61M,61C,61Kと各冷却部62との間で循環させる冷却液搬送手段である。この場合、冷却液は冷却ポンプ64によって図の矢印の方向に循環される。また、上記リザーブタンク65は、余剰の冷却液を貯留するためのタンクである。   The cooling pump 64 is a cooling liquid conveying means for circulating the cooling liquid between the heat receiving parts 61Y, 61M, 61C, 61K and the cooling parts 62 via the circulation pipe 63. In this case, the coolant is circulated by the cooling pump 64 in the direction of the arrow in the figure. The reserve tank 65 is a tank for storing excess coolant.

熱輸送媒体としての冷却液は、水を主成分としている。ここでは、冷却液に、凍結温度を下げるためのプロピレングリコールやエチレングリコールなどを添加したり、金属製の部品の錆を防止するための防錆剤(例えば、リン酸塩系物質:リン酸カリ塩、無機カリ塩等)を添加したりして使用している。   The coolant as the heat transport medium is mainly composed of water. Here, propylene glycol or ethylene glycol for lowering the freezing temperature is added to the coolant, or a rust inhibitor (for example, phosphate-based material: potassium phosphate for preventing rust of metal parts). Salt, inorganic potassium salt, etc.) are used.

図6は、上記受熱部61の概略図である。なお、各受熱部61Y,61M,61C,61Kはそれぞれ同様に構成されているため、図6において、各色の識別を表す添え字Y,M,C,Kは便宜的に省略している。   FIG. 6 is a schematic view of the heat receiving portion 61. In addition, since each heat receiving part 61Y, 61M, 61C, 61K is comprised similarly, in FIG. 6, the subscript Y, M, C, K showing the identification of each color is abbreviate | omitted for convenience.

図6に示すように、受熱部61は、冷却液を通すための管路68と、その管路68を収容したケース69を有している。管路68及びケース69は、熱伝導性の高い部材によって形成されている。例えば、熱伝導率が400[W/mK]程度の銅、あるいは熱伝導率が200[W/mK]程度のアルミニウムを、管路68及びケース69の材料として適用可能である。また、熱伝導率のより高い銀や金等の材料を管路68及びケース69に適用してもよい。管路68はケース69内でU字状に屈曲しており、ケース69の一端部から管路68の両端部68a,68bが突出している。突出した両端部68a,68bには、それぞれ循環パイプ63が接続されている。   As shown in FIG. 6, the heat receiving portion 61 has a pipe line 68 for passing the coolant and a case 69 in which the pipe line 68 is accommodated. The pipe 68 and the case 69 are formed of a member having high thermal conductivity. For example, copper having a thermal conductivity of about 400 [W / mK] or aluminum having a thermal conductivity of about 200 [W / mK] can be used as the material for the pipe 68 and the case 69. Further, a material such as silver or gold having higher thermal conductivity may be applied to the pipe line 68 and the case 69. The pipe 68 is bent in a U shape within the case 69, and both end portions 68 a and 68 b of the pipe 68 protrude from one end of the case 69. Circulating pipes 63 are connected to the projecting ends 68a and 68b, respectively.

図1に示すように、各受熱部61Y,61M,61C,61Kは、各色の現像ユニット4Y,4M,4C,4Kの下面に当接して配設されている。さらに、各受熱部61Y,61M,61C,61Kは、図示しないバネ等の加圧手段によって、各色の現像ユニット4Y,4M,4C,4Kに加圧されている。これにより、受熱部61Y,61M,61C,61Kを現像ユニット4Y,4M,4C,4Kに圧接(密着)させることができ、これらの当接面積(受熱面積)を大きくして、冷却効果を向上させている。   As shown in FIG. 1, each heat receiving portion 61Y, 61M, 61C, 61K is disposed in contact with the lower surface of each color developing unit 4Y, 4M, 4C, 4K. Further, the heat receiving portions 61Y, 61M, 61C, and 61K are pressurized to the developing units 4Y, 4M, 4C, and 4K of the respective colors by a pressing unit such as a spring (not shown). As a result, the heat receiving portions 61Y, 61M, 61C, 61K can be pressed against (adhered to) the developing units 4Y, 4M, 4C, 4K, and the contact area (heat receiving area) is increased to improve the cooling effect. I am letting.

また、受熱部61Y,61M,61C,61Kを現像ユニット4Y,4M,4C,4Kに圧接させる場合は、循環パイプ63を、ゴムチューブや樹脂チューブなどの柔軟性や可撓性を有する部材で構成することが好ましい。循環パイプ63を柔軟性や可撓性を有する部材で構成することにより、圧接時の受熱部61Y,61M,61C,61Kの変位に追随して循環パイプ63が変形することができる。このため、受熱部61Y,61M,61C,61Kから循環パイプ63が外れてしまうなどの不具合を防止することができる。ただし、循環パイプ63の全体をゴムチューブなどで構成しなくてもよい。循環パイプ63の一部を金属製の配管で構成した方が、水分透過性を極力抑えることができる点で好ましい。   Further, when the heat receiving portions 61Y, 61M, 61C, and 61K are pressed against the developing units 4Y, 4M, 4C, and 4K, the circulation pipe 63 is configured with a flexible or flexible member such as a rubber tube or a resin tube. It is preferable to do. By configuring the circulation pipe 63 with a member having flexibility or flexibility, the circulation pipe 63 can be deformed following the displacement of the heat receiving portions 61Y, 61M, 61C, 61K during pressure contact. For this reason, it is possible to prevent problems such as the circulation pipe 63 coming off from the heat receiving portions 61Y, 61M, 61C, 61K. However, the entire circulation pipe 63 may not be configured with a rubber tube or the like. It is preferable that a part of the circulation pipe 63 is made of a metal pipe in that moisture permeability can be suppressed as much as possible.

以下、上記冷却装置60の動作について説明する。
ラジエータ66で冷却された冷却液を、冷却ポンプ64によって各受熱部61Y,61M,61C,61Kへ順次送る。冷却液は各受熱部61Y,61M,61C,61Kを通過する間に各現像ユニット4Y,4M,4C,4Kから熱を吸収し、再び、ラジエータ66へと戻される。そして、ラジエータ66で冷却液を放熱させて冷却する。冷却ファン67によってラジエータ66に送風することにより、ラジエータ66の放熱効果を高めることができる。また、所望する放熱量に応じて、冷却ファン67の駆動・停止を切換可能に構成してもよい。あるいは、放熱量に応じて、冷却ファン67の回転速度を調整可能に構成してもよい。このように冷却液を循環させて各現像ユニット4Y,4M,4C,4Kを冷却することにより、画像濃度異常や濃度ムラ等の不具合の発生を抑制することができる。
Hereinafter, the operation of the cooling device 60 will be described.
The coolant cooled by the radiator 66 is sequentially sent to the heat receiving units 61Y, 61M, 61C, and 61K by the cooling pump 64. The cooling liquid absorbs heat from the developing units 4Y, 4M, 4C, and 4K while passing through the heat receiving portions 61Y, 61M, 61C, and 61K, and is returned to the radiator 66 again. Then, the radiator 66 cools the coolant by dissipating heat. By blowing air to the radiator 66 by the cooling fan 67, the heat dissipation effect of the radiator 66 can be enhanced. Further, the cooling fan 67 may be configured to be able to be switched between driving and stopping according to a desired heat radiation amount. Or you may comprise so that the rotational speed of the cooling fan 67 can be adjusted according to the heat radiation amount. By thus circulating the cooling liquid and cooling the developing units 4Y, 4M, 4C, and 4K, it is possible to suppress the occurrence of problems such as abnormal image density and uneven density.

また、液冷式の冷却装置は、空冷式の冷却装置よりも設置スペースを小さくすることができる利点がある。このため、本実施例のような内部が高密度化した画像形成装置には、液冷式の冷却装置が好適である。また、一般に、水の定積熱容量は空気の3000倍以上である。このため、液冷式の冷却装置は少ない流量で大きな熱量を移送することができ、空冷式の冷却装置に比べて効率の良い冷却が可能である。   Further, the liquid cooling type cooling device has an advantage that the installation space can be reduced as compared with the air cooling type cooling device. For this reason, a liquid cooling type cooling device is suitable for the image forming apparatus having a high density inside as in the present embodiment. In general, the constant volume heat capacity of water is 3000 times or more that of air. For this reason, the liquid cooling type cooling device can transfer a large amount of heat at a small flow rate, and can be cooled more efficiently than the air cooling type cooling device.

上述したように、両面印刷を行うと、定着装置15で加熱された記録用紙が、二次転写部で中間転写ベルト9を暖めるため、その後の中間転写ベルト9の回転に伴って、感光体2Y,2M,2C,2Kや現像ユニット4Y,4M,4C,4Kも温度上昇する。このとき、中間転写ベルト9の暖められた箇所は、感光体2Y、感光体2M、感光体2C、感光体2Kの順に(図1の左側の感光体から順に)接触するので、接触する順番が早い感光体、及びその感光体に対向する現像ユニットほど温度上昇が高くなりやすい。そのため、温度上昇が高くなりやすい現像ユニットほど、各受熱部61Y,61M,61C,61Kによる冷却効果を高くすることが望ましい。言い換えれば、各現像ユニットに対する冷却能力を、中間転写ベルト9の記録用紙への転写位置(二次転写位置)を始点として回転方向の上流側に配設された現像ユニットほど高くなるように構成することが望ましい。   As described above, when double-sided printing is performed, the recording paper heated by the fixing device 15 warms the intermediate transfer belt 9 at the secondary transfer unit, so that the photoreceptor 2Y is rotated along with the subsequent rotation of the intermediate transfer belt 9. , 2M, 2C, 2K and development units 4Y, 4M, 4C, 4K also rise in temperature. At this time, the warmed portion of the intermediate transfer belt 9 is contacted in the order of the photosensitive member 2Y, the photosensitive member 2M, the photosensitive member 2C, and the photosensitive member 2K (in order from the left photosensitive member in FIG. 1). The faster the photosensitive member and the developing unit facing the photosensitive member, the higher the temperature rise. Therefore, it is desirable to increase the cooling effect by the heat receiving portions 61Y, 61M, 61C, and 61K as the developing unit tends to increase in temperature. In other words, the cooling capacity for each developing unit is configured so as to increase as the developing unit disposed upstream in the rotation direction starts from the transfer position (secondary transfer position) of the intermediate transfer belt 9 to the recording paper. It is desirable.

そこで、本実施例では、温度が高くなりやすい現像ユニットに当接した受熱部から順に(図5において61Y、61M、61C、61Kの順に)冷却液を送るようにしている。このように冷却液を送ることによって、温度上昇しやすい現像ユニットほど、冷却液が冷えた状態で受熱部に送られるようになり、受熱部の冷却効果を高くすることができる。これにより、各現像ユニットをその配設位置によらずより均一な温度に冷却することができ、高画質の画像形成を安定して行うことができる。また、温度が高くなりやすい現像ユニットほど、受熱部の受熱面積を大きくすることによっても、上記と同様の効果を得ることができる。   Therefore, in this embodiment, the cooling liquid is sent in order from the heat receiving portion in contact with the developing unit whose temperature tends to increase (in the order of 61Y, 61M, 61C, 61K in FIG. 5). By sending the cooling liquid in this way, a developing unit whose temperature is likely to rise can be sent to the heat receiving unit in a state where the cooling liquid is cooled, and the cooling effect of the heat receiving unit can be enhanced. Accordingly, each developing unit can be cooled to a more uniform temperature regardless of the arrangement position, and high-quality image formation can be stably performed. In addition, the same effect as described above can be obtained by increasing the heat receiving area of the heat receiving section as the developing unit tends to have a high temperature.

また、定着装置15の近くに配設された現像ユニットほど、温度が高くなりやすい傾向にある。そのため、定着装置15に近い現像ユニットほど、受熱部の冷却効果を高くするようにしてもよい。   Further, the developing unit arranged near the fixing device 15 tends to have a higher temperature. Therefore, the developing unit closer to the fixing device 15 may have a higher cooling effect on the heat receiving unit.

図7は、本発明の実施例2に係る冷却装置の概略図である。
上記本発明の実施例1では、各受熱部61Y,61M,61C,61Kを直列に連結していたが、図7に示す実施例2のように、各受熱部61Y,61M,61C,61Kを並列に連結してもよい。また、この場合、上記と同様に、温度が高くなりやすい現像ユニットほど、受熱部の受熱面積を大きくすることによって、各現像ユニットをその配設位置によらずより均一な温度に冷却することが可能である。
FIG. 7 is a schematic view of a cooling device according to Embodiment 2 of the present invention.
In the first embodiment of the present invention, the heat receiving portions 61Y, 61M, 61C, and 61K are connected in series. However, as in the second embodiment shown in FIG. 7, the heat receiving portions 61Y, 61M, 61C, and 61K are connected. You may connect in parallel. In this case, similarly to the above, as the developing unit tends to have a high temperature, each developing unit can be cooled to a more uniform temperature regardless of the arrangement position by increasing the heat receiving area of the heat receiving unit. Is possible.

図8は、本発明の実施例3に係る冷却装置の概略図である。
図8に示すように、本発明の実施例3では、複数の冷却部62と複数の受熱部61Y,61M,61C,61Kが交互に直列に連結されている。すなわち、各冷却部62によって冷却された冷却液は、対応した受熱部61Y,61M,61C,61Kに冷却液を供給するまでにそれ以外の受熱部61には冷却液を供給しないようになっている。また、複数の冷却部62を、図7に示す並列に連結した各受熱部61Y,61M,61C,61Kに対応させて配設してもよい。これらの場合、冷却部62ごとに、ラジエータ66のサイズ(放熱量)を異ならせたり、ラジエータ66に送風する冷却ファン67の風量を異ならせたりすることによって、各現像ユニットに対する冷却効果に差をもたせることが可能である。従って、温度が高くなりやすい現像ユニットに対応して配設された冷却部62ほど、その冷却効果を高めることによって、各現像ユニットをその配設位置によらずより均一な温度に冷却することが可能である。また、この実施例において、上記と同様に、温度が高くなりやすい現像ユニットほど、受熱部の受熱面積を大きくすることによっても、上記と同様の効果を得ることができる。
FIG. 8 is a schematic view of a cooling device according to Embodiment 3 of the present invention.
As shown in FIG. 8, in Example 3 of the present invention, a plurality of cooling units 62 and a plurality of heat receiving units 61Y, 61M, 61C, 61K are alternately connected in series. That is, the cooling liquid cooled by each cooling part 62 does not supply the cooling liquid to the other heat receiving parts 61 until the cooling liquid is supplied to the corresponding heat receiving parts 61Y, 61M, 61C, 61K. Yes. Moreover, you may arrange | position the several cooling part 62 corresponding to each heat receiving part 61Y, 61M, 61C, 61K connected in parallel shown in FIG. In these cases, by varying the size (heat radiation amount) of the radiator 66 for each cooling unit 62 or by varying the air volume of the cooling fan 67 that blows air to the radiator 66, the cooling effect on each developing unit is different. It can be given. Therefore, the cooling unit 62 arranged corresponding to the developing unit whose temperature tends to be high can enhance the cooling effect, thereby cooling each developing unit to a more uniform temperature regardless of the arrangement position. Is possible. Further, in this embodiment, as described above, the effect similar to the above can be obtained by increasing the heat receiving area of the heat receiving portion for the developing unit whose temperature tends to be high.

図9は、本発明の実施例4に係る冷却装置の概略図である。
図9に示すように、本発明の実施例4では、2つの現像ユニット4Y,4Mを冷却する第1の冷却装置60aと、別の2つの現像ユニット4C,4Kを冷却する第2の冷却装置60bを設けている。この場合、2つの冷却装置60a,60bの循環パイプ63は独立しているので、それぞれの冷却液の単位時間当たりの流量(流速)を異ならせることができる。例えば、図の左側2つの現像ユニット4Y,4Mの方が、図の右側2つの現像ユニット4C,4Kよりも温度上昇しやすい場合は、第1の冷却装置60aの流量又は流速を第2の冷却装置60bの流量又は流速よりも多く又は速くすることによって、各現像ユニットをより均一な温度に冷却することができる。さらに、各受熱部61Y,61M,61C,61Kごとに、冷却液の流量又は流速を異ならせることが可能であれば、温度が高くなりやすい現像ユニットに配設した受熱部ほど、流量を多くする、又は流速を速くすることによって、各現像ユニットをより均一な温度に冷却することが可能である。また、各冷却装置60a,60bにおいて、ラジエータ66のサイズ(放熱量)を異ならせたり、ラジエータ66に送風する冷却ファン67の風量を異ならせたりすることによっても、冷却効果に差をもたせることが可能である。また、温度が高くなりやすい現像ユニットほど、受熱部の受熱面積を大きくしてもよい。
FIG. 9 is a schematic view of a cooling device according to Embodiment 4 of the present invention.
As shown in FIG. 9, in the fourth embodiment of the present invention, the first cooling device 60a for cooling the two developing units 4Y and 4M and the second cooling device for cooling the other two developing units 4C and 4K. 60b is provided. In this case, since the circulation pipes 63 of the two cooling devices 60a and 60b are independent, the flow rate (flow velocity) per unit time of the respective coolants can be made different. For example, when the two left development units 4Y and 4M in the figure are more likely to rise in temperature than the two right development units 4C and 4K in the figure, the flow rate or flow rate of the first cooling device 60a is set to the second cooling unit. Each developing unit can be cooled to a more uniform temperature by making it higher or faster than the flow rate or flow rate of the apparatus 60b. Further, if the flow rate or flow rate of the cooling liquid can be varied for each of the heat receiving units 61Y, 61M, 61C, and 61K, the flow rate is increased as the heat receiving unit disposed in the developing unit whose temperature tends to increase. Alternatively, each developing unit can be cooled to a more uniform temperature by increasing the flow rate. Further, in each of the cooling devices 60a and 60b, the cooling effect can be made different by changing the size (radiation amount) of the radiator 66 or changing the air volume of the cooling fan 67 that blows air to the radiator 66. Is possible. In addition, the heat receiving area of the heat receiving unit may be increased as the developing unit tends to have a high temperature.

以上、本発明の実施例2〜4に係る冷却装置について説明したが、上記説明した構成以外は実施例1と同様の構成となっているので説明を省略する。なお、図7〜図9において、図5と同一の符号は同じ部材又は装置を示す。   As mentioned above, although the cooling device which concerns on Examples 2-4 of this invention was demonstrated, since it is the structure similar to Example 1 except the structure demonstrated above, description is abbreviate | omitted. 7-9, the same code | symbol as FIG. 5 shows the same member or apparatus.

図10は、本発明の実施例5に係る画像形成装置の一部を示す概略図である。
上記図1に示す実施例では、4つの画像形成ユニット10Y,10M,10C,10Kは横方向(図の左右方向)に並んで配設されているが、図10に示す実施例5では、4つの画像形成ユニット10Y,10M,10C,10Kが縦方向(図の上下方向)に並んで配設されている。この画像形成装置においても、各現像ユニット4Y,4M,4C,4Kを冷却するための受熱部61Y,61M,61C,61Kを設けている。この場合、各受熱部61Y,61M,61C,61Kは、対応する現像ユニット4Y,4M,4C,4Kの図の右端面に当接して配設されている。
FIG. 10 is a schematic view showing a part of an image forming apparatus according to Embodiment 5 of the present invention.
In the embodiment shown in FIG. 1, the four image forming units 10Y, 10M, 10C, and 10K are arranged side by side in the horizontal direction (the left-right direction in the figure). In the fifth embodiment shown in FIG. Two image forming units 10Y, 10M, 10C and 10K are arranged side by side in the vertical direction (vertical direction in the figure). This image forming apparatus is also provided with heat receiving portions 61Y, 61M, 61C, 61K for cooling the developing units 4Y, 4M, 4C, 4K. In this case, each of the heat receiving portions 61Y, 61M, 61C, 61K is disposed in contact with the right end surface of the corresponding developing unit 4Y, 4M, 4C, 4K.

また、図10に示す画像形成装置は、図1に示す画像形成装置と同様に、感光体2Y,2M,2C,2Kと、帯電ユニット3Y,3M,3C,3Kと、現像ユニット4Y,4M,4C,4K等を有する画像形成ユニット10Y,10M,10C,10Kと、露光ユニット6と、中間転写ベルト9を有する転写ユニット8と、二次転写ローラ12と、定着装置15等を備えている。なお、その他の構成や動作については、図1において説明した実施例と同様であるので説明を省略する。   10 is similar to the image forming apparatus shown in FIG. 1, the photosensitive members 2Y, 2M, 2C, 2K, the charging units 3Y, 3M, 3C, 3K, and the developing units 4Y, 4M, Image forming units 10Y, 10M, 10C, and 10K having 4C, 4K, and the like, an exposure unit 6, a transfer unit 8 having an intermediate transfer belt 9, a secondary transfer roller 12, and a fixing device 15 are provided. Other configurations and operations are the same as those in the embodiment described with reference to FIG.

ところで、画像形成装置内で定着装置15等によって暖められた空気は、装置内の上部へ溜まる。従って、図10に示すように、複数の画像形成ユニット10Y,10M,10C,10Kが縦方向に並んだ場合は、上側に配設した現像ユニットほど温度上昇しやすい。しかも、この場合、両面印刷を行うと、定着後の記録用紙から熱を受けた中間転写ベルト9が上側の感光体から順に接触するため、上側の現像ユニットにおいてさらに温度上昇しやすい条件となる。そのため、この実施例では、上側に配設した現像ユニットほど、受熱部の冷却効果を高くしている。これにより、各現像ユニットをその配設位置によらずより均一な温度に冷却することが可能である。なお、受熱部の冷却効果を高くする手法は、上記各実施例で挙げた手法を適宜選択して使用すればよい。   By the way, the air heated by the fixing device 15 and the like in the image forming apparatus is accumulated in the upper part of the apparatus. Therefore, as shown in FIG. 10, when a plurality of image forming units 10Y, 10M, 10C, and 10K are arranged in the vertical direction, the temperature of the developing unit disposed on the upper side is likely to increase. In addition, in this case, when double-sided printing is performed, the intermediate transfer belt 9 that has received heat from the recording sheet after fixing comes in contact with the upper photosensitive member in order, and therefore the temperature is more likely to rise in the upper developing unit. Therefore, in this embodiment, the cooling effect of the heat receiving portion is enhanced as the developing unit disposed on the upper side. As a result, each developing unit can be cooled to a more uniform temperature regardless of the arrangement position. In addition, what is necessary is just to select and use suitably the method quoted in each said Example as a method of making the cooling effect of a heat receiving part high.

図11は、本発明の実施例6に係る画像形成装置の一部を示す概略図である。
図11に示す画像形成装置は、4つの現像ユニット4Y,4M,4C,4Kが横方向に並んで配設されている。上記各実施例では、4つの現像ユニットに対して受熱部を1つずつ当接させているが、実施例6では、各現像ユニット4Y,4M,4C,4Kに対して1つの受熱部61を当接させている。言い換えれば、ここでは、各現像ユニット4Y,4M,4C,4Kに当接する受熱部を一体的に構成している。また、この場合、受熱部61は、各現像ユニット4Y,4M,4C,4Kの上面に当接するように配設されているため、受熱部61の所定の箇所には、露光ユニット6から感光体2Y,2M,2Cへ照射するレーザ光を通すための貫通孔70が形成されている。
FIG. 11 is a schematic view showing a part of an image forming apparatus according to Embodiment 6 of the present invention.
In the image forming apparatus shown in FIG. 11, four developing units 4Y, 4M, 4C, and 4K are arranged in the horizontal direction. In each of the above embodiments, one heat receiving portion is brought into contact with each of the four developing units. However, in Embodiment 6, one heat receiving portion 61 is provided for each of the developing units 4Y, 4M, 4C, and 4K. It is in contact. In other words, here, a heat receiving portion that abuts on the developing units 4Y, 4M, 4C, and 4K is integrally configured. In this case, the heat receiving portion 61 is disposed so as to contact the upper surface of each of the developing units 4Y, 4M, 4C, and 4K. A through hole 70 is formed through which laser light irradiated to 2Y, 2M, and 2C passes.

図12は、上記実施例6の変形例を示す概略図である。
この場合は、4つの現像ユニット4Y,4M,4C,4Kは、縦方向に並んで配設されているが、図11に示す実施例と同様に、各現像ユニット4Y,4M,4C,4Kに対して1つの受熱部61を当接させている。また、受熱部61の所定の箇所には、露光ユニット6から感光体2Y,2M,2Cへ照射するレーザ光を通すための貫通孔70が形成されている。
FIG. 12 is a schematic diagram showing a modification of the sixth embodiment.
In this case, the four developing units 4Y, 4M, 4C, and 4K are arranged side by side in the vertical direction. However, as in the embodiment shown in FIG. 11, each developing unit 4Y, 4M, 4C, and 4K One heat receiving portion 61 is brought into contact with the heat receiving portion 61. In addition, a through hole 70 is formed at a predetermined location of the heat receiving portion 61 for allowing the laser light irradiated from the exposure unit 6 to the photoreceptors 2Y, 2M, and 2C.

上記のように、各現像ユニットに当接する受熱部を一体的に構成した場合は、複数の受熱部を独立して配設した場合に比べて、構造を簡素化することができると共に、部品点数の削減を図ることができる。また、冷却液の流路の構成も単純化することができ、圧損が少なく効率良く冷却液を循環させることができるので冷却能力が向上する。また、受熱部を一体的に構成することにより、装置全体の剛性、特に画像形成部の剛性が向上するため、画像形成能力が安定化し、信頼性の向上に繋がる。   As described above, when the heat receiving portions that are in contact with each developing unit are integrally configured, the structure can be simplified and the number of parts can be reduced compared to the case where a plurality of heat receiving portions are provided independently. Can be reduced. Further, the configuration of the flow path of the coolant can be simplified, and the coolant can be efficiently circulated with little pressure loss, so that the cooling capacity is improved. Further, by integrally configuring the heat receiving part, the rigidity of the entire apparatus, particularly the rigidity of the image forming part is improved, so that the image forming ability is stabilized and the reliability is improved.

図13は、本発明の実施例7に係る画像形成装置の一部を示す概略図である。
図13に示す画像形成装置は、各現像ユニット4Y,4M,4C,4Kを横方向に並べて配設したものである。この場合、受熱部61を、各現像ユニット4Y,4M,4C,4K以外に、露光ユニット6にも当接させている。なお、それ以外は、上記図11に示す実施例の構成と基本的に同様に構成されている。
FIG. 13 is a schematic view showing a part of an image forming apparatus according to Embodiment 7 of the present invention.
In the image forming apparatus shown in FIG. 13, the developing units 4Y, 4M, 4C, and 4K are arranged in the horizontal direction. In this case, the heat receiving portion 61 is in contact with the exposure unit 6 in addition to the developing units 4Y, 4M, 4C, and 4K. The rest of the configuration is basically the same as that of the embodiment shown in FIG.

また、図14に、上記実施例7の変形例を示す。
図14に示す画像形成装置は、各現像ユニット4Y,4M,4C,4Kを縦方向に並べて配設したものである。この場合も、受熱部61を、各現像ユニット4Y,4M,4C,4Kと露光ユニット6に当接させている。なお、それ以外は、上記図12に示す実施例の構成と基本的に同様に構成されている。
FIG. 14 shows a modification of the seventh embodiment.
In the image forming apparatus shown in FIG. 14, the developing units 4Y, 4M, 4C, and 4K are arranged in the vertical direction. Also in this case, the heat receiving portion 61 is in contact with each of the developing units 4Y, 4M, 4C, 4K and the exposure unit 6. The rest of the configuration is basically the same as that of the embodiment shown in FIG.

上記のように、受熱部を現像ユニット以外に露光ユニットにも当接させたことにより、現像ユニットと併せて露光ユニットも冷却することができる。これにより、色ずれ等の画像不良をより効果的に抑制することができ、高画質な画像形成が可能となる。また、図13及び14に示す実施例では、1つの受熱部を各現像ユニットと露光ユニットに当接させた構成となっているが、各現像ユニットに対して1つずつ当接させた複数の受熱部を露光ユニットにも当接させる構成とすることも可能である。   As described above, by bringing the heat receiving portion into contact with the exposure unit in addition to the development unit, the exposure unit can be cooled together with the development unit. Thereby, image defects such as color misregistration can be more effectively suppressed, and high-quality image formation is possible. Further, in the embodiment shown in FIGS. 13 and 14, one heat receiving portion is in contact with each developing unit and the exposure unit. However, a plurality of heat receiving portions are in contact with each developing unit one by one. It is also possible to adopt a configuration in which the heat receiving portion is also brought into contact with the exposure unit.

図15に、本発明の実施例8を示す。
本発明の実施例8は、各画像形成ユニット10Y,10M,10C,10Kと冷却装置60とを、一体的に画像形成装置本体に対して着脱可能に構成している。図15では、各画像形成ユニット10Y,10M,10C,10Kと冷却装置60とを、図の矢印の方向に取り出す様子を示している。また、図15において、符号6は露光ユニット、符号8は転写ユニットを示す。冷却装置60は、上記各実施例と同様に、受熱部61と、冷却ポンプ64と、リザーブタンク65と、ラジエータ66と、これらを連結する循環パイプ63と、冷却ファン67によって構成されている。なお、図15は本発明の実施例8に係る構成を概念化して示したものであり、画像形成部及び冷却装置の具体的な着脱機構などについては、図示及び説明を省略する。
FIG. 15 shows an eighth embodiment of the present invention.
In the eighth embodiment of the present invention, the image forming units 10Y, 10M, 10C, and 10K and the cooling device 60 are configured to be detachable from the image forming apparatus main body. FIG. 15 shows how the image forming units 10Y, 10M, 10C, and 10K and the cooling device 60 are taken out in the direction of the arrows in the figure. In FIG. 15, reference numeral 6 denotes an exposure unit, and reference numeral 8 denotes a transfer unit. The cooling device 60 includes a heat receiving portion 61, a cooling pump 64, a reserve tank 65, a radiator 66, a circulation pipe 63 connecting them, and a cooling fan 67, as in the above embodiments. FIG. 15 conceptually shows the configuration according to the eighth embodiment of the present invention, and illustration and description of a specific attachment / detachment mechanism of the image forming unit and the cooling device are omitted.

このような構成とすることにより、各画像形成ユニット10Y,10M,10C,10Kと冷却装置60のメンテナンス等が容易となる。また、着脱時に、各現像ユニット4Y,4M,4C,4Kと受熱部61とを分離しなくてよいので、各現像ユニット4Y,4M,4C,4Kと受熱部61との間に熱伝導シートや熱伝導グリス等の熱伝導部材を介在させている場合は、これらの熱伝導部材の消耗を抑制することができる。このため、熱伝導部材を介在させることによる熱伝導効果の耐久性を長期化させることができる。さらに、着脱時に、冷却装置60を構成する部品同士を分離する必要がないので、分離箇所からの冷却液漏れの虞もなく、信頼性が向上する。   With such a configuration, maintenance of the image forming units 10Y, 10M, 10C, and 10K and the cooling device 60 is facilitated. Further, since the developing units 4Y, 4M, 4C, and 4K do not have to be separated from the heat receiving unit 61 at the time of attachment / detachment, a heat conductive sheet or the like is provided between the developing units 4Y, 4M, 4C, 4K and the heat receiving unit 61. When a heat conducting member such as heat conducting grease is interposed, consumption of these heat conducting members can be suppressed. For this reason, durability of the heat conductive effect by interposing a heat conductive member can be prolonged. Furthermore, since it is not necessary to separate the components constituting the cooling device 60 when attaching and detaching, there is no risk of leakage of the coolant from the separation location, and reliability is improved.

図16は、図1に示す複数の画像形成ユニット10Y,10M,10C,10Kのうち、1つの画像形成ユニットを示した図である。なお、図16において、各色の識別を表す添え字Y,M,C,Kは便宜的に省略している。
上述したように、現像ユニット4は感光体2に対して位置決めされており、この状態で現像ユニット4の現像ローラ40と感光体2との間には、現像ギャップGが保持されている。この現像ギャップGは、詳しくは、現像ローラ40の中心O40と感光体2の中心O2とを通る直線X上の最接近部の離間距離で設定される。
FIG. 16 is a diagram showing one image forming unit among the plurality of image forming units 10Y, 10M, 10C, and 10K shown in FIG. In FIG. 16, subscripts Y, M, C, and K representing the identification of each color are omitted for convenience.
As described above, the developing unit 4 is positioned with respect to the photosensitive member 2, and in this state, a developing gap G is maintained between the developing roller 40 of the developing unit 4 and the photosensitive member 2. The development gap G is more information is set at the distance of closest approach of a straight line X passing through the center O 40 of the developing roller 40 and the center O 2 of the photosensitive member 2.

また、現像ユニット4の下端面には受熱部61が当接して配設されている。すなわち、受熱部61と現像ユニット4は図の上下方向に当接している。一方、感光体2と現像ユニット4の現像ローラ40は互いに図の左右方向に対向している。従って、受熱部61と現像ユニット4の当接方向と、感光体2と現像ローラ40の対向方向は、互いに略直交するように構成されている。   Further, a heat receiving portion 61 is disposed in contact with the lower end surface of the developing unit 4. That is, the heat receiving portion 61 and the developing unit 4 are in contact with each other in the vertical direction in the figure. On the other hand, the photosensitive member 2 and the developing roller 40 of the developing unit 4 face each other in the left-right direction in the drawing. Therefore, the contact direction of the heat receiving portion 61 and the developing unit 4 and the facing direction of the photoreceptor 2 and the developing roller 40 are configured to be substantially orthogonal to each other.

ここで、感光体2と現像ユニット4の「対向方向」とは、詳しくは上述の現像ローラ40の中心O40と感光体2の中心O2とを通る直線Xの方向のことをいう。また、受熱部6
1と現像ユニット4の「当接方向」を、現像ユニット4が受熱部61との当接によって主として受ける力の方向と同方向と定義する。例えば、図17(a)に示すように、現像ユニット4と受熱部61との当接面が水平面状となっている場合は、現像ユニット4の当接面が受熱部61から受ける力f1は全て図の上方へ作用するため、それらの合力で示される主として受ける力F1は、やはり図の上方向となる。従って、この場合、上記「当接方向」は、主として受ける力F1と同方向である図の上方向となる。また、図17(b)に示すように、現像ユニット4と受熱部61との当接面が湾曲している場合は、現像ユニット4の当接面が受熱部61から受ける力f2は異なる方向となっているが、それらの合力で示される主として受ける力F2は、図の上方向となる。従って、この場合も、上記「当接方向」は、主として受ける力F1と同方向である図の上方向となる。なお、現像ユニット4と受熱部61との当接面を湾曲させた場合の方が、当接面を平面とした場合よりも当接面積(受熱面積)を大きく確保することができ、冷却効果を向上させることができる。
Here, the "opposite direction" of the photosensitive member 2 and the developing unit 4, specifically refers to the direction of a straight line X passing through the center O 40 above the developing roller 40 and the center O 2 of the photosensitive member 2. Moreover, the heat receiving part 6
1 and the “contact direction” of the developing unit 4 are defined as the same direction as the direction of the force that the developing unit 4 receives mainly by the contact with the heat receiving portion 61. For example, as shown in FIG. 17A, when the contact surface between the developing unit 4 and the heat receiving portion 61 is horizontal, the force f1 that the contact surface of the developing unit 4 receives from the heat receiving portion 61 is Since all of them act upward in the figure, the force F1 mainly received by the resultant force is also directed upward in the figure. Accordingly, in this case, the “contact direction” is the upward direction in the figure, which is mainly the same direction as the force F1 received. Further, as shown in FIG. 17B, when the contact surface between the developing unit 4 and the heat receiving portion 61 is curved, the force f2 received by the contact surface of the developing unit 4 from the heat receiving portion 61 is different. However, the force F2 mainly received by the resultant force is upward in the figure. Therefore, also in this case, the “contact direction” is an upward direction in the figure, which is mainly the same direction as the force F1 received. In addition, when the contact surface between the developing unit 4 and the heat receiving unit 61 is curved, a larger contact area (heat receiving area) can be secured than when the contact surface is a flat surface, and the cooling effect is improved. Can be improved.

一方、図21に示す従来例では、本発明と異なり、受熱部300と現像ユニット200の当接方向と、感光体100と現像ローラ210の対向方向が、略同方向に設定されている。この場合、現像ユニット200が受熱部300から受ける力の方向が、現像ギャップGの間隔方向と略同方向となるため、現像ギャップGが変化しやすい。従って、従来例は、現像ユニット200と受熱部300を当接させることにより、現像ギャップGが変化して、所定の画質を維持できなくなる虞がある。   On the other hand, in the conventional example shown in FIG. 21, unlike the present invention, the contact direction of the heat receiving unit 300 and the developing unit 200 and the facing direction of the photoconductor 100 and the developing roller 210 are set to be substantially the same direction. In this case, since the direction of the force received by the developing unit 200 from the heat receiving unit 300 is substantially the same as the direction of the gap of the developing gap G, the developing gap G is likely to change. Therefore, in the conventional example, when the developing unit 200 and the heat receiving unit 300 are brought into contact with each other, there is a possibility that the developing gap G changes and the predetermined image quality cannot be maintained.

これに対し、本発明では、受熱部61と現像ユニット4の当接方向と、感光体2と現像ローラ40の対向方向を、互いに略直交するように構成したことにより、現像ユニット4が受熱部61との当接によって主として受ける力の方向を、上記対向方向に対して略直交する方向に作用するようにしている。これにより、現像ユニット4が受熱部61との当接によって変位しても、現像ギャップGがそれの影響を受けにくくなる。従って、本発明によれば、現像ユニット4と受熱部61とが当接することによる現像ギャップGの変化を抑制することができ、現像ギャップGを高精度に維持することが可能となるので、高画質の画像形成が可能となる。特に、本実施例のように、受熱部61を加圧手段によって現像ユニット4に圧接している場合は、現像ユニット4が受ける力が大きくなり、現像ユニット4がより変位しやすくなるため、本発明のような構成とすることによって、現像ギャップGの変動を抑制することが重要となる。また、本発明によれば、上記当接方向と上記対向方向を略直交にするだけでよいので、現像ユニット4の位置を高精度に維持するための複雑な機構などは必要ない。このため、構造を簡素化することができると共に装置の小型化も図れる。   On the other hand, in the present invention, the developing unit 4 is configured so that the contact direction of the heat receiving unit 61 and the developing unit 4 and the facing direction of the photoreceptor 2 and the developing roller 40 are substantially orthogonal to each other. The direction of the force mainly received by contact with 61 acts in a direction substantially orthogonal to the facing direction. As a result, even if the developing unit 4 is displaced due to contact with the heat receiving portion 61, the developing gap G is less susceptible to the influence. Therefore, according to the present invention, a change in the development gap G due to the contact between the development unit 4 and the heat receiving portion 61 can be suppressed, and the development gap G can be maintained with high accuracy. Image quality can be formed. In particular, as in the present embodiment, when the heat receiving portion 61 is in pressure contact with the developing unit 4 by the pressurizing unit, the force received by the developing unit 4 increases and the developing unit 4 is more easily displaced. By adopting the configuration as in the invention, it is important to suppress the fluctuation of the development gap G. Further, according to the present invention, it is only necessary to make the contact direction and the facing direction substantially perpendicular to each other, so that a complicated mechanism for maintaining the position of the developing unit 4 with high accuracy is not necessary. For this reason, the structure can be simplified and the apparatus can be miniaturized.

なお、図16に示す実施例では、受熱部61を現像ユニット4の下面に当接させているが、図11や図13に示す実施例のように、受熱部61を現像ユニット4の上面に当接させることによっても、受熱部61と現像ユニット4の当接方向と、感光体2と現像ローラ40の対向方向を、互いに略直交させることができる。また、図16において、複数の受熱部を有する場合を例に挙げて説明したが、図11や図13に示すような複数の受熱部を一体的に構成した場合も同様の作用・効果を奏する。   In the embodiment shown in FIG. 16, the heat receiving portion 61 is in contact with the lower surface of the developing unit 4, but the heat receiving portion 61 is placed on the upper surface of the developing unit 4 as in the embodiments shown in FIGS. 11 and 13. The contact direction between the heat receiving portion 61 and the developing unit 4 and the facing direction between the photoconductor 2 and the developing roller 40 can also be made substantially orthogonal to each other by the contact. Further, in FIG. 16, the case of having a plurality of heat receiving portions has been described as an example, but the same operation and effect can be obtained when a plurality of heat receiving portions as shown in FIGS. 11 and 13 are integrally configured. .

また、図18は、図10に示す複数の画像形成ユニット10Y,10M,10C,10Kのうち、1つの画像形成ユニットを示した図である。なお、図18において、各色の識別を表す添え字Y,M,C,Kは便宜的に省略している。
この場合、現像ユニット4の図の右端面に受熱部61が当接して配設されている。すなわち、受熱部61と現像ユニット4は図の左右方向に当接している。一方、感光体2と現像ユニット4は互いに図の上下方向に対向している。従って、この場合も、受熱部61と現像ユニット4の当接方向と、感光体2と現像ローラ40の対向方向は、互いに略直交するように構成されている。なお、上記と同様に、感光体2と現像ローラ40の「対向方向」とは、現像ローラ40の中心O40と感光体2の中心O2とを通る直線Xの方向のことをいう。また、受熱部61と現像ユニット4の「当接方向」を、現像ユニット4が受熱部61との当接によって主として受ける力の方向と同方向と定義する。
FIG. 18 is a diagram showing one image forming unit among the plurality of image forming units 10Y, 10M, 10C, and 10K shown in FIG. In FIG. 18, subscripts Y, M, C, and K representing the identification of each color are omitted for convenience.
In this case, the heat receiving portion 61 is disposed in contact with the right end surface of the developing unit 4 in the drawing. That is, the heat receiving portion 61 and the developing unit 4 are in contact with each other in the left-right direction in the figure. On the other hand, the photoreceptor 2 and the developing unit 4 face each other in the vertical direction in the figure. Accordingly, also in this case, the contact direction of the heat receiving portion 61 and the developing unit 4 and the facing direction of the photosensitive member 2 and the developing roller 40 are configured to be substantially orthogonal to each other. Similarly to the above, the "opposite direction" of the photosensitive member 2 and the developing roller 40, refers to a direction of a straight line X passing through the center O 40 of the developing roller 40 and the center O 2 of the photosensitive member 2. Further, the “contact direction” between the heat receiving portion 61 and the developing unit 4 is defined as the same direction as the direction of the force that the developing unit 4 receives mainly by the contact with the heat receiving portion 61.

このように、受熱部61と現像ユニット4の当接方向と、感光体2と現像ローラ40の対向方向を、互いに略直交するように構成したことにより、上記と同様に、現像ユニット4が受熱部61との当接によって変位しても、現像ギャップGがそれの影響を受けにくくすることができる。これにより、現像ギャップGの変動を抑制することができ、高精度な現像ギャップGの保持が可能となる。   As described above, the abutting direction of the heat receiving portion 61 and the developing unit 4 and the facing direction of the photosensitive member 2 and the developing roller 40 are configured to be substantially orthogonal to each other. Even if the developing gap G is displaced by contact with the portion 61, the development gap G can be made less susceptible to the influence. Thereby, the fluctuation | variation of the developing gap G can be suppressed and the holding | maintenance of the developing gap G with high precision is attained.

また、図18において、複数の受熱部を有する場合を例に挙げて説明したが、図12又は図14に示すような複数の受熱部を一体的に構成した場合も同様の作用・効果を奏する。   Further, in FIG. 18, the case where a plurality of heat receiving portions are provided has been described as an example, but the same operation and effect can be achieved when a plurality of heat receiving portions as shown in FIG. 12 or 14 are integrally configured. .

図19に、本発明の実施例9の構成を示す。
図19は、画像形成装置内に配設された中間転写ベルト9の表面をクリーニングするクリーニングユニット43の概略図である。このクリーニングユニット43は、クリーニング部材としてのクリーニングブレード44及びクリーニングブラシ45と、フリッカー46と、搬送スクリュー47と、潤滑剤塗布手段としての塗布ブラシ48及び塗布ブレード49等を有している。
FIG. 19 shows the configuration of the ninth embodiment of the present invention.
FIG. 19 is a schematic diagram of a cleaning unit 43 that cleans the surface of the intermediate transfer belt 9 disposed in the image forming apparatus. The cleaning unit 43 includes a cleaning blade 44 and a cleaning brush 45 as cleaning members, a flicker 46, a conveying screw 47, an application brush 48 and an application blade 49 as lubricant application means, and the like.

中間転写ベルト9の走行方向の上流側から下流側(図の下方から上方)に向かって順に、クリーニングブラシ45、クリーニングブレード44、塗布ブラシ48、塗布ブレード49が中間転写ベルト9の表面に当接している。また、クリーニングユニット43は、図示しない位置決め手段によって中間転写ベルト9に対して位置決めされており、これにより、特にクリーニングブレード44は中間転写ベルト9に対して所定の接触圧及び接触角度で当接している。   The cleaning brush 45, the cleaning blade 44, the application brush 48, and the application blade 49 are in contact with the surface of the intermediate transfer belt 9 in order from the upstream side to the downstream side (from the lower side to the upper side in the drawing) of the intermediate transfer belt 9 in the traveling direction. ing. In addition, the cleaning unit 43 is positioned with respect to the intermediate transfer belt 9 by positioning means (not shown), and in particular, the cleaning blade 44 is in contact with the intermediate transfer belt 9 at a predetermined contact pressure and contact angle. Yes.

中間転写ベルト9を走行させると、その表面に付着した紙粉等がクリーニングブラシ45によって除去される。次いで、クリーニングブレード44によって中間転写ベルト9上の残留トナーが掻き取られる。そして、紙粉やトナーが除去された中間転写ベルト9の表面に、塗布ブラシ48によって潤滑剤が塗布され、その塗布された潤滑剤が塗布ブレード49によって中間転写ベルト9上に伸ばされる。また、上記クリーニングブラシ45に付着した紙粉等は、クリーニングブラシ45に接触するフリッカー46によって掻き出される。そして、その掻き出された紙粉や、上記クリーニングブレード44によって除去されたトナー等は、搬送スクリュー47によって搬送され、画像形成装置内の廃トナーと合流して集積される。   When the intermediate transfer belt 9 is run, paper dust and the like attached to the surface is removed by the cleaning brush 45. Next, the residual toner on the intermediate transfer belt 9 is scraped off by the cleaning blade 44. Then, a lubricant is applied to the surface of the intermediate transfer belt 9 from which paper dust and toner have been removed by the application brush 48, and the applied lubricant is extended onto the intermediate transfer belt 9 by the application blade 49. Further, paper dust or the like adhering to the cleaning brush 45 is scraped out by a flicker 46 that contacts the cleaning brush 45. Then, the scraped paper dust and the toner removed by the cleaning blade 44 are transported by the transport screw 47 and merged with the waste toner in the image forming apparatus and accumulated.

また、本実施例では、搬送スクリュー47による廃トナーの搬送動作に伴う発熱や、図示しない定着装置の熱などによって、クリーニングユニット43内の温度が上昇して、ユニット内でトナーが溶融して固着するのを防止するため、冷却装置の受熱部61をクリーニングユニット43に取り付けている。この冷却装置は、上記各実施例と同様の液冷式の構成を適用可能であるので、詳しい説明は省略する。   Further, in this embodiment, the temperature in the cleaning unit 43 rises due to heat generated by the transport operation of the waste toner by the transport screw 47 or the heat of the fixing device (not shown), and the toner melts and adheres in the unit. In order to prevent this, the heat receiving portion 61 of the cooling device is attached to the cleaning unit 43. Since this cooling device is applicable to the liquid-cooled configuration similar to each of the above embodiments, detailed description thereof is omitted.

ここで、受熱部61のクリーニングユニット43に対する当接方向Aは、クリーニングブレード44の中間転写ベルト9に対する当接方向Bと略直交するように構成されている。このため、クリーニングユニット43が受熱部61との当接によって主として受ける力の方向(矢印Aの方向)を、クリーニングブレード44の当接方向(矢印Bの方向)に対して略直交する方向に作用させることができる。   Here, the contact direction A of the heat receiving portion 61 with respect to the cleaning unit 43 is configured to be substantially orthogonal to the contact direction B of the cleaning blade 44 with respect to the intermediate transfer belt 9. For this reason, the direction of the force (in the direction of arrow A) that the cleaning unit 43 receives mainly by contact with the heat receiving portion 61 acts in a direction substantially orthogonal to the direction of contact of the cleaning blade 44 (in the direction of arrow B). Can be made.

これにより、クリーニングユニット43が受熱部61との当接によって変位しても、中間転写ベルト9とクリーニングブレード44との当接方向(矢印Bの方向)の位置関係がそれの影響を受けにくくなる。従って、中間転写ベルト9とクリーニングブレード44との当接方向の位置関係を高精度に維持することができ、中間転写ベルト9に対するクリーニングブレード44の接触圧や接触角度が変化するのを防止できるので、クリーニング性を良好に維持することが可能となる。また、受熱部61の当接方向とクリーニングブレード44の当接方向を略直交にするだけで、クリーニング効果とユニットの冷却の両方を実現することができるので、クリーニングユニット43の位置を高精度に維持するための複雑な機構などは必要ない。このため、構造を簡素化することができると共に装置の小型化も図れる。   As a result, even if the cleaning unit 43 is displaced by contact with the heat receiving portion 61, the positional relationship in the contact direction (the direction of the arrow B) between the intermediate transfer belt 9 and the cleaning blade 44 is less affected. . Accordingly, the positional relationship in the contact direction between the intermediate transfer belt 9 and the cleaning blade 44 can be maintained with high accuracy, and the contact pressure and contact angle of the cleaning blade 44 with respect to the intermediate transfer belt 9 can be prevented from changing. Therefore, it is possible to maintain good cleaning properties. In addition, both the cleaning effect and the cooling of the unit can be realized only by making the contact direction of the heat receiving portion 61 and the contact direction of the cleaning blade 44 substantially orthogonal, so that the position of the cleaning unit 43 can be set with high accuracy. There is no need for complex mechanisms to maintain. For this reason, the structure can be simplified and the apparatus can be miniaturized.

なお、本実施例9では、像担持体としての中間転写ベルトをクリーニングするクリーニングユニットに本発明を適用した場合を例に説明したが、像担持体としての感光体をクリーニングするクリーニングユニットにも同様に本発明の構成を適用可能である。   In the ninth embodiment, the case where the present invention is applied to the cleaning unit that cleans the intermediate transfer belt as the image carrier is described as an example, but the same applies to the cleaning unit that cleans the photosensitive member as the image carrier. The configuration of the present invention can be applied to.

以上、本発明の各実施例について説明したが、本発明は上述の実施例に限定されるものではなく、本発明の要旨を逸脱しない範囲で種々の変更を加え得ることは勿論である。例えば、上述の実施例では、受熱部61と現像ユニット4の当接方向と、感光体2と現像ローラ40の対向方向のうち、一方を上下方向(縦方向)とし、他方を左右方向(横方向)としているが、当接方向と対向方向が互いに略直交する方向であれば、特に方向は限定しない。例えば、当接方向と対向方向のうち、一方を前後方向とし、他方を左右方向としてもよい。   As mentioned above, although each Example of this invention was described, this invention is not limited to the above-mentioned Example, Of course, a various change can be added in the range which does not deviate from the summary of this invention. For example, in the above-described embodiment, one of the contact direction of the heat receiving unit 61 and the developing unit 4 and the facing direction of the photosensitive member 2 and the developing roller 40 is the vertical direction (vertical direction), and the other is the horizontal direction (horizontal direction). However, the direction is not particularly limited as long as the contact direction and the facing direction are substantially orthogonal to each other. For example, one of the contact direction and the facing direction may be the front-rear direction and the other may be the left-right direction.

また、上述の実施例では、現像ユニットと感光体とが位置決め板によって位置決めされ、現像ユニットが感光体と一体となった画像形成ユニットとして、画像形成装置本体に対して着脱される構成について説明したが、現像ユニットを単体で画像形成装置本体から着脱される構成であってもよい。この場合は、現像ユニットが画像形成装置本体に装着されることで、現像ユニットが画像形成装置本体に設けた位置決め手段によって位置決めされ、感光体と現像ローラとの間の現像ギャップが所定の間隔に保持される。このように、現像ユニットを単体で着脱可能な構成であっても、上記のように、受熱部と現像ユニットの当接方向と、感光体と現像ローラの対向方向を、互いに略直交するように構成したことによって、高精度な現像ギャップの保持が可能となる。   Further, in the above-described embodiments, the configuration in which the developing unit and the photoconductor are positioned by the positioning plate and the developing unit is integrated with the photoconductor as an image forming unit is described as being detachable from the image forming apparatus main body. However, the developing unit may be detachably attached to the image forming apparatus main body. In this case, when the developing unit is mounted on the image forming apparatus main body, the developing unit is positioned by positioning means provided on the image forming apparatus main body, and the developing gap between the photosensitive member and the developing roller is set at a predetermined interval. Retained. As described above, the contact direction between the heat receiving portion and the development unit and the facing direction between the photoconductor and the development roller are substantially orthogonal to each other even when the development unit is detachable as described above. With this configuration, it is possible to maintain a highly accurate development gap.

また、本発明は、現像ローラと感光体との間に現像ギャップを形成して現像を行う2成分現像方式を採用した画像形成装置について説明したが、現像ローラを感光体に接触させて現像を行う1成分現像方式を採用した画像形成装置にも適用可能である。この1成分現像方式を採用した画像形成装置においても、従来例のように、受熱部と現像ユニットの当接方向と、感光体と現像ローラの対向方向(当接方向)を、略同方向に設定すると、現像ユニットに受熱部を当接又は圧接させることで、現像ローラと感光体との接触圧が高くなるなどの不具合を生じる。これに対し、本発明のように、受熱部と現像ユニットの当接方向と、感光体と現像ローラの対向方向(当接方向)を、略直交するように構成することによって、受熱部の当接による現像ローラと感光体との接触圧の上昇などを抑制することが可能である。   The present invention has been described with respect to an image forming apparatus that employs a two-component development system in which a development gap is formed between a developing roller and a photosensitive member. However, development is performed by bringing the developing roller into contact with the photosensitive member. The present invention can also be applied to an image forming apparatus that employs a one-component developing method. Also in an image forming apparatus employing this one-component development method, the contact direction between the heat receiving portion and the development unit and the facing direction (contact direction) between the photosensitive member and the development roller are substantially the same as in the conventional example. When set, the heat receiving portion is brought into contact with or pressed against the developing unit, thereby causing a problem such as an increase in contact pressure between the developing roller and the photosensitive member. In contrast, as in the present invention, the contact direction of the heat receiving portion and the developing unit and the facing direction (contact direction) of the photosensitive member and the developing roller are configured to be substantially orthogonal to each other, so It is possible to suppress an increase in contact pressure between the developing roller and the photosensitive member due to contact.

また、本発明は、図1に示すような中間転写タンデム方式のカラー画像形成装置に限らない。例えば、図20に示すように、搬送手段としての搬送ベルト80によって搬送される記録用紙に、各感光体2Y,2M,2C,2Kに形成した画像を直接転写する直接転写タンデム方式のカラー画像形成装置にも適用できる。また、本発明を、カラー画像形成装置に限らず、画像形成ユニット(又は感光体)を1つのみ有するモノクロ画像形成装置にも適用可能である。   The present invention is not limited to an intermediate transfer tandem color image forming apparatus as shown in FIG. For example, as shown in FIG. 20, a direct transfer tandem type color image formation that directly transfers an image formed on each of the photoreceptors 2Y, 2M, 2C, and 2K onto a recording sheet conveyed by a conveyance belt 80 as a conveyance unit. It can also be applied to devices. Further, the present invention is not limited to a color image forming apparatus, but can be applied to a monochrome image forming apparatus having only one image forming unit (or a photoreceptor).

2 感光体(像担持体)
4 現像ユニット
6 露光ユニット(潜像形成手段)
9 中間転写ベルト(中間転写回転体)
15 定着装置
18 両面印刷用搬送装置
31 前位置決め板(位置決め手段)
32 奥位置決め板(位置決め手段)
40 現像ローラ(現像剤担持体)
43 クリーニングユニット
44 クリーニングブレード(クリーニング部材)
60 冷却装置
61 受熱部
62 冷却部
63 循環パイプ(流路)
64 冷却ポンプ(冷却液搬送手段)
66 ラジエータ
67 冷却ファン
2 Photoconductor (image carrier)
4 Development unit 6 Exposure unit (latent image forming means)
9 Intermediate transfer belt (intermediate transfer rotating body)
15 Fixing device 18 Transport device for double-sided printing 31 Front positioning plate (positioning means)
32 Back positioning plate (positioning means)
40 Development roller (developer carrier)
43 Cleaning unit 44 Cleaning blade (cleaning member)
60 Cooling device 61 Heat receiving part 62 Cooling part 63 Circulation pipe (flow path)
64 Cooling pump (coolant transport means)
66 Radiator 67 Cooling fan

特開平10−133550号公報JP-A-10-133550 特開2005−164927号公報JP 2005-164927 A

Claims (16)

像担持体と、当該像担持体に現像剤を供給する現像剤担持体を有する現像ユニットと、当該現像ユニットを前記像担持体に対して位置決めする位置決め手段と、前記現像ユニットに当接可能に配設された受熱部を有する冷却装置とを備えた画像形成装置において、
前記受熱部と前記現像ユニットとの当接方向を、前記像担持体と前記現像剤担持体との対向方向に対して略直交するように構成したことを特徴とする画像形成装置。
An image carrier, a developing unit having a developer carrier for supplying a developer to the image carrier, positioning means for positioning the developer unit with respect to the image carrier, and contact with the development unit In an image forming apparatus provided with a cooling device having a heat receiving portion disposed,
An image forming apparatus, wherein a contact direction between the heat receiving portion and the developing unit is configured to be substantially perpendicular to a facing direction between the image carrier and the developer carrier.
前記受熱部を前記現像ユニットに加圧する加圧手段を備えた請求項1に記載の画像形成装置。   The image forming apparatus according to claim 1, further comprising a pressurizing unit that pressurizes the heat receiving unit against the developing unit. 前記現像ユニットを複数備え、前記冷却装置は各現像ユニットに当接可能な1つの前記受熱部を有する請求項1又は2に記載の画像形成装置。   The image forming apparatus according to claim 1, wherein the image forming apparatus includes a plurality of the developing units, and the cooling device includes one heat receiving portion that can contact each developing unit. 前記像担持体に静電潜像を形成する潜像形成手段を備え、当該潜像形成手段と前記現像ユニットの両方に前記受熱部を当接可能に構成した請求項1から3のいずれか1項に記載の画像形成装置。   4. The apparatus according to claim 1, further comprising: a latent image forming unit configured to form an electrostatic latent image on the image carrier, wherein the heat receiving unit can be brought into contact with both the latent image forming unit and the developing unit. The image forming apparatus described in the item. 前記現像ユニットを上下方向に複数並設し、各現像ユニットに対する前記冷却装置の冷却能力を、上側に配設した前記現像ユニットほど高くなるように構成した請求項1から4のいずれか1項に記載の画像形成装置。   5. The apparatus according to claim 1, wherein a plurality of the developing units are arranged side by side in a vertical direction, and the cooling capacity of the cooling device with respect to each developing unit is configured to be higher as the developing unit disposed on the upper side. The image forming apparatus described. 前記現像ユニットを複数備えると共に、熱によって記録媒体に画像を定着させる定着装置を備え、各現像ユニットに対する前記冷却装置の冷却能力を、前記定着装置に近い位置に配設した前記現像ユニットほど高くなるように構成した請求項1から5のいずれか1項に記載の画像形成装置。   A plurality of the developing units and a fixing device that fixes an image on a recording medium by heat are provided, and the cooling capacity of the cooling device with respect to each developing unit becomes higher as the developing unit is disposed closer to the fixing device. The image forming apparatus according to claim 1, configured as described above. 前記像担持体と前記現像ユニットをそれぞれ複数備えると共に、各像担持体から転写された画像を記録媒体に転写する中間転写回転体と、熱によって記録媒体に画像を定着させる定着装置と、定着後の記録媒体を両面印刷のために再び前記中間転写回転体へ搬送する両面印刷用搬送装置を備え、
各現像ユニットに対する前記冷却装置の冷却能力を、前記中間転写回転体の記録媒体への転写位置を始点として回転方向の上流側に配設された前記現像ユニットほど高くなるように構成した請求項1から6のいずれか1項に記載の画像形成装置。
A plurality of image carriers and a plurality of the developing units, an intermediate transfer rotator for transferring an image transferred from each image carrier to a recording medium, a fixing device for fixing the image on the recording medium by heat, and a post-fixing A double-sided printing transport device that transports the recording medium to the intermediate transfer rotator again for double-sided printing,
The cooling capacity of the cooling device with respect to each developing unit is configured to increase as the developing unit disposed upstream in the rotation direction starts from the transfer position of the intermediate transfer rotator to the recording medium. 7. The image forming apparatus according to any one of items 1 to 6.
前記冷却装置は、前記受熱部と、冷却液を冷却する冷却部と、前記冷却液を搬送するための流路と、当該流路を介して前記冷却部から前記受熱部へ冷却液を搬送する冷却液搬送手段とを備えた請求項1から7のいずれか1項に記載の画像形成装置。   The cooling device conveys the cooling liquid from the cooling section to the heat receiving section via the flow path, a cooling section that cools the cooling liquid, a flow path for conveying the cooling liquid, and the flow path. The image forming apparatus according to claim 1, further comprising a cooling liquid transport unit. 前記現像ユニットと前記冷却装置を一体的に画像形成装置本体に対して着脱可能に構成した請求項8に記載の画像形成装置。   The image forming apparatus according to claim 8, wherein the developing unit and the cooling device are configured to be detachable with respect to the main body of the image forming apparatus. 前記現像ユニットを複数備え、温度上昇しやすい前記現像ユニットから順に、前記受熱部に前記冷却液を搬送するように構成した請求項8又は9に記載の画像形成装置。   The image forming apparatus according to claim 8 or 9, wherein a plurality of the developing units are provided, and the cooling liquid is conveyed to the heat receiving portion in order from the developing units that are likely to rise in temperature. 前記現像ユニットを複数備え、温度上昇しやすい前記現像ユニットほど、前記受熱部との当接面積を大きくするように構成した請求項8から10のいずれか1項に記載の画像形成装置。   11. The image forming apparatus according to claim 8, wherein a plurality of the developing units are provided, and the developing unit that is likely to increase in temperature is configured to have a larger contact area with the heat receiving unit. 前記現像ユニットを複数備え、温度上昇しやすい前記現像ユニットほど、前記受熱部に搬送する前記冷却液の単位時間当たりの流量を多くするように構成した請求項8から11のいずれか1項に記載の画像形成装置。   12. The structure according to claim 8, wherein a plurality of the development units are provided, and the flow rate per unit time of the cooling liquid transported to the heat receiving unit is increased as the development unit easily rises in temperature. Image forming apparatus. 前記現像ユニットを複数備えると共に、各現像ユニットに対応させて前記冷却部を1つずつ配設し、温度上昇しやすい前記現像ユニットほど、対応した前記冷却部の冷却効果を高くなるように構成した請求項8から12のいずれか1項に記載の画像形成装置。   A plurality of the developing units are provided, and the cooling units are arranged one by one so as to correspond to each developing unit, and the developing unit that easily rises in temperature is configured to increase the cooling effect of the corresponding cooling unit. The image forming apparatus according to claim 8. 前記冷却部は、前記冷却液を放熱させるラジエータを備え、温度上昇しやすい前記現像ユニットほど、対応した前記ラジエータのサイズを大きくした請求項13に記載の画像形成装置。   The image forming apparatus according to claim 13, wherein the cooling unit includes a radiator that dissipates heat of the cooling liquid, and the size of the corresponding radiator is increased as the developing unit easily increases in temperature. 前記冷却部は、前記冷却液を放熱させるラジエータと、当該ラジエータに送風する冷却ファンとを備え、温度上昇しやすい前記現像ユニットほど、対応した前記冷却ファンの風量を多くするように構成した請求項13又は14に記載の画像形成装置。   The cooling unit includes a radiator that radiates heat of the cooling liquid and a cooling fan that blows air to the radiator, and the developing unit that easily rises in temperature increases the air volume of the corresponding cooling fan. The image forming apparatus according to 13 or 14. 像担持体と、当該像担持体に当接してクリーニングするクリーニング部材を有するクリーニングユニットと、当該クリーニングユニットを前記像担持体に対して位置決めする位置決め手段と、前記クリーニングユニットに当接可能に配設された受熱部を有する冷却装置とを備えた画像形成装置において、
前記受熱部と前記クリーニングユニットとの当接方向を、前記像担持体と前記クリーニング部材との当接方向に対して略直交するように構成したことを特徴とする画像形成装置。
An image carrier, a cleaning unit having a cleaning member that contacts and cleans the image carrier, a positioning unit that positions the cleaning unit with respect to the image carrier, and a contactable member disposed on the cleaning unit And an image forming apparatus including a cooling device having a heat receiving portion.
An image forming apparatus, wherein a contact direction between the heat receiving portion and the cleaning unit is substantially orthogonal to a contact direction between the image carrier and the cleaning member.
JP2010124239A 2009-06-01 2010-05-31 Image forming apparatus Expired - Fee Related JP5557096B2 (en)

Priority Applications (1)

Application Number Priority Date Filing Date Title
JP2010124239A JP5557096B2 (en) 2009-06-01 2010-05-31 Image forming apparatus

Applications Claiming Priority (3)

Application Number Priority Date Filing Date Title
JP2009132202 2009-06-01
JP2009132202 2009-06-01
JP2010124239A JP5557096B2 (en) 2009-06-01 2010-05-31 Image forming apparatus

Publications (2)

Publication Number Publication Date
JP2011013669A true JP2011013669A (en) 2011-01-20
JP5557096B2 JP5557096B2 (en) 2014-07-23

Family

ID=43592560

Family Applications (1)

Application Number Title Priority Date Filing Date
JP2010124239A Expired - Fee Related JP5557096B2 (en) 2009-06-01 2010-05-31 Image forming apparatus

Country Status (1)

Country Link
JP (1) JP5557096B2 (en)

Cited By (3)

* Cited by examiner, † Cited by third party
Publication number Priority date Publication date Assignee Title
JP2012234034A (en) * 2011-04-28 2012-11-29 Ricoh Co Ltd Image forming apparatus
JP2017173773A (en) * 2016-03-17 2017-09-28 株式会社リコー Cooling device and image forming apparatus
JP2019101155A (en) * 2017-11-30 2019-06-24 京セラドキュメントソリューションズ株式会社 Image formation device

Citations (12)

* Cited by examiner, † Cited by third party
Publication number Priority date Publication date Assignee Title
JPH0850412A (en) * 1994-05-31 1996-02-20 Ricoh Co Ltd Image forming device
JP2002365888A (en) * 2001-06-12 2002-12-18 Ricoh Co Ltd Image forming device
JP2005148659A (en) * 2003-11-19 2005-06-09 Ricoh Co Ltd Cooling device and image forming apparatus provided with the same
JP2005164927A (en) * 2003-12-02 2005-06-23 Canon Inc Image forming apparatus
JP2006091095A (en) * 2004-09-21 2006-04-06 Fuji Xerox Co Ltd Image forming apparatus and double-sided unit
JP2006235655A (en) * 2006-06-08 2006-09-07 Brother Ind Ltd Image forming apparatus
JP2007047540A (en) * 2005-08-11 2007-02-22 Ricoh Co Ltd Image forming apparatus
JP2007052052A (en) * 2005-08-15 2007-03-01 Fuji Xerox Co Ltd Image forming apparatus and electronic device
JP2007206198A (en) * 2006-01-31 2007-08-16 Ricoh Co Ltd Cooling method, cooling device, and image forming apparatus
JP2007324498A (en) * 2006-06-05 2007-12-13 Ricoh Co Ltd Cooling method, cooling device, and image forming apparatus
JP2008216709A (en) * 2007-03-06 2008-09-18 Kyocera Mita Corp Image forming apparatus
JP2009069318A (en) * 2007-09-12 2009-04-02 Ricoh Co Ltd Developing device and image forming apparatus

Patent Citations (12)

* Cited by examiner, † Cited by third party
Publication number Priority date Publication date Assignee Title
JPH0850412A (en) * 1994-05-31 1996-02-20 Ricoh Co Ltd Image forming device
JP2002365888A (en) * 2001-06-12 2002-12-18 Ricoh Co Ltd Image forming device
JP2005148659A (en) * 2003-11-19 2005-06-09 Ricoh Co Ltd Cooling device and image forming apparatus provided with the same
JP2005164927A (en) * 2003-12-02 2005-06-23 Canon Inc Image forming apparatus
JP2006091095A (en) * 2004-09-21 2006-04-06 Fuji Xerox Co Ltd Image forming apparatus and double-sided unit
JP2007047540A (en) * 2005-08-11 2007-02-22 Ricoh Co Ltd Image forming apparatus
JP2007052052A (en) * 2005-08-15 2007-03-01 Fuji Xerox Co Ltd Image forming apparatus and electronic device
JP2007206198A (en) * 2006-01-31 2007-08-16 Ricoh Co Ltd Cooling method, cooling device, and image forming apparatus
JP2007324498A (en) * 2006-06-05 2007-12-13 Ricoh Co Ltd Cooling method, cooling device, and image forming apparatus
JP2006235655A (en) * 2006-06-08 2006-09-07 Brother Ind Ltd Image forming apparatus
JP2008216709A (en) * 2007-03-06 2008-09-18 Kyocera Mita Corp Image forming apparatus
JP2009069318A (en) * 2007-09-12 2009-04-02 Ricoh Co Ltd Developing device and image forming apparatus

Cited By (4)

* Cited by examiner, † Cited by third party
Publication number Priority date Publication date Assignee Title
JP2012234034A (en) * 2011-04-28 2012-11-29 Ricoh Co Ltd Image forming apparatus
JP2017173773A (en) * 2016-03-17 2017-09-28 株式会社リコー Cooling device and image forming apparatus
JP2019101155A (en) * 2017-11-30 2019-06-24 京セラドキュメントソリューションズ株式会社 Image formation device
JP7031257B2 (en) 2017-11-30 2022-03-08 京セラドキュメントソリューションズ株式会社 Image forming device

Also Published As

Publication number Publication date
JP5557096B2 (en) 2014-07-23

Similar Documents

Publication Publication Date Title
JP5880998B2 (en) Cooling device, image forming apparatus
US9423730B2 (en) Cooling device and image forming apparatus including same
US8792800B2 (en) Cooling device and image forming apparatus including same
US9046858B2 (en) Cooling device and image forming apparatus including same
US20150217586A1 (en) Cooling device and image forming apparatus
US8768198B2 (en) Image forming apparatus with cooling unit
US9158274B2 (en) Image forming apparatus
JP2016126197A (en) Developing device and image forming apparatus
JP5252273B2 (en) Developing device and image forming apparatus
JP5026202B2 (en) Developing device and image forming apparatus
JP5392617B2 (en) Image forming apparatus
JP5557096B2 (en) Image forming apparatus
CN100561377C (en) imaging device
JP5111249B2 (en) COOLING DEVICE, IMAGE FORMING DEVICE, AND COOLING METHOD
JP5818131B2 (en) Cooling device and image forming apparatus
JP2007047540A (en) Image forming apparatus
JP2014115402A (en) Developing device, and image forming apparatus
JP6735028B2 (en) Toner container, process cartridge, and image forming apparatus
JP7718890B2 (en) Image forming device
JP2013008065A (en) Image forming apparatus
JP2005062683A (en) Image forming apparatus
JP5757408B2 (en) Image forming apparatus
JP5532403B2 (en) Developing device and image forming apparatus
JP2012150254A (en) Image forming apparatus
JP5500429B2 (en) Image forming apparatus

Legal Events

Date Code Title Description
A621 Written request for application examination

Free format text: JAPANESE INTERMEDIATE CODE: A621

Effective date: 20130306

A131 Notification of reasons for refusal

Free format text: JAPANESE INTERMEDIATE CODE: A131

Effective date: 20131108

A977 Report on retrieval

Free format text: JAPANESE INTERMEDIATE CODE: A971007

Effective date: 20131113

A521 Request for written amendment filed

Free format text: JAPANESE INTERMEDIATE CODE: A523

Effective date: 20131226

RD02 Notification of acceptance of power of attorney

Free format text: JAPANESE INTERMEDIATE CODE: A7422

Effective date: 20131226

A131 Notification of reasons for refusal

Free format text: JAPANESE INTERMEDIATE CODE: A131

Effective date: 20140331

A521 Request for written amendment filed

Free format text: JAPANESE INTERMEDIATE CODE: A523

Effective date: 20140408

A521 Request for written amendment filed

Free format text: JAPANESE INTERMEDIATE CODE: A523

Effective date: 20140423

TRDD Decision of grant or rejection written
A01 Written decision to grant a patent or to grant a registration (utility model)

Free format text: JAPANESE INTERMEDIATE CODE: A01

Effective date: 20140509

A61 First payment of annual fees (during grant procedure)

Free format text: JAPANESE INTERMEDIATE CODE: A61

Effective date: 20140522

R151 Written notification of patent or utility model registration

Ref document number: 5557096

Country of ref document: JP

Free format text: JAPANESE INTERMEDIATE CODE: R151

LAPS Cancellation because of no payment of annual fees