JP2010097453A - 光学的情報読取装置 - Google Patents

光学的情報読取装置 Download PDF

Info

Publication number
JP2010097453A
JP2010097453A JP2008268277A JP2008268277A JP2010097453A JP 2010097453 A JP2010097453 A JP 2010097453A JP 2008268277 A JP2008268277 A JP 2008268277A JP 2008268277 A JP2008268277 A JP 2008268277A JP 2010097453 A JP2010097453 A JP 2010097453A
Authority
JP
Japan
Prior art keywords
reading
code
information
image
reading area
Prior art date
Legal status (The legal status is an assumption and is not a legal conclusion. Google has not performed a legal analysis and makes no representation as to the accuracy of the status listed.)
Granted
Application number
JP2008268277A
Other languages
English (en)
Other versions
JP5104713B2 (ja
Inventor
Shiro Ito
史朗 伊藤
Current Assignee (The listed assignees may be inaccurate. Google has not performed a legal analysis and makes no representation or warranty as to the accuracy of the list.)
Denso Wave Inc
Original Assignee
Denso Wave Inc
Priority date (The priority date is an assumption and is not a legal conclusion. Google has not performed a legal analysis and makes no representation as to the accuracy of the date listed.)
Filing date
Publication date
Application filed by Denso Wave Inc filed Critical Denso Wave Inc
Priority to JP2008268277A priority Critical patent/JP5104713B2/ja
Publication of JP2010097453A publication Critical patent/JP2010097453A/ja
Application granted granted Critical
Publication of JP5104713B2 publication Critical patent/JP5104713B2/ja
Active legal-status Critical Current
Anticipated expiration legal-status Critical

Links

Images

Abstract

【課題】ポイントスキャン機能と、一括読取機能とを備えた光学的情報読取装置において、読取対象コードに応じてポイントスキャン機能と一括読取機能とを迅速かつ適切に使い分けることができる構成を提供する。
【解決手段】光学的情報読取装置10は、撮像した読取対象の画像においてマーカ光の照射位置を特定すると共に、この照射位置付近に位置する照射対象コードを読み取る第1読取エリアと、第1読取エリアよりも広い第2読取エリアとを設定可能に構成されている。更に、第1読取エリアについてのデコード処理が所定の失敗状態となったときに、第2読取エリアについてデコード処理を行う構成をなしている。
【選択図】図3

Description

本発明は、光学的情報読取装置に関するものである。
バーコードリーダ等の光学的情報読取装置の分野では、レーザ光などのマーカ光を読取対象に向けて照射する技術が提供されている。この種の装置では、読取対象の撮像領域内にマーカ光が照射されるようになっており、ユーザが撮像領域を視覚的に把握できる構成となっている。
特開2008−176636公報
ところで、上記のような構成(即ち、マーカ光を照射可能に構成された光学的情報読取装置)において、いわゆるポイントスキャン機能を備えた技術も考えられている。このポイントスキャン機能は、マーカ光が照射された位置の情報コードを読取対象コードとして読み取る機能であり、この機能によれば、ユーザが読取対象コードを簡易に指定でき、複数の情報コードを含んだ画像が撮像された場合であっても、デコードすべき情報コードを的確に特定できるようになる。
一方、バーコード等の情報コードは、様々な種類があり、それぞれ独立して読み取られることを前提とした単一コードのみならず、一括して読み取られることを前提とした情報コード群(いわゆる多段コード等)なども提供されている。このような情報コード群の読み取りは、一般的には、当該情報コード群を構成する全ての情報コードを一括して撮像し、それら情報コード全てをデコードするといった方法でなされる。例えば、複数のバーコードによって構成される多段コードを読み取る場合、当該多段コードを構成する複数のバーコードを一括して撮像し、これらバーコードを全てデコードすることで当該多段コードによって表されるデータを取得できることとなる。
しかしながら、上記のようなポイントスキャン機能を備えた装置で多段コードなどを読み取る場合、読み取りを良好に行えないという問題がある。即ち、ポイントスキャン機能を利用する場合、マーカ光が照射された情報コードを選択的に読み取ることができる反面、対象が多段コードである場合には、多段コードの一部のみが読み取り対象として指定されてしまい、当該多段コード全体を読み取ることができないという問題がある。
本発明は、上述した課題を解決するためになされたものであり、マーカ光照射位置付近の情報コードを選択的に読取可能な機能(ポイントスキャン機能)と、複数の情報コードからなる情報コード群を一括して読み取る機能(一括読取機能)と、を備えた光学的情報読取装置において、読取対象コードに応じてポイントスキャン機能と一括読取機能とを迅速かつ適切に使い分けることができる構成を提供することを目的とする。
上記目的を達成するため、請求項1の発明は、情報コードが付された読取対象を撮像する撮像手段と、前記撮像手段によって撮像された前記読取対象の画像データを記憶する記憶手段と、前記画像データによって構成される前記読取対象の画像において読取エリアを設定する読取エリア設定手段と、前記読取エリア設定手段にて設定された前記読取エリアについてデコード処理を行うデコード手段と、を備えた光学的情報読取装置であって、マーカ光を照射するマーカ光照射手段と、前記読取対象の前記画像における前記マーカ光の照射位置を特定する照射位置特定手段と、を備え、前記読取エリア設定手段は、前記読取対象の前記画像において、前記照射位置付近に位置する照射対象コードを読み取る第1読取エリアを設定する第1読取エリア設定手段と、前記第1読取エリアよりも広い第2読取エリアを設定する第2読取エリア設定手段と、を有し、前記デコード手段は、前記第1読取エリアについての前記デコード処理が所定の失敗状態となったときに、前記第2読取エリアについて前記デコード処理を行うことを特徴とする。
請求項2の発明は、請求項1に記載の光学的情報読取装置において、前記第1読取エリア設定手段は、前記照射位置付近に位置する前記照射対象コードを含んだ領域であって、且つ前記照射対象コード以外の他の前記情報コードを含まない領域を前記第1読取エリアとして設定し、前記第2読取エリア設定手段は、前記照射対象コードを含み、且つ前記照射対象コード以外の他の前記情報コードを含んだ領域を前記第2読取エリアとして設定することを特徴とする。
請求項3の発明は、請求項1又は請求項2に記載の光学的情報読取装置において、前記第2読取エリア設定手段は、前記読取対象の前記画像に含まれる全ての前記情報コードを含んだ領域を前記第2読取エリアとして設定することを特徴とする。
請求項4の発明は、請求項1から請求項3のいずれか一項に記載の光学的情報読取装置において、各情報コードを単一コードとして読み取る第1モードと、複数の前記情報コードによって構成される情報コード群を一括して読み取り可能な第2モードとを切り替えるモード切替手段を有し、前記デコード手段は、前記モード切替手段により前記第1モードに設定された場合、前記照射位置に配される前記情報コードを単一コードとして前記デコード処理を行うことを特徴とする。
請求項5の発明は、請求項1から請求項4のいずれか一項に記載の光学的情報読取装置において、各情報コードを単一コードとして読み取る第1モードと、複数の前記情報コードによって構成される情報コード群を一括して読み取り可能な第2モードとを切り替えるモード切替手段を有し、前記デコード手段は、前記モード切替手段により前記第2モードに設定された場合、前記照射位置に配される前記情報コードを前記照射対象コードとして前記デコード処理を行い、当該照射対象コードのデコード結果が前記所定の失敗状態となったときに、前記第2読取エリア内の前記情報コード群について前記デコード処理を行うことを特徴とする。
請求項6の発明は、請求項1から請求項5のいずれか一項に記載の光学的情報読取装置において、前記撮像手段は、前記情報コードが付された前記読取対象を、第1のタイミング及び第2のタイミングで撮像し、前記照射位置特定手段は、前記第1のタイミングで撮像されたときの第1画像内でのマーカ光の座標に基づき、前記第2のタイミングで撮像されたときの第2画像において前記照射位置を特定し、前記読取エリア設定手段は、前記第2画像において前記読取エリアを設定し、前記デコード手段は、前記第2画像にて設定された前記読取エリアについて前記デコード処理を行う構成をなしており、更に、前記撮像手段により前記第1のタイミングで前記第1画像を撮像するときの撮像条件と、前記第2のタイミングで前記第2画像を撮像するときの撮像条件とを切り替える撮像条件切替手段が設けられていることを特徴とする。
請求項7の発明は、請求項1から請求項6のいずれか一項に記載の光学的情報読取装置において、前記撮像手段は、前記情報コードが付された前記読取対象を、第1のタイミング及び第2のタイミングで撮像し、前記記憶手段は、前記第1のタイミングで撮像されたときの第1画像データを第1記憶領域に記憶し、前記第2のタイミングで撮像されたときの第2画像データを前記第1記憶領域とは異なる第2記憶領域に記憶し、前記照射位置特定手段は、前記第1画像データによって構成される第1画像内でのマーカ光の座標に基づき、前記第2画像データによって構成される第2画像において前記照射位置を特定し、前記読取エリア設定手段は、前記第2画像において前記読取エリアを設定し、前記デコード手段は、前記第2画像にて設定された前記読取エリアについて前記デコード処理を行うことを特徴とする。
請求項8の発明は、請求項1から請求項7のいずれか一項に記載の光学的情報読取装置において、前記デコード手段は、前記第1読取エリアについて前記デコード処理を行ったときのデコード結果に基づき、前記照射対象コードが、複数の情報コードを一括して読み取らせる情報コード群の一部であるか、単一コードであるかを判断する判断手段を有し、前記判断手段により前記照射対象コードが前記情報コード群の一部と判断される場合に、前記第2読取エリアに含まれる前記情報コード群について前記デコード処理を行うことを特徴とする。
請求項9の発明は、請求項8に記載の光学的情報読取装置において、前記情報コード群は、予め定められた1又は複数の特定種類の前記情報コードによって構成されるものであり、前記判断手段は、前記照射対象コードが前記特定種類の前記情報コードである場合に、前記情報コード群の一部と判断することを特徴とする。
請求項10の発明は、請求項8又は請求項9に記載の光学的情報読取装置において、前記情報コード群は、特定データを含んだ前記情報コードが複数集合して構成されるものであり、前記判断手段は、前記照射対象コードが前記特定データを含む場合に前記情報コード群の一部と判断することを特徴とする。
請求項11の発明は、請求項1から請求項10のいずれか一項に記載の光学的情報読取装置において、前記デコード手段は、前記読取対象の前記画像において前記照射位置特定手段にて特定される前記照射位置に前記情報コードが存在しないときに前記第2読取エリアの前記デコード処理を行うことを特徴とする。
請求項1の発明は、読取対象の画像において、マーカ光照射位置付近に位置する照射対象コードを読み取る第1読取エリアを設定し、この第1読取エリアについてのデコード処理が所定の失敗状態となったときに、第1読取エリアよりも広い第2読取エリアについてデコード処理を行うように構成されている。このようにすると、まずマーカ光によって指定される照射対象コードを選択的に読み取ることができ、ポイントスキャン機能を良好に実現できる。一方、照射対象コードのデコードが失敗したときには読取エリアを広げて読み取りが行われるため、多段コード等を迅速且つ良好に読み取りやすくなる。
請求項2の発明は、マーカ光照射位置付近に位置する照射対象コードを含んだ領域であって、且つ照射対象コード以外の他の情報コードを含まない領域を第1読取エリアとして設定しているため、照射対象コードを適切に特定した第1読取エリアを設定でき、照射対象コードのみを選択的にデコードしうる構成を良好に実現できる。一方、照射対象コードを含み、且つ照射対象コード以外の他の情報コードを含んだ領域を第2読取エリアとして設定している。このようにすると、複数の情報コードを含んだ第2読取エリアを適切に設定でき、照射対象コードのデコードが失敗したときに、複数の情報コードの一括読取に迅速且つ適切に移行できる。
請求項3の発明は、読取対象の画像に含まれる全ての情報コードを含んだ領域を第2読取エリアとして設定しており、この構成によれば、照射対象コードのデコードが失敗したときに画像内に存在する情報コードを迅速に一括読取することができる。
請求項4の発明は、各情報コードを単一コードとして読み取る第1モードと、複数の情報コードによって構成される情報コード群を一括して読み取り可能な第2モードとを切り替えるモード切替手段を有している。この構成によれば、ポイントスキャン機能を実行するモードと、一括読取可能なモードとを必要に応じて切り替えることができる。特に、ポイントスキャン機能を実行する第1モードでは、照射位置に配される情報コードを単一コードとしてデコード処理が行われるため、マーカによって指し示された情報コードをのみを選択的に読み取りたい場合に有利となる。
請求項5の発明は、各情報コードを単一コードとして読み取る第1モードと、複数の情報コードによって構成される情報コード群を一括して読み取り可能な第2モードとを切り替えるモード切替手段を有している。この構成によれば、ポイントスキャン機能を実行するモードと、一括読取可能なモードとを必要に応じて切り替えることができる。更に、第2モードに設定された場合、照射位置に配される情報コードを照射対象コードとしてデコード処理を行い、当該照射対象コードのデコード結果が所定の失敗状態となったときに、第2読取エリア内の情報コード群についてデコード処理を行うように構成されている。このようにすると、一括読取可能な第2モードにおいて、ポイントスキャン可能な場合には優先的に照射対照コードが読み取られ、ポイントスキャン不能な場合に一括読取が実行されるため、状況に応じてポイントスキャン機能と一括読取機能とを適切に使い分けることができ、ユーザの利便性を格段に高めることができる。
請求項6の発明は、第1のタイミングで撮像されたときの第1画像内でのマーカ光の座標に基づき、第2のタイミングで撮像されたときの第2画像において照射位置を特定するように構成され、更に、第1のタイミングで第1画像を撮像するときの撮像条件と、第2のタイミングで第2画像を撮像するときの撮像条件とを切り替える撮像条件切替手段が設けられている。このようにすると、マーカ光の座標検出に用いる第1画像を取得するときにはマーカ光の座標検出に適した撮像条件とすることができ、デコードに用いる第2画像を取得するときにはデコードに有利な撮像条件とすることができる。
請求項7の発明は、第1のタイミングで撮像されたときの第1画像データを第1記憶領域に記憶し、第2のタイミングで撮像されたときの第2画像データを第1記憶領域とは異なる第2記憶領域に記憶するように構成されている。このようにすると、第1画像データと第2画像データを同時期に記憶することができるため、第1画像の撮像タイミング(第1のタイミング)と第2画像の撮像タイミング(第2のタイミング)との時間差を小さくしやすい構成となる。従って、第1画像と第2画像の同一性を高めやすく、ひいては第2画像においてマーカ光照射位置を精度高く特定できる。
請求項8の発明は、第1読取エリアについてデコード処理を行ったときのデコード結果に基づき、照射対象コードが、複数の情報コードを一括して読み取らせる情報コード群の一部であるか、単一コードであるかを判断している。更に、照射対象コードが情報コード群の一部と判断される場合、即ち、照射対象コードを単一コードとして読み取ることができない場合、この状態を「所定の失敗状態」として、第2読取エリアに含まれる情報コード群についてデコード処理を行っている。このようにすると、照射対象コードが単一コードであるか情報コード群の一部であるかをより正確に判断でき、情報コード群の一部である場合には、当該照射対象コードを含んだ情報コード群のデコード処理を迅速かつ良好に行うことができる。
請求項9の発明は、予め定められた1又は複数の特定種類の情報コードからなる情報コード群を読み取りが可能な対象コードの一つとし、照射対象コードが特定種類の情報コードである場合に、当該照射対象コードを情報コード群の一部と判断している。このようにすると、照射対象コードが一括読取を行うべき情報コード群の一部であるか否かを簡易な構成で良好に判断でき、一括読取すべき情報コード群の一部である場合には迅速に一括読取に移行できる。
請求項10の発明は、特定データを含んだ情報コードが複数集合してなる情報コード群を読み取りが可能な対象コードの一つとし、照射対象コードが特定データを含む場合に、当該照射対象コードを情報コード群の一部と判断している。このようにすると、照射対象コードが一括読取を行うべき情報コード群の一部であるか否かを簡易な構成で良好に判断でき、一括読取すべき情報コード群の一部である場合には迅速に一括読取に移行できる。
請求項11の発明は、読取対象の画像において照射位置に情報コードが存在しないときに第2読取エリアのデコード処理を行うように構成されている。このようにすると、マーカ光によって情報コードが指定されていないときに迅速に一括読取を実行できる。
[第1実施形態]
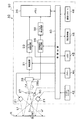
以下、本発明の光学的情報読取装置を具現化した第1実施形態について、図面を参照して説明する。図1は、本発明の第1実施形態に係る光学的情報読取装置の電気的構成を概略的に例示するブロック図である。図2は、図1の光学的情報読取装置にて行われる読取処理の流れを例示するフローチャートである。図3は、図2の読取処理におけるデコード処理の流れを例示するフローチャートである。図4は、図3のデコード処理の一部である多段読み取り処理の流れを例示するフローチャートである。図5は、ポイントスキャン及び多段スキャンの設定内容等を説明する説明図である。図6は、多段スキャン設定データのデータ構成を例示するフローチャートである。図7(a)は、第1画像データによって構成される第1画像を概念的に説明する説明図であり、図7(b)は、第2画像データによって構成される第2画像を概念的に説明する説明図である。図8は、第1読取エリア、第2読取エリアの設定等について概念的に説明する説明図である。図9は、多段コードの一部が照射対象コードとなった様子を概念的に説明する説明図である。図10は、情報コードから外れた位置にマーカ光が照射された様子を概念的に説明する説明図である。
まず、図1を参照して全体構成について説明する。
図1に示す光学的情報読取装置10は、一次元コードや二次元コードを読み取る情報コードリーダとして構成されるものであり、読取対象Rに付された情報コードB(例えば、物品に付されたバーコード等)を読み取る機能を有している。この光学的情報読取装置10は、図示しないケースの内部に回路部20が収容されてなるものであり、回路部20は、主に、照明光源21、受光センサ28、結像レンズ27等の光学系と、メモリ35、制御回路40、トリガースイッチ42等のマイクロコンピュータ(以下「マイコン」という)系と、から構成されている。
光学系は、投光光学系と、受光光学系とに分かれている。投光光学系を構成する照明光源21は、照明光Lfを発光可能な照明光源として機能するもので、例えば、赤色のLEDとこのLEDの出射側に設けられるレンズとから構成されている。
受光光学系は、受光センサ28、結像レンズ27、反射鏡(図示略)などによって構成されている。受光センサ28は、読取対象Rや情報コードBに照射されて反射した反射光(照明光の反射光、或いは後述するマーカ光の反射光)Lrを受光可能に構成されるものである。この受光センサ28は、結像レンズ27を介して入射する入射光を受光可能にプリント配線板(図示略)に実装されている。
結像レンズ27は、外部から読取口(図示略)を介して入射する入射光を集光して受光センサ28の受光面28aに像を結像可能な結像光学系として機能するものである。本実施形態では、照明光源21から照射された照明光Lf、及びマーカ光照射部50から照射されたマーカ光M1が、読取対象Rにて反射するようになっており、この反射光Lrを結像レンズ27で集光し、受光センサ28の受光面28aにコード像を結像させている。
マイコン系は、増幅回路31、A/D変換回路33、メモリ35、アドレス発生回路36、同期信号発生回路38、制御回路40、トリガースイッチ42、ブザー44、表示LED(以下、単にLEDとも称する)45、液晶表示器46、通信インタフェース48等から構成されている。
光学系の受光センサ28から出力される画像信号(アナログ信号)は、増幅回路31に入力されることで所定ゲインで増幅され、その後、A/D変換回路33に入力されてアナログ信号からディジタル信号に変換される。そして、ディジタル化された画像信号、つまり画像データ(画像情報)は、ROM、RAMなどの公知の記憶媒体によって構成されたメモリ35に入力され、所定の格納領域に蓄積される。なお、同期信号発生回路38は、受光センサ28およびアドレス発生回路36に対する同期信号を発生可能に構成されており、またアドレス発生回路36は、この同期信号発生回路38から供給される同期信号に基づいて、メモリ35に格納される画像データの格納アドレスを発生可能に構成されている。
本実施形態では、受光センサ28及び増幅回路31が「撮像手段」の一例に相当し、情報コードが付された読取対象を撮像するように機能する。また、メモリ35が「記憶手段」の一例に相当し、上記「撮像手段」によって撮像された読取対象Rの画像データを記憶するように機能する。
制御回路40は、光学的情報読取装置10全体を制御可能なマイコンで、CPU、システムバス、入出力インタフェース等からなるもので、メモリ35とともに情報処理装置を構成し得るもので情報処理機能を有する。また、制御回路40は、内蔵された入出力インタフェースを介して種々の入出力装置と接続可能に構成されており、本実施形態の場合、トリガースイッチ42、ブザー44、LED45、液晶表示器46、通信インタフェース48等を接続されている。これにより、例えば、トリガースイッチ42の監視や管理、ビープ音やアラーム音を発生可能なブザー44の鳴動のオンオフ、LED45の点灯、非点灯、液晶表示器46の表示制御、通信インターフェース48の制御等を可能にしている。
なお、本実施形態では、制御回路40が「読取エリア設定手段」の一例に相当し、画像データによって構成される読取対象の画像において読取エリアを設定するように機能する。また制御回路40は、「デコード手段」の一例に相当し、設定された読取エリアについてデコード処理を行う機能を有する。
マーカ光照射部50は、図示しない駆動回路(公知のレーザダイオード駆動回路)によって駆動されるレーザダイオードとレンズとによって構成されている。レーザダイオードは、図1に示す制御回路40からの信号に応じて駆動し、レーザ光を出射する構成をなしている。レンズは、レーザダイオードにて出射されたレーザ光を集光し、所定方向にマーカ光M1を発する。なお、マーカ光照射部50は、「マーカ光照射手段」の一例に相当する。
次に、光学的情報読取装置10で行われる読取処理について説明する。
読取処理は大まかに図2のような流れで行われる。当該読取処理は例えばユーザによる所定操作或いは電源投入などをトリガとして開始され、まず画像取得処理を行う(S1)。この画像取得処理では、情報コードが付された読取対象を2回撮像する。
S1の画像取得処理では、一回目の撮像(即ち、第1のタイミングでの撮像)のときの撮像条件と、二回目の撮像(即ち、第2のタイミングでの撮像)のときの撮像条件とを切り替えている。具体的には、一回目の撮像のときの増幅回路31の増幅率(第1増幅率G1)と、二回目の撮像のときの増幅回路31の増幅率(第2増幅率G2)とを変化させており、二回目の第2増幅率G2よりも一回目の第1増幅率G1のほうが小さくなるように撮像を行っている。なお、本実施形態で用いられる増幅回路31は、公知の増幅率切替回路が設けられており、制御回路40からの指示に応じて第1増幅率G1と第2増幅率G2とを切り替えるように構成されている。本実施形態では、制御回路40が「撮像条件切替手段」の一例に相当し、第1のタイミングで第1画像を撮像するときの撮像条件と、第2のタイミングで第2画像を撮像するときの撮像条件とを切り替えるように機能する。
S1の画像取得処理が終わると、その取得画像に基づくデコード処理が行われる(S2)。このデコード処理は例えば図3のような流れで行われ、まず、各情報コードを単一コードとして読み取る読取方式(以下、ポイントスキャンとも称する)が許可状態であり、かつ複数の情報コードを一括して読み取る読取方式(以下、多段スキャンとも称する)が許可状態であるかを判断する(S10)。
本実施形態では、ユーザが光学的情報読取装置10に設けられた図示しない操作部に対して多段スキャンの許可を指示する操作を行うことにより多段スキャンを許可状態に設定でき、多段スキャンの禁止を指示する操作を行うことにより多段スキャンを禁止状態に設定できるようになっている。また、ポイントスキャンの許可を指示する操作を行うことによりポイントスキャンを許可状態に設定でき、ポイントスキャンを禁止に指示する操作を行うことによりポイントスキャンを禁止状態に設定できるようになっている。上記のようなユーザによる設定操作に応じ、図5(b)〜(d)ような設定情報がメモリ35に記憶される。
なお、本実施形態では、図5(a)のように、ユーザの入力操作等により、ポイントスキャン可否データ、多段スキャン可否データ、多段スキャン設定データを予め記憶しておくことができるようになっている。このうち、ポイントスキャン可否データは、ポイントスキャンを許可とするか禁止とするかを示すデータとされ、多段スキャン可否データは多段スキャンを許可とするか禁止とするかを示すデータとされる。これらデータは、ユーザの操作や装置内のプログラムによって図5(b)〜(d)のように設定変更される。また、多段スキャン設定データは、当該光学的情報読取装置10によって読み取ることのできる多段コードの構成を設定するデータであり、例えば図6(a)或いは(b)のように設定されている。なお、この多段スキャン設定データについては後述する。
例えば、ポイントスキャンが許可状態に設定され、多段スキャンが許可状態に設定されたときには図5(b)のような設定情報がメモリ35に記憶される。また、ポイントスキャンが許可状態に設定され、多段スキャンが禁止状態に設定されたときには図5(c)のような設定情報がメモリ35に記憶される。また、ポイントスキャンが禁止状態に設定され、多段スキャンが許可状態に設定されたときには図5(d)のような設定情報がメモリ35に記憶される。
なお、本実施形態では、図5(c)のように設定されたときが「第1モード」に相当し、各情報コードを単一コードとして読み取るように処理が行われる。また、図5(b)のように設定されたときが「第2モード」に相当し、所定条件成立に伴い、複数の情報コードによって構成される情報コード群を一括して読み取るように処理が行われる。また、制御回路40が「モード切替手段」の一例に相当し、第1モードと第2モードとを切り替えるように機能する。
S10では、上記のような設定情報を確認し、図5(b)のようにポイントスキャン及び多段スキャンのいずれもが許可に設定されているときにはS10にてYesに進む。一方、図5(c)、(d)のようにいずれかが禁止に設定されているときにはS10にてNoに進む。
S10にてNoに進む場合、S11にてデコード初期化処理(例えば、変数の初期化等)を行い、その後、ポイントスキャンが許可状態であるか否かを判断する(S12)。図5(c)のようにポイントスキャンが許可状態に設定されているときには、S12にてYesに進み、図5(d)のようにポイントスキャンが禁止状態に設定されているときにはS12にてNoに進む。
なお、S12にてYesに進む場合とは、即ち、第1モードに設定された場合であり、この場合、マーカ光照射位置に配される情報コードを単一コードとしてデコード処理を行う。
具体的には、まず、S13においてマーカ光検出処理を行う。本実施形態では、上述したように、情報コードが付された読取対象Rを、第1のタイミング及び第2のタイミングで撮像し、第1のタイミングで撮像されたときの第1画像データをメモリ35の第1記憶領域に記憶し、第2のタイミングで撮像されたときの第2画像データを、メモリ35における第1記憶領域とは異なる第2記憶領域に記憶している。S13の処理では、第1画像データによって構成される第1画像内でのマーカ光照射スポットの座標を検出し、その座標データをメモリ35に記憶する。
本実施形態では、上述したように第1画像を撮像する際に増幅率を低く設定しているため、図7(a)のように輝度の高いマーカ光照射スポットを良好に抽出できるようになっている。なお、第1画像を撮像する際に情報コードが検出できない程度に増幅率を抑えると、マーカ光照射スポットについては明るく示され、それ以外の領域は暗く示されてマーカ光照射スポットが良好に抽出されることとなるが、図7(a)では、説明を容易化するため、マーカ光照射スポットを黒色にて概念的に示し、それ以外の領域を白色にて概念的に示している。一方、第2画像を撮像する際には各情報コードを明確に認識できる程度に増幅率をある程度高く設定しているため、図7(b)のように情報コードの像を良好に抽出できるようになっている。
S13の処理においてマーカ光が検出できない場合にはS14にてYesに進み、図3で示す当該デコード処理を終了する。一方、S13にてマーカ光が検出された場合には、S14にてNoに進み、S15において、検出されたマーカ光によって指示される情報コード(照射対象コード)を読み取る処理を行う。
S15の読み取り処理では、上記第2画像において読取エリアを設定し、その設定された読取エリアについてデコード処理を行う。この処理では、まず、第1画像におけるマーカ光座標を検出し、このマーカ光座標に対応する位置を第2画像において検出する。なお、本実施形態の例では、第1画像と第2画像とを短い時間で連続して撮像しており、第1画像及び第2画像が読み取り対象のほぼ同位置を撮像しているといえるため、第1画像において求められたマーカ光座標と同じ座標位置を第2画像において求めることで、第2画像上での照射位置を特定できることとなる。
例えば、図7(a)のような第1画像において、座標(X1,Y1)の位置にマーカ光が検出された場合、図7(b)のような第2画像において、第1画像で求めらたマーカ光座標(X1,Y1)と同じ座標(即ち、座標(X1,Y1))の位置P1をマーカ光の照射位置とする。
そして、その第2画像において、特定された照射位置P1に位置する照射対象コードC1を含んだ領域であって、且つ照射対象コードC1以外の他の情報コードC2,C3を含まない領域(例えば図8の一点鎖線AR1で示されるような読取エリア)を第1読取エリアとして設定し、当該第1読取エリアについてデコード処理を行う。
一方、S12にてNoと判断される場合、S15において通常の読み取り処理を行う。S12にてNoに進む場合とは、即ちポイントスキャン機能を実施しない場合であり、この場合、S1で取得した取得画像(具体的には第2画像)に基づき、ポイントスキャン機能を用いない通常の読み取り処理が行われる。
S12にてNoに進む場合、或いはS14にてNoに進む場合のいずれの場合も、S15の読み取り処理においてデコードが成功した場合にはS16にてYesに進み、読取成功であることを示すデータ(例えば「TRUE」の値)と、デコード結果を一時的に記憶する(S17)。一方、S15においてデコードが失敗した場合にはS16にてNoに進み、読取失敗であることを示すデータ(例えば「FALSE」の値)を一時的に記憶する(S18)。
S17又はS18の処理が終わると、当該デコード処理が終了となり、図2のS3にてデコード成功か否かが判断される。S15(図3)にてデコードが失敗している場合(即ち、S18にて「FALSE」となった場合)には、S3にてNoに進み、S1以降の処理を繰り返す。一方、S15(図3)にてデコードが成功した場合(即ち、S17にて「TRUE」となった場合)にはS3にてYesに進み、読取結果出力処理が行われ(S4)、S15(図3)でのデコード結果が液晶表示器46などに出力される。
次に、図10にてYesに進む場合について説明する。
S10にてYesに進む場合とは、即ち第2モードに設定される場合であり、本実施形態では、第2モードに設定されたとき、マーカ光照射位置に配される情報コードを照射対象コードとしてデコード処理を行い、当該照射対象コードのデコード結果が所定の失敗状態となったときに、第2読取エリア内の情報コード群についてデコード処理を行うようになっている。以下、これら処理について詳述する。
S10にてYesに進む場合、まずデコード初期化処理(変数の初期化等)が行われる(S19)。そして、一時的な設定変更処理が行われる(S20)。S20では、ポイントスキャンを優先的に試行するため、図5(b)のような設定状態から、多段スキャンを禁止する設定状態(即ち、図5(c)の設定状態)に設定変更する。
S20にて設定変更した後、S21にてマーカ検出処理を行う(S21)。S21の処理はS13と同様であり、第1画像に基づいてマーカ光照射スポットの座標を検出する。その後、第1画像におけるマーカ光の検出が失敗したか否かを判断し(S22)、失敗した場合にはS22にてYesに進み、読取失敗であることを示すデータ(例えば「FALSE」の値)を一時的に記憶し(S23)、当該デコード処理を終了する。
一方、S21にてマーカ光の検出に成功した場合には、S22にてNoに進み、その検出されたマーカ光によって指示される情報コード(照射対象コード)を読み取る処理を行う。なお、S24の読み取り処理は、S14にてNoに進むときのS15の読み取り処理と同様であり、まず、第1画像におけるマーカ光座標を検出し、このマーカ光座標に対応する位置を第2画像において検出する。即ち、第1画像において求められたマーカ光座標と同じ座標位置を第2画像において求め、第2画像上での照射位置を特定する。
例えば、図7(a)のような第1画像において、座標(X1,Y1)の位置にマーカ光が検出された場合、図7(b)のような第2画像において、第1画像で求められたマーカ光座標(X1,Y1)と同じ座標(即ち、座標(X1,Y1))の位置P1をマーカ光の照射位置とする。なお、本実施形態では、制御回路40が「照射位置特定手段」の一例に相当し、読取対象の画像においてマーカ光の照射位置を特定するように機能する。
そして、その第2画像において、特定された照射位置P1に位置する照射対象コードC1を含んだ領域であって、且つ照射対象コードC1以外の他の情報コードC2,C3を含まない領域(例えば図8の一点鎖線AR1で示されるような読取エリア)を第1読取エリアとして設定し、当該第1読取エリアAR1についてデコード処理を行う。なお、本実施形態では、制御回路40が「第1読取エリア設定手段」の一例に相当し、読取対象の画像において、第1読取エリア(マーカ光照射位置に位置する照射対象コードを読み取るエリア)を設定するように機能する。
このようにS24ではポイントスキャン方式による読み取りを試行し、S25では、そのポイントスキャン方式による読み取りが成功したか否かを判断する。ポイントスキャン方式による読み取りが成功する場合とは、即ち、第2画像におけるマーカ光の照射位置に情報コードが存在し、かつその情報コードが多段コードの一部でない場合である。
本実施形態では、予め定められた1又は複数の特定種類の情報コードによって構成された多段コードを読み取り対象としており、S25では、照射対象コードが特定種類の情報コードであるか否かを判断することで、当該照射対象コードが多段コードの一部であるか否かを判断している。
例えば、図6(a)のように、多段コードをNW7、EAN−13のみによって構成し、多段コードではない単一コードをNW7、EAN−13以外の種別を用いるような運用がなされる場合、S25では、S24で読み取った照射対象コードのコード種別がNW7、EAN13以外であるか否かを判断する。S24で読み取った照射対象コードのコード種別がNW7、EAN−13以外であり、かつS24にてデコードが成功している場合には、照射対象コードがポイントスキャンすべき単一コードであり、かつ当該単一コードについてのデコードが成功しているといえるため(即ちポイントスキャン方式の読み取りが成功しているといえるため)、S25にてYesに進み、読取成功であることを示すデータ(例えば「TRUE」の値)と、ポイントスキャン方式でのデコード結果を一時的に記憶する(S33)。そして、当該デコード処理を終了する。
一方、S24においてポイントスキャン方式による読み取りが所定の失敗状態となった場合、S25にてNoに進む。なお、ここでの「所定の失敗状態」とは、即ち、第2画像におけるマーカ光の照射位置に情報コードが存在するものの、その情報コードが多段コードの一部である場合、或いは、第2画像におけるマーカ光の照射位置に情報コードが存在しない場合(即ち、マーカ光が情報コードから離れた位置を指し示す場合)、を指しており、このような場合にはS25にてNoに進む。
例えば、上述のように、多段コードをNW7、EAN−13のみによって構成し、多段コードではない単一コードをNW7、EAN−13以外の種別を用いるような運用がなされる場合、図9のようにマーカ光照射位置P1に配置される情報コード(照射対象コード)の種別がEAN−13であるときには、照射対象コードが多段コードの一部であると特定され、ポイントスキャン方式による読み取りが失敗したと判断されるため、S25にてNoに進むこととなる。また、図10のようにマーカ光照射位置P1が各情報コードから離れており、照射位置P1に情報コードが存在しない場合、照射対象コードを特定できず、ポイントスキャン方式による読み取りを実行できないため、このような場合にもS25にてNoに進む。
なお、本実施形態では、制御回路40が「判断手段」の一例に相当し、第1読取エリアについてデコード処理を行ったときのデコード結果に基づき、照射対象コードが、複数の情報コードを一括して読み取らせる情報コード群の一部であるか、単一コードであるかを判断するように機能する。
S25にてNoに進む場合、デコード初期化処理(変数の初期化等)が行われ(S26)、更に、一時的な設定変更処理が行われる(S27)。S27では、ポイントスキャン方式による読み取りを中断し、多段スキャン方式による一括読み取りを実行するため、ポイントスキャンを禁止とし、多段スキャンを許可する設定状態(即ち、図5(d)の設定状態)に設定変更する。そして、多段コードの読み取り処理を行う(S28)。
S28の多段コードの読み取り処理は、例えば図4のような流れで行われる。この読み取り処理では、S24(図3)のときの読取エリア(第1読取エリア)よりも広い第2読取エリアを設定し、この第2読取エリアについてデコード処理を行う。
第2読取エリアは、照射位置に配される照射対象コードのみならず、当該照射対象コード以外の他の情報コードを含んだエリアとして設定され、具体的には、読取対象の画像に含まれる全ての情報コードを含んだ領域が第2読取エリアとして設定される。例えば、図8のように第1読取エリアAR1が設定され、その第1読取エリアAR1に位置する情報コードC1のデコード処理が上記所定の失敗状態となったときには、読取対象の画像(具体的には第2画像)に含まれる全ての情報コードC1,C2、C3を含んだ領域(図8の一点差線AR2参照)を第2読取エリアとして設定する。そして、この第2読取エリアAR2について図4に示すデコード処理を行う。
なお、本実施形態では、制御回路40が「第2読取エリア設定手段」の一例に相当し、読取対象の画像において、第1読取エリアよりも広い第2読取エリアを設定するように機能する。
図4の読み取り処理(一括読取を行う情報コード群の読み取り処理)では、S100とS107の間の処理が多段コードとして設定される段数分繰り返される。例えば、多段コードの段数又は段数の幅が予め規定されている場合、この規定される段数分(或いは規定される最大段数分)S100〜S107が繰り返される。
図4の処理では、まず、情報コード群(多段コード)のいずれかの情報コードについてデコード処理を行う(S101)。そして、S101にてデコードが成功したときには、S102にてYesに進み、そのデコードが成功した情報コードのコード種が、情報コード群(多段コード)で用いられるべきコード種(多段コード用の種別として予め規定されたコード種)と一致するか否かを判断する(S103)。S101でデコードが成功した情報コードのコード種が情報コード群のコード種と一致した場合には、S103にてYesに進み、コードデータが一致するか否かを判断する(S104)。
例えば、図6(b)のように、全ての情報コードに特定データ(図6(b)では「99」というデータ)が含まれるように情報コード群(多段コード等)が規定される場合、S104では、S101でデコードが成功した情報コードに前記特定データが含まれているか否かを判断する。なお、上記のような特定データを有さないフォーマットで多段コードが構成される場合、S104の処理を省略してもよい。
S104においてコードデータが一致すると判断される場合には、S104にてYesに進み、全段のデコードが完了したか否かを判断する(S105)。完了していない場合には、S105にてNoに進み、S101のデコード処理が一定回数実施されたか否かを判断する。なお、このようなS101〜S106の処理は、上述の規定段数分(或いは規定される最大段数分)繰り返されることとなる。
S102にてNoとなる場合、S103にてNoとなる場合、S104にてNoとなる場合、S105にてYesとなる場合、S106にてYesとなる場合、のいずれかの場合には、図4に示す多段読み取り処理が終了する。
このような多段読み取り処理(S28)の後には、図3に示すようにS29の判断処理が行われる。S29では、図4に示す多段読み取り処理が成功したか否かを判断しており、S105にてYesに進む場合(即ち、全段のデコードが正常に完了した場合)には、S29にてYesに進み、読取成功であることを示すデータ(例えば「TRUE」の値)と、多段コードのデコード結果を一時的に記憶する(S32)。なお、このデコード結果は以降の出力処理(図2:S4)にて出力される。
一方、多段読取が失敗した場合(S102にてNo、S103にてNo、S104にてNo、S106にてYes、のいずれかの場合)、S29にてNoに進み、所定の設定変更処理(S30)を行った後、読取失敗であることを示すデータ(例えば「FALSE」の値)を一時的に記憶する(S31)。
本実施形態の構成によれば、例えば以下のような効果を奏する。
本実施形態に係る光学的情報読取装置10は、読取対象Rの画像において、マーカ光照射位置付近に位置する照射対象コードを読み取る第1読取エリアを設定し、この第1読取エリアについてのデコード処理が所定の失敗状態となったときに、第1読取エリアよりも広い第2読取エリアについてデコード処理を行うように構成されている。このようにすると、まずマーカ光M1によって指定される照射対象コードを選択的に読み取ることができ、ポイントスキャン機能を良好に実現できる。一方、照射対象コードのデコードが失敗したときには読取エリアを広げて読み取りが行われるため、多段コード等を迅速且つ良好に読み取りやすくなる。
また、マーカ光照射位置付近に位置する照射対象コードを含んだ領域であって、且つ照射対象コード以外の他の情報コードを含まない領域を第1読取エリアとして設定しているため、照射対象コードを適切に特定した第1読取エリアを設定でき、照射対象コードのみを選択的にデコードしうる構成を良好に実現できる。一方、照射対象コードを含み、且つ照射対象コード以外の他の情報コードを含んだ領域を第2読取エリアとして設定している。このようにすると、複数の情報コードを含んだ第2読取エリアを適切に設定でき、照射対象コードのデコードが失敗したときに、複数の情報コードの一括読取に迅速且つ適切に移行できる。
具体的には、読取対象の画像に含まれる全ての情報コードを含んだ領域を第2読取エリアとして設定しており、この構成によれば、照射対象コードのデコードが失敗したときに画像内に存在する情報コードを迅速に一括読取することができる。
また、各情報コードを単一コードとして読み取る第1モードと、複数の情報コードによって構成される情報コード群を一括して読み取り可能な第2モードとを切り替えるモード切替手段を有している。この構成によれば、ポイントスキャン機能を実行するモードと、一括読取可能なモードとを必要に応じて切り替えることができる。特に、ポイントスキャン機能を実行する第1モードでは、照射位置に配される情報コードを単一コードとしてデコード処理が行われるため、マーカによって指し示された情報コードをのみを選択的に読み取りたい場合に有利となる。
また、第2モードに設定された場合、照射位置に配される情報コードを照射対象コードとしてデコード処理を行い、当該照射対象コードのデコード結果が所定の失敗状態となったときに、第2読取エリア内の情報コード群についてデコード処理を行うように構成されている。このようにすると、第2モードでは、ポイントスキャン可能な場合には優先的に照射対照コードが読み取られ、ポイントスキャン不能な場合に一括読取が実行されるため、状況に応じてポイントスキャン機能と一括読取機能とを適切に使い分けることができ、ユーザの利便性を格段に高めることができる。
また、第1のタイミングで撮像されたときの第1画像内でのマーカ光の座標に基づき、第2のタイミングで撮像されたときの第2画像において照射位置を特定するように構成され、更に、第1のタイミングで第1画像を撮像するときの撮像条件と、第2のタイミングで第2画像を撮像するときの撮像条件とを切り替える撮像条件切替手段が設けられている。このようにすると、マーカ光の座標検出に用いる第1画像を取得するときにはマーカ光の座標検出に適した撮像条件とすることができ、デコードに用いる第2画像を取得するときにはデコードに有利な撮像条件とすることができる。
また、第1のタイミングで撮像されたときの第1画像データを第1記憶領域に記憶し、第2のタイミングで撮像されたときの第2画像データを第1記憶領域とは異なる第2記憶領域に記憶するように構成されている。このようにすると、第1画像データと第2画像データとを同時期に記憶することができるため、第1画像の撮像タイミング(第1のタイミング)と第2画像の撮像タイミング(第2のタイミング)との時間差を小さくしやすい構成となる。従って、第1画像と第2画像の同一性を高めやすく、ひいては第2画像においてマーカ光照射位置を精度高く特定できる。
また、第1読取エリアについてデコード処理を行ったときのデコード結果に基づき、照射対象コードが、複数の情報コードを一括して読み取らせる情報コード群(上記例では多段コード)の一部であるか、単一コードであるかを判断している。更に、照射対象コードが情報コード群の一部と判断される場合、即ち、照射対象コードを単一コードとして読み取ることができない場合、この状態を「所定の失敗状態」として、第2読取エリアに含まれる情報コード群についてデコード処理を行っている。このようにすると、照射対象コードが単一コードであるか情報コード群の一部であるかをより正確に判断でき、情報コード群の一部である場合には、当該照射対象コードを含んだ情報コード群のデコード処理を迅速かつ良好に行うことができる。
また、予め定められた複数の特定種類の情報コードからなる情報コード群を読み取りが可能な対象コードの一つとし、照射対象コードが特定種類の情報コードである場合に、当該照射対象コードを情報コード群の一部と判断している。このようにすると、照射対象コードが一括読取を行うべき情報コード群の一部であるか否かを簡易な構成で良好に判断でき、一括読取すべき情報コード群の一部である場合には迅速に一括読取に移行できる。
また、読取対象の画像において照射位置に情報コードが存在しないときに第2読取エリアのデコード処理を行うように構成されている。このようにすると、マーカ光によって情報コードが指定されていないときに迅速に一括読取を実行できる。
[他の実施形態]
本発明は上記記述及び図面によって説明した実施形態に限定されるものではなく、例えば次のような実施形態も本発明の技術的範囲に含まれる。
上記実施形態では、第2画像におけるマーカ光の照射位置に配置される情報コードを照射対象コードとしたが、マーカ光照射位置から所定距離以内で最も近接する情報コードを照射対象コードとするような構成であってもよい。この場合、マーカ光照射位置から所定距離以内で最も近接する情報コード全体を含み他の情報コードを含まないように第1読取エリアを設定し、第1読取エリアのデコードが失敗したときにこれよりも広い第2読取エリア(例えば画像内の全ての情報コードを含むような第2読取エリア)についてデコードを行うようにすればよい。
上記実施形態では、一括読み取りすべき情報コード群として多段コードを例示したが、複数の情報コードによって構成され、それらが一括読み取りの対象となるものであれば多段構成に限定されない。例えば、各情報コードが横並びに配置されるような情報コード群であってもよい。
上記実施形態では、照射対象コードが情報コード群の一部であるか否かを判断する方法の一例を示したがこれに限られない。例えば、特定データを含んだ情報コードが複数集合してなる情報コード群を対象コードとした場合、照射対象コードが上記特定データを含むときに、当該照射対象コードを情報コード群の一部と判断するように構成してもよい。例えば図6(b)のように、特定データとして「99」というデータが各情報コードに含まれる場合、照射対象コードについてのS24(図3)の読み取り処理において、当該照射対象コードに「99」が含まれていると判断される場合、上記「所定の失敗状態」としてS25にてNoに進み、S26以降の上述の処理を行うようにしてもよい。
このようにすると、照射対象コードが一括読取を行うべき情報コード群の一部であるか否かを簡易な構成で良好に判断でき、一括読取すべき情報コード群の一部である場合には迅速に一括読取に移行できる。
図1は、本発明の第1実施形態に係る光学的情報読取装置の電気的構成を概略的に例示するブロック図である。 図2は、図1の光学的情報読取装置にて行われる読取処理の流れを例示するフローチャートである。 図3は、図2の読取処理におけるデコード処理の流れを例示するフローチャートである。 図4は、図3のデコード処理の一部である多段読み取り処理の流れを例示するフローチャートである。 図5は、ポイントスキャン及び多段スキャンの設定内容等を説明する説明図である。 図6は、多段スキャン設定データのデータ構成を例示する説明図である。 図7(a)は、第1画像データによって構成される第1画像を概念的に説明する説明図であり、図7(b)は、第2画像データによって構成される第2画像を概念的に説明する説明図である。 図8は、第1読取エリア、第2読取エリアの設定等について概念的に説明する説明図である。 図9は、多段コードの一部が照射対象コードとなった様子を概念的に説明する説明図である。 図10は、情報コードから外れた位置にマーカ光が照射された様子を概念的に説明する説明図である。
符号の説明
10…光学的情報読取装置
28…受光センサ(撮像手段)
31…増幅回路(撮像手段)
35…メモリ(記憶手段)
40…制御回路(読取エリア設定手段、第1読取エリア設定手段、第2読取エリア設定手段、デコード手段、照射位置特定手段、モード切替手段、撮像条件切替手段、判断手段)
50…マーカ光照射部(マーカ光照射手段)
R…読取対象
B…情報コード

Claims (11)

  1. 情報コードが付された読取対象を撮像する撮像手段と、
    前記撮像手段によって撮像された前記読取対象の画像データを記憶する記憶手段と、
    前記画像データによって構成される前記読取対象の画像において読取エリアを設定する読取エリア設定手段と、
    前記読取エリア設定手段にて設定された前記読取エリアについてデコード処理を行うデコード手段と、
    を備えた光学的情報読取装置であって、
    マーカ光を照射するマーカ光照射手段と、
    前記読取対象の前記画像における前記マーカ光の照射位置を特定する照射位置特定手段と、
    を備え、
    前記読取エリア設定手段は、
    前記読取対象の前記画像において、前記照射位置付近に位置する照射対象コードを読み取る第1読取エリアを設定する第1読取エリア設定手段と、
    前記第1読取エリアよりも広い第2読取エリアを設定する第2読取エリア設定手段と、
    を有し、
    前記デコード手段は、前記第1読取エリアについての前記デコード処理が所定の失敗状態となったときに、前記第2読取エリアについて前記デコード処理を行うことを特徴とする光学的情報読取装置。
  2. 前記第1読取エリア設定手段は、前記照射位置付近に位置する前記照射対象コードを含んだ領域であって、且つ前記照射対象コード以外の他の前記情報コードを含まない領域を前記第1読取エリアとして設定し、
    前記第2読取エリア設定手段は、前記照射対象コードを含み、且つ前記照射対象コード以外の他の前記情報コードを含んだ領域を前記第2読取エリアとして設定することを特徴とする請求項1に記載の光学的情報読取装置。
  3. 前記第2読取エリア設定手段は、前記読取対象の前記画像に含まれる全ての前記情報コードを含んだ領域を前記第2読取エリアとして設定することを特徴とする請求項1又は請求項2に記載の光学的情報読取装置。
  4. 各情報コードを単一コードとして読み取る第1モードと、複数の前記情報コードによって構成される情報コード群を一括して読み取り可能な第2モードとを切り替えるモード切替手段を有し、
    前記デコード手段は、前記モード切替手段により前記第1モードに設定された場合、前記照射位置に配される前記情報コードを単一コードとして前記デコード処理を行うことを特徴とする請求項1から請求項3のいずれか一項に記載の光学的情報読取装置。
  5. 各情報コードを単一コードとして読み取る第1モードと、複数の前記情報コードによって構成される情報コード群を一括して読み取り可能な第2モードとを切り替えるモード切替手段を有し、
    前記デコード手段は、前記モード切替手段により前記第2モードに設定された場合、前記照射位置に配される前記情報コードを前記照射対象コードとして前記デコード処理を行い、当該照射対象コードのデコード結果が前記所定の失敗状態となったときに、前記第2読取エリア内の前記情報コード群について前記デコード処理を行うことを特徴とする請求項1から請求項4のいずれか一項に記載の光学的情報読取装置。
  6. 前記撮像手段は、前記情報コードが付された前記読取対象を、第1のタイミング及び第2のタイミングで撮像し、
    前記照射位置特定手段は、前記第1のタイミングで撮像されたときの第1画像内でのマーカ光の座標に基づき、前記第2のタイミングで撮像されたときの第2画像において前記照射位置を特定し、
    前記読取エリア設定手段は、前記第2画像において前記読取エリアを設定し、
    前記デコード手段は、前記第2画像にて設定された前記読取エリアについて前記デコード処理を行う構成をなしており、
    更に、前記撮像手段により前記第1のタイミングで前記第1画像を撮像するときの撮像条件と、前記第2のタイミングで前記第2画像を撮像するときの撮像条件とを切り替える撮像条件切替手段が設けられていることを特徴とする請求項1から請求項5のいずれか一項に記載の光学的情報読取装置。
  7. 前記撮像手段は、前記情報コードが付された前記読取対象を、第1のタイミング及び第2のタイミングで撮像し、
    前記記憶手段は、前記第1のタイミングで撮像されたときの第1画像データを第1記憶領域に記憶し、前記第2のタイミングで撮像されたときの第2画像データを前記第1記憶領域とは異なる第2記憶領域に記憶し、
    前記照射位置特定手段は、前記第1画像データによって構成される第1画像内でのマーカ光の座標に基づき、前記第2画像データによって構成される第2画像において前記照射位置を特定し、
    前記読取エリア設定手段は、前記第2画像において前記読取エリアを設定し、
    前記デコード手段は、前記第2画像にて設定された前記読取エリアについて前記デコード処理を行うことを特徴とする請求項1から請求項6のいずれか一項に記載の光学的情報読取装置。
  8. 前記デコード手段は、
    前記第1読取エリアについて前記デコード処理を行ったときのデコード結果に基づき、前記照射対象コードが、複数の情報コードを一括して読み取らせる情報コード群の一部であるか、単一コードであるかを判断する判断手段を有し、
    前記判断手段により前記照射対象コードが前記情報コード群の一部と判断される場合に、前記第2読取エリアに含まれる前記情報コード群について前記デコード処理を行うことを特徴とする請求項1から請求項7のいずれか一項に記載の光学的情報読取装置。
  9. 前記情報コード群は、予め定められた1又は複数の特定種類の前記情報コードによって構成されるものであり、
    前記判断手段は、前記照射対象コードが前記特定種類の前記情報コードである場合に、前記情報コード群の一部と判断することを特徴とする請求項8に記載の光学的情報読取装置。
  10. 前記情報コード群は、特定データを含んだ前記情報コードが複数集合して構成されるものであり、
    前記判断手段は、前記照射対象コードが前記特定データを含む場合に前記情報コード群の一部と判断することを特徴とする請求項8又は請求項9に記載の光学的情報読取装置。
  11. 前記デコード手段は、前記読取対象の前記画像において前記照射位置特定手段にて特定される前記照射位置に前記情報コードが存在しないときに前記第2読取エリアの前記デコード処理を行うことを特徴とする請求項1から請求項10のいずれか一項に記載の光学的情報読取装置。
JP2008268277A 2008-10-17 2008-10-17 光学的情報読取装置 Active JP5104713B2 (ja)

Priority Applications (1)

Application Number Priority Date Filing Date Title
JP2008268277A JP5104713B2 (ja) 2008-10-17 2008-10-17 光学的情報読取装置

Applications Claiming Priority (1)

Application Number Priority Date Filing Date Title
JP2008268277A JP5104713B2 (ja) 2008-10-17 2008-10-17 光学的情報読取装置

Publications (2)

Publication Number Publication Date
JP2010097453A true JP2010097453A (ja) 2010-04-30
JP5104713B2 JP5104713B2 (ja) 2012-12-19

Family

ID=42259080

Family Applications (1)

Application Number Title Priority Date Filing Date
JP2008268277A Active JP5104713B2 (ja) 2008-10-17 2008-10-17 光学的情報読取装置

Country Status (1)

Country Link
JP (1) JP5104713B2 (ja)

Cited By (2)

* Cited by examiner, † Cited by third party
Publication number Priority date Publication date Assignee Title
JP2012038083A (ja) * 2010-08-06 2012-02-23 Denso Wave Inc 光学式情報読取装置
CN110119645A (zh) * 2018-02-05 2019-08-13 卡西欧计算机株式会社 条形码读取装置、条形码读取方法、计算机可读记录介质

Citations (4)

* Cited by examiner, † Cited by third party
Publication number Priority date Publication date Assignee Title
JP2002092542A (ja) * 2000-09-14 2002-03-29 Denso Corp 光学式情報読取装置
JP2005084890A (ja) * 2003-09-08 2005-03-31 Denso Wave Inc 光学情報読取装置
JP2006134160A (ja) * 2004-11-08 2006-05-25 Denso Wave Inc 光学式情報読取装置
JP2008511919A (ja) * 2004-08-31 2008-04-17 シンボル テクノロジーズ インコーポレイテッド 光学コード走査デバイスを照準させるためのシステム及び方法

Patent Citations (4)

* Cited by examiner, † Cited by third party
Publication number Priority date Publication date Assignee Title
JP2002092542A (ja) * 2000-09-14 2002-03-29 Denso Corp 光学式情報読取装置
JP2005084890A (ja) * 2003-09-08 2005-03-31 Denso Wave Inc 光学情報読取装置
JP2008511919A (ja) * 2004-08-31 2008-04-17 シンボル テクノロジーズ インコーポレイテッド 光学コード走査デバイスを照準させるためのシステム及び方法
JP2006134160A (ja) * 2004-11-08 2006-05-25 Denso Wave Inc 光学式情報読取装置

Cited By (3)

* Cited by examiner, † Cited by third party
Publication number Priority date Publication date Assignee Title
JP2012038083A (ja) * 2010-08-06 2012-02-23 Denso Wave Inc 光学式情報読取装置
CN110119645A (zh) * 2018-02-05 2019-08-13 卡西欧计算机株式会社 条形码读取装置、条形码读取方法、计算机可读记录介质
JP2019135572A (ja) * 2018-02-05 2019-08-15 カシオ計算機株式会社 バーコード読取装置、及びバーコード読取方法、プログラム

Also Published As

Publication number Publication date
JP5104713B2 (ja) 2012-12-19

Similar Documents

Publication Publication Date Title
JP4058529B2 (ja) 光学情報読取装置
JP4186915B2 (ja) 光学情報読取装置
EP1492044B1 (en) Optical information reading apparatus and optical information reading method
JP6624318B2 (ja) 光学的情報読取装置
JP4389812B2 (ja) 光学情報読取装置
JP5104713B2 (ja) 光学的情報読取装置
JP2010086182A (ja) 光学的情報読取装置
JP2011008574A (ja) 光学的情報読取装置
JP2018045347A (ja) 光学的情報読取装置
JP4111216B2 (ja) 光学情報読取装置
JP5240124B2 (ja) 光学的情報読取装置
JP6398809B2 (ja) 情報コード読取装置
JP6638614B2 (ja) 光学的情報読取装置
JP5195264B2 (ja) バーコード読取方法およびバーコード読取装置
JP5888199B2 (ja) バーコード読取装置
JP5786783B2 (ja) 情報コード読取装置
JP5104557B2 (ja) 光学的情報読取装置
JP5218316B2 (ja) 光学的情報読取装置
JP5183612B2 (ja) シンボル認識装置及びその制御プログラム
JP6645393B2 (ja) 光学的情報読取装置
JP4873312B2 (ja) 光学情報読取装置
JP2016136373A (ja) 光学的情報読取装置
JP5380613B2 (ja) シンボル認識装置及びその制御プログラム
JP5765136B2 (ja) 光学的情報読取装置
JP2023015764A (ja) 情報コード読取装置及び情報コード読取システム

Legal Events

Date Code Title Description
A621 Written request for application examination

Free format text: JAPANESE INTERMEDIATE CODE: A621

Effective date: 20100728

A977 Report on retrieval

Free format text: JAPANESE INTERMEDIATE CODE: A971007

Effective date: 20120613

A131 Notification of reasons for refusal

Free format text: JAPANESE INTERMEDIATE CODE: A131

Effective date: 20120619

A521 Request for written amendment filed

Free format text: JAPANESE INTERMEDIATE CODE: A523

Effective date: 20120809

TRDD Decision of grant or rejection written
A01 Written decision to grant a patent or to grant a registration (utility model)

Free format text: JAPANESE INTERMEDIATE CODE: A01

Effective date: 20120904

A01 Written decision to grant a patent or to grant a registration (utility model)

Free format text: JAPANESE INTERMEDIATE CODE: A01

A61 First payment of annual fees (during grant procedure)

Free format text: JAPANESE INTERMEDIATE CODE: A61

Effective date: 20120917

R150 Certificate of patent or registration of utility model

Ref document number: 5104713

Country of ref document: JP

Free format text: JAPANESE INTERMEDIATE CODE: R150

Free format text: JAPANESE INTERMEDIATE CODE: R150

FPAY Renewal fee payment (event date is renewal date of database)

Free format text: PAYMENT UNTIL: 20151012

Year of fee payment: 3

FPAY Renewal fee payment (event date is renewal date of database)

Free format text: PAYMENT UNTIL: 20151012

Year of fee payment: 3

R250 Receipt of annual fees

Free format text: JAPANESE INTERMEDIATE CODE: R250

R250 Receipt of annual fees

Free format text: JAPANESE INTERMEDIATE CODE: R250

R250 Receipt of annual fees

Free format text: JAPANESE INTERMEDIATE CODE: R250

R250 Receipt of annual fees

Free format text: JAPANESE INTERMEDIATE CODE: R250

R250 Receipt of annual fees

Free format text: JAPANESE INTERMEDIATE CODE: R250

R250 Receipt of annual fees

Free format text: JAPANESE INTERMEDIATE CODE: R250

R250 Receipt of annual fees

Free format text: JAPANESE INTERMEDIATE CODE: R250

R250 Receipt of annual fees

Free format text: JAPANESE INTERMEDIATE CODE: R250

R250 Receipt of annual fees

Free format text: JAPANESE INTERMEDIATE CODE: R250

R250 Receipt of annual fees

Free format text: JAPANESE INTERMEDIATE CODE: R250

R250 Receipt of annual fees

Free format text: JAPANESE INTERMEDIATE CODE: R250