JP2007334273A - オーバー・ドライブ・ボックス - Google Patents
オーバー・ドライブ・ボックス Download PDFInfo
- Publication number
- JP2007334273A JP2007334273A JP2006194870A JP2006194870A JP2007334273A JP 2007334273 A JP2007334273 A JP 2007334273A JP 2006194870 A JP2006194870 A JP 2006194870A JP 2006194870 A JP2006194870 A JP 2006194870A JP 2007334273 A JP2007334273 A JP 2007334273A
- Authority
- JP
- Japan
- Prior art keywords
- sound
- circuit
- distortion
- clip
- output
- Prior art date
- Legal status (The legal status is an assumption and is not a legal conclusion. Google has not performed a legal analysis and makes no representation as to the accuracy of the status listed.)
- Pending
Links
- 239000012636 effector Substances 0.000 description 7
- 238000006243 chemical reaction Methods 0.000 description 6
- 230000000694 effects Effects 0.000 description 4
- 238000010586 diagram Methods 0.000 description 2
- 238000007664 blowing Methods 0.000 description 1
- 238000001514 detection method Methods 0.000 description 1
- 230000005669 field effect Effects 0.000 description 1
- 239000010985 leather Substances 0.000 description 1
- 239000011435 rock Substances 0.000 description 1
- 239000004065 semiconductor Substances 0.000 description 1
- 239000000779 smoke Substances 0.000 description 1
- 238000001228 spectrum Methods 0.000 description 1
- 230000002194 synthesizing effect Effects 0.000 description 1
Images
Landscapes
- Electrophonic Musical Instruments (AREA)
- Tone Control, Compression And Expansion, Limiting Amplitude (AREA)
Abstract
【課題】 真空管式ギター・アンプ(チューブ・アンプ)の最大出力音量時におけるオーバー・ドライブ・サウンドに代表されるような心地好い適度な歪み(ディストーション)感が得られるようにする。
【解決手段】 楽音入力信号を増幅するオペアンプIC(集積回路)Uと、半固定抵抗器VRとダイオードD1とで構成された振幅制限(クリップ)波形調整回路Yとを備え、該オペアンプIC(集積回路)Uの出力端子と信号基準点(グラウンド)間に該振幅制限(クリップ)波形調整回路Yを結線して、該オペアンプIC(集積回路)Uの出力端子から非対称矩形波出力を得ることを特徴としている。
【選択図】図1
【解決手段】 楽音入力信号を増幅するオペアンプIC(集積回路)Uと、半固定抵抗器VRとダイオードD1とで構成された振幅制限(クリップ)波形調整回路Yとを備え、該オペアンプIC(集積回路)Uの出力端子と信号基準点(グラウンド)間に該振幅制限(クリップ)波形調整回路Yを結線して、該オペアンプIC(集積回路)Uの出力端子から非対称矩形波出力を得ることを特徴としている。
【選択図】図1
Description
本発明は、真空管式ギター・アンプ(チューブ・アンプ)の下記(段落番号0004記載)オーバー・ドライブ・サウンドに代表される心地好い適度な歪み(ディストーション)感を再現するのが容易な音色変換装置(サウンド・エフェクター)たるオーバー・ドライブ・ボックスに関するものである。
楽音の元となる弦振動や空気振動や革振動等を電気信号に変換するピック・アップを備える電気楽器例えば電気ギター(エレクトリック・ギター)は通常、楽器用拡声器としてのギター・アンプに接続して大きな音を出すようにしている。電気ギター(エレクトリック・ギター)とギター・アンプは一体となって電気ギター音(エレクトリック・ギター・サウンド)という1つの楽器音を形作っている。
この電気ギター音(エレクトリック・ギター・サウンド)の音色を変える試みが行われるようになり、その1つとして電池駆動のトランジスタ増幅回路に過大入力を与える事で振幅制限を起こさせてハードな歪み音(ハード・ディストーション・サウンド)を得る音色変換装置(サウンド・エフェクター)としてファズ・ボックスと呼ばれるものが考え出され、電気ギター(エレクトリック・ギター)とギター・アンプの間に挿入接続して使用された。しかしながら、このファズ音(ファズ・サウンド)は雑音(ノイズ)が多かったり、音が歪み過ぎていた為に電気ギター奏者(エレクトリック・ギター・プレイヤー)のピッキングのタッチ、ニュアンスを再現・反映しない上、複数音を同時に入力させると混変調歪みで音がぐちゃぐちゃになりとても和音演奏に使えず、ただ歪んでるだけの安っぽさを感じさせるジージー言う音でどんな曲にも合う音(サウンド)ではなかった。
演奏会(コンサート)会場として観客数の増大と共に大きな会場や広大な野外で演奏会(コンサート)が行われるようになるにつれ、ギター・アンプの高出力化が進み、中でも大きな演奏会(コンサート)会場において特に昔ながらの真空管で構成された真空管式ギター・アンプ(チューブ・アンプ)に接続して最大出力音量で鳴らした電気ギター音(エレクトリック・ギター・サウンド)は、心地好い適度な歪み(ディストーション)感が倍音を増やして厚みのある音にし、減衰振動である弦振動の時間長さと聴感上の時間長さを近づけて音(サウンド)の伸び感を加え、電気ギター奏者(エレクトリック・ギター・プレイヤー)のピッキングのタッチ、ニュアンスを微妙なレベルまで再現・反映している上、ある程度まで和音演奏に使え、オーバー・ドライブ・サウンドと称されて、多くの電気ギター奏者(エレクトリック・ギター・プレイヤー)から大変好まれているものである。
しかし、同一の真空管式ギター・アンプ(チューブ・アンプ)を使用したとしても小さくて狭い会場や室内等で最大出力音量で鳴らす必要の無い時には、最大出力音量で鳴らした時に得られていた心地好い適度な歪み(ディストーション)感と音(サウンド)の伸び感が得られなくなるという欠点があった。
この欠点は、電気ギター奏者(エレクトリック・ギター・プレイヤー)のいい音で奏でるという音楽的表現力を阻害するもので、通常演奏家はいい音で奏でられている時には演奏家自身の気分が高揚し演奏にも乗りが出て、聴衆から今日はいい演奏だったと評されるものだけに、特にオーバー・ドライブ・サウンドを多用するようになっていったロック音楽(ロック・ミュージック)ではより良く奏でられないという大きな問題であった。
改善策の1つとして、小音量の時にも心地好い歪んだ音(ディストーション・サウンド)が出せるようにと、電気ギター(エレクトリック・ギター)出力信号を増幅回路である程度増幅してからギター・アンプに入力してやり、ギター・アンプ側入力段増幅回路に過大入力を与える事で振幅制限を起こさせて歪み(ディストーション)を得る音色変換装置(サウンド・エフェクター)としてパワー・ブースターと呼ばれるものが考え出され、電気ギター(エレクトリック・ギター)とギター・アンプの間に挿入接続して使用された。パワー・プースターは、元々ギター・アンプの最大出力音量時でも極端に音が歪まないように設計されていた初期のギター・アンプに対しても適度に歪み(ディストーション)感を与えるものであった。しかしながら、ギター・アンプ側から見れば想定外の過大入力は大きな負担が掛かり、アンプが煙を吹いたりスピーカーがすぐに破損したり等というトラブルになる事が多かった。
そしてギター・アンプは、従来の入力端子であるノーマル・チャンネルに加え、初めからパワー・ブースト用増幅回路を内臓させて歪み音(ディストーション・サウンド)を出せる入力端子であるオーバー・ドライブ・チャンネルを装備するものも出て来た。
一方、電気ギター(エレクトリック・ギター)の音色を変える音色変換装置(サウンド・エフェクター)にも色々な物が出始め、異なる音色変換装置(サウンド・エフェクター)を電気ギター(エレクトリック・ギター)とギター・アンプの間に連結挿入接続して同時に効果ON(エフェクト・オン)使用して独持な音色効果(サウンド・エフェクト)を得る使い方も普通に行われるようになると、ギター・アンプ側で歪み音(ディストーション・サウンド)を作成するのは音作りの面で不都合な場合が出て来た。
そこで新たにオペアンプIC(集積回路)等で増幅した後、ダイオードの正逆両方向ペア接続による振幅制限(クリップ)回路で対称矩形波を得るようにして歪み(ディストーション)を得る音色変換装置(サウンド・エフェクター)としてディストーション・ボックスと呼ばれるものが考え出され、電気ギター(エレクトリック・ギター)とギター・アンプの間に挿入接続して使用された。これによる音(ディストーション・サウンド)は上記ファズ音(ファズ・サウンド)と比べて聴感上格段に歪み方の質が良く、電気ギター奏者(エレクトリック・ギター・プレイヤー)のピッキングのタッチ、ニュアンスをかなり再現・反映出来るようになったのであるが、どちらかと言えば上記ファズ音(ファズ・サウンド)の方が温かみがあって、アナログ記録のレコードに比べてデジタル記録のCD(コンパクト・ディスク)の音の違いのように、音(サウンド)に温かみの無いザラ付いた軽い音で固さが目立ち、真空管式ギター・アンプ(チューブ・アンプ)の最大出力音量時におけるオーバー・ドライブ・サウンドのような心地好い適度な歪み(ディストーション)感と比べると物足りなさがあった。
ディストーション・ボックスと呼ばれる音色変換装置(サウンド・エフェクター)の基本回路は図4で示され、ダイオード(D4,D5)の正逆両方向ペア接続による振幅制限(クリップ)回路Xの入出力特性図は図6で示されるが、ダイオードの正逆両方向ペア接続による振幅制限(クリップ)回路をオペアンプIC(集積回路)Uの負帰還(ネガティブ・フィード・バック)回路に挿入するタイプの図5で示される基本回路のものも使われている。
図4及び図5の出力波形は、いずれも対称矩形波であり、対称矩形波は偶数倍音を全く含まない奇数倍音のみで構成された倍音構造(スペクトル)を持ち、その音色は刺激的でミュージック・シンセサイザーではクラリネットのような閉管系の楽器音を合成する時の音源波形として良く用いられている。
解決しようとする問題点は、真空管式ギター・アンプ(チューブ・アンプ)の最大出力音量時におけるオーバー・ドライブ・サウンドに代表されるような心地好い適度な歪み(ディストーション)感が得られていない点である。
本発明は、楽音入力信号を増幅するオペアンプIC(集積回路)の出力端に振幅制限(クリップ)波形調整回路を付加して非対称矩形波出力が得られるように設定出来ることを最も主要な特徴とする。非対称矩形波出力が得られるように設定することで、その出力信号音は偶数倍音と奇数倍音を共に含み、心地好く聞こえる偶数倍音を含む分、相対的に奇数倍音のみの対称矩形波出力よりは刺激性が少ない歪み(ディストーション)感が得られ、心地好い適度な歪み(ディストーション)感を得るという目的を、最小の部品点数で実現した。
図9の波形2cのような非対称矩形波出力が得られるように半固定抵抗器VRを調節した本発明のオーバー・ドライブ・ボックスは、偶数倍音と奇数倍音を共に含む非対称矩形波出力なので、心地好く聞こえる偶数倍音を含む分、相対的に奇数倍音のみの対称矩形波出力よりは刺激性が少ない歪み(ディストーション)感が得られ、上記ファズ・ボックス系の音(サウンド)ながら従来の対称矩形波出力型ディストーション・ボックスよりもより真空管式ギター・アンプ(チューブ・アンプ)のオーバー・ドライブ・サウンドに近い心地好い適度な歪み(ディストーション)感が得られるようになった。
従来よりより心地好い適度な歪み(ディストーション)感を得られるようになったことで、電気ベース(エレクトリック・ベース)や電気バイオリン(エレクトリック・バイオリン)や電気管楽器等の他の電気楽器にも併用し易くなった。
対称矩形波出力を行うのと非対称矩形波出力を行うのとを切り替える為のスイッチを備えれば、低コストで高品位に改良したファズ・ボックス系音(サウンド)とディストーション・ボックス系音(サウンド)という歪み音(ディストーション・サウンド)の違いを曲に応じて素早く切り替え使い分けられる製品に出来る。
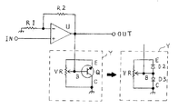
本発明の基本回路は図1で示され、楽音入力信号を増幅するオペアンプIC(集積回路)Uと、点線枠部分で示した半固定抵抗器VRとダイオードD1とで構成された振幅制限(クリップ)波形調整回路Yとを備え、該オペアンプIC(集積回路)Uの出力端子と信号基準点(グラウンド)間に該振幅制限(クリップ)波形調整回路Yを結線付加して、該オペアンプIC(集積回路)Uの出力波形を該半固定抵抗器VRの調節で調整出来るようにしている。
図1において例えばダイオードD1のカソード側が出力端子OUTに結線されている場合で入力端子INに正弦波を入力した場合、半固定抵抗器VRの調節具合によって出力端子OUTに現れる出力波形は、例えば図7に示される波形2aから図11に示される波形2eへと徐々に変化していく。図8及び図9の波形2b,2cが非対称矩形波で、図10及び図11の波形2d,2eは対称矩形波となっている。
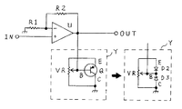
図2は、図1における振幅制限(クリップ)波形調整回路YのダイオードD1をトランジスタQのベースB−コレクタC間PN接合D3で等価的に置き換えて構成し、該トランジスタQのベースB−エミッタE間PN接合D2を半固定抵抗器VRの一端に結線して実施した場合の実施例を示している。図2の入力端子INに正弦波を入力した場合、半固定抵抗器VRの調節具合によって出力端子OUTに現れる出力波形は、先ず下側(マイナス側)だけが振幅制限(クリップ)された図7に示される波形2aから図11に示される波形2eへと徐々に変化していく。
図3は、図2におけるPNP型トランジスタQをNPN型トランジスタQに置き換えて実施した例を示しているが、ベースB−エミッタE間のPN接合D2の方向と、ベースB−コレクタC間のPN接合D3の方向は、それぞれ図2とは逆向きになる。図3の入力端子INに正弦波を入力した場合、半固定抵抗器VRの調節具合によって出力端子OUTに現れる出力波形は、図2における出力波形を上下ひっくり返したような形で現れ、先ず上側(プラス側)だけが振幅制限(クリップ)された例えば図7に示される波形2aの上下反転したような波形から図11に示される波形2eの上下反転したような波形へと徐々に変化していく。
図1における振幅制限(クリップ)波形調整回路YのダイオードD1として、検波用ダイオード、スイッチング用ダイオード、整流用ダイオード、発光ダイオード(LED)、定電圧ダイオード(ツェナー・ダイオード)等どんなダイオードで実施しても良いし、その他所謂ダイオードとして分類されていない半導体素子例えばトランジスタ、電界効果トランジスタ(FET)等のPN接合で等価的に置き換えて実施しても良い。
2a,2b,2c,2d,2e 本発明を使用した実施例の図2の回路における出力波形
B トランジスタQのベース端子
C トランジスタQのコレクタ端子
E トランジスタQのエミッタ端子
D1,D4,D5,D6,D7 ダイオード
D2,D3 トランジスタQのPN接合
R1,R2,R3 固定抵抗器
Q トランジスタ
U オペアンプIC(集積回路)
VI 振幅制限(クリップ)回路Xの入力電圧
VO 振幅制限(クリップ)回路Xの出力電圧
VR 半固定抵抗器
X 振幅制限(クリップ)回路
Y 振幅制限(クリップ)波形調整回路
B トランジスタQのベース端子
C トランジスタQのコレクタ端子
E トランジスタQのエミッタ端子
D1,D4,D5,D6,D7 ダイオード
D2,D3 トランジスタQのPN接合
R1,R2,R3 固定抵抗器
Q トランジスタ
U オペアンプIC(集積回路)
VI 振幅制限(クリップ)回路Xの入力電圧
VO 振幅制限(クリップ)回路Xの出力電圧
VR 半固定抵抗器
X 振幅制限(クリップ)回路
Y 振幅制限(クリップ)波形調整回路
Claims (2)
- 楽音入力信号を増幅するオペアンプIC(集積回路)(U)と、半固定抵抗器(VR)とダイオード(D1)とで構成された振幅制限(クリップ)波形調整回路(Y)とを備え、該オペアンプIC(集積回路)(U)の出力端子と信号基準点(グラウンド)間に該振幅制限(クリップ)波形調整回路(Y)を結線して、該オペアンプIC(集積回路)(U)の出力端子から非対称矩形波出力を得ることを特徴とするオーバー・ドライブ・ボックス
- 振幅制限(クリップ)波形調整回路(Y)のダイオード(D1)をトランジスタ(Q)のベース(B)−コレクタ(C)間PN接合(D3)で等価的に置き換えて構成し、該トランジスタ(Q)のベース(B)−エミッタ(E)間PN接合(D2)を半固定抵抗器(VR)の一端に結線することを特徴とする請求項1のオーバー・ドライブ・ボックス
Priority Applications (1)
| Application Number | Priority Date | Filing Date | Title |
|---|---|---|---|
| JP2006194870A JP2007334273A (ja) | 2006-06-19 | 2006-06-19 | オーバー・ドライブ・ボックス |
Applications Claiming Priority (1)
| Application Number | Priority Date | Filing Date | Title |
|---|---|---|---|
| JP2006194870A JP2007334273A (ja) | 2006-06-19 | 2006-06-19 | オーバー・ドライブ・ボックス |
Publications (1)
| Publication Number | Publication Date |
|---|---|
| JP2007334273A true JP2007334273A (ja) | 2007-12-27 |
Family
ID=38933776
Family Applications (1)
| Application Number | Title | Priority Date | Filing Date |
|---|---|---|---|
| JP2006194870A Pending JP2007334273A (ja) | 2006-06-19 | 2006-06-19 | オーバー・ドライブ・ボックス |
Country Status (1)
| Country | Link |
|---|---|
| JP (1) | JP2007334273A (ja) |
Cited By (3)
| Publication number | Priority date | Publication date | Assignee | Title |
|---|---|---|---|---|
| ES2319955A1 (es) * | 2008-12-02 | 2009-05-14 | Universidad Politecnica De Madrid | Procedimiento de amplificacion de señales de audio generadas por instrumentos musicales para preamplificacion de estado solido. |
| JP2014142437A (ja) * | 2013-01-23 | 2014-08-07 | Korg Inc | 効果付加装置 |
| JP2016528832A (ja) * | 2013-08-14 | 2016-09-15 | ナショナル リサーチ カウンシル オブ カナダ | クリップされた増幅器 |
-
2006
- 2006-06-19 JP JP2006194870A patent/JP2007334273A/ja active Pending
Cited By (5)
| Publication number | Priority date | Publication date | Assignee | Title |
|---|---|---|---|---|
| ES2319955A1 (es) * | 2008-12-02 | 2009-05-14 | Universidad Politecnica De Madrid | Procedimiento de amplificacion de señales de audio generadas por instrumentos musicales para preamplificacion de estado solido. |
| ES2319955B2 (es) * | 2008-12-02 | 2009-09-22 | Universidad Politecnica De Madrid | Procedimiento de amplificacion de señales de audio generadas por instrumentos musicales para preamplificadores de estado solido. |
| JP2014142437A (ja) * | 2013-01-23 | 2014-08-07 | Korg Inc | 効果付加装置 |
| JP2016528832A (ja) * | 2013-08-14 | 2016-09-15 | ナショナル リサーチ カウンシル オブ カナダ | クリップされた増幅器 |
| US10164595B2 (en) | 2013-08-14 | 2018-12-25 | The Governors Of The University Of Alberta | Clipped amplifier |
Similar Documents
| Publication | Publication Date | Title |
|---|---|---|
| CN104081663B (zh) | 吉他放大器 | |
| Corbett | Mic it!: microphones, microphone techniques, and their impact on the final mix | |
| CN101103391A (zh) | 便携式多功能音响系统及其方法 | |
| US20130077801A1 (en) | Distortion control techniques and configurations | |
| Hamm | Tubes versus transistors-is there an audible difference | |
| CN108401498A (zh) | 分频模块化耳机和音频控制方法 | |
| WO2000039786A1 (fr) | Procede et appareil de production d'effet sonore et support de stockage d'un programme | |
| US4345502A (en) | Musical instrument performance amplifier | |
| JP3351905B2 (ja) | 音声信号処理装置 | |
| JP4173922B2 (ja) | 電気モノラル/ステレオ弦共鳴器付楽器 | |
| JP2007334273A (ja) | オーバー・ドライブ・ボックス | |
| US20020111703A1 (en) | Musician's practice recorder | |
| Stark | Live sound reinforcement: A comprehensive guide to PA and music reinforcement systems and technology | |
| US10680562B2 (en) | Guitar amplifier system and method | |
| USH1503H (en) | Cordless electric guitar | |
| CN201266484Y (zh) | 电子二胡 | |
| JP3662116B2 (ja) | 真空管アンプの出力信号増幅装置 | |
| WO2022144941A1 (en) | Distortion system for guitar | |
| JP7432131B1 (ja) | インピーダンス変換装置および信号処理装置 | |
| JP2002318583A (ja) | マイク付きギター | |
| CN105744443A (zh) | 用于弦乐器的数字音频处理系统 | |
| US9247339B2 (en) | Loudspeaker design | |
| CN201765817U (zh) | 在带有共鸣器的乐器上设置的简便伴奏附接设备 | |
| RU178464U1 (ru) | Автономная система звуковоспроизведения для струнных электромузыкальных инструментов с цельными корпусами | |
| JPS63269199A (ja) | 効果音発生器 |