EP2289757A3 - Method for calibrating a wheel sensor of an assembly for determining whether a track is free or occupied, wheel sensor and assembly - Google Patents
Method for calibrating a wheel sensor of an assembly for determining whether a track is free or occupied, wheel sensor and assembly Download PDFInfo
- Publication number
- EP2289757A3 EP2289757A3 EP10170574A EP10170574A EP2289757A3 EP 2289757 A3 EP2289757 A3 EP 2289757A3 EP 10170574 A EP10170574 A EP 10170574A EP 10170574 A EP10170574 A EP 10170574A EP 2289757 A3 EP2289757 A3 EP 2289757A3
- Authority
- EP
- European Patent Office
- Prior art keywords
- wheel sensor
- calibration
- assembly
- calibrating
- track
- Prior art date
- Legal status (The legal status is an assumption and is not a legal conclusion. Google has not performed a legal analysis and makes no representation as to the accuracy of the status listed.)
- Granted
Links
- 238000000034 method Methods 0.000 title abstract 4
- 238000001514 detection method Methods 0.000 abstract 5
- 102100035368 Growth/differentiation factor 6 Human genes 0.000 abstract 2
- 101001023964 Homo sapiens Growth/differentiation factor 6 Proteins 0.000 abstract 2
- 238000012423 maintenance Methods 0.000 abstract 1
Classifications
-
- B—PERFORMING OPERATIONS; TRANSPORTING
- B61—RAILWAYS
- B61L—GUIDING RAILWAY TRAFFIC; ENSURING THE SAFETY OF RAILWAY TRAFFIC
- B61L1/00—Devices along the route controlled by interaction with the vehicle or train
- B61L1/16—Devices for counting axles; Devices for counting vehicles
- B61L1/169—Diagnosis
Landscapes
- Engineering & Computer Science (AREA)
- Health & Medical Sciences (AREA)
- Biomedical Technology (AREA)
- General Health & Medical Sciences (AREA)
- Automation & Control Theory (AREA)
- Mechanical Engineering (AREA)
- Train Traffic Observation, Control, And Security (AREA)
Abstract
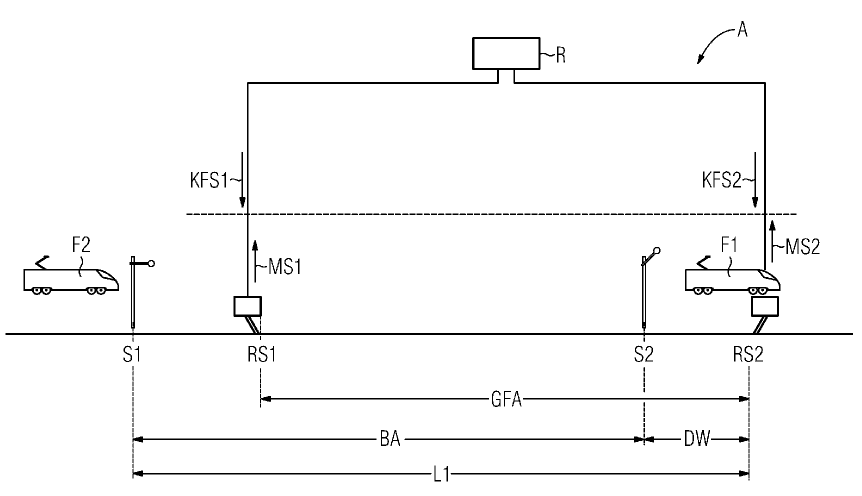
Die Erfindung betrifft ein Verfahren zum Kalibrieren eines Radsensors (RS1, RS2) einer Gleisfreimeldeanlage (A), wobei durch das Verfahren ein automatisches Kalibrieren beziehungsweise Einmessen des Radsensors (RS1, RS2) ermöglicht wird, ohne dass hierfür Wartungspersonal im Gleis erforderlich ist.The invention relates to a method for calibrating a wheel sensor (RS1, RS2) of a train detection system (A), wherein the method allows an automatic calibration or calibration of the wheel sensor (RS1, RS2) without the need for maintenance personnel in the track.
Erfindungsgemäß läuft das Verfahren zum Kalibrieren des Radsensors (RS1, RS2) der Gleisfreimeldeanlage (A) hierzu derart ab, dass von einem Steuerrechner (R) der Gleisfreimeldeanlage (A) auf das Freiwerden eines von dem Radsensor (RS1, RS2) überwachten Gleisfreimeldeabschnitts (GFA) hin ein die Zulässigkeit einer Kalibrierung des Radsensors (RS1, RS2) anzeigendes Kalibrierungs-Freigabe-Signal (KFS1, KFS2) an den Radsensor (RS1, RS2) übermittelt wird, von dem Radsensor (RS1, RS2) auf das Empfangen des Kalibrierungs-Freigabe-Signals (KFS1, KFS2) hin ermittelt wird, ob eine Kalibrierung durchzuführen ist, und, sofern dies der Fall ist, von dem Radsensor (RS1, RS2) eine Kalibrierung seiner selbst durchführt wird.According to the invention, the method for calibrating the wheel sensor (RS1, RS2) of the train detection system (A) runs in such a way that from a control computer (R) of the train detection system (A) on the release of a free track detection section (GFA ), a calibration enable signal (KFS1, KFS2) indicating the permissibility of a calibration of the wheel sensor (RS1, RS2) is transmitted to the wheel sensor (RS1, RS2) from the wheel sensor (RS1, RS2) to receive the calibration Release signal (KFS1, KFS2) is determined as to whether a calibration is to be performed, and, if so, by the wheel sensor (RS1, RS2), a calibration of itself is performed.
Die Erfindung betrifft des Weiteren einen Radsensor (RS1, RS2) sowie eine Gleisfreimeldeanlage. The invention further relates to a wheel sensor (RS1, RS2) and a train detection system.
Applications Claiming Priority (1)
| Application Number | Priority Date | Filing Date | Title |
|---|---|---|---|
| DE200910037369 DE102009037369A1 (en) | 2009-08-11 | 2009-08-11 | Method for calibrating a wheel sensor of a train detection system, wheel sensor and train detection system |
Publications (3)
| Publication Number | Publication Date |
|---|---|
| EP2289757A2 EP2289757A2 (en) | 2011-03-02 |
| EP2289757A3 true EP2289757A3 (en) | 2011-09-07 |
| EP2289757B1 EP2289757B1 (en) | 2012-05-30 |
Family
ID=43033112
Family Applications (1)
| Application Number | Title | Priority Date | Filing Date |
|---|---|---|---|
| EP20100170574 Not-in-force EP2289757B1 (en) | 2009-08-11 | 2010-07-23 | Method for calibrating a wheel sensor of an assembly for determining whether a track is free or occupied, wheel sensor and assembly |
Country Status (3)
| Country | Link |
|---|---|
| EP (1) | EP2289757B1 (en) |
| DE (1) | DE102009037369A1 (en) |
| ES (1) | ES2384093T3 (en) |
Families Citing this family (3)
| Publication number | Priority date | Publication date | Assignee | Title |
|---|---|---|---|---|
| DE102011081424A1 (en) | 2011-08-23 | 2013-02-28 | Siemens Aktiengesellschaft | A method for detecting state changes in an arrangement and arrangement for detecting state changes |
| PL2899093T3 (en) | 2014-01-27 | 2018-11-30 | Thales Management & Services Deutschland Gmbh | Redundancy Switching of Detection Points |
| DE102016225276A1 (en) | 2016-12-16 | 2018-06-21 | Siemens Aktiengesellschaft | Method for calibrating a wheel sensor and corresponding wheel sensor |
Citations (3)
| Publication number | Priority date | Publication date | Assignee | Title |
|---|---|---|---|---|
| US5395078A (en) * | 1991-12-09 | 1995-03-07 | Servo Corporation Of America | Low speed wheel presence transducer for railroads with self calibration |
| US6371417B1 (en) * | 1997-09-04 | 2002-04-16 | L.B. Foster Company A. Pennsylvania Corp. | Railway wheel counter and block control systems |
| US20080303518A1 (en) * | 2007-06-05 | 2008-12-11 | Heyden Thomas J | Railcar presence detector |
-
2009
- 2009-08-11 DE DE200910037369 patent/DE102009037369A1/en not_active Withdrawn
-
2010
- 2010-07-23 ES ES10170574T patent/ES2384093T3/en active Active
- 2010-07-23 EP EP20100170574 patent/EP2289757B1/en not_active Not-in-force
Patent Citations (3)
| Publication number | Priority date | Publication date | Assignee | Title |
|---|---|---|---|---|
| US5395078A (en) * | 1991-12-09 | 1995-03-07 | Servo Corporation Of America | Low speed wheel presence transducer for railroads with self calibration |
| US6371417B1 (en) * | 1997-09-04 | 2002-04-16 | L.B. Foster Company A. Pennsylvania Corp. | Railway wheel counter and block control systems |
| US20080303518A1 (en) * | 2007-06-05 | 2008-12-11 | Heyden Thomas J | Railcar presence detector |
Non-Patent Citations (1)
| Title |
|---|
| BAUER F-L ET AL: "EINSTELL- UND DIAGNOSEGERATE FUR ACHSZAHLUNG", SIGNAL + DRAHT, TELZLAFF VERLAG GMBH. DARMSTADT, DE, vol. 79, no. 7/08, 1 July 1987 (1987-07-01), pages 173 - 178, XP000006102, ISSN: 0037-4997 * |
Also Published As
| Publication number | Publication date |
|---|---|
| ES2384093T3 (en) | 2012-06-29 |
| DE102009037369A1 (en) | 2011-02-17 |
| EP2289757A2 (en) | 2011-03-02 |
| EP2289757B1 (en) | 2012-05-30 |
Similar Documents
| Publication | Publication Date | Title |
|---|---|---|
| EP2218624A3 (en) | Wheel sensor, rail assembly with at least one wheel sensor and method for operating a rail assembly | |
| EP2056201A3 (en) | Method, computing system and computer program product | |
| EP2050640A3 (en) | Control device and method for assisting parking | |
| EP2500475A3 (en) | Method and advice for self-actuated rinsing of pipes | |
| EP2336070A8 (en) | Method for remote diagnosis of a lift assembly and lift assembly for executing the method | |
| EP2289757A3 (en) | Method for calibrating a wheel sensor of an assembly for determining whether a track is free or occupied, wheel sensor and assembly | |
| EP1930696A3 (en) | Method and device for controlling the display of information in two areas on a display screen in a means of transport | |
| DE102008034018B3 (en) | Method for detection of coupling condition of railway connector, involves detecting measuring value by tilt sensor provided at coupling elements of railway connector | |
| EP2073701A4 (en) | Method and system for automatic quality control used in computerized analysis of ct angiography | |
| ATE534577T1 (en) | METHOD AND DEVICE FOR AUTOMATIC ERROR ANALYSIS AND DIAGNOSTIC TESTING OF AN AIRCRAFT | |
| EP2511146A3 (en) | Automatic brake monitoring | |
| EP2216144A3 (en) | System and method to check components and/or functional devices with a testing device | |
| EP2172593A3 (en) | Method and apparatus for inspecting cables | |
| EP2557020A3 (en) | Method to support a driver when parking | |
| EP2083260A3 (en) | Component surface inspection method and device | |
| ZA202206196B (en) | Improved system for train terminal test | |
| EP1631014A3 (en) | Method and device for coupling critical processes to a bus | |
| EP2177403A3 (en) | Method for detecting deformations at a vehicle component and motor vehicle | |
| EP2685660A3 (en) | Method and system for the detection, transmission, and analysis of safety-related signals | |
| EP1681221A3 (en) | Method for detection of malfunction from parts of the drive line of an automotive vehicle | |
| AT521992A3 (en) | System and method for testing a driver assistance system of a motor vehicle | |
| EP2441633A3 (en) | Method and device for operating a vehicle, in particular a commercial or motor vehicle | |
| EP2193973A3 (en) | Method and device for testing units that influence trains with status data of track signals in relay interlocking systems | |
| EP2130740A3 (en) | Control device for a gravity shunting yard for rail traffic and method for operating such a yard | |
| EP1992541A3 (en) | Monitoring device for the wheelsets of rail vehicles |
Legal Events
| Date | Code | Title | Description |
|---|---|---|---|
| PUAI | Public reference made under article 153(3) epc to a published international application that has entered the european phase |
Free format text: ORIGINAL CODE: 0009012 |
|
| AK | Designated contracting states |
Kind code of ref document: A2 Designated state(s): AL AT BE BG CH CY CZ DE DK EE ES FI FR GB GR HR HU IE IS IT LI LT LU LV MC MK MT NL NO PL PT RO SE SI SK SM TR |
|
| AX | Request for extension of the european patent |
Extension state: BA ME RS |
|
| PUAL | Search report despatched |
Free format text: ORIGINAL CODE: 0009013 |
|
| AK | Designated contracting states |
Kind code of ref document: A3 Designated state(s): AL AT BE BG CH CY CZ DE DK EE ES FI FR GB GR HR HU IE IS IT LI LT LU LV MC MK MT NL NO PL PT RO SE SI SK SM TR |
|
| AX | Request for extension of the european patent |
Extension state: BA ME RS |
|
| RIC1 | Information provided on ipc code assigned before grant |
Ipc: B61L 1/16 20060101AFI20110729BHEP |
|
| 17P | Request for examination filed |
Effective date: 20111010 |
|
| GRAP | Despatch of communication of intention to grant a patent |
Free format text: ORIGINAL CODE: EPIDOSNIGR1 |
|
| GRAS | Grant fee paid |
Free format text: ORIGINAL CODE: EPIDOSNIGR3 |
|
| GRAA | (expected) grant |
Free format text: ORIGINAL CODE: 0009210 |
|
| AK | Designated contracting states |
Kind code of ref document: B1 Designated state(s): AL AT BE BG CH CY CZ DE DK EE ES FI FR GB GR HR HU IE IS IT LI LT LU LV MC MK MT NL NO PL PT RO SE SI SK SM TR |
|
| REG | Reference to a national code |
Ref country code: GB Ref legal event code: FG4D Free format text: NOT ENGLISH |
|
| REG | Reference to a national code |
Ref country code: CH Ref legal event code: NV Representative=s name: SIEMENS SCHWEIZ AG Ref country code: CH Ref legal event code: EP |
|
| REG | Reference to a national code |
Ref country code: AT Ref legal event code: REF Ref document number: 559933 Country of ref document: AT Kind code of ref document: T Effective date: 20120615 |
|
| REG | Reference to a national code |
Ref country code: IE Ref legal event code: FG4D Free format text: LANGUAGE OF EP DOCUMENT: GERMAN |
|
| REG | Reference to a national code |
Ref country code: ES Ref legal event code: FG2A Ref document number: 2384093 Country of ref document: ES Kind code of ref document: T3 Effective date: 20120629 |
|
| REG | Reference to a national code |
Ref country code: DE Ref legal event code: R096 Ref document number: 502010000823 Country of ref document: DE Effective date: 20120802 |
|
| REG | Reference to a national code |
Ref country code: NL Ref legal event code: T3 |
|
| REG | Reference to a national code |
Ref country code: LT Ref legal event code: MG4D Effective date: 20120523 |
|
| PG25 | Lapsed in a contracting state [announced via postgrant information from national office to epo] |
Ref country code: NO Free format text: LAPSE BECAUSE OF FAILURE TO SUBMIT A TRANSLATION OF THE DESCRIPTION OR TO PAY THE FEE WITHIN THE PRESCRIBED TIME-LIMIT Effective date: 20120830 Ref country code: CY Free format text: LAPSE BECAUSE OF FAILURE TO SUBMIT A TRANSLATION OF THE DESCRIPTION OR TO PAY THE FEE WITHIN THE PRESCRIBED TIME-LIMIT Effective date: 20120530 Ref country code: IS Free format text: LAPSE BECAUSE OF FAILURE TO SUBMIT A TRANSLATION OF THE DESCRIPTION OR TO PAY THE FEE WITHIN THE PRESCRIBED TIME-LIMIT Effective date: 20120930 Ref country code: FI Free format text: LAPSE BECAUSE OF FAILURE TO SUBMIT A TRANSLATION OF THE DESCRIPTION OR TO PAY THE FEE WITHIN THE PRESCRIBED TIME-LIMIT Effective date: 20120530 Ref country code: LT Free format text: LAPSE BECAUSE OF FAILURE TO SUBMIT A TRANSLATION OF THE DESCRIPTION OR TO PAY THE FEE WITHIN THE PRESCRIBED TIME-LIMIT Effective date: 20120530 Ref country code: SE Free format text: LAPSE BECAUSE OF FAILURE TO SUBMIT A TRANSLATION OF THE DESCRIPTION OR TO PAY THE FEE WITHIN THE PRESCRIBED TIME-LIMIT Effective date: 20120530 |
|
| PG25 | Lapsed in a contracting state [announced via postgrant information from national office to epo] |
Ref country code: GR Free format text: LAPSE BECAUSE OF FAILURE TO SUBMIT A TRANSLATION OF THE DESCRIPTION OR TO PAY THE FEE WITHIN THE PRESCRIBED TIME-LIMIT Effective date: 20120831 Ref country code: SI Free format text: LAPSE BECAUSE OF FAILURE TO SUBMIT A TRANSLATION OF THE DESCRIPTION OR TO PAY THE FEE WITHIN THE PRESCRIBED TIME-LIMIT Effective date: 20120530 Ref country code: LV Free format text: LAPSE BECAUSE OF FAILURE TO SUBMIT A TRANSLATION OF THE DESCRIPTION OR TO PAY THE FEE WITHIN THE PRESCRIBED TIME-LIMIT Effective date: 20120530 Ref country code: HR Free format text: LAPSE BECAUSE OF FAILURE TO SUBMIT A TRANSLATION OF THE DESCRIPTION OR TO PAY THE FEE WITHIN THE PRESCRIBED TIME-LIMIT Effective date: 20120530 |
|
| BERE | Be: lapsed |
Owner name: SIEMENS A.G. Effective date: 20120731 |
|
| PG25 | Lapsed in a contracting state [announced via postgrant information from national office to epo] |
Ref country code: SK Free format text: LAPSE BECAUSE OF FAILURE TO SUBMIT A TRANSLATION OF THE DESCRIPTION OR TO PAY THE FEE WITHIN THE PRESCRIBED TIME-LIMIT Effective date: 20120530 Ref country code: EE Free format text: LAPSE BECAUSE OF FAILURE TO SUBMIT A TRANSLATION OF THE DESCRIPTION OR TO PAY THE FEE WITHIN THE PRESCRIBED TIME-LIMIT Effective date: 20120530 Ref country code: DK Free format text: LAPSE BECAUSE OF FAILURE TO SUBMIT A TRANSLATION OF THE DESCRIPTION OR TO PAY THE FEE WITHIN THE PRESCRIBED TIME-LIMIT Effective date: 20120530 Ref country code: CZ Free format text: LAPSE BECAUSE OF FAILURE TO SUBMIT A TRANSLATION OF THE DESCRIPTION OR TO PAY THE FEE WITHIN THE PRESCRIBED TIME-LIMIT Effective date: 20120530 Ref country code: RO Free format text: LAPSE BECAUSE OF FAILURE TO SUBMIT A TRANSLATION OF THE DESCRIPTION OR TO PAY THE FEE WITHIN THE PRESCRIBED TIME-LIMIT Effective date: 20120530 |
|
| PG25 | Lapsed in a contracting state [announced via postgrant information from national office to epo] |
Ref country code: MC Free format text: LAPSE BECAUSE OF NON-PAYMENT OF DUE FEES Effective date: 20120731 Ref country code: PL Free format text: LAPSE BECAUSE OF FAILURE TO SUBMIT A TRANSLATION OF THE DESCRIPTION OR TO PAY THE FEE WITHIN THE PRESCRIBED TIME-LIMIT Effective date: 20120530 Ref country code: PT Free format text: LAPSE BECAUSE OF FAILURE TO SUBMIT A TRANSLATION OF THE DESCRIPTION OR TO PAY THE FEE WITHIN THE PRESCRIBED TIME-LIMIT Effective date: 20121001 Ref country code: MK Free format text: LAPSE BECAUSE OF FAILURE TO SUBMIT A TRANSLATION OF THE DESCRIPTION OR TO PAY THE FEE WITHIN THE PRESCRIBED TIME-LIMIT Effective date: 20120530 |
|
| RAP2 | Party data changed (patent owner data changed or rights of a patent transferred) |
Owner name: SIEMENS AKTIENGESELLSCHAFT |
|
| PLBE | No opposition filed within time limit |
Free format text: ORIGINAL CODE: 0009261 |
|
| STAA | Information on the status of an ep patent application or granted ep patent |
Free format text: STATUS: NO OPPOSITION FILED WITHIN TIME LIMIT |
|
| 26N | No opposition filed |
Effective date: 20130301 |
|
| REG | Reference to a national code |
Ref country code: IE Ref legal event code: MM4A |
|
| PG25 | Lapsed in a contracting state [announced via postgrant information from national office to epo] |
Ref country code: BE Free format text: LAPSE BECAUSE OF NON-PAYMENT OF DUE FEES Effective date: 20120731 |
|
| REG | Reference to a national code |
Ref country code: DE Ref legal event code: R097 Ref document number: 502010000823 Country of ref document: DE Effective date: 20130301 |
|
| PG25 | Lapsed in a contracting state [announced via postgrant information from national office to epo] |
Ref country code: BG Free format text: LAPSE BECAUSE OF FAILURE TO SUBMIT A TRANSLATION OF THE DESCRIPTION OR TO PAY THE FEE WITHIN THE PRESCRIBED TIME-LIMIT Effective date: 20120830 Ref country code: IE Free format text: LAPSE BECAUSE OF NON-PAYMENT OF DUE FEES Effective date: 20120723 Ref country code: MT Free format text: LAPSE BECAUSE OF FAILURE TO SUBMIT A TRANSLATION OF THE DESCRIPTION OR TO PAY THE FEE WITHIN THE PRESCRIBED TIME-LIMIT Effective date: 20120530 |
|
| PG25 | Lapsed in a contracting state [announced via postgrant information from national office to epo] |
Ref country code: AL Free format text: LAPSE BECAUSE OF FAILURE TO SUBMIT A TRANSLATION OF THE DESCRIPTION OR TO PAY THE FEE WITHIN THE PRESCRIBED TIME-LIMIT Effective date: 20120530 |
|
| PG25 | Lapsed in a contracting state [announced via postgrant information from national office to epo] |
Ref country code: TR Free format text: LAPSE BECAUSE OF FAILURE TO SUBMIT A TRANSLATION OF THE DESCRIPTION OR TO PAY THE FEE WITHIN THE PRESCRIBED TIME-LIMIT Effective date: 20120530 |
|
| PG25 | Lapsed in a contracting state [announced via postgrant information from national office to epo] |
Ref country code: LU Free format text: LAPSE BECAUSE OF NON-PAYMENT OF DUE FEES Effective date: 20120723 Ref country code: SM Free format text: LAPSE BECAUSE OF FAILURE TO SUBMIT A TRANSLATION OF THE DESCRIPTION OR TO PAY THE FEE WITHIN THE PRESCRIBED TIME-LIMIT Effective date: 20120530 |
|
| PG25 | Lapsed in a contracting state [announced via postgrant information from national office to epo] |
Ref country code: HU Free format text: LAPSE BECAUSE OF FAILURE TO SUBMIT A TRANSLATION OF THE DESCRIPTION OR TO PAY THE FEE WITHIN THE PRESCRIBED TIME-LIMIT Effective date: 20100723 |
|
| REG | Reference to a national code |
Ref country code: FR Ref legal event code: PLFP Year of fee payment: 7 |
|
| REG | Reference to a national code |
Ref country code: FR Ref legal event code: PLFP Year of fee payment: 8 |
|
| REG | Reference to a national code |
Ref country code: CH Ref legal event code: PCOW Free format text: NEW ADDRESS: WERNER-VON-SIEMENS-STRASSE 1, 80333 MUENCHEN (DE) |
|
| REG | Reference to a national code |
Ref country code: FR Ref legal event code: PLFP Year of fee payment: 9 |
|
| REG | Reference to a national code |
Ref country code: DE Ref legal event code: R081 Ref document number: 502010000823 Country of ref document: DE Owner name: SIEMENS MOBILITY GMBH, DE Free format text: FORMER OWNER: SIEMENS AKTIENGESELLSCHAFT, 80333 MUENCHEN, DE |
|
| REG | Reference to a national code |
Ref country code: CH Ref legal event code: PUE Owner name: SIEMENS MOBILITY GMBH, DE Free format text: FORMER OWNER: SIEMENS AKTIENGESELLSCHAFT, DE |
|
| REG | Reference to a national code |
Ref country code: GB Ref legal event code: 732E Free format text: REGISTERED BETWEEN 20190207 AND 20190213 |
|
| REG | Reference to a national code |
Ref country code: AT Ref legal event code: PC Ref document number: 559933 Country of ref document: AT Kind code of ref document: T Owner name: SIEMENS MOBILITY GMBH, DE Effective date: 20190506 |
|
| REG | Reference to a national code |
Ref country code: NL Ref legal event code: PD Owner name: SIEMENS MOBILITY GMBH; DE Free format text: DETAILS ASSIGNMENT: CHANGE OF OWNER(S), ASSIGNMENT; FORMER OWNER NAME: SIEMENS AKTIENGESELLSCHAFT Effective date: 20190829 |
|
| PGFP | Annual fee paid to national office [announced via postgrant information from national office to epo] |
Ref country code: FR Payment date: 20190716 Year of fee payment: 10 Ref country code: IT Payment date: 20190729 Year of fee payment: 10 |
|
| REG | Reference to a national code |
Ref country code: ES Ref legal event code: PC2A Owner name: SIEMENS MOBILITY GMBH Effective date: 20200805 |
|
| PG25 | Lapsed in a contracting state [announced via postgrant information from national office to epo] |
Ref country code: FR Free format text: LAPSE BECAUSE OF NON-PAYMENT OF DUE FEES Effective date: 20200731 |
|
| PGFP | Annual fee paid to national office [announced via postgrant information from national office to epo] |
Ref country code: NL Payment date: 20210705 Year of fee payment: 12 |
|
| PGFP | Annual fee paid to national office [announced via postgrant information from national office to epo] |
Ref country code: AT Payment date: 20210608 Year of fee payment: 12 |
|
| PGFP | Annual fee paid to national office [announced via postgrant information from national office to epo] |
Ref country code: GB Payment date: 20210802 Year of fee payment: 12 Ref country code: DE Payment date: 20210917 Year of fee payment: 12 |
|
| PGFP | Annual fee paid to national office [announced via postgrant information from national office to epo] |
Ref country code: ES Payment date: 20211025 Year of fee payment: 12 |
|
| PGFP | Annual fee paid to national office [announced via postgrant information from national office to epo] |
Ref country code: CH Payment date: 20211004 Year of fee payment: 12 |
|
| PG25 | Lapsed in a contracting state [announced via postgrant information from national office to epo] |
Ref country code: IT Free format text: LAPSE BECAUSE OF NON-PAYMENT OF DUE FEES Effective date: 20200723 |
|
| REG | Reference to a national code |
Ref country code: DE Ref legal event code: R119 Ref document number: 502010000823 Country of ref document: DE |
|
| REG | Reference to a national code |
Ref country code: CH Ref legal event code: PL |
|
| REG | Reference to a national code |
Ref country code: NL Ref legal event code: MM Effective date: 20220801 |
|
| REG | Reference to a national code |
Ref country code: AT Ref legal event code: MM01 Ref document number: 559933 Country of ref document: AT Kind code of ref document: T Effective date: 20220723 |
|
| GBPC | Gb: european patent ceased through non-payment of renewal fee |
Effective date: 20220723 |
|
| PG25 | Lapsed in a contracting state [announced via postgrant information from national office to epo] |
Ref country code: LI Free format text: LAPSE BECAUSE OF NON-PAYMENT OF DUE FEES Effective date: 20220731 Ref country code: CH Free format text: LAPSE BECAUSE OF NON-PAYMENT OF DUE FEES Effective date: 20220731 Ref country code: AT Free format text: LAPSE BECAUSE OF NON-PAYMENT OF DUE FEES Effective date: 20220723 |
|
| PG25 | Lapsed in a contracting state [announced via postgrant information from national office to epo] |
Ref country code: GB Free format text: LAPSE BECAUSE OF NON-PAYMENT OF DUE FEES Effective date: 20220723 Ref country code: DE Free format text: LAPSE BECAUSE OF NON-PAYMENT OF DUE FEES Effective date: 20230201 |
|
| PG25 | Lapsed in a contracting state [announced via postgrant information from national office to epo] |
Ref country code: NL Free format text: LAPSE BECAUSE OF NON-PAYMENT OF DUE FEES Effective date: 20220801 |
|
| REG | Reference to a national code |
Ref country code: ES Ref legal event code: FD2A Effective date: 20230901 |
|
| PG25 | Lapsed in a contracting state [announced via postgrant information from national office to epo] |
Ref country code: ES Free format text: LAPSE BECAUSE OF NON-PAYMENT OF DUE FEES Effective date: 20220724 |
