CN219206565U - Water drinking device - Google Patents
Water drinking device Download PDFInfo
- Publication number
- CN219206565U CN219206565U CN202223554586.5U CN202223554586U CN219206565U CN 219206565 U CN219206565 U CN 219206565U CN 202223554586 U CN202223554586 U CN 202223554586U CN 219206565 U CN219206565 U CN 219206565U
- Authority
- CN
- China
- Prior art keywords
- water
- module
- switching element
- water outlet
- temperature
- Prior art date
- Legal status (The legal status is an assumption and is not a legal conclusion. Google has not performed a legal analysis and makes no representation as to the accuracy of the status listed.)
- Active
Links
- XLYOFNOQVPJJNP-UHFFFAOYSA-N water Substances O XLYOFNOQVPJJNP-UHFFFAOYSA-N 0.000 title claims abstract description 335
- 230000035622 drinking Effects 0.000 title claims abstract description 38
- 238000010438 heat treatment Methods 0.000 claims abstract description 60
- 238000001816 cooling Methods 0.000 claims abstract description 33
- 239000000498 cooling water Substances 0.000 claims abstract description 21
- 238000001914 filtration Methods 0.000 claims description 16
- 239000013505 freshwater Substances 0.000 claims description 12
- 239000012141 concentrate Substances 0.000 claims description 10
- 230000001276 controlling effect Effects 0.000 claims description 9
- 239000002351 wastewater Substances 0.000 claims description 5
- 230000001105 regulatory effect Effects 0.000 claims description 3
- 230000007547 defect Effects 0.000 abstract description 5
- 238000000034 method Methods 0.000 description 7
- 238000011144 upstream manufacturing Methods 0.000 description 5
- 239000003651 drinking water Substances 0.000 description 4
- 235000020188 drinking water Nutrition 0.000 description 4
- 239000000523 sample Substances 0.000 description 3
- 239000002699 waste material Substances 0.000 description 3
- 230000008901 benefit Effects 0.000 description 2
- 238000004519 manufacturing process Methods 0.000 description 2
- 238000012986 modification Methods 0.000 description 2
- 230000004048 modification Effects 0.000 description 2
- 239000004065 semiconductor Substances 0.000 description 2
- 238000007599 discharging Methods 0.000 description 1
- 230000036541 health Effects 0.000 description 1
- 239000008236 heating water Substances 0.000 description 1
- 230000006872 improvement Effects 0.000 description 1
- 239000007788 liquid Substances 0.000 description 1
- 238000005192 partition Methods 0.000 description 1
- 230000008569 process Effects 0.000 description 1
- 239000007921 spray Substances 0.000 description 1
Images
Landscapes
- Devices That Are Associated With Refrigeration Equipment (AREA)
- Devices For Dispensing Beverages (AREA)
Abstract
The utility model relates to a drinking device, comprising: a clean water tank having a water inlet and a water outlet; the water inlet of the heating module is suitable for being connected with the water outlet of the water purifying tank; the hot water inlet is suitable for being connected with the water outlet of the heating module; the water inlet of the first waterway switching element is connected with the hot water outlet of the cooling module; the release structure is connected with the first water outlet of the first waterway switching element, the second water outlet of the first waterway switching element is connected with the water inlet of the water purifying tank, and the first waterway switching element is provided with a first state of connecting the water outlet of the cooling module with the release structure and a second state of communicating the water outlet of the cooling module with the return pipeline. The water drinking device can overcome the defects that a part of cooling water remains in the water drinking device in the prior art, so that the temperature of the taken water is low or time and water resources are wasted, and a user can take water with proper temperature on the premise of not wasting the water resources.
Description
Technical Field
The utility model relates to the technical field of household appliances, in particular to a water drinking device.
Background
The drinking device taking the boiled water machine as an example can firstly boil water and then rapidly cool the water to the required temperature, thereby conforming to the drinking habit of people in China. The method has the advantage that a user can quickly obtain cool white of the required temperature. With the improvement of the requirements of people on the health and safety of drinking water, cool and white products are favored by the vast users. The current boiled water machine mainly comprises a heating module capable of heating water, a cooling module capable of cooling water to a required temperature, and a release structure suitable for draining water.
However, as part of the cooling water remains in the heating module, the cooling module, the pipeline, the release structure and the like, the system can discharge the part of the cooling water when the cooling water is used next time. If the user directly takes water, the actual temperature of the first cup of water is lower than the set temperature; if the user waits for water taking, the waste of water resources is caused, and the waiting process consumes time.
Disclosure of Invention
Therefore, the utility model aims to overcome the defects that in the drinking water device in the prior art, a part of cooling water remains, so that the temperature of the taken water is lower than the set temperature or time and water resources are wasted, and further provides the drinking water device which can ensure that the water obtained by a user reaches the set temperature and does not waste the water resources.
In order to solve the above problems, the present utility model provides a drinking device comprising: a fresh water tank having a water inlet and a water outlet; the water inlet of the heating module is suitable for being connected with the water outlet of the water purifying tank; the hot water inlet of the cooling module is suitable for being connected with the water outlet of the heating module; the water inlet of the first waterway switching element is connected with the hot water outlet of the cooling module; the release structure is connected with the first water outlet of the first waterway switching element and is suitable for discharging water outwards, the second water outlet of the first waterway switching element is connected with the water inlet of the water purifying tank through a return pipeline, and the first waterway switching element is provided with a first state of connecting the water outlet of the cooling module with the release structure and a second state of communicating the water outlet of the cooling module with the return pipeline.
Further, the water dispenser further includes:
the first acquisition module is suitable for acquiring the water temperature at the release structure;
the control module is connected with the first acquisition module and the first waterway switching element and is suitable for controlling the first waterway switching element to switch to the second state when the acquisition temperature of the first acquisition module is judged to be equal to the room temperature, and controlling the first waterway switching element to switch to the first state when the acquisition temperature of the first acquisition module is higher than the room temperature.
Further, the water dispenser further includes:
the second acquisition module is suitable for acquiring the water temperature at the water purifying tank;
the third acquisition module is suitable for acquiring the water temperature at the water outlet of the heating module, the control module is in communication connection with the second acquisition module and the third acquisition module, and is suitable for controlling the first waterway switching element to switch to the second state when judging that the acquisition temperature of the first acquisition module and the third acquisition module is equal to the acquisition temperature of the second acquisition module, and controlling the first waterway switching element to switch to the first state when judging that the acquisition temperature of the first acquisition module and the third acquisition module is higher than the acquisition temperature of the second acquisition module.
Further, the cooling module is a heat exchanger, a hot water inlet of the heat exchanger is connected with a hot water outlet of the heating module, a hot water outlet of the heat exchanger is connected with the first waterway switching element, a cooling water inlet of the heat exchanger is connected with a water outlet of the clean water tank, and a cooling water outlet of the heat exchanger is connected with a water inlet of the heating module.
Further, the water dispenser further includes a second waterway switching element disposed between the hot water inlet of the heat exchanger, the water outlet of the heating module, and the water inlet of the first waterway switching element, the second waterway switching element having a third state connecting the water outlet of the heating module to the hot water inlet of the heat exchanger, and a fourth state connecting the water outlet of the heating module to the water inlet of the first waterway switching element.
Further, the water dispenser further includes:
a raw water tank adapted to contain raw water;
the water inlet of the water filtering module is connected with the water outlet of the original water tank;
the water inlet of the water purifying tank is connected with the water purifying outlet of the water filtering module, the water outlet of the water purifying tank is connected with the cooling water inlet of the heat exchanger through a first pipeline, and the water outlet of the water purifying tank is connected with the water inlet of the heating module through a second pipeline;
and the regulating valve is arranged on the first pipeline and/or the second pipeline.
Further, the second water outlet of the first waterway switching element is connected to the water inlet of the fresh water tank.
Further, the water drinking device also comprises a concentrated water tank, and the waste water outlet of the water filtering module is connected with the concentrated water tank.
The utility model has the following advantages:
1. according to the technical scheme, the first waterway switching element is additionally arranged at the downstream of the release structure, and the first waterway switching element is provided with a first state of connecting the water outlet of the cooling module with the release structure and a second state of connecting the water outlet of the cooling module with the return pipeline. When the water temperature in the release structure is high, the first waterway switching element can be switched to the first state, thereby allowing water in the release structure to directly flow out. When the water in the release structure has cooled, the first waterway switching element can be switched to the second state, so that the water in the release structure is led back to the upstream of the water inlet of the heating module and reheated, and the user can be ensured to obtain the water with proper temperature. Therefore, the drinking device can overcome the defect that a part of cooling water remains in the drinking device in the prior art, so that the temperature of the taken water is lower than the set temperature or time and water resources are wasted, and can ensure that a user can take water with proper temperature on the premise of not wasting the water resources. In addition, the drinking device has simple structure, easy manufacture and convenient implementation, popularization and application.
Drawings
In order to more clearly illustrate the embodiments of the present utility model or the technical solutions in the prior art, the drawings that are needed in the description of the embodiments or the prior art will be briefly described, and it is obvious that the drawings in the description below are some embodiments of the present utility model, and other drawings can be obtained according to the drawings without inventive effort for a person skilled in the art.
FIG. 1 schematically illustrates a drinking device according to an embodiment of the present utility model;
fig. 2 is a flowchart of a control method of a drinking device according to an embodiment of the utility model.
Reference numerals illustrate:
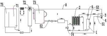
1. a heating module; 2. a cooling module; 3. a first waterway switching element; 4. a release structure; 51. a first acquisition module; 52. a second acquisition module; 53. a third acquisition module; 6. a second waterway switching element; 71. a raw water tank; 72. a water filtering module; 73. a clean water tank; 74. a regulating valve; 75. a concentrate tank; 8. and a return line.
Detailed Description
The following description of the embodiments of the present utility model will be made apparent and fully in view of the accompanying drawings, in which some, but not all embodiments of the utility model are shown. All other embodiments, which can be made by those skilled in the art based on the embodiments of the utility model without making any inventive effort, are intended to be within the scope of the utility model.
In the description of the present utility model, it should be noted that the directions or positional relationships indicated by the terms "center", "upper", "lower", "left", "right", "vertical", "horizontal", "inner", "outer", etc. are based on the directions or positional relationships shown in the drawings, are merely for convenience of describing the present utility model and simplifying the description, and do not indicate or imply that the devices or elements referred to must have a specific orientation, be configured and operated in a specific orientation, and thus should not be construed as limiting the present utility model. Furthermore, the terms "first," "second," and "third" are used for descriptive purposes only and are not to be construed as indicating or implying relative importance.
In the description of the present utility model, it should be noted that, unless explicitly specified and limited otherwise, the terms "mounted," "connected," and "connected" are to be construed broadly, and may be either fixedly connected, detachably connected, or integrally connected, for example; can be mechanically or electrically connected; can be directly connected or indirectly connected through an intermediate medium, and can be communication between two elements. The specific meaning of the above terms in the present utility model will be understood in specific cases by those of ordinary skill in the art.
In addition, the technical features of the different embodiments of the present utility model described below may be combined with each other as long as they do not collide with each other.
Fig. 1 schematically shows a drinking device according to an embodiment of the present utility model. As shown in fig. 1, the drinking device of the present embodiment mainly includes a fresh water tank 73, a heating module 1, a cooling module 2, a first waterway switching element 3, and a releasing structure 4. Wherein the fresh water tank 73 has a water inlet and a water outlet. The water inlet of the heating module 1 is adapted to be connected to a fresh water tank 73. The hot water inlet of the cooling module 2 is adapted to be connected to the water outlet of the heating module 1. The water inlet of the first waterway switching element 3 is connected with the hot water outlet of the cooling module 2. The release structure 4 is connected with the first water outlet of the first waterway switching element 3 and is suitable for draining water outwards. The second water outlet of the first waterway switching element 3 is connected to the water inlet of the fresh water tank 73 through a return line 8. The first waterway switching element 3 has a first state in which the water outlet of the cooling module 2 is connected to the release structure 4 and a second state in which the water outlet of the cooling module 2 is connected to the return line 8. Wherein the first waterway switching element 3 is preferably but not limited to a two-way solenoid valve.
The second water outlet of the first waterway switching element 3 is connected with an upstream position of the water inlet of the heating module 1 through a return pipeline 8, specifically, a connection position of the return pipeline 8 and the waterway is located before the water inlet of the heating module 1 along the water flow direction. The heating module 1 is preferably, but not limited to, a heating wire, a PTC heater, a semiconductor temperature controller, or the like. The release structure 4 is preferably, but not limited to, a tap, a spray head, a tap, or the like. The drinking device is preferably, but not limited to, a water machine.
As can be seen from the above technical solution, the water drinking device of the present utility model is mainly provided with the first waterway switching element 3 at the downstream of the release structure 4, and the first waterway switching element 3 has a first state of connecting the water outlet of the cooling module 2 with the release structure 4 and a second state of connecting the water outlet of the cooling module 2 with the return pipeline 8. When the water temperature in the release structure 4 is high, the first waterway switching element 3 can be switched to the first state, allowing the water in the release structure 4 to directly flow out. When the water in the release structure 4 has cooled, the first waterway switching element 3 can be switched to the second state, so that the water in the release structure 4 is led back upstream of the water inlet of the heating module 1 and reheated, ensuring that the user can take the water at the appropriate temperature. In addition, the return pipeline 8 can return the stored water left in the pipeline to the front of the clean water tank 73 through the return pipeline 8, so that low-temperature pure water is eliminated, the temperature of water in the clean water tank 73 can be increased, the water temperature of the water inlet and the water outlet of the heating module 1 is reduced, the water supply flow is increased, and the heating time is shortened. Therefore, the drinking device can overcome the defect that a part of cooling water remains in the drinking device in the prior art, so that the temperature of the taken water is lower than the set temperature or time and water resources are wasted, and can ensure that a user can take water with proper temperature on the premise of not wasting the water resources. In addition, the drinking device has simple structure, easy manufacture and convenient implementation, popularization and application.
In this embodiment, the drinking device further comprises a first acquisition module 51 and a control module. Wherein the first acquisition module 51 is adapted to acquire the water temperature at the release structure 4. The control module is connected to the first acquisition module 51 and the first waterway switching element 3. The first waterway switching element 3 is suitable for being controlled to switch to the second state when the collection temperature of the first collection module 51 is judged to be equal to the room temperature, and the first waterway switching element 3 is controlled to switch to the first state when the collection temperature of the first collection module 51 is higher than the room temperature.
Therefore, when the water temperature collected by the first collection module 51 is equal to the room temperature, the control module can control the first waterway switching element 3 to switch to the second state, so that the water in the release structure 4 is led back to the upstream of the water inlet of the heating module 1 and is reheated, and the user can obtain the water with proper temperature. When the water temperature collected by the first collection module 51 is higher than the room temperature, the control module can control the first waterway switching element 3 to switch to the first state, so that the waste of energy is avoided, and a user can quickly receive water with proper temperature. The room temperature may be selected from the group consisting of room temperature, typically defined as 25 ℃. And can also refer to the temperature of the indoor environment in which the drinking device is located.
The control module may include a programmable logic control unit (such as a PLC or a CPU), a memory, and electronic components connected to the programmable logic control unit, etc., which are well known to those skilled in the art, and will not be described in detail herein. The first acquisition module 51 is preferably, but not limited to, a bulb or thermal infrared imager or the like. Preferably, in the present embodiment, the first acquisition module 51 is a bulb connected to the release structure 4.
In this embodiment, room temperature refers to the temperature of the indoor environment in which the drinking device is located. The drinking device further comprises a second collecting module 52 and a third collecting module 53. The second collection module 52 is adapted to collect the water temperature at the fresh water tank 73. Since the water at the clean water tank 73 is not heated, its temperature can represent the indoor temperature. The third collection module 53 is adapted to collect the water temperature at the water outlet of the heating module 1. Since the water output from the heating module 1 is not cooled by the cooling module 2, the temperature of the water flowing out of the heating module 1 is the highest, and therefore, when the third collecting module 53 collects that the water temperature at the water outlet of the heating module 1 is room temperature, it means that the water in the drinking water apparatus is cooled, and needs to be led back to the upstream of the water inlet of the heating module 1 and reheated.
The control module is in communication connection with the second collecting module 52 and the third collecting module 53, and is adapted to control the first waterway switching element 3 to switch to the second state when the collecting temperatures of the first collecting module 51 and the third collecting module 53 are both equal to the collecting temperature of the second collecting module 52. When the acquisition temperatures of the first acquisition module 51 and the third acquisition module 53 are higher than the acquisition temperature of the second acquisition module 52, the first waterway switching element 3 is controlled to switch to the first state.
The cooling module 2 may be selected from a semiconductor temperature controller capable of heating up water and cooling down water, and preferably, in this embodiment, the cooling module 2 is a heat exchanger. The hot water inlet of the heat exchanger is connected to the hot water outlet of the heating module 1. The hot water outlet of the heat exchanger is connected to the first waterway switching element 3. The cooling water inlet of the heat exchanger is connected to the water outlet of the clean water tank 73. The cooling water outlet of the heat exchanger is connected with the water inlet of the heating module 1. The heat exchanger not only can be used for cooling hot water, but also can heat cooling water to be injected into the heating module 1 by means of hot water, so that the temperature of water entering the heating module 1 is increased, the temperature difference between water inlet and water outlet of the heating module 1 is reduced, the water supply flow is increased, and the heating time is reduced.
In this embodiment, the water dispenser further includes a second waterway switching element 6 disposed between the hot water inlet of the heat exchanger, the water outlet of the heating module 1, and the water inlet of the first waterway switching element 3, the second waterway switching element 6 having a third state of connecting the water outlet of the heating module 1 to the hot water inlet of the heat exchanger and a fourth state of connecting the water outlet of the heating module 1 to the water inlet of the first waterway switching element 3. This enables the second waterway switching element 6 to be controlled to switch to the fourth state when the user needs to receive the highest grade hot water, so that the hot water heated by the heating module 1 directly flows out through the release structure 4. When the user needs to receive lower grade hot water or warm water, the second waterway switching element 6 can be controlled to switch to the third state, so that the hot water generated by the heating module 1 flows out after being exchanged by the heat exchanger.
The water inlet of the heating module 1 may alternatively be connected directly to the tap and directly to the fresh water tank 73. Preferably, in the present embodiment, the drinking device further includes a raw water tank 71 and a water filtering module 72. Wherein the raw water tank 71 is adapted to contain raw water. The water inlet of the water filtering module 72 is connected with the water outlet of the raw water tank 71. The water inlet of the clean water tank 73 is connected with the clean water outlet of the water filtering module 72, the water outlet of the clean water tank 73 is connected with the cooling water inlet of the heat exchanger through a first pipeline, and is connected with the water inlet of the heating module 1 through a second pipeline. The regulator valve 74 is disposed on the first line and/or the second line.
The water in the raw water tank 71 can be filtered by the water filtering module 72 and then enter the clean water tank 73, and the proportion of the water entering the cooling water inlet of the heat exchanger and the water inlet of the heating module 1 can be adjusted by adjusting the opening and closing degree of the adjusting valve 74, so that the output water temperature can be adjusted. Preferably, a self-priming pump is further arranged between the raw water tank 71 and the water filtering module 72, and the self-priming pump can drive water in the raw water tank 71 to flow into the water filtering module 72. A single valve is preferably also provided between the filtration module 72 and the fresh water tank 73. The check valve prevents the reverse flow of water in the fresh water tank 73. Preferably, a micro switch and a liquid level sensor are arranged in the clean water tank 73. A first TDS probe adapted to detect the TDS value of the water in the raw water tank 71 is preferably provided between the raw water tank 71 and the water filtering module 72. A second TDS probe suitable for detecting the temperature of water in the clean water tank 73 is further arranged between the clean water tank 73 and the heating module 1, and when the detected TDS value of the second TDS probe is higher, the fact that the water quality in the raw water tank 71 is poor or the water filtering module 72 is aged is indicated, so that the water quality in the clean water tank 73 is unqualified, and a user can replace the filter element or the water in the raw water tank 71 in time to ensure that the water quality of the water output by the water drinking device is qualified.
Optionally, a clean water micropump is arranged between the clean water tank 73, the cooling water inlet of the heating module 1 and the water inlet of the heating module 1, and the clean water micropump can drive water in the clean water tank 73 to be input into the heating module 1 and the heat exchanger.
In this embodiment, the drinking device preferably further comprises a concentrate tank 75. The waste water outlet of the water filter module 72 is connected to a concentrate tank 75. The concentrate tank 75 can be used to contain the wastewater discharged by the water filtration module 72. A waste water solenoid valve is preferably provided between the water filter module 72 and the concentrate tank 75. The original water tank 71 and the concentrate water tank 75 may be separated, preferably, in this embodiment, the original water tank 71 and the concentrate water tank 75 are arranged in a semi-separated manner, that is, the original water tank 71 and the concentrate water tank 75 are formed in the same water storage container and are separated from each other by a partition board arranged in the water storage container, so that the number of parts in the water drinking device can be reduced, and the structure in the water drinking device is more compact.
In the embodiment shown in fig. 2, a control method of a drinking device is involved. The water drinking device comprises a heating module 1, a cooling module 2, a first waterway switching element 3, a release structure 4, a first collecting module 51, a second collecting module 52 and a third collecting module 53.
The control method comprises a step S1 and a step S2.
Step S1 includes acquiring acquisition temperatures of the first acquisition module 51, the second acquisition module 52, and the third acquisition module 53.
Step S2 includes controlling the first waterway switching element 3 to connect the water outlet of the cooling module 2 with the release structure 4 or the return pipeline 8 according to the collection temperatures of the first collection module 51, the second collection module 52, and the third collection module 53.
Therefore, the control method of the drinking device of the present embodiment can determine whether the water at the release structure 4 is cooled according to the water temperatures collected by the first collecting module 51, the second collecting module 52 and the third collecting module 53, and control the first waterway switching element 3 to switch to the first state when the water at the release structure 4 is cooled. So that the water in the release structure 4 can be heated again, and the water released by the release structure 4 is avoided to be cool water.
In this embodiment, step S2 mainly includes step S21:
the step S21 mainly includes: if the collection temperatures of the first collection module 51 and the third collection module 53 are equal to the collection temperature of the second collection module 52, the first waterway switching element 3 is controlled to connect the water outlet of the cooling module 2 with the return pipeline 8.
When the collection temperatures of the first collection module 51 and the third collection module 53 are equal to the collection temperature of the second collection module 52, the control module can judge that the water at the release structure 4 is cooled, so that the first waterway switching element 3 is controlled to be switched to the first state, the water in the release structure 4 can be reheated, and the user can be guaranteed to obtain the water with proper temperature.
In this embodiment, step S2 further includes step S22:
the step S22 mainly includes: if the collection temperatures of the first collection module 51 and the third collection module 53 are higher than the collection temperature of the second collection module 52, the first waterway switching element 3 is controlled to connect the water outlet of the cooling module 2 with the release structure 4.
Therefore, when the collection temperatures of the first collection module 51 and the second collection module 52 are higher than the collection temperature of the second collection module 52, the control module can judge that the water at the release structure 4 is not cooled, so that the first waterway switching element 3 is controlled to be switched to the second state, the water in the release structure 4 can be directly released from the cup without being reheated, a user can quickly obtain the water, and the consumption of electric energy can be reduced.
In summary, the drinking device and the control method of the drinking device can overcome the defect that a part of cooling water remains in the drinking device in the prior art, so that the temperature of the taken water is lower than the set temperature or time and water resources are wasted, and can ensure that a user can take water with proper temperature on the premise of not wasting the water resources.
It is apparent that the above examples are given by way of illustration only and are not limiting of the embodiments. Other variations or modifications of the above teachings will be apparent to those of ordinary skill in the art. It is not necessary here nor is it exhaustive of all embodiments. While still being apparent from variations or modifications that may be made by those skilled in the art are within the scope of the utility model.
Claims (7)
1. A water dispenser, comprising:
a fresh water tank (73) having a water inlet and a water outlet;
a heating module (1) with a water inlet adapted to be connected to a water outlet of said fresh water tank (73);
the hot water inlet of the cooling module (2) is suitable for being connected with the water outlet of the heating module (1);
the water inlet of the first waterway switching element (3) is connected with the hot water outlet of the cooling module (2);
the release structure (4) is connected with the first water outlet of the first waterway switching element (3) and is suitable for outward drainage, the second water outlet of the first waterway switching element (3) is connected with the water inlet of the water purifying tank (73) through a return pipeline (8), and the first waterway switching element (3) is provided with a first state of connecting the water outlet of the cooling module (2) with the release structure (4) and a second state of connecting the water outlet of the cooling module (2) with the return pipeline (8).
2. The water dispenser of claim 1, further comprising:
-a first acquisition module (51) adapted to acquire the water temperature at the release structure (4);
the control module is connected with the first acquisition module (51) and the first waterway switching element (3) and is suitable for controlling the first waterway switching element (3) to switch to the second state when the acquisition temperature of the first acquisition module (51) is judged to be equal to the room temperature, and controlling the first waterway switching element (3) to switch to the first state when the acquisition temperature of the first acquisition module (51) is higher than the room temperature.
3. The water dispenser of claim 2, further comprising:
-a second acquisition module (52) adapted to acquire the water temperature at said clean water tank (73);
the third collection module (53) is suitable for collecting the water temperature at the water outlet of the heating module (1), the control module is in communication connection with the second collection module (52) and the third collection module (53), and is suitable for controlling the first waterway switching element (3) to switch to the second state when judging that the collection temperature of the first collection module (51) and the collection temperature of the third collection module (53) are equal to the collection temperature of the second collection module (52), and controlling the first waterway switching element (3) to switch to the first state when judging that the collection temperature of the first collection module (51) and the collection temperature of the third collection module (53) are higher than the collection temperature of the second collection module (52).
4. A drinking device according to any one of claims 1-3, characterized in that the temperature reduction module (2) is a heat exchanger, the hot water inlet of which is connected to the hot water outlet of the heating module (1), the hot water outlet of which is connected to the first waterway switching element (3), the cooling water inlet of which is connected to the water outlet of the clean water tank (73), and the cooling water outlet of which is connected to the water inlet of the heating module (1).
5. The water dispenser according to claim 4, further comprising a second waterway switching element (6) arranged between the hot water inlet of the heat exchanger, the water outlet of the heating module (1) and the water inlet of the first waterway switching element (3), the second waterway switching element (6) having a third state connecting the water outlet of the heating module (1) with the hot water inlet of the heat exchanger and a fourth state connecting the water outlet of the heating module (1) with the water inlet of the first waterway switching element (3).
6. The water dispenser of claim 4, further comprising:
a raw water tank (71) adapted to contain raw water;
the water inlet of the water filtering module (72) is connected with the water outlet of the original water tank (71), the water inlet of the water purifying tank (73) is connected with the water purifying outlet of the water filtering module (72), the water outlet of the water purifying tank (73) is connected with the cooling water inlet of the heat exchanger through a first pipeline, and is connected with the water inlet of the heating module (1) through a second pipeline;
and a regulating valve (74) provided on the first pipe and/or the second pipe.
7. The water dispenser according to claim 6, further comprising a concentrate tank (75), wherein the waste water outlet of the water filter module (72) is connected to the concentrate tank (75).
Priority Applications (1)
| Application Number | Priority Date | Filing Date | Title |
|---|---|---|---|
| CN202223554586.5U CN219206565U (en) | 2022-12-28 | 2022-12-28 | Water drinking device |
Applications Claiming Priority (1)
| Application Number | Priority Date | Filing Date | Title |
|---|---|---|---|
| CN202223554586.5U CN219206565U (en) | 2022-12-28 | 2022-12-28 | Water drinking device |
Publications (1)
| Publication Number | Publication Date |
|---|---|
| CN219206565U true CN219206565U (en) | 2023-06-20 |
Family
ID=86754106
Family Applications (1)
| Application Number | Title | Priority Date | Filing Date |
|---|---|---|---|
| CN202223554586.5U Active CN219206565U (en) | 2022-12-28 | 2022-12-28 | Water drinking device |
Country Status (1)
| Country | Link |
|---|---|
| CN (1) | CN219206565U (en) |
Cited By (3)
| Publication number | Priority date | Publication date | Assignee | Title |
|---|---|---|---|---|
| CN115836802A (en) * | 2022-12-28 | 2023-03-24 | 珠海格力电器股份有限公司 | A drinking water device and a control method for the drinking water device |
| CN115844208A (en) * | 2022-12-28 | 2023-03-28 | 珠海格力电器股份有限公司 | Water dispenser and control method thereof |
| CN119606195A (en) * | 2025-01-02 | 2025-03-14 | 珠海格力电器股份有限公司 | A water dispenser control method, emptying water channel structure and instant hot water dispenser |
-
2022
- 2022-12-28 CN CN202223554586.5U patent/CN219206565U/en active Active
Cited By (3)
| Publication number | Priority date | Publication date | Assignee | Title |
|---|---|---|---|---|
| CN115836802A (en) * | 2022-12-28 | 2023-03-24 | 珠海格力电器股份有限公司 | A drinking water device and a control method for the drinking water device |
| CN115844208A (en) * | 2022-12-28 | 2023-03-28 | 珠海格力电器股份有限公司 | Water dispenser and control method thereof |
| CN119606195A (en) * | 2025-01-02 | 2025-03-14 | 珠海格力电器股份有限公司 | A water dispenser control method, emptying water channel structure and instant hot water dispenser |
Similar Documents
| Publication | Publication Date | Title |
|---|---|---|
| CN219206565U (en) | Water drinking device | |
| CN206645852U (en) | Circulate the more water temperature cleaning systems and water purifier of preheating | |
| CN219048083U (en) | Water drinking device | |
| CN204931334U (en) | Intelligent drinking machine | |
| CN105167604A (en) | Intelligent bubble milk drinking machine | |
| CN209131145U (en) | Hot-water heating system and hot-water heating system | |
| CN208658858U (en) | Rush the fixed warm mother and baby's machine of milk | |
| CN219048104U (en) | Water drinking device | |
| CN101264989A (en) | Directly drinking machine with electronic refrigeration | |
| CN115844208A (en) | Water dispenser and control method thereof | |
| CN206395991U (en) | Water purifier | |
| CN115836802A (en) | A drinking water device and a control method for the drinking water device | |
| CN115844213A (en) | Water dispenser and control method thereof | |
| CN221383261U (en) | Water purifying and drinking machine | |
| CN111297193A (en) | Four-temperature water supply system and water supply method | |
| CN216393810U (en) | Step-by-step heating non-pressure-bearing lower heat exchange cold boiled water constant temperature water dispenser | |
| CN217627890U (en) | Water supply system | |
| CN108002618A (en) | Water purifier | |
| CN216393819U (en) | Step-by-step heating non-pressure-bearing lower heat exchange cold boiled water constant temperature system | |
| CN205083274U (en) | Intelligent bubble milk drinking machine | |
| CN115490280B (en) | Control method for water purifier and water purifier | |
| CN212066491U (en) | A four-temperature water supply system | |
| CN211770776U (en) | Household water purifier | |
| CN223737732U (en) | Water purifier | |
| CN223840629U (en) | Water purification auxiliary devices and water purification equipment |
Legal Events
| Date | Code | Title | Description |
|---|---|---|---|
| GR01 | Patent grant | ||
| GR01 | Patent grant |