CN217718664U - Display and multi-terminal free switching system - Google Patents
Display and multi-terminal free switching system Download PDFInfo
- Publication number
- CN217718664U CN217718664U CN202221246786.1U CN202221246786U CN217718664U CN 217718664 U CN217718664 U CN 217718664U CN 202221246786 U CN202221246786 U CN 202221246786U CN 217718664 U CN217718664 U CN 217718664U
- Authority
- CN
- China
- Prior art keywords
- terminal
- display
- switching
- signal
- unit
- Prior art date
- Legal status (The legal status is an assumption and is not a legal conclusion. Google has not performed a legal analysis and makes no representation as to the accuracy of the status listed.)
- Active
Links
- 238000006243 chemical reaction Methods 0.000 claims description 21
- 239000003990 capacitor Substances 0.000 description 13
- 238000010586 diagram Methods 0.000 description 8
- 230000006870 function Effects 0.000 description 5
- 238000000034 method Methods 0.000 description 5
- 230000008569 process Effects 0.000 description 5
- 238000004891 communication Methods 0.000 description 4
- 230000008878 coupling Effects 0.000 description 3
- 238000010168 coupling process Methods 0.000 description 3
- 238000005859 coupling reaction Methods 0.000 description 3
- 238000003825 pressing Methods 0.000 description 3
- 239000013078 crystal Substances 0.000 description 2
- 238000012545 processing Methods 0.000 description 2
- 230000009286 beneficial effect Effects 0.000 description 1
- 230000005540 biological transmission Effects 0.000 description 1
- 238000013461 design Methods 0.000 description 1
- 238000011161 development Methods 0.000 description 1
- 230000000694 effects Effects 0.000 description 1
- 238000005516 engineering process Methods 0.000 description 1
- 238000012986 modification Methods 0.000 description 1
- 230000004048 modification Effects 0.000 description 1
- 230000009467 reduction Effects 0.000 description 1
- 238000006467 substitution reaction Methods 0.000 description 1
Images
Landscapes
- Digital Computer Display Output (AREA)
Abstract
The application provides a display and many terminals freely switched systems, wherein, the display includes: the terminal switching module acquires a terminal operation signal of the input device and converts the terminal operation signal into a corresponding interface switching signal; the control module switches and receives audio and video data of corresponding terminal equipment according to the interface switching signal and/or generates a corresponding input equipment switching signal according to the interface switching signal; and the display module displays corresponding audio and video according to the audio and video data. According to the application, the terminal switching module acquires a terminal operation signal of the input device and converts the terminal operation signal into an interface switching signal, and the control module switches and receives audio and video data of the corresponding terminal device according to the interface switching signal and displays the audio and video data through the display module. Therefore, when the user switches the display pictures of the terminal devices connected with the display, the user does not need to additionally click a switching button, and the user can directly operate the input device, so that the operation is convenient, and the user experience is high.
Description
Technical Field
The application belongs to the technical field of displays, and particularly relates to a display and a multi-terminal free switching system.
Background
The display, an input and output device of computer, can display certain electronic files on the screen through the specific transmission device for the human eye to watch.
The existing display generally only supports displaying audio and video data of one terminal device. When a user needs to display a plurality of terminal devices, a switch is often used to connect the plurality of terminal devices. When a user needs to display a certain terminal device, the display is directly realized through the switching of the button of the switcher. However, the switching mode needs the user to manually click the switching button each time, the operation is inconvenient, and particularly, when the user needs to frequently switch the display screen of the terminal device, the user needs to frequently click the switching button, and the user experience is poor.
SUMMERY OF THE UTILITY MODEL
The application aims to provide a display and a multi-terminal free switching system, and aims to solve the problem that the traditional display picture switching operation is inconvenient.
In order to achieve the above object, in a first aspect, an embodiment of the present application provides a display, including a terminal switching module, a control module, and a display module; the control module is electrically connected with the terminal switching module and the display module respectively;
the terminal switching module is configured to be electrically connected with an input device and a plurality of terminal devices respectively, acquire a terminal operation signal of the input device and convert the terminal operation signal into a corresponding interface switching signal, and communicate the input device and the corresponding terminal devices according to the input device switching signal;
the control module is configured to be electrically connected with a plurality of terminal devices, receive audio and video data of the corresponding terminal devices according to the interface switching signal in a switching manner, and/or generate corresponding input device switching signals according to the interface switching signal;
the display module is configured to display corresponding audio and video according to the audio and video data.
In another possible implementation manner of the first aspect, the terminal switching module includes a terminal switching unit and a data conversion unit; the terminal switching unit is electrically connected with the data conversion unit;
the terminal switching unit is configured to acquire a terminal operation signal of the input device, send the terminal operation signal to the corresponding terminal device, and acquire a corresponding terminal switching signal generated by the terminal device according to the terminal operation signal and a preset operation/terminal switching table;
communicating the input equipment and the corresponding terminal equipment according to the input equipment switching signal;
the data conversion unit is configured to convert the terminal switching signal into an interface switching signal.
In another possible implementation manner of the first aspect, the terminal switching module further includes a hub unit; the concentrator unit is electrically connected with the terminal switching unit and the data conversion unit respectively;
the hub unit is configured to be electrically connected with the input device, acquire a terminal operation signal of the input device and send the terminal operation signal to the terminal switching unit, and send the terminal switching signal to the data conversion unit.
In another possible implementation of the first aspect, the input device comprises a mouse and/or a keyboard.
In another possible implementation of the first aspect, the display further comprises a storage module; the storage module is electrically connected with the control module;
the storage module is configured to store a plurality of display modes of a plurality of terminal devices on the display;
the display modes include a full screen display mode and a split screen display mode.
In another possible implementation manner of the first aspect, the control module includes a data receiving unit, a main control unit, and an audio-video switching unit;
the main control module is respectively and electrically connected with the data receiving unit and the audio and video switching unit;
the data receiving unit is configured to receive the interface switching signal;
the main control unit is configured to generate an audio/video switching signal according to the interface switching signal;
the audio and video switching unit is configured to switch and receive audio and video data of the corresponding terminal device according to the audio and video switching signal.
In one possible implementation manner of the first aspect, the control module further includes a plurality of audio/video input units; the plurality of audio and video input units are electrically connected with the audio and video switching unit;
the plurality of audio and video input units are configured to receive audio and video data of the plurality of terminal devices respectively.
In another possible implementation of the first aspect, the control module further comprises an on-screen menu unit; the screen menu unit is electrically connected with the main control unit;
the screen menu unit is configured to display the input device and the terminal device corresponding to the display module, and acquire the terminal signal manually input by the user.
In another possible implementation manner of the first aspect, the data receiving unit includes an I2C interface or an RS232 interface.
In a second aspect, an embodiment of the present application provides a multi-terminal free switching system, including the display, the input device, and multiple terminal devices; the display is electrically connected with the input equipment and the plurality of terminal equipment respectively;
the input device is configured to input the terminal operation instruction or the data signal;
the terminal device is configured to determine the corresponding terminal operation signal according to the terminal operation instruction, or output the corresponding audio and video data according to the data signal.
Compared with the prior art, the embodiment of the application has the beneficial effects that: in the display, the terminal switching module directly acquires the terminal operation signal of the input device and converts the terminal operation signal into the interface switching signal, and the control module switches and receives the audio and video data of the corresponding terminal device according to the interface switching signal and displays the audio and video data through the display module. Therefore, when the display pictures of the terminal devices connected with the displayer are switched by the user, the user does not need to additionally click a switching button, the user can directly operate the input device, the operation is convenient, and the user experience degree is high.
Drawings
In order to more clearly illustrate the technical solutions in the embodiments of the present application, the drawings needed to be used in the embodiments or the prior art descriptions will be briefly described below, and it is obvious that the drawings in the following description are only some embodiments of the present application, and it is obvious for those skilled in the art to obtain other drawings without creative efforts.
Fig. 1 is a schematic view of a first structure of a display provided in an embodiment of the present application;
fig. 2 is a schematic diagram of a second structure of a display according to an embodiment of the present disclosure;
fig. 3 is a circuit diagram of a terminal switching unit of a display according to an embodiment of the present disclosure;
fig. 4 is a circuit diagram of a data conversion unit of a display according to an embodiment of the present application;
fig. 5 is a schematic structural diagram of a multi-terminal free handover system according to an embodiment of the present application.
Description of reference numerals:
the system comprises a terminal switching module 1, a terminal switching unit 11, a data conversion unit 12, a concentrator unit 13, a control module 2, a data receiving unit 21, a main control unit 22, an audio and video switching unit 23, an audio and video input unit 24, an on-screen menu unit 25, a display module 3, an input device 4, a terminal device 5 and a storage module 6.
Detailed Description
In order to make the technical problems, technical solutions and advantageous effects to be solved by the present application clearer, the present application is further described in detail below with reference to the accompanying drawings and embodiments. It should be understood that the specific embodiments described herein are merely illustrative of the present application and are not intended to limit the present application.
Furthermore, the terms "first", "second" and "first" are used for descriptive purposes only and are not to be construed as indicating or implying relative importance or implicitly indicating the number of technical features indicated. Thus, a feature defined as "first" or "second" may explicitly or implicitly include one or more of that feature. In the description of the present application, "a plurality" means two or more unless specifically limited otherwise.
With the continuous development of the display technology, one display can be connected with a plurality of terminal devices through a switcher, but when a user needs to switch display screens of different terminal devices on the display, the user needs to manually click a switching button each time, the operation is inconvenient, and particularly when the user needs to frequently switch the display screens of the terminal devices, the user needs to frequently click the switching button, so that the switching speed of the display screens is low, the normal work of the user is influenced, and the user experience is poor.
For this reason, this application provides a display, terminal switch module acquires input device's terminal operating signal and converts the interface switching signal into, control module switches the audio frequency and video data of receiving the terminal equipment that corresponds according to the interface switching signal, and show through display module, thereby when the user switches the display screen of a plurality of terminal equipment of being connected with the display, need not additionally to click the switch button again, direct operation input device can, convenient operation, user experience degree is higher. Meanwhile, the control module can also generate an input device switching signal according to the interface switching signal, and the terminal switching module communicates the input device and the corresponding terminal device according to the input device switching signal, so that the corresponding control relation between the input device and the terminal device is switched, and a user can conveniently control the switched terminal device through the input device.
The display provided by the present application is described below by way of example with reference to the accompanying drawings.
Fig. 1 is a schematic view of a first structure of a display provided in an embodiment of the present application, and as shown in fig. 1, an exemplary display 100 includes a terminal switching module 1, a control module 2, and a display module 3, where the control module 2 is electrically connected to the terminal switching module 1 and the display module 3, respectively.
The terminal switching module 1 is configured to be electrically connected with the input device 4 and the plurality of terminal devices 5, respectively, acquire a terminal operation signal of the input device 4 and convert the terminal operation signal into a corresponding interface switching signal, and communicate the input device 1 and the corresponding terminal devices 5 according to the input device switching signal.
The control module 2 is configured to be electrically connected with the plurality of terminal devices 5, receive audio and video data of the corresponding terminal devices 5 according to the interface switching signal, and/or generate a corresponding input device switching signal according to the interface switching signal.
And the display module 3 is configured to display corresponding audios and videos according to the audio and video data.
In application, firstly, a terminal operation signal of an input device is obtained through a terminal switching module and converted into a corresponding interface switching signal, wherein the input device can be a mouse and/or a keyboard. The terminal equipment can be a desktop computer, a notebook computer, a smart phone, a tablet computer and the like. The terminal operation signal is an operation signal set in advance, and the terminal operation signal can be an initial operation signal set in advance before the display leaves a factory, and can be changed by a user according to needs in the actual use process. For example, when the display simultaneously displays the screens of two terminal devices (e.g., a desktop computer and a notebook computer):
for example 1, pressing a middle key of a mouse 1 time, a terminal switching module generates a first terminal operation signal, and the mouse and a keyboard can be switched to control a desktop computer or a notebook computer.
Example 2: and meanwhile, a Ctrl key plus a 1 key of the keyboard is pressed, the terminal switching module generates a second terminal operation signal, so that the display can only display the display picture of the desktop computer, and the mouse and the keyboard are also switched to control the desktop computer.
Example 3: and meanwhile, pressing the 'Ctrl' + '2' key of the keyboard, generating a third terminal operation signal by the terminal switching module, so that the display can only display the display picture of the notebook computer, and the mouse and the keyboard are switched to control the notebook computer.
Example 4: and simultaneously pressing an Alt + 1 key of the keyboard, generating a fourth terminal operation signal by the terminal switching module, enabling the display to simultaneously display the display picture of the desktop computer or the notebook computer, and switching the mouse and the keyboard to control the desktop computer by default.
The interface switching signal may be a communication signal convenient for the control module to recognize. Such as an Inter-Integrated Circuit (I2C) signal, a Recommended Standard (RS) 232 signal, or a bluetooth signal.
And then, the control module switches and receives the audio and video data of the corresponding terminal equipment according to the interface switching signal and/or generates a corresponding input equipment switching signal according to the interface switching signal.
The interface switching signal may be a first interface switching signal for switching and receiving audio and video data of a desktop computer by the control module, or a second interface switching signal for switching and receiving audio and video data of a notebook computer by the control module. And the display module is used for displaying the audio and video corresponding to the received audio and video data signal.
In addition, the terminal switching unit and the terminal device may adopt a Universal Serial Bus (USB) or a Universal Serial Bus Type C cable (USB Type-C) connection mode. The terminal device transmits the audio/video signal to the control module through a signal cable such as a High Definition Multimedia Interface (HDMI) or a display port line (DP).
The input device switching signal may be a first input device switching signal for correspondingly communicating the input device with the desktop computer, or a second input device switching signal for correspondingly communicating the input device with the notebook computer.
The terminal switching module is used for communicating the input equipment (such as a mouse and/or a keyboard) with the desktop computer according to the first input equipment switching signal, and communicating the input equipment with the notebook computer according to the second input equipment switching signal.
Fig. 2 is a schematic diagram of a second structure of a display provided in the embodiment of the present application, and as shown in fig. 2, the terminal switching module 1 exemplarily includes a terminal switching unit 11 and a data conversion unit 12; the terminal switching unit 11 is electrically connected to the data conversion unit 12.
And a terminal switching unit 11 configured to acquire the terminal operation signal of the input device 4 and send the terminal operation signal to the corresponding terminal device 5, and acquire the corresponding terminal switching signal generated by the terminal device 5 according to the terminal operation signal and a preset operation/terminal switching table.
And communicating the input device with the corresponding terminal device 5 according to the input device switching signal.
A data conversion unit 12 configured to convert the terminal switching signal into an interface switching signal.
In application, first, the terminal switching module obtains a terminal operation signal (for example, "Ctrl" key + "1" key or "Ctrl" key + "2" key, etc.) of the input device and sends the terminal operation signal to a corresponding terminal device (for example, a desktop computer or a notebook computer), so that the terminal device generates a corresponding terminal switching signal according to the terminal operation signal and an operation/terminal switching table preset in application software, and the data conversion unit converts the terminal switching signal into an interface switching signal, for example, an I2C signal or an RS232 signal, so that the control module performs corresponding control after identification. The application software is internally provided with a mouse hook function and a keyboard hook function and is used for detecting the communication state of the mouse and the keyboard in real time and communicating the keyboard and the mouse with corresponding terminal equipment according to a terminal operation signal.
The operation/terminal switching table is a preset corresponding relation between the terminal operation signal and the terminal switching signal, and the corresponding relation is stored in a memory of the display in advance. For example:
when the terminal operation signal is that the Ctrl key plus the 1 key is pressed simultaneously, the corresponding terminal switching signal indicates that the display screen of the desktop computer is displayed on the display.
When the terminal operation signal is that the Ctrl key plus the 2 key is pressed simultaneously, the corresponding terminal switching signal indicates that the display displays the display picture of the notebook computer.
When the terminal operation signal is that the 'Alt' + '1' key is pressed simultaneously, the corresponding terminal switching signal indicates that the display simultaneously displays the display picture of the desktop computer or the notebook computer.
When the terminal operation signal is that the middle key of the mouse is pressed for 1 time, the corresponding terminal switching signal indicates that the mouse and the keyboard are switched to control the desktop computer or the notebook computer.
Illustratively, the input device switching signal is generated when the interface switching signal received by the control module is to switch and connect the input device and the terminal device, and the terminal switching module connects the input device and the corresponding terminal device according to the input device switching signal. For example, the terminal switching module connects the input device (mouse and/or keyboard) and the desktop computer according to the interface switching signal, so that the input device controls the desktop computer; or the input device (a mouse and/or a keyboard) is communicated with the notebook computer according to the interface switching signal, so that the input device controls the notebook computer.
As shown in fig. 2, the terminal switching module 2 further includes a hub unit 13, and the hub unit 13 is electrically connected to the terminal switching unit 11 and the data conversion unit 12, respectively.
A hub unit 13 configured to be electrically connected to the input device 4, acquire a terminal operation signal of the input device 4 and transmit it to the terminal switching unit 11, and transmit it to the data conversion unit 12.
In application, the concentrator unit can be a USB concentrator, the USB concentrator can be simultaneously connected with a USB mouse and a USB keyboard, and the terminal switching unit is respectively communicated with the input equipment and one intelligent terminal according to the input equipment switching signal, so that one set of mouse keyboard can be used for respectively controlling a plurality of intelligent terminals, and audio and video pictures of the intelligent terminals are displayed on the same display.
Illustratively, the display 100 further comprises a memory module 6; the memory module is electrically connected with the control module 2.
A storage module 6 configured to store a plurality of display modes of the plurality of terminal devices 6 on the display 100; the display mode includes a full-screen display mode and a split-screen display mode.
In application, when the display is connected to two terminal devices (e.g., a desktop computer and a notebook computer), there may be three display modes: the display only displays the picture of the desktop computer in a full screen mode, the display only displays the picture of the notebook computer in a full screen mode, and the display simultaneously displays the pictures of the desktop computer and the notebook computer.
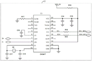
Fig. 3 is a circuit diagram of a terminal switching unit of a display according to an embodiment of the present application. As shown in fig. 3, the terminal switching unit 11 includes a PIUSB14-ALE chip, where the PIUSB14-ALE chip is a multiplexing switching chip, and can connect multiple input terminals and one output terminal, and selectively turn on one of the input terminals and the output terminal according to a control signal.
The terminal switching unit comprises a first chip U1 (namely a PIUSB14-ALE chip), an enabling pin (namely an EN pin) of the first chip U1 is electrically connected with an enabling signal EN, a sixth pin and a tenth pin (namely a DM0 pin and a DP0 pin) of the first chip U1 are respectively and electrically connected with a second pin and a third pin (namely a DM pin and a DP pin) of a USB interface of the first terminal device, and a fifth pin and an eleventh pin (namely a DM1 pin and a DP1 pin) of the first chip U1 are respectively and electrically connected with a USB interface of the second terminal device. The second pin and the fourteenth pin (i.e., the S1 pin and the S0 pin) of the first chip are electrically connected to an input/output pin (General-purpose input/output, GPIO pin) of the control module, respectively. The seventh pin and the ninth pin of the first chip U1 are also electrically connected to the USB hub.
The fourteenth pin of the first chip U1 is further electrically connected to the fourth resistor R4 and the fifth resistor R5 to form a voltage divider circuit, so as to provide a required voltage for the fourteenth pin of the first chip U1. For example, when the fifth resistor R5 is 0 Ω, the fourteenth pin of the first chip U1 is connected to a low level, and when the fifth resistor is a preset resistance value, the fourteenth pin of the first chip U1 is connected to a high level. Similarly, the second pin of the first chip U1 is electrically connected to the seventh resistor R7 and the eighth resistor R8, and the first pin of the first chip is electrically connected to the ninth resistor R9 and the eleventh resistor R11.
Illustratively, different output results Y can be obtained according to the enable signal EN, the first control signal S0, and the second control signal S1.
Control signal and output result comparison table
| EN | S1 | S0 | Y |
| H | X | X | Hi-Z |
| L | L | L | I0 |
| L | L | H | I1 |
| L | H | L | I2 |
| L | H | H | I3 |
In one embodiment of the present application, when the enable signal EN is low, the output result is in a high impedance state Hi-Z. When the enable signal EN is at a high level and the second control signal S1 receives a low level of the control module, the result I2 is output according to the low level of the first control signal S0, which may indicate that the input device (keyboard or mouse) is connected to the first terminal device, for example. When the enable signal EN is at a high level and the second control signal S1 receives a low level of the control module, the result I3 is output according to the high level of the first control signal S0, which may indicate that the input device (keyboard or mouse) is connected to the second terminal device, for example.
After a first pin of the USB interface of the first terminal device is connected in series with the first diode D1, the first pin is electrically connected to the first power VCC _5V, the first capacitor C1, the seventh capacitor C7, and the third pin of the second chip U2, and the second pin and the fourth pin of the second chip U2 are electrically connected to the eighth capacitor C8 and the ninth capacitor C9. The second chip U2 is a voltage reduction chip AZ1117FH-3.3TRG1 for reducing an external 5V power supply into a 3.3V power supply so as to be used by the first chip U1. The first capacitor C1, the seventh capacitor C7, the eighth capacitor C8 and the ninth capacitor C9 are all used for storing energy.
Fig. 4 is a circuit diagram of a data conversion unit of a display according to an embodiment of the present application. As shown in fig. 4, the terminal switching unit 11 includes a PIUSB14-ALE chip, and the PIUSB14-ALE chip is a conversion chip for converting the positive and negative signals of the USB into a clock signal (i.e., SCL signal) and a data signal (i.e., SAD signal) that can be recognized by the control module.
Specifically, the terminal switching unit 11 includes a third chip U3, a seventh pin and an eighth pin of the third chip U3 are electrically connected to the USB hub respectively for receiving a USB signal sent by the USB hub, and a fifteenth pin and a sixteenth pin of the third chip U3 are electrically connected to the control module respectively for sending a data signal and a clock signal to the control module.
The first pin of the third chip U3 is electrically connected to the seventeenth resistor R17, the sixth pin of the third chip U3 is electrically connected to the tenth capacitor C10, the ninth pin of the third chip U3 is electrically connected to the seventeenth capacitor C17 and the fifth crystal oscillator X5, and the tenth pin of the third chip U3 is electrically connected to the eighteenth capacitor C18 and the fifth crystal oscillator X5, so as to generate a fixed clock pulse. The first power source VCC _5V is electrically connected to the thirteenth capacitor C13, the fourteenth capacitor C14, and the thirteenth pin and the twentieth pin of the third chip U3, so that the first power source supplies power to the third chip.
As shown in fig. 2, the control module 2 illustratively includes a data receiving unit 21, a main control unit 22, and an audiovisual switching unit 23.
The main control module 22 is electrically connected to the data receiving unit 21 and the audio/video switching unit 23, respectively.
A data receiving unit 21 configured to receive the interface switching signal.
And the main control unit 22 is configured to generate an audio/video switching signal according to the interface switching signal.
And the audio/video switching unit 23 is configured to switch and receive audio/video data of the corresponding terminal device according to the audio/video switching signal.
In application, the data receiving unit receives an interface switching signal, wherein the data receiving unit includes an I2C interface or an RS232 interface for receiving an I2C signal or an RS232 signal sent by the data conversion module.
The main control unit generates an audio/video switching signal according to the interface switching signal, for example, switches to receive an audio/video switching signal of a desktop computer and an audio/video switching signal of a notebook computer or simultaneously receives audio/video switching signals of the desktop computer and the notebook computer.
The audio/video switching unit switches and receives audio/video data of corresponding terminal equipment according to the audio/video switching signal, for example, switches and receives the audio/video data of a desktop computer according to the audio/video switching signal, and sends the audio/video data to the display module for displaying; or switching to receive the audio and video data of the notebook computer according to the audio and video switching signal and sending the audio and video data to the display module for displaying; or simultaneously receiving the audio and video data of the desktop computer and the notebook computer according to the audio and video switching signal, and sending the audio and video data to the display module for displaying.
As shown in fig. 2, the control module 2 further includes a plurality of audio/video input units 24, and the plurality of audio/video input units 24 are electrically connected to the audio/video switching unit 23.
And a plurality of audio/video input units 24 configured to receive audio/video data of the plurality of terminal devices 5, respectively.
In application, each terminal device is correspondingly connected with an audio and video input unit, and audio and video input of the terminal device is sent to the audio and video switching unit through the audio and video input unit, so that audio and video signals of different terminal devices are switched and received according to audio and video switching signals of the audio and video switching unit.
As shown in fig. 2, the control module 2 further illustratively includes an on-screen menu unit 25; the on-screen menu unit 25 is electrically connected to the main control unit 22.
And the screen menu unit 25 is configured to display the terminal equipment 5 corresponding to the input equipment 1 and the display module 3 and acquire the terminal signal manually input by the user.
In application, the screen menu unit is used for popping up a message popup window of a current first terminal device (for example, a desktop computer) display picture when the main control unit enables the audio/video switching unit to display audio/video data of the desktop computer; when the main control unit enables the audio/video switching unit to display the audio/video data of the notebook computer, the screen menu unit pops up a message popup window of a current display picture of the second terminal equipment (such as the notebook computer); when the main control unit enables the audio and video switching unit to simultaneously display the audio and video data of the desktop computer and the notebook computer, the screen menu unit pops up a message popup window for displaying the display pictures of the first terminal device and the second terminal device (such as the desktop computer and the notebook computer) at the same time.
The screen menu unit is also used for popping up a message popup window of 'the current input equipment is communicated with the first terminal equipment (such as a desktop computer)' when the main control unit enables the input equipment to be communicated with the first terminal equipment (such as the desktop computer); when the main control unit enables the input device to be communicated with the second terminal device (such as a notebook computer), the screen menu unit pops up a message popup of 'the current input device is communicated with the second terminal device (such as the notebook computer').
And the screen menu unit is also used for directly acquiring a terminal signal manually input by a user, directly generating an interface switching signal for the control module, and controlling a display picture of the display module and a terminal device communicated with the input device.
Fig. 5 is a schematic structural diagram of a multi-terminal free switching system according to an embodiment of the present disclosure, and as shown in fig. 5, an exemplary multi-terminal free switching system 200 according to an embodiment of the present disclosure includes a display 100, an input device 4, and a plurality of terminal devices 5, where the display 100 is electrically connected to the input device 4 and the plurality of terminal devices 5, respectively.
An input device 4 configured to input a terminal operation instruction or a data signal.
And the terminal device 5 is configured to determine a corresponding terminal operation signal according to the terminal operation instruction, or output corresponding audio and video data according to the data signal.
In the application, when a user inputs a preset terminal operation instruction, for example, a "Ctrl" key + "1" key, a "Ctrl" key + "2" key, or an "Alt" + "1" key, the terminal device determines a corresponding terminal operation signal according to the terminal operation instruction, so that the display module displays a picture of the first terminal device, a picture of the second terminal device, or displays the pictures of the first terminal device and the second terminal device in a split screen manner. For example, when the display module is a 3840 × 1080 display, the first terminal device and the second terminal device may respectively display 1920 × 1080 pictures. In addition, the input device can also receive data signals of normal operation of a user, so that the terminal device can output corresponding audio and video data according to the data signals. When the display frames of the terminal devices connected with the display are switched by the user, the whole system does not need to additionally click a switching button, and the input device is directly operated, so that the operation is convenient, and the user experience degree is high.
It should be understood that, the sequence numbers of the steps in the foregoing embodiments do not imply an execution sequence, and the execution sequence of each process should be determined by its function and inherent logic, and should not constitute any limitation to the implementation process of the embodiments of the present application.
It will be apparent to those skilled in the art that, for convenience and brevity of description, only the above-mentioned division of the functional units and modules is illustrated, and in practical applications, the above-mentioned function distribution may be performed by different functional units and modules according to needs, that is, the internal structure of the apparatus is divided into different functional units or modules, so as to perform all or part of the functions described above. Each functional unit and module in the embodiments may be integrated in one processing unit, or each unit may exist alone physically, or two or more units are integrated in one unit, and the integrated unit may be implemented in a form of hardware, or in a form of software functional unit. In addition, specific names of the functional units and modules are only for convenience of distinguishing from each other, and are not used for limiting the protection scope of the present application. The specific working processes of the units and modules in the system may refer to the corresponding processes in the foregoing embodiments, and are not described herein again.
In the above embodiments, the descriptions of the respective embodiments have respective emphasis, and reference may be made to the related descriptions of other embodiments for parts that are not described or illustrated in a certain embodiment.
Those of ordinary skill in the art will appreciate that the elements of the examples described in connection with the embodiments disclosed herein may be implemented as electronic hardware, or combinations of computer software and electronic hardware. Whether such functionality is implemented as hardware or software depends upon the particular application and design constraints imposed on the implementation. Skilled artisans may implement the described functionality in varying ways for each particular application, but such implementation decisions should not be interpreted as causing a departure from the scope of the present application.
In the embodiments provided in the present application, it should be understood that the disclosed display may be implemented in other ways. For example, the above-described embodiments of the display are merely illustrative, and for example, a division of a module or a unit is only one logical division, and other divisions may be realized in practice, for example, a plurality of units or components may be combined or integrated into another system, or some features may be omitted, or not executed. In addition, the shown or discussed mutual coupling or direct coupling or communication connection may be an indirect coupling or communication connection through some multi-interface systems, devices or units, and may be in an electrical, mechanical or other form.
Units described as separate parts may or may not be physically separate, and parts displayed as units may or may not be physical units, may be located in one place, or may be distributed on a plurality of network units. Some or all of the units can be selected according to actual needs to achieve the purpose of the solution of the embodiment.
In addition, functional units in the embodiments of the present application may be integrated into one processing unit, or each unit may exist alone physically, or two or more units are integrated into one unit. The integrated unit may be implemented in the form of hardware, or may also be implemented in the form of a software functional unit.
The above embodiments are only used to illustrate the technical solutions of the present application, and not to limit the same; although the present application has been described in detail with reference to the foregoing embodiments, it should be understood by those of ordinary skill in the art that: the technical solutions described in the foregoing embodiments may still be modified, or some technical features may be equivalently replaced; such modifications and substitutions do not substantially depart from the spirit and scope of the embodiments of the present application and are intended to be included within the scope of the present application.
Claims (10)
1. A display is characterized by comprising a terminal switching module, a control module and a display module; the control module is electrically connected with the terminal switching module and the display module respectively;
the terminal switching module is configured to be electrically connected with an input device and a plurality of terminal devices respectively, acquire a terminal operation signal of the input device and convert the terminal operation signal into a corresponding interface switching signal, and communicate the input device and the corresponding terminal devices according to the input device switching signal;
the control module is configured to be electrically connected with a plurality of terminal devices, receive audio and video data of the corresponding terminal devices according to the interface switching signal in a switching manner, and/or generate corresponding input device switching signals according to the interface switching signal;
the display module is configured to display corresponding audio and video according to the audio and video data.
2. The display of claim 1, wherein the terminal switching module includes a terminal switching unit and a data conversion unit; the terminal switching unit is electrically connected with the data conversion unit;
the terminal switching unit is configured to acquire a terminal operation signal of the input device, send the terminal operation signal to the corresponding terminal device, and acquire a corresponding terminal switching signal generated by the terminal device according to the terminal operation signal and a preset operation/terminal switching table;
communicating the input equipment and the corresponding terminal equipment according to the input equipment switching signal;
the data conversion unit is configured to convert the terminal switching signal into an interface switching signal.
3. The display of claim 2, wherein the terminal switching module further comprises a hub unit; the concentrator unit is electrically connected with the terminal switching unit and the data conversion unit respectively;
the hub unit is configured to be electrically connected with the input device, acquire a terminal operation signal of the input device and send the terminal operation signal to the terminal switching unit, and send the terminal switching signal to the data conversion unit.
4. A display as claimed in any one of claims 1 to 3, characterised in that the input device comprises a mouse and/or a keyboard.
5. The display of any one of claims 1-3, wherein the display further comprises a memory module; the storage module is electrically connected with the control module;
the storage module is configured to store a plurality of display modes of a plurality of terminal devices on the display;
the display modes include a full screen display mode and a split screen display mode.
6. The display of any one of claims 1-3, wherein the control module comprises a data receiving unit, a main control unit, and an audiovisual switching unit;
the main control unit is respectively electrically connected with the data receiving unit and the audio and video switching unit;
the data receiving unit is configured to receive the interface switching signal;
the main control unit is configured to generate an audio and video switching signal according to the interface switching signal;
the audio and video switching unit is configured to switch and receive audio and video data of the corresponding terminal device according to the audio and video switching signal.
7. The display of claim 6, wherein the control module further comprises a plurality of audio-visual input units; the plurality of audio and video input units are electrically connected with the audio and video switching unit;
the plurality of audio and video input units are configured to receive audio and video data of the plurality of terminal devices respectively.
8. The display of claim 6, wherein the control module further comprises an on-screen menu element; the screen menu unit is electrically connected with the main control unit;
the screen menu unit is configured to display the input device and the terminal device corresponding to the display module, and acquire the terminal signal manually input by the user.
9. The display of claim 6, wherein the data receiving unit comprises an I2C interface or an RS232 interface.
10. A multi-terminal free switching system comprising a display according to any one of claims 1-9, an input device and a plurality of terminal devices; the display is electrically connected with the input equipment and the plurality of terminal equipment respectively;
the input device is configured to input the terminal operation instruction or the data signal;
the terminal device is configured to determine the corresponding terminal operation signal according to the terminal operation instruction, or output the corresponding audio and video data according to the data signal.
Priority Applications (1)
| Application Number | Priority Date | Filing Date | Title |
|---|---|---|---|
| CN202221246786.1U CN217718664U (en) | 2022-05-23 | 2022-05-23 | Display and multi-terminal free switching system |
Applications Claiming Priority (1)
| Application Number | Priority Date | Filing Date | Title |
|---|---|---|---|
| CN202221246786.1U CN217718664U (en) | 2022-05-23 | 2022-05-23 | Display and multi-terminal free switching system |
Publications (1)
| Publication Number | Publication Date |
|---|---|
| CN217718664U true CN217718664U (en) | 2022-11-01 |
Family
ID=83794792
Family Applications (1)
| Application Number | Title | Priority Date | Filing Date |
|---|---|---|---|
| CN202221246786.1U Active CN217718664U (en) | 2022-05-23 | 2022-05-23 | Display and multi-terminal free switching system |
Country Status (1)
| Country | Link |
|---|---|
| CN (1) | CN217718664U (en) |
Cited By (1)
| Publication number | Priority date | Publication date | Assignee | Title |
|---|---|---|---|---|
| CN114968156A (en) * | 2022-05-23 | 2022-08-30 | 广西世纪创新显示电子有限公司 | Display and multi-terminal free switching system |
-
2022
- 2022-05-23 CN CN202221246786.1U patent/CN217718664U/en active Active
Cited By (2)
| Publication number | Priority date | Publication date | Assignee | Title |
|---|---|---|---|---|
| CN114968156A (en) * | 2022-05-23 | 2022-08-30 | 广西世纪创新显示电子有限公司 | Display and multi-terminal free switching system |
| CN114968156B (en) * | 2022-05-23 | 2025-11-18 | 广西世纪创新显示电子有限公司 | Display and multi-terminal switching system |
Similar Documents
| Publication | Publication Date | Title |
|---|---|---|
| US10929090B2 (en) | Wireless display screen | |
| CN212160647U (en) | Display for controlling multiple hosts | |
| CN217718664U (en) | Display and multi-terminal free switching system | |
| CN114968156B (en) | Display and multi-terminal switching system | |
| CN111163277A (en) | Video signal input and output switching device | |
| CN211880499U (en) | Multimedia signal conversion device | |
| CN203279031U (en) | MHL-HDMI converting and receiving unit and television with same | |
| CN210155656U (en) | Interactive flat plate with Type-C interface and interactive flat plate system | |
| CN212379781U (en) | Display all-in-one machine based on computing card | |
| CN115718684A (en) | OTG function detection method, system, device and equipment | |
| CN220526316U (en) | MST display expansion control circuit and device | |
| CN116521114B (en) | Image processing modules, equipment and systems | |
| CN110334043A (en) | An interactive flat panel with a Type-C interface and an interactive flat panel system | |
| CN212966155U (en) | Display screen system with multiplexed interfaces | |
| CN217405088U (en) | Display circuit and display device | |
| CN213186290U (en) | Ultra-high-definition seamless splicing matrix processor | |
| CN211375586U (en) | Display device | |
| CN111447377B (en) | Multimedia signal conversion device | |
| CN205232343U (en) | Signal conversion board and 4K2K signal conversion device | |
| CN212850764U (en) | Video signal input/output switching device | |
| CN212163492U (en) | Multiple input single output signal converter | |
| CN211019027U (en) | DVR system based on USB Type-C interface | |
| CN220796271U (en) | OSD virtual keyboard portable display control circuit and device | |
| CN223582475U (en) | Interface expansion device | |
| CN106910485A (en) | A kind of display terminal |
Legal Events
| Date | Code | Title | Description |
|---|---|---|---|
| GR01 | Patent grant | ||
| GR01 | Patent grant |