CN217121980U - Stable anti-deviation metal machining cutting machine - Google Patents

Stable anti-deviation metal machining cutting machine Download PDF

Info

Publication number
CN217121980U
CN217121980U CN202123384125.3U CN202123384125U CN217121980U CN 217121980 U CN217121980 U CN 217121980U CN 202123384125 U CN202123384125 U CN 202123384125U CN 217121980 U CN217121980 U CN 217121980U
Authority
CN
China
Prior art keywords
fixedly connected
cutting
dust removal
belt pulley
case
Prior art date
Legal status (The legal status is an assumption and is not a legal conclusion. Google has not performed a legal analysis and makes no representation as to the accuracy of the status listed.)
Expired - Fee Related
Application number
CN202123384125.3U
Other languages
Chinese (zh)
Inventor
陈强
杨平
Current Assignee (The listed assignees may be inaccurate. Google has not performed a legal analysis and makes no representation or warranty as to the accuracy of the list.)
Jiangsu Huixiang Metal Technology Co ltd
Original Assignee
Yangzhou Jiaomi Metal Products Co ltd
Priority date (The priority date is an assumption and is not a legal conclusion. Google has not performed a legal analysis and makes no representation as to the accuracy of the date listed.)
Filing date
Publication date
Application filed by Yangzhou Jiaomi Metal Products Co ltd filed Critical Yangzhou Jiaomi Metal Products Co ltd
Priority to CN202123384125.3U priority Critical patent/CN217121980U/en
Application granted granted Critical
Publication of CN217121980U publication Critical patent/CN217121980U/en
Expired - Fee Related legal-status Critical Current
Anticipated expiration legal-status Critical

Links

Images

Landscapes

  • Sawing (AREA)

Abstract

本实用新型公开了稳定型防偏移的金属加工用切料机,包括底板,所述底板的顶部分别固定连接有切割台和支撑架,所述支撑架的底部固定连接有液压缸,所述液压缸的输出端固定连接有除尘切割组件,所述切割台的顶部通过水平调节机构固定连接有夹板,使得本装置可以通过电机带动切割刀片切割的同时带动除尘机构对切割时产生的金属粉尘和废屑进行吸收,从而有效降低切割造成的金属粉尘和废屑对周围工作人员的身体造成不利影响,进而大大提高了本装置的环保性和节能性,并通过水平调节机构快速对不同尺寸的金属工件进行固定,从而可以避免工作在切割时发生偏离现象,并大大提高了本装置的适用范围和实用性。

Figure 202123384125

The utility model discloses a stable anti-offset metal cutting machine, which comprises a bottom plate, a cutting table and a support frame are respectively fixedly connected to the top of the bottom plate, and a hydraulic cylinder is fixedly connected to the bottom of the support frame. The output end of the hydraulic cylinder is fixedly connected with a dust removal and cutting assembly, and the top of the cutting table is fixedly connected with a splint through a horizontal adjustment mechanism, so that the device can drive the cutting blade to cut through the motor, and at the same time drive the dust removal mechanism to remove the metal dust and dust generated during cutting. Absorbing waste chips, thereby effectively reducing the adverse effects of metal dust and waste chips caused by cutting on the bodies of surrounding workers, thereby greatly improving the environmental protection and energy saving of the device, and can quickly adjust the level of metal through the level adjustment mechanism. The workpiece is fixed, so that the deviation phenomenon of the work during cutting can be avoided, and the applicable scope and practicability of the device are greatly improved.

Figure 202123384125

Description

Stable anti-deviation metal machining cutting machine
Technical Field
The utility model relates to a stock cutter technical field specifically is stable form prevents stock cutter for metalworking of skew.
Background
At present metal parts add man-hour often need use the stock cutter to carry out cutting process, but current stock cutter can produce very right dust when cutting to metal component, can be serious like this influence staff's physical and mental health and work efficiency, and current stock cutter does not have fine fixing the work piece of processing man-hour, thereby skew phenomenon appears easily when making the cutting, and then accuracy nature when having seriously influenced metal cutting, for this reason, we propose the stock cutter for metal processing of skew is prevented to stable form.
SUMMERY OF THE UTILITY MODEL
An object of the utility model is to provide a metal working of skew is prevented to stable form is with stock cutter to solve the problem that proposes among the above-mentioned background art.
In order to solve the technical problem, the utility model provides a following technical scheme: cutting machine for metalworking of skew is prevented to stable form, comprising a base plate, the top of bottom plate is fixedly connected with cutting bed and support frame respectively, the bottom fixedly connected with pneumatic cylinder of support frame, the output fixedly connected with dust removal cutting assembly of pneumatic cylinder, horizontal adjustment mechanism fixedly connected with splint are passed through at the top of cutting bed.
Preferably, the dust removal cutting subassembly is including the case of breathing in, the bottom fixedly connected with motor of case of breathing in, the output fixedly connected with diversion case of motor, the diversion case is provided with two output shafts, and one of them output shaft fixedly connected with cutting blade, another the first belt pulley of outer fixed surface of output shaft is connected with, first belt pulley is connected with the second belt pulley through belt transmission, the inside fixedly connected with pivot of second belt pulley, the other end of pivot extends to the inside and the fixedly connected with dust removal mechanism of case of breathing in to the energy-conservation of this device has been improved greatly.
Preferably, the dust removal mechanism is including the carousel with pivot fixed connection, the surface fixed connection of carousel has the stopper, the surface swing joint of stopper has the cavity board, one side fixedly connected with second connecting rod of cavity board, the other end fixedly connected with closing plate of second connecting rod to the feature of environmental protection of this device has been improved greatly.
Preferably, the top fixedly connected with outlet duct of case of breathing in, the case of breathing in keeps away from one side fixedly connected with intake pipe of second belt pulley, the surface of intake pipe and outlet duct all is provided with the solenoid valve, just the solenoid valve is the check valve to dust removal effect has been improved greatly.
Preferably, horizontal adjustment mechanism is including the handle, one side of handle extends to the inside and the positive and negative lead screw of fixedly connected with of cutting bed, positive and negative lead screw is kept away from the one end of handle and is connected with the opposite side inner wall rotation of cutting bed, the equal sliding connection in positive and negative both ends of positive and negative lead screw has the sliding block, the top fixedly connected with head rod of sliding block, the top of head rod pass through the spout extend to the top of cutting bed and with splint fixed connection to the application scope and the practicality of this device have been improved greatly.
Preferably, the outer fixed surface of support frame is connected with the controller, the outer fixed surface of controller is connected with control switch to this device's work efficiency has been improved greatly.
Compared with the prior art, the utility model discloses the beneficial effect who reaches is:
1. the utility model discloses a set up suction box, dust removal case, diversion case, motor, first belt pulley, second belt pulley, pivot, carousel, stopper, well hollow plate, second connecting rod, closing plate, intake pipe and outlet duct for this device can drive metal dust and sweeps that dust removal mechanism produced when cutting absorbs through the cutting blade cutting of motor drive simultaneously, thereby effectively reduce metal dust and the sweeps that the cutting caused and cause adverse effect to staff's health on every side, and then improved the feature of environmental protection and the energy-conservation nature of this device greatly;
2. the utility model discloses still through setting up handle, positive and negative lead screw, sliding block, head rod and splint for this device can be fixed not unidimensional metal work piece fast through horizontal adjusting mechanism, thereby can avoid work skew phenomenon to take place when the cutting, and improved the application scope and the practicality of this device greatly.
Drawings
The accompanying drawings are included to provide a further understanding of the invention, and are incorporated in and constitute a part of this specification, illustrate embodiments of the invention, and together with the description serve to explain the invention and not to limit the invention. In the drawings:
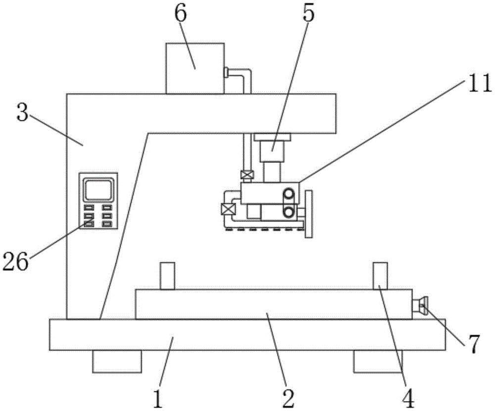
fig. 1 is an overall front view of the present invention;
FIG. 2 is a schematic view of the internal structure of the dust removing and cutting assembly of the present invention;
FIG. 3 is a schematic view of the internal structure of the suction box of the present invention;
FIG. 4 is a schematic view of the internal structure of the cutting table of the present invention;
in the figure: 1. a base plate; 2. cutting table; 3. a support frame; 4. a splint; 5. a hydraulic cylinder; 6. A dust removal box; 7. a handle; 8. a positive and negative screw rod; 9. a slider; 10. a first connecting rod; 11. An air suction box; 12. a turning box; 13. a motor; 14. a cutting blade; 15. a first pulley; 16. a second pulley; 17. a rotating shaft; 18. a turntable; 19. a limiting block; 20. a hollow plate; 21. a second connecting rod; 22. a sealing plate; 23. an air outlet pipe; 24. an air inlet pipe; 25. an electromagnetic valve; 26. and a controller.
Detailed Description
The technical solutions in the embodiments of the present invention will be described clearly and completely with reference to the accompanying drawings in the embodiments of the present invention, and it is obvious that the described embodiments are only some embodiments of the present invention, not all embodiments. Based on the embodiments in the present invention, all other embodiments obtained by a person skilled in the art without creative work belong to the protection scope of the present invention.
Referring to fig. 1-4, the utility model provides a stable anti-deviation metal processing cutting machine, which comprises a bottom plate 1, wherein the top of the bottom plate 1 is fixedly connected with a cutting table 2 and a supporting frame 3 respectively, the bottom of the supporting frame 3 is fixedly connected with a hydraulic cylinder 5, the output end of the hydraulic cylinder 5 is fixedly connected with a dust removing and cutting component, the dust removing and cutting component comprises an air suction box 11, the bottom of the air suction box 11 is fixedly connected with a motor 13, the output end of the motor 13 is fixedly connected with a turning box 12, the turning box 12 is provided with two output shafts, one of the output shafts is fixedly connected with a cutting blade 14, the outer surface of the other output shaft is fixedly connected with a first belt pulley 15, the first belt pulley 15 is connected with a second belt pulley 16 through belt transmission, a rotating shaft 17 is fixedly connected inside the second belt pulley 16, and the other end of the rotating shaft 17 extends to the inside of the air suction box 11 and is fixedly connected with a dust removing mechanism, through the linkage assembly in the dust removal cutting assembly, the motor 13 can drive the dust removal mechanism to operate while driving the cutting blade 14 to rotate, so that the device can realize two functions of cutting and dust removal without adding a new power source, the dust removal mechanism comprises a rotary table 18 fixedly connected with a rotary shaft 17, a limiting block 19 is fixedly connected to the outer surface of the rotary table 18, a hollow plate 20 is movably connected to the outer surface of the limiting block 19, a second connecting rod 21 is fixedly connected to one side of the hollow plate 20, a sealing plate 22 is fixedly connected to the other end of the second connecting rod 21, the device can rapidly absorb dust and sweeps generated by cutting by utilizing the positive and negative pressure principle of the dust removal mechanism, an air outlet pipe 23 is fixedly connected to the top of the air suction box 11, an air inlet pipe 24 is fixedly connected to one side of the air suction box 11 far away from the second belt pulley 16, and electromagnetic valves 25 are arranged on the outer surfaces of the air inlet pipe 24 and the air outlet pipe 23, the electromagnetic valves 25 are all one-way valves, and the air inlet pipe 24 and the air outlet pipe 23 can only respectively realize the circulation of air inlet and air outlet directions by utilizing the two one-way valves, so that the device can perfectly isolate air inlet and air outlet, the top of the cutting table 2 is fixedly connected with the splint 4 through the horizontal adjusting mechanism, the horizontal adjusting mechanism comprises a handle 7, one side of the handle 7 extends into the cutting table 2 and is fixedly connected with a positive lead screw 8, one end of the positive lead screw 8, which is far away from the handle 7, is rotatably connected with the inner wall of the other side of the cutting table 2, the positive and negative ends of the positive lead screw 8 are both slidably connected with sliding blocks 9, the top of the sliding block 9 is fixedly connected with a first connecting rod 10, the top of the first connecting rod 10 extends to the upper part of the cutting table 2 through a sliding chute and is fixedly connected with the splint 4, and the horizontal adjusting mechanism can be used for quickly adjusting the horizontal positions of the two splint 4, thereby make this device can carry out the centre gripping to not unidimensional splint 4 fixed, the fixed surface of support frame 3 is connected with controller 26, and the fixed surface of controller 26 is connected with control switch, utilizes controller 26 can be fast to this device inside electrical apparatus control.
The utility model discloses a theory of operation: when the cutting table is used, an operator firstly puts a metal workpiece on the cutting table 2, then rotates the handle 7 to enable the handle 7 to drive the positive and negative screw rods 8 to rotate, when the positive and negative screw rods 8 rotate, the sliding blocks 9 can not rotate under the limitation of the first connecting rod 10 and the sliding grooves, so that the sliding blocks 9 can only slide along the horizontal direction, and the thread directions of the two ends of the positive and negative screw rods 8 are opposite, so that the two sliding blocks 9 can only move in opposite directions or opposite directions, so that the sliding blocks 9 can drive the clamping plates 4 to clamp and fix the metal workpieces with different sizes through the first connecting rod 10, after the fixation is finished, the operator starts the hydraulic cylinder 5 and the motor 13 through the controller 26, so that the motor 13 can drive the cutting blade 14 and the first belt pulley 15 to rotate through the direction changing box 12, when the first belt pulley 15 rotates, the second belt pulley 16 can also rotate along with the belt, so that the second belt pulley 16 drives the rotary table 18 to rotate through the rotary shaft 17, and when the rotary table 18 rotates, the stopper 19 on the outer surface thereof slides in the central groove of the hollow plate 20, thereby moving the hollow plate 20 left and right, and further moving the sealing plate 22 back and forth via the second connecting rod 21, because the air inlet pipe 24 and the air outlet pipe 23 are both one-way passages, when the second connecting rod 21 drives the sealing plate 22 to move rightwards, negative pressure is generated inside the air suction box 11, thereby generating suction force and absorbing the dust and scraps generated by cutting through the air inlet pipe 24, when the second connecting rod 21 drives the sealing plate 22 to move leftwards, the gas inside the air suction box 11 is discharged to the inside of the dust removal box 6 through the air outlet pipe 23, thereby make this device can remove dust when the cutting and handle, and then improved the feature of environmental protection and the energy-conservation nature of this device greatly.
It is noted that, herein, relational terms such as first and second, and the like may be used solely to distinguish one entity or action from another entity or action without necessarily requiring or implying any actual such relationship or order between such entities or actions. Also, the terms "comprises," "comprising," or any other variation thereof, are intended to cover a non-exclusive inclusion, such that a process, method, article, or apparatus that comprises a list of elements does not include only those elements but may include other elements not expressly listed or inherent to such process, method, article, or apparatus.
Finally, it should be noted that: although the present invention has been described in detail with reference to the foregoing embodiments, it will be apparent to those skilled in the art that modifications may be made to the embodiments described in the foregoing embodiments, or equivalents may be substituted for elements thereof. Any modification, equivalent replacement, or improvement made within the spirit and principle of the present invention should be included in the protection scope of the present invention.

Claims (6)

1. Cutting machine is used in metalworking of skew is prevented to stable form, including bottom plate (1), its characterized in that: the top of bottom plate (1) is fixedly connected with cutting bed (2) and support frame (3) respectively, the bottom fixedly connected with pneumatic cylinder (5) of support frame (3), the output fixedly connected with dust removal cutting subassembly of pneumatic cylinder (5), horizontal adjustment mechanism fixedly connected with splint (4) are passed through at the top of cutting bed (2).
2. The stable, anti-offset metal working cutter according to claim 1, wherein: dust removal cutting assembly is including case (11) of breathing in, bottom fixedly connected with motor (13) of case (11) of breathing in, the output fixedly connected with diversion case (12) of motor (13), diversion case (12) are provided with two output shafts, and one of them output shaft fixedly connected with cutting blade (14), another the first belt pulley (15) of surface fixedly connected with of output shaft, first belt pulley (15) are connected with second belt pulley (16) through belt transmission, the inside fixedly connected with pivot (17) of second belt pulley (16), the other end of pivot (17) extends to the inside and the fixedly connected with dust removal mechanism of case (11) of breathing in.
3. The stable, anti-offset metal working cutter according to claim 2, wherein: dust removal mechanism including with pivot (17) fixed connection's carousel (18), the outer fixed surface of carousel (18) is connected with stopper (19), the surface swing joint of stopper (19) has cavity board (20), one side fixedly connected with second connecting rod (21) of cavity board (20), the other end fixedly connected with closing plate (22) of second connecting rod (21).
4. The stable, anti-offset metal working cutter according to claim 2, wherein: the top fixedly connected with outlet duct (23) of case (11) of breathing in, one side fixedly connected with intake pipe (24) of second belt pulley (16) are kept away from in case (11) of breathing in, the surface of intake pipe (24) and outlet duct (23) all is provided with solenoid valve (25), just solenoid valve (25) are the check valve.
5. The stable, anti-offset metal working cutter according to claim 1, wherein: horizontal adjustment mechanism is including handle (7), one side of handle (7) extends to the inside of cutting bed (2) and positive and negative lead screw (8) of fixedly connected with, the one end that handle (7) were kept away from in positive and negative lead screw (8) is rotated with the opposite side inner wall of cutting bed (2) and is connected, the equal sliding connection in positive and negative both ends of positive and negative lead screw (8) has sliding block (9), the top fixedly connected with head rod (10) of sliding block (9), the top of head rod (10) is passed through the spout and is extended to the top of cutting bed (2) and with splint (4) fixed connection.
6. The stabilized anti-drift metal working cutter according to claim 1, wherein: the outer fixed surface of support frame (3) is connected with controller (26), the outer fixed surface of controller (26) is connected with control switch.
CN202123384125.3U 2021-12-30 2021-12-30 Stable anti-deviation metal machining cutting machine Expired - Fee Related CN217121980U (en)

Priority Applications (1)

Application Number Priority Date Filing Date Title
CN202123384125.3U CN217121980U (en) 2021-12-30 2021-12-30 Stable anti-deviation metal machining cutting machine

Applications Claiming Priority (1)

Application Number Priority Date Filing Date Title
CN202123384125.3U CN217121980U (en) 2021-12-30 2021-12-30 Stable anti-deviation metal machining cutting machine

Publications (1)

Publication Number Publication Date
CN217121980U true CN217121980U (en) 2022-08-05

Family

ID=82619904

Family Applications (1)

Application Number Title Priority Date Filing Date
CN202123384125.3U Expired - Fee Related CN217121980U (en) 2021-12-30 2021-12-30 Stable anti-deviation metal machining cutting machine

Country Status (1)

Country Link
CN (1) CN217121980U (en)

Cited By (1)

* Cited by examiner, † Cited by third party
Publication number Priority date Publication date Assignee Title
CN117399717A (en) * 2023-12-05 2024-01-16 常州市金梓诺隔断装饰有限公司 A production and cutting device for aluminum alloy partition boards used in building construction

Cited By (1)

* Cited by examiner, † Cited by third party
Publication number Priority date Publication date Assignee Title
CN117399717A (en) * 2023-12-05 2024-01-16 常州市金梓诺隔断装饰有限公司 A production and cutting device for aluminum alloy partition boards used in building construction

Similar Documents

Publication Publication Date Title
CN211940217U (en) A precision grinding device for forklift castings
CN115106828B (en) Intelligent re-cutting numerical control lathe and use method thereof
CN111715924A (en) Metal rod cutting device for metal processing
CN217121980U (en) Stable anti-deviation metal machining cutting machine
CN221313754U (en) Aluminum template surface polishing device
CN217394295U (en) Five numerical control machine tools of planer-type high accuracy
CN211072277U (en) Laser cutting machine convenient to location work piece
CN204249022U (en) New woodworking double-sided profiling routing and milling machine
CN219598175U (en) A drilling machine that is not prone to deflection
CN209140404U (en) A kind of adjustable clamping tool for machine work in direction
CN219666350U (en) Hydraulic cutterhead fixture capable of being positioned rapidly
CN215615112U (en) Numerical control lathe for processing pin shaft parts
CN211867344U (en) Grinding device for machining speed reducer gear
CN211164122U (en) Rubber product overlap die-cut device that production efficiency is high
CN221248093U (en) Welding and leveling device for sheet metal parts
CN219380353U (en) An aluminum alloy plate chamfering machine
CN208117308U (en) A kind of perforating device of the precision machinery basic part processing convenient for fixation
CN223476345U (en) A CNC machine tool with anti-scalding structure
CN219616825U (en) Material cutting machine is used in welding jig production
CN220902750U (en) Automatic burr cutting pneumatic vertical lathe
CN218800853U (en) Milling machine for machining steel castings
CN219275289U (en) A protective device for a gantry type machining center machine tool
CN222754858U (en) A rotary table drilling and tapping machine capable of preventing chips from splashing
CN217832080U (en) Cold bending mechanical servo cutting machine with self-positioning function
CN222740965U (en) Milling machine for precision manufacturing

Legal Events

Date Code Title Description
GR01 Patent grant
GR01 Patent grant
TR01 Transfer of patent right

Effective date of registration: 20240914

Address after: No. 68, Yashan Project Area, Industrial Concentration Zone, Yuetang Town, Yizheng City, Yangzhou City, Jiangsu Province, China 211400

Patentee after: Jiangsu Huixiang Metal Technology Co.,Ltd.

Country or region after: China

Address before: 211400 Yuetang Town Industrial Concentration Zone, Yizheng City, Yangzhou City, Jiangsu Province

Patentee before: Yangzhou Jiaomi metal products Co.,Ltd.

Country or region before: China

TR01 Transfer of patent right
CF01 Termination of patent right due to non-payment of annual fee

Granted publication date: 20220805

CF01 Termination of patent right due to non-payment of annual fee