CN216794597U - High-voltage power supply relay protection system of tower crane - Google Patents
High-voltage power supply relay protection system of tower crane Download PDFInfo
- Publication number
- CN216794597U CN216794597U CN202122889837.4U CN202122889837U CN216794597U CN 216794597 U CN216794597 U CN 216794597U CN 202122889837 U CN202122889837 U CN 202122889837U CN 216794597 U CN216794597 U CN 216794597U
- Authority
- CN
- China
- Prior art keywords
- power supply
- voltage power
- voltage
- protection
- box
- Prior art date
- Legal status (The legal status is an assumption and is not a legal conclusion. Google has not performed a legal analysis and makes no representation as to the accuracy of the status listed.)
- Active
Links
- 230000004224 protection Effects 0.000 title claims abstract description 65
- 238000005260 corrosion Methods 0.000 claims description 3
- 238000002955 isolation Methods 0.000 abstract description 5
- 239000002184 metal Substances 0.000 description 2
- 238000010276 construction Methods 0.000 description 1
- 238000010586 diagram Methods 0.000 description 1
- 230000017525 heat dissipation Effects 0.000 description 1
- 238000009434 installation Methods 0.000 description 1
- 238000004519 manufacturing process Methods 0.000 description 1
- 238000000034 method Methods 0.000 description 1
- 238000009423 ventilation Methods 0.000 description 1
Images
Landscapes
- Emergency Protection Circuit Devices (AREA)
- Protection Of Transformers (AREA)
Abstract
本实用新型属于塔机技术领域,具体涉及一种塔机高压供电继电保护系统,包括高压供电的高压电源柜、箱式变电站,其中,高压电源柜主要包括隔离开关、真空断路器和零序电流互感器;箱式变电站的高压进线单元主要为负荷开关与熔断器组合电器,在高压电源柜的隔离开关、真空断路器之间设熔断器和电压\电流互感器,在真空断路器和零序电流互感器之间对地设置并联的接地刀开关和避雷器,与设置在高压配电柜中的微机综合保护装置配合保护;在高压进线单元的负荷开关前端配备避雷器,在熔断器处设置接地开关。本实用新型通过对高压供电系统中高压电源柜、箱式变电站的继电保护设计,解决了大型或者超大型塔机采用高压供电时安全保护问题。
The utility model belongs to the technical field of tower cranes, and in particular relates to a high-voltage power supply relay protection system for tower cranes, comprising a high-voltage power supply cabinet for high-voltage power supply and a box-type substation, wherein the high-voltage power supply cabinet mainly includes an isolation switch, a vacuum circuit breaker and a zero sequencer Current transformer; The high-voltage incoming unit of the box-type substation is mainly a combination of load switches and fuses, and fuses and voltage/current transformers are set between the isolation switches and vacuum circuit breakers of the high-voltage power supply cabinet. Between the zero-sequence current transformers, a parallel grounding knife switch and a lightning arrester are set to the ground, which cooperate with the microcomputer comprehensive protection device installed in the high-voltage power distribution cabinet for protection; the front-end of the load switch of the high-voltage incoming unit is equipped with a lightning arrester, which is located at the fuse. Set the grounding switch. The utility model solves the problem of safety protection when a large or super large tower crane adopts high voltage power supply through the relay protection design of the high voltage power supply cabinet and the box-type substation in the high voltage power supply system.
Description
技术领域technical field
本实用新型属于塔机技术领域,具体涉及一种塔机高压供电继电保护系统。The utility model belongs to the technical field of tower cranes, in particular to a high-voltage power supply relay protection system for tower cranes.
背景技术Background technique
现有塔机行业中供电普遍采用低压三相交流380V/400V供电方式,但是对于大型或者超大型塔机,由于其所需功率较大,如果采用低压三相交流380V/400V 供电方式,单相电缆由于所要承载电流较大,会导致单相电缆标称截面甚至会达到300平方毫米以上,价格高昂,同时对制造和现场安装施工造成较大困难。大型或者超大型塔机由于其所需功率较大,需采用高压供电,以减小电流,降低电缆的缆径,这对于塔机整体高压供电系统的安全保护提出了更高的要求。In the existing tower crane industry, the low-voltage three-phase AC 380V/400V power supply mode is generally used for power supply, but for large or super-large tower cranes, due to the large power required, if the low-voltage three-phase AC 380V/400V power supply mode is used, the single-phase Due to the large current carried by the cable, the nominal cross-section of the single-phase cable may even reach more than 300 square millimeters, which is expensive and causes great difficulties in manufacturing and on-site installation and construction. Large or super-large tower cranes need to use high-voltage power supply due to their large power requirements to reduce the current and reduce the cable diameter of the cable, which puts forward higher requirements for the safety protection of the overall high-voltage power supply system of the tower crane.
实用新型内容Utility model content
针对上述问题,本实用新型提供一种塔机高压供电继电保护系统。In view of the above problems, the utility model provides a high-voltage power supply relay protection system for tower cranes.
为实上述目的,本实用新型采用如下技术方案:For realizing the above-mentioned purpose, the utility model adopts the following technical scheme:
一种塔机高压供电继电保护系统,包括高压供电的地面高压电源柜、塔机顶部平台箱式变电站和高压供电电缆,其中,所述高压电源柜主要包括隔离开关、真空断路器和零序电流互感器;所述箱式变电站的高压进线单元主要为负荷开关与熔断器Ⅱ组合电器,在所述高压电源柜的隔离开关、真空断路器之间设熔断器Ⅰ和电压\电流互感器,在真空断路器和零序电流互感器之间对地设置并联的接地刀开关和避雷器Ⅰ,与设置在高压电源柜中的微机综合保护装置配合保护;在所述高压进线单元的负荷开关前端配备避雷器Ⅱ,在熔断器Ⅱ处设置接地开关。A high-voltage power supply relay protection system for a tower crane, including a ground high-voltage power supply cabinet for high-voltage power supply, a box-type substation on the top platform of the tower crane and a high-voltage power supply cable, wherein the high-voltage power supply cabinet mainly includes an isolation switch, a vacuum circuit breaker and a zero sequencer Current transformer; the high-voltage incoming line unit of the box-type substation is mainly a combination of load switch and fuse II, and fuse I and voltage\current transformers are arranged between the isolation switch and vacuum circuit breaker of the high-voltage power supply cabinet , between the vacuum circuit breaker and the zero-sequence current transformer, a parallel grounding knife switch and arrester I are set to the ground to cooperate with the microcomputer comprehensive protection device installed in the high-voltage power supply cabinet for protection; the load switch of the high-voltage incoming unit The front end is equipped with a lightning arrester II, and a grounding switch is set at the fuse II.
进一步地,在所述箱式变电站内还设有超温保护:变压器单元配置有自动温控装置。Further, over-temperature protection is also provided in the box-type substation: the transformer unit is equipped with an automatic temperature control device.
进一步地,在所述箱式变电站内还设有低压保护:低压用电单元的低压主开关采用框架断路器,并设置智能控制器。Further, low-voltage protection is also provided in the box-type substation: the low-voltage main switch of the low-voltage power consumption unit adopts a frame circuit breaker, and an intelligent controller is installed.
进一步地,所述保护系统中还设有外部防护。Further, the protection system is also provided with external protection.
进一步地,所述外部防护为供电电缆保护:供电电缆采用多层防护电缆,并设有单独防雷、接地线缆。Further, the external protection is power supply cable protection: the power supply cable adopts multi-layer protection cables, and is provided with separate lightning protection and grounding cables.
进一步地,所述外部防护为箱式变电站和高压电源柜具有防水、防锈蚀功能,并满足高压5防标准。Further, the external protection is that the box-type substation and the high-voltage power supply cabinet have waterproof and anti-corrosion functions, and meet the high-voltage 5-proof standard.
进一步地,所述外部防护为塔机及其电器设置的接地电阻应不大于4欧姆,或采用多处重复接地时,接地电阻应不大于10欧姆。Further, the grounding resistance set for the external protection for the tower crane and its electrical appliances should not be greater than 4 ohms, or when multiple repeated groundings are used, the grounding resistance should not be greater than 10 ohms.
本实用新型提出一种塔机高压供电继电保护系统,通过对高压供电系统中高压电源柜、箱式变电站的继电保护设计,解决了大型或者超大型塔机采用高压供电时安全保护问题。并通过对高压电缆、塔机本体及用电设备等进行,以提高整体高压供电系统保护性。The utility model proposes a high-voltage power supply relay protection system for tower cranes, which solves the problem of safety protection when large or super-large tower cranes use high-voltage power supply through the design of relay protection for high-voltage power supply cabinets and box-type substations in the high-voltage power supply system. And through the high-voltage cables, tower crane body and electrical equipment, etc., to improve the protection of the overall high-voltage power supply system.
附图说明Description of drawings
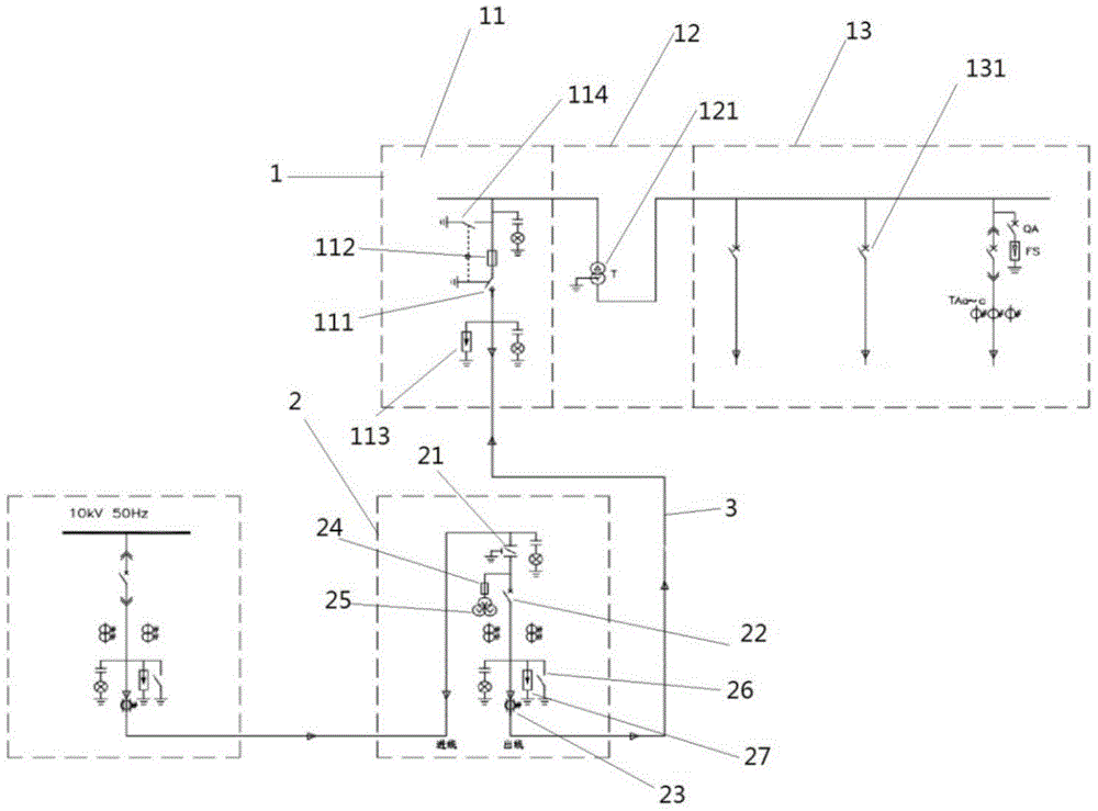
图1:塔机高压供电继电保护系统图。Figure 1: Diagram of tower crane high voltage power supply relay protection system.
具体实施方式Detailed ways
下面结合附图和实施例对本实用新型作进一步的说明,但并不作为对本实用新型限制的依据。The present utility model will be further described below in conjunction with the accompanying drawings and embodiments, but not as a basis for limiting the present utility model.
本实用新型提出一种塔机高压供电继电保护系统,通过对地面高压电源柜2、塔机顶部平台箱式变电站1的继电保护设计,解决了大型或者超大型塔机采用高压供电时安全保护问题。具体保护措施如下:The utility model proposes a high-voltage power supply relay protection system for tower cranes. Through the design of the relay protection for the ground high-voltage
如图1所示,1)地面高压电源柜保护:高压电源柜2安装在塔底,主要包括隔离开关21、真空断路器22和零序电流互感器23。在隔离开关21、真空断路器22之间设熔断器Ⅰ24和电压\电流互感器25,在真空断路器22和零序电流互感器23之间对地设置并联的接地刀开关26和避雷器Ⅰ27,与在高压电源柜2 中配置微机综合保护装置配合,通过综合整定参数,完成短路、断线、过电流、过电压、零序过电流、接地故障、雷击保护等。As shown in Figure 1, 1) Ground high-voltage power supply cabinet protection: The high-voltage
2)箱式变电站高压保护:箱式变电站1的高压进线单元11为负荷开关111 与熔断器Ⅱ112组合电器。在负荷开关111前端配备避雷器Ⅱ113,在熔断器Ⅱ112 处设置接地开关114,实现变压器121高压侧短路、过电流、过负荷、雷击的二次保护。2) High-voltage protection of box-type substation: The high-voltage
在箱式变电站1内还设有:The box-
3)箱式变电站超温保护:变压器单元12配置有通风散热的自动温控装置;3) Over-temperature protection of box-type substation: The
4)箱式变电站低压保护:低压用电单元13的低压主开关131采用框架断路器,配置智能控制器,具有长延时、短延时、瞬时电流保护。4) Low-voltage protection of box-type substations: The low-voltage
在塔机高压供电继电保护系统中还设有外部防护:There are also external protections in the tower crane high-voltage power supply relay protection system:
5)供电电缆保护:供电电缆3采用多层防护电缆,并设有单独线缆用作防雷、接地使用。5) Power supply cable protection:
6)地面高压电源柜、塔机顶部平台箱式变电站均有防水、防锈蚀功能,并满足高压5防条件。6) The ground high-voltage power supply cabinet and the box-type substation on the top platform of the tower crane have waterproof and anti-corrosion functions, and meet the high-voltage 5-proof conditions.
7)塔机本体保护:塔机的主体结构、电机机座和所有电器设备的金属外壳、导线的金属保护管均应可靠接地,其接地电阻应不大于4欧,采用多处重复接地时,接地电阻应不大于10欧。7) Protection of the tower crane body: the main structure of the tower crane, the metal casing of the motor base and all electrical equipment, and the metal protection tube of the wire should be reliably grounded, and the grounding resistance should not be greater than 4 ohms. The grounding resistance should be no more than 10 ohms.
Claims (7)
Priority Applications (1)
| Application Number | Priority Date | Filing Date | Title |
|---|---|---|---|
| CN202122889837.4U CN216794597U (en) | 2021-11-24 | 2021-11-24 | High-voltage power supply relay protection system of tower crane |
Applications Claiming Priority (1)
| Application Number | Priority Date | Filing Date | Title |
|---|---|---|---|
| CN202122889837.4U CN216794597U (en) | 2021-11-24 | 2021-11-24 | High-voltage power supply relay protection system of tower crane |
Publications (1)
| Publication Number | Publication Date |
|---|---|
| CN216794597U true CN216794597U (en) | 2022-06-21 |
Family
ID=82004041
Family Applications (1)
| Application Number | Title | Priority Date | Filing Date |
|---|---|---|---|
| CN202122889837.4U Active CN216794597U (en) | 2021-11-24 | 2021-11-24 | High-voltage power supply relay protection system of tower crane |
Country Status (1)
| Country | Link |
|---|---|
| CN (1) | CN216794597U (en) |
-
2021
- 2021-11-24 CN CN202122889837.4U patent/CN216794597U/en active Active
Similar Documents
| Publication | Publication Date | Title |
|---|---|---|
| CN101702517B (en) | Energy-saving outdoor grid current limiting device | |
| CN104767195A (en) | Small reactance value choose method during ultrahigh voltage autotransformer neutral point grounding in small reactance mode | |
| CN204088986U (en) | A kind of 35kV photovoltaic generation box-type substation | |
| CN107968329A (en) | Grid-connected access case and its access system | |
| CN216794597U (en) | High-voltage power supply relay protection system of tower crane | |
| CN102946108A (en) | Voltage automatic compensation device | |
| CN112968423B (en) | Inter-turn short-circuit fault protection method for low-voltage windings of grounding transformers with overcurrent protection | |
| CN201877270U (en) | Completely self-protected amorphous distribution transformer | |
| CN201937271U (en) | Compact type shunt capacitor complete device | |
| CN209184242U (en) | It is a kind of to dispatch controllable power network neutral point earthing or grounding means | |
| CN204947341U (en) | Distribution becomes platform intelligent distribution box | |
| CN201238190Y (en) | Earth leakage circuit breaker for zero wire break | |
| CN208127843U (en) | A kind of electric power tower high pressure takes electricity gas-insulated transformer substation system | |
| CN201690118U (en) | Open outdoor high-voltage monitoring and protecting combined electric appliance | |
| CN206758390U (en) | A kind of RCCB | |
| CN201562957U (en) | Energy-saving outdoor power grid current limiting device | |
| CN111463695A (en) | Prefabricated on-column distribution table area | |
| CN201263078Y (en) | Integrated equipment of user demarcation circuit breaker | |
| CN2382128Y (en) | Breaker against electric leakage and fire | |
| CN204947566U (en) | A kind of resident's Household lightning protection circuit breaker | |
| CN206712274U (en) | A kind of power distribution equipment | |
| CN203135434U (en) | Neutral point virtual grounding device | |
| CN219477255U (en) | Connection mode of grounding transformer and neutral point resistor cabinet | |
| CN215183478U (en) | Distribution transformer | |
| CN215185178U (en) | Wire inlet cabinet of distribution room |
Legal Events
| Date | Code | Title | Description |
|---|---|---|---|
| GR01 | Patent grant | ||
| GR01 | Patent grant |
