CN216542028U - 一种保温板材生产切割设备 - Google Patents
一种保温板材生产切割设备 Download PDFInfo
- Publication number
- CN216542028U CN216542028U CN202123054710.7U CN202123054710U CN216542028U CN 216542028 U CN216542028 U CN 216542028U CN 202123054710 U CN202123054710 U CN 202123054710U CN 216542028 U CN216542028 U CN 216542028U
- Authority
- CN
- China
- Prior art keywords
- plate
- clamping
- cutting
- main clamping
- clamping block
- Prior art date
- Legal status (The legal status is an assumption and is not a legal conclusion. Google has not performed a legal analysis and makes no representation as to the accuracy of the status listed.)
- Expired - Fee Related
Links
- 238000005520 cutting process Methods 0.000 title claims abstract description 55
- 238000004519 manufacturing process Methods 0.000 title claims abstract description 17
- 238000009413 insulation Methods 0.000 title claims description 27
- 238000003825 pressing Methods 0.000 claims abstract description 17
- 230000000712 assembly Effects 0.000 claims description 9
- 238000000429 assembly Methods 0.000 claims description 9
- 238000009434 installation Methods 0.000 claims description 7
- 239000000872 buffer Substances 0.000 claims description 3
- 238000003780 insertion Methods 0.000 description 7
- 230000037431 insertion Effects 0.000 description 7
- 230000009286 beneficial effect Effects 0.000 description 1
- 238000010586 diagram Methods 0.000 description 1
- 230000000694 effects Effects 0.000 description 1
- 230000007613 environmental effect Effects 0.000 description 1
- 238000010438 heat treatment Methods 0.000 description 1
- 238000000034 method Methods 0.000 description 1
- 238000012986 modification Methods 0.000 description 1
- 230000004048 modification Effects 0.000 description 1
Images
Landscapes
- Shearing Machines (AREA)
Abstract
本实用新型公开了一种保温板材生产切割设备,涉及保温板材生产技术领域,包括工作台、转动设置于工作台内用于切割板材的切割片和活动设置于工作台顶部用于夹紧板材的夹紧机构,所述切割片有电机驱动;所述夹紧机构包括位于板材切割处前后两侧的两组夹紧组件,所述夹紧组件具体为用于夹紧板材左右两端的两个主夹紧块,左端两个主夹紧块相向一侧顶部和右端两个主夹紧块相向一侧顶部分别通过U型连接板连接。在本实用新型中,通过活动设置在工作台上的夹紧机构,事先对板材进行夹紧,切割人员在切割板材时只需先进行对准,再推动板材即可对板材进行切割,大大提高板材切割效率。
Description
技术领域
本实用新型涉及保温板材生产技术领域,尤其涉及一种保温板材生产切割设备。
背景技术
墙面保温板是安装在建筑物外墙中起到隔热保温作用的板材,在建筑物外墙铺设一层保温板能大大提高建筑的保温效果,可以减少冬季使用空调或电取暖器取暖的次数,达到节能环保的目的。
保温板制备成型后需要使用保温板切割装置将保温板坯按照使用规格割成成品板,现有的切割装置在对保温板进行切割时,大多是通过工作台上的固定装置进行夹紧,故而每次切割都需要切割人员进行保温板的装夹和保温板的卸料,导致保温板的切割效率较低。
实用新型内容
本实用新型的目的是为了解决现有技术中不足的问题,而提出的一种保温板材生产切割设备。
为了实现上述目的,本实用新型采用了如下技术方案:
一种保温板材生产切割设备,包括工作台、转动设置于工作台内用于切割板材的切割片和活动设置于工作台顶部用于夹紧板材的夹紧机构,所述切割片有电机驱动;
所述夹紧机构包括位于板材切割处前后两侧的两组夹紧组件,所述夹紧组件具体为用于夹紧板材左右两端的两个主夹紧块,左端两个主夹紧块相向一侧顶部和右端两个主夹紧块相向一侧顶部分别通过U型连接板连接;
任意一组夹紧组件中的两个主夹紧块之间设置有调节组件,所述调节组件包括设置于主夹紧块后侧的安装框和转动设置于安装框内的丝杆,左侧主夹紧块与丝杆转动连接,右侧主夹紧块与丝杆螺纹连接,右侧主夹紧块通过滑块和滑槽的配合与安装框滑动连接,所述丝杆左端贯穿主夹紧块连接有转轮。
进一步,所述工作台顶部前后侧分别设置有两个条形导向块,两个所述条形导向块分别位于切割片前后两侧,后侧条形导向块与安装框滑动接触,前侧条形导向块与前侧夹紧组件滑动接触。
进一步,后侧所述夹紧组件中主夹紧块的后侧和前侧所述夹紧组件中主夹紧块的前侧分别通过调节式杆件连接有副夹紧块。
进一步,所述调节式杆件具体为与主夹紧块连接的导向杆和与副夹紧块连接的滑板,所述导向杆与滑板之间插接,所述导向杆和滑板之间通过锁紧螺栓固定,所述导向杆和滑板内均开设有与锁紧螺栓旋合的螺纹孔,所述导向杆内的螺纹孔为多个。
进一步,所述主夹紧块和副夹紧块与板材接触的一侧分别开设有匚型插接槽,所述匚型插接槽内上下滑动设置有用于压紧板材的压紧板,所述压紧板顶部拆卸连接有调节螺栓,所述压紧板与匚型插接槽顶部内壁螺纹连接。
进一步,所述匚型插接槽内壁和压紧板与板材接触的一侧均拆卸设置有缓冲胶垫。
与现有技术相比,本实用新型具备以下有益效果:
在本实用新型中,通过活动设置在工作台上的夹紧机构,事先对板材进行夹紧,切割人员在切割板材时只需先进行对准,再推动板材即可对板材进行切割,大大提高板材切割效率。
附图说明
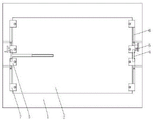
图1为本实用新型提出的一种保温板材生产切割设备的俯视图;
图2为本实用新型提出的一种保温板材生产切割设备的侧视图;
图3为本实用新型提出的一种保温板材生产切割设备中压紧板的结构示意图;
图4为本实用新型提出的一种保温板材生产切割设备的仰视图。
图中:1、工作台;11、条形导向块;2、板材;3、夹紧机构;4、U型连接板;5、调节组件;51、安装框;52、丝杆;6、调节式杆件;61、导向杆;62、滑板;7、副夹紧块;8、切割片;9、压紧板。
具体实施方式
下面将结合本实用新型实施例中的附图,对本实用新型实施例中的技术方案进行清楚、完整地描述,显然,所描述的实施例仅仅是本实用新型一部分实施例,而不是全部的实施例。
在本实用新型的描述中,需要理解的是,术语“上”、“下”、“前”、“后”、“左”、“右”、“顶”、“底”、“内”、“外”等指示的方位或位置关系为基于附图所示的方位或位置关系,仅是为了便于描述本实用新型和简化描述,而不是指示或暗示所指的装置或元件必须具有特定的方位、以特定的方位构造和操作,因此不能理解为对本实用新型的限制。
参照图1-4,一种保温板材生产切割设备,包括工作台1、转动设置于工作台1内用于切割板材2的切割片8和活动设置于工作台1顶部用于夹紧板材2的夹紧机构3,切割片8有电机驱动;
夹紧机构3包括位于板材2切割处前后两侧的两组夹紧组件,夹紧组件具体为用于夹紧板材2左右两端的两个主夹紧块,左端两个主夹紧块相向一侧顶部和右端两个主夹紧块相向一侧顶部分别通过U型连接板4连接;
任意一组夹紧组件中的两个主夹紧块之间设置有调节组件5,调节组件5包括设置于主夹紧块后侧的安装框51和转动设置于安装框51内的丝杆52,左侧主夹紧块与丝杆52转动连接,右侧主夹紧块与丝杆52螺纹连接,右侧主夹紧块通过滑块和滑槽的配合与安装框51滑动连接,丝杆52左端贯穿主夹紧块连接有转轮。
进一步,工作台1顶部前后侧分别设置有两个条形导向块11,两个条形导向块11分别位于切割片8前后两侧,后侧条形导向块11与安装框51滑动接触,前侧条形导向块11与前侧夹紧组件滑动接触。
进一步,后侧夹紧组件中主夹紧块的后侧和前侧夹紧组件中主夹紧块的前侧分别通过调节式杆件6连接有副夹紧块7。
进一步,调节式杆件6具体为与主夹紧块连接的导向杆61和与副夹紧块7连接的滑板62,导向杆61与滑板62之间插接,导向杆61和滑板62之间通过锁紧螺栓固定,导向杆61和滑板62内均开设有与锁紧螺栓旋合的螺纹孔,导向杆61内的螺纹孔为多个。
进一步,主夹紧块和副夹紧块7与板材2接触的一侧分别开设有匚型插接槽,匚型插接槽内上下滑动设置有用于压紧板材2的压紧板9,压紧板9顶部拆卸连接有调节螺栓,压紧板9与匚型插接槽顶部内壁螺纹连接。
进一步,匚型插接槽内壁和压紧板9与板材2接触的一侧均拆卸设置有缓冲胶垫。
工作原理:在实际的使用中,将板材2的左端插接在左侧两个主夹紧块中的匚型插接槽内,进而转动丝杆52,带动右侧的主夹紧块在丝杆52上移动,使得板材2的右端插入右侧的两个主夹紧块中的匚型插接槽内,进而前后调节移动板材2,使得板材2的切割处位于前后两个主夹紧块之间;
其中在板材2插入主夹紧块中的匚型插接槽内的同时也将插入副夹紧块7中的匚型插接槽内;
进一步,转动锁紧螺栓,使得导向杆61与滑板62解锁,进而拉动副夹紧块7远离主夹紧块至合适的位置;
进一步,转动调节螺栓,带动调节螺栓底部的压紧板9压紧板材2,完成板材2的夹紧;
当切割上述夹紧的板材2时,将上述夹紧的板材2的安装框51和前侧主夹紧块分别与工作台1上的两个条形导向块11滑动接触;
进一步启动电机带动切割片8转动,进一步,推动工作台1上夹紧的板材2,穿过切割片8进行切割。
以上所述,仅为本实用新型较佳的具体实施方式,但本实用新型的保护范围并不局限于此,任何熟悉本技术领域的技术人员在本实用新型揭露的技术范围内,根据本实用新型的技术方案及其实用新型构思加以等同替换或改变,都应涵盖在本实用新型的保护范围之内。
Claims (6)
1.一种保温板材生产切割设备,其特征在于,包括工作台(1)、转动设置于工作台(1)内用于切割板材(2)的切割片(8)和活动设置于工作台(1)顶部用于夹紧板材(2)的夹紧机构(3),所述切割片(8)有电机驱动;
所述夹紧机构(3)包括位于板材(2)切割处前后两侧的两组夹紧组件,所述夹紧组件具体为用于夹紧板材(2)左右两端的两个主夹紧块,左端两个主夹紧块相向一侧顶部和右端两个主夹紧块相向一侧顶部分别通过U型连接板(4)连接;
任意一组夹紧组件中的两个主夹紧块之间设置有调节组件(5),所述调节组件(5)包括设置于主夹紧块后侧的安装框(51)和转动设置于安装框(51)内的丝杆(52),左侧主夹紧块与丝杆(52)转动连接,右侧主夹紧块与丝杆(52)螺纹连接,右侧主夹紧块通过滑块和滑槽的配合与安装框(51)滑动连接,所述丝杆(52)左端贯穿主夹紧块连接有转轮。
2.根据权利要求1所述的一种保温板材生产切割设备,其特征在于,所述工作台(1)顶部前后侧分别设置有两个条形导向块(11),两个所述条形导向块(11)分别位于切割片(8)前后两侧,后侧条形导向块(11)与安装框(51)滑动接触,前侧条形导向块(11)与前侧夹紧组件滑动接触。
3.根据权利要求2所述的一种保温板材生产切割设备,其特征在于,后侧所述夹紧组件中主夹紧块的后侧和前侧所述夹紧组件中主夹紧块的前侧分别通过调节式杆件(6)连接有副夹紧块(7)。
4.根据权利要求3所述的一种保温板材生产切割设备,其特征在于,所述调节式杆件(6)具体为与主夹紧块连接的导向杆(61)和与副夹紧块(7)连接的滑板(62),所述导向杆(61)与滑板(62)之间插接,所述导向杆(61)和滑板(62)之间通过锁紧螺栓固定,所述导向杆(61)和滑板(62)内均开设有与锁紧螺栓旋合的螺纹孔,所述导向杆(61)内的螺纹孔为多个。
5.根据权利要求4所述的一种保温板材生产切割设备,其特征在于,所述主夹紧块和副夹紧块(7)与板材(2)接触的一侧分别开设有匚型插接槽,所述匚型插接槽内上下滑动设置有用于压紧板材(2)的压紧板(9),所述压紧板(9)顶部拆卸连接有调节螺栓,所述压紧板(9)与匚型插接槽顶部内壁螺纹连接。
6.根据权利要求5所述的一种保温板材生产切割设备,其特征在于,所述匚型插接槽内壁和压紧板(9)与板材(2)接触的一侧均拆卸设置有缓冲胶垫。
Priority Applications (1)
| Application Number | Priority Date | Filing Date | Title |
|---|---|---|---|
| CN202123054710.7U CN216542028U (zh) | 2021-12-07 | 2021-12-07 | 一种保温板材生产切割设备 |
Applications Claiming Priority (1)
| Application Number | Priority Date | Filing Date | Title |
|---|---|---|---|
| CN202123054710.7U CN216542028U (zh) | 2021-12-07 | 2021-12-07 | 一种保温板材生产切割设备 |
Publications (1)
| Publication Number | Publication Date |
|---|---|
| CN216542028U true CN216542028U (zh) | 2022-05-17 |
Family
ID=81538435
Family Applications (1)
| Application Number | Title | Priority Date | Filing Date |
|---|---|---|---|
| CN202123054710.7U Expired - Fee Related CN216542028U (zh) | 2021-12-07 | 2021-12-07 | 一种保温板材生产切割设备 |
Country Status (1)
| Country | Link |
|---|---|
| CN (1) | CN216542028U (zh) |
Cited By (1)
| Publication number | Priority date | Publication date | Assignee | Title |
|---|---|---|---|---|
| CN115635621A (zh) * | 2022-11-11 | 2023-01-24 | 福建思嘉新材料科技有限公司 | 一种pvc石塑地板表面覆膜自动化生产线 |
-
2021
- 2021-12-07 CN CN202123054710.7U patent/CN216542028U/zh not_active Expired - Fee Related
Cited By (1)
| Publication number | Priority date | Publication date | Assignee | Title |
|---|---|---|---|---|
| CN115635621A (zh) * | 2022-11-11 | 2023-01-24 | 福建思嘉新材料科技有限公司 | 一种pvc石塑地板表面覆膜自动化生产线 |
Similar Documents
| Publication | Publication Date | Title |
|---|---|---|
| CN216542028U (zh) | 一种保温板材生产切割设备 | |
| CN211465405U (zh) | 一种断桥铝隔热条穿条装置 | |
| CN209223234U (zh) | 一种铝型材门窗框架钻孔设备 | |
| CN216067181U (zh) | 一种铝合金门窗安装用辅助工装 | |
| CN111002280A (zh) | 一种幕墙单元板块加工组装平台 | |
| CN211334642U (zh) | 一种塑钢门窗焊接设备的定位装置 | |
| CN204748042U (zh) | 一种安全高效的开槽装置 | |
| CN223767023U (zh) | 一种隔热型钢结构顶棚 | |
| CN210389307U (zh) | 一种保温板预发泡料用切割装置 | |
| CN223045339U (zh) | 一种风管板材贴面压合装置 | |
| CN223699522U (zh) | 一种铝型材用切割锯床 | |
| CN210086527U (zh) | 一种基于保温板的安装用连接装置 | |
| CN216720011U (zh) | 一种电芯热压装置 | |
| CN219054571U (zh) | 一种保温板切割设备 | |
| CN221391634U (zh) | 一种保温砌块螺栓穿孔装置 | |
| CN222755063U (zh) | 一种玄纤建筑保温板修边装置 | |
| CN219690857U (zh) | 具有辅助定位功能的吊顶 | |
| CN221408722U (zh) | 一种光伏发电板固定装置 | |
| CN216423063U (zh) | 一种用于玻璃切割机的夹具 | |
| CN222909098U (zh) | 一种建筑隔热层安装结构 | |
| CN219275787U (zh) | 一种使用方便的装配式建筑墙连接装置 | |
| CN221496275U (zh) | 一种硬质保温板切割成型装置 | |
| CN221096293U (zh) | 一种立柜式玻璃门框条 | |
| CN218297858U (zh) | 一种母线槽抗弯检测装置 | |
| CN209799218U (zh) | 一种轻钢结构房屋用墙板 |
Legal Events
| Date | Code | Title | Description |
|---|---|---|---|
| GR01 | Patent grant | ||
| GR01 | Patent grant | ||
| CF01 | Termination of patent right due to non-payment of annual fee |
Granted publication date: 20220517 |
|
| CF01 | Termination of patent right due to non-payment of annual fee |