CN216472067U - A robot for cargo handling - Google Patents

A robot for cargo handling Download PDF

Info

Publication number
CN216472067U
CN216472067U CN202220021546.5U CN202220021546U CN216472067U CN 216472067 U CN216472067 U CN 216472067U CN 202220021546 U CN202220021546 U CN 202220021546U CN 216472067 U CN216472067 U CN 216472067U
Authority
CN
China
Prior art keywords
robot
support plate
cargo handling
goods
unit
Prior art date
Legal status (The legal status is an assumption and is not a legal conclusion. Google has not performed a legal analysis and makes no representation as to the accuracy of the status listed.)
Expired - Fee Related
Application number
CN202220021546.5U
Other languages
Chinese (zh)
Inventor
张军
周振超
杨成龙
Current Assignee (The listed assignees may be inaccurate. Google has not performed a legal analysis and makes no representation or warranty as to the accuracy of the list.)
Liaoning Institute of Science and Technology
Original Assignee
Liaoning Institute of Science and Technology
Priority date (The priority date is an assumption and is not a legal conclusion. Google has not performed a legal analysis and makes no representation as to the accuracy of the date listed.)
Filing date
Publication date
Application filed by Liaoning Institute of Science and Technology filed Critical Liaoning Institute of Science and Technology
Priority to CN202220021546.5U priority Critical patent/CN216472067U/en
Application granted granted Critical
Publication of CN216472067U publication Critical patent/CN216472067U/en
Expired - Fee Related legal-status Critical Current
Anticipated expiration legal-status Critical

Links

Images

Landscapes

  • Handcart (AREA)

Abstract

The utility model discloses a robot for cargo handling belongs to cargo handling production field. The utility model discloses a robot for cargo handling, include the mobile unit and install the unit of placing in the mobile unit upper end, the mobile unit includes the backup pad and installs the support frame in the backup pad upper end, the inboard of support frame is provided with lifting screw, place the unit and include the bearing board and install the connecting piece in bearing board one side, connecting piece and lifting screw threaded connection, the both sides of connecting piece are provided with the locating part, when using transfer robot, accessible lifting screw drives the connecting piece and removes, and then drive the bearing board and descend, make it descend behind the lower extreme of goods, move the goods to the bearing board upper end, later promote the mobile unit and make the goods remove, after moving the assigned position, accessible lifting screw drives the bearing board and removes suitable height and lift the goods off, high durability and convenient use, and simple operation.

Description

一种用于货物搬运的机器人A robot for cargo handling

技术领域technical field

本实用新型属于货物搬运生产领域,更具体的说,涉及一种用于货物搬运的机器人。The utility model belongs to the field of goods handling and production, and more particularly relates to a robot for handling goods.

背景技术Background technique

货物搬运是指在运输生产过程中,对货物进行短距离移动作业的总称。运输生产过程的重要组成部分。主要内容包括:货物堆码、货物进出、货物分类,主要在货物集散场所内进行,如货运站、港口、码头、机场、物流中心等。按货物包装形式、形状和式样,一般分为:单个货物搬运、单元货物搬运、散货搬运。Cargo handling refers to the general term for short-distance movement of goods in the process of transportation and production. Transport is an important part of the production process. The main contents include: cargo stacking, cargo in and out, cargo classification, mainly in cargo distribution sites, such as freight stations, ports, wharfs, airports, logistics centers, etc. According to the form, shape and style of cargo packaging, it is generally divided into: single cargo handling, unit cargo handling, and bulk cargo handling.

在对货物进行搬运时,常常使用可以进行移动的叉车对货物进行搬运,但是叉车体积较大,移动较为不便,普通的推车不方便将货物放置到较高的地方,且人工进行上下料时较为费力,使用较为不便。When handling goods, forklifts that can be moved are often used to handle goods, but forklifts are large and inconvenient to move. Ordinary carts are inconvenient to place the goods in higher places, and when loading and unloading manually It is more laborious and inconvenient to use.

实用新型内容Utility model content

本实用新型的目的在于克服现有技术中普通推车不方便将货物放置到较高的地方,提供了一种用于货物搬运的机器人,以解决以上不足,方便使用。The purpose of the utility model is to overcome the inconvenience of placing the goods in a higher place with the common cart in the prior art, and to provide a robot for carrying goods, so as to solve the above shortcomings and facilitate the use.

为达到上述目的,本实用新型提供的技术方案为:In order to achieve the above object, the technical scheme provided by the present utility model is:

本实用新型的一种用于货物搬运的机器人,包括移动单元和安装在移动单元上端的放置单元,所述移动单元包括支撑板和安装在支撑板上端的支撑架,支撑架的内侧设置有升降螺杆,升降螺杆与放置单元相连接;The utility model relates to a robot for handling goods, which includes a moving unit and a placing unit installed on the upper end of the moving unit. The moving unit includes a support plate and a support frame installed at the upper end of the support plate. The inner side of the support frame is provided with a lift The screw, the lifting screw is connected with the placement unit;

所述放置单元包括承托板和安装在承托板一侧的连接件,连接件与升降螺杆螺纹连接,连接件的两侧设置有限位件。The placing unit includes a supporting plate and a connecting piece installed on one side of the supporting plate, the connecting piece is threadedly connected with the lifting screw, and the two sides of the connecting piece are provided with limiting pieces.

优选的,所述支撑板的一侧设置有固定安装的加固杆,支撑板和加固杆的下端设置有万向轮,支撑板的另一侧设置有辅助推把。Preferably, one side of the support plate is provided with a fixedly installed reinforcing rod, the lower ends of the support plate and the reinforcing rod are provided with a universal wheel, and the other side of the support plate is provided with an auxiliary push handle.

优选的,所述支撑架的侧面设置有限位滑槽,限位件活动安装在限位滑槽内部。Preferably, a limit chute is provided on the side of the support frame, and the limit piece is movably installed inside the limit chute.

优选的,所述限位件的两侧设置有活动口,活动口的内部设置有旋转轮。Preferably, movable ports are provided on both sides of the limiting member, and rotating wheels are provided inside the movable ports.

优选的,所述承托板的侧面设置有上料斜板,承托板的上端设置有传动单元。Preferably, the side of the support plate is provided with a feeding inclined plate, and the upper end of the support plate is provided with a transmission unit.

优选的,所述承托板的下端设置有收纳槽,收纳槽与加固杆大小相匹配。Preferably, the lower end of the support plate is provided with a receiving groove, and the receiving groove matches the size of the reinforcing rod.

优选的,所述传动单元包括活动滚轴和设置在活动滚轴一端的传动头,承托板上端的活动滚轴通过连接杆两两连接,相邻的传动头通过传动皮带两两连接,一端的传动头与驱动头相连接,驱动头与驱动装置输出端相连接。Preferably, the transmission unit includes a movable roller and a transmission head arranged at one end of the movable roller, the movable rollers at the upper end of the bearing plate are connected by connecting rods, and the adjacent transmission heads are connected by a transmission belt, one end The transmission head is connected with the drive head, and the drive head is connected with the output end of the drive device.

优选的,所述连接杆的中部设置有限位环,限位环的上端设置有活动滚珠,限位环活动安装在承托板的内部。Preferably, a limit ring is arranged in the middle of the connecting rod, a movable ball is arranged on the upper end of the limit ring, and the limit ring is movably installed inside the support plate.

采用本实用新型提供的技术方案,与现有技术相比,具有如下有益效果:Compared with the prior art, the technical scheme provided by the present utility model has the following beneficial effects:

与现有技术相比,本实用新型的有益效果如下:Compared with the prior art, the beneficial effects of the present utility model are as follows:

(1)本实用新型的一种用于货物搬运的机器人,在使用搬运机器人时,可启动驱动电机通过升降螺杆带动连接件进行移动,进而带动承托板下降,使其下降到货物的下端后,通过辅助推把推动移动单元进行移动,进而使支撑架移动到货物的一侧,进而将货物移动到承托板上端,之后推动移动单元使货物进行移动,移动到指定位置后,可通过升降螺杆带动承托板移动到合适的高度卸下货物,使用方便,操作简单;(1) In a robot used for cargo handling of the present invention, when the handling robot is used, the drive motor can be activated to drive the connecting piece to move through the lifting screw, and then the supporting plate can be lowered so that it descends to the lower end of the cargo. , push the moving unit to move through the auxiliary push handle, and then move the support frame to the side of the goods, and then move the goods to the upper end of the supporting plate, and then push the moving unit to move the goods. The screw drives the support plate to move to a suitable height to unload the goods, which is easy to use and simple to operate;

(2)本实用新型的一种用于货物搬运的机器人,在货物上料或是下料时,可启动驱动电机带动驱动头进行旋转,进而带动传动头进行旋转,相邻的传动头通过传动皮带进行相互传动,进而带动一侧的活动滚轴进行旋转,方便在货物上下料时辅助货物进行移动,方便货物的搬运,节省人力。(2) A robot used for cargo handling of the present utility model, when loading or unloading the cargo, the drive motor can be activated to drive the drive head to rotate, and then drive the drive head to rotate, and the adjacent drive heads pass through the drive. The belts drive each other, and then drive the movable roller on one side to rotate, which is convenient for assisting the movement of the goods when loading and unloading the goods, which is convenient for the handling of the goods and saves manpower.

附图说明Description of drawings

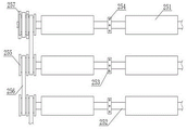
图1为本实用新型的整体结构示意图;Fig. 1 is the overall structure schematic diagram of the present utility model;

图2为本实用新型的移动单元结构示意图;2 is a schematic structural diagram of a mobile unit of the present invention;

图3为本实用新型的放置单元结构示意图;3 is a schematic diagram of a placement unit structure of the present invention;

图4为本实用新型的图3中A处放大结构示意图;Fig. 4 is the enlarged structural schematic diagram of A place in Fig. 3 of the present utility model;

图5为本实用新型的收纳槽结构示意图;FIG. 5 is a schematic view of the structure of the storage tank of the present invention;

图6为本实用新型的传动单元结构示意图。FIG. 6 is a schematic structural diagram of the transmission unit of the present invention.

图中:1、移动单元;11、支撑板;12、支撑架;13、升降螺杆;14、加固杆;15、万向轮;16、限位滑槽;17、辅助推把;2、放置单元;21、承托板;22、连接件;23、限位件;24、上料斜板;25、传动单元;251、活动滚轴;252、连接杆;253、限位环;254、活动滚珠;255、传动头;256、传动皮带;257、驱动头;26、活动口;27、旋转轮;28、收纳槽。In the figure: 1. Mobile unit; 11. Supporting plate; 12. Supporting frame; 13. Lifting screw; 14. Reinforcing rod; 15. Universal wheel; 16. Limiting chute; 17. Auxiliary push handle; 2. Placement unit; 21, bearing plate; 22, connecting piece; 23, limit piece; 24, feeding inclined plate; 25, transmission unit; 251, movable roller; 252, connecting rod; 253, limit ring; 254, Movable ball; 255, drive head; 256, drive belt; 257, drive head; 26, movable port; 27, rotating wheel; 28, storage slot.

具体实施方式Detailed ways

下面将结合本实用新型实施例中的附图,对本实用新型实施例中的技术方案进行清楚、完整地描述,显然,所描述的实施例仅仅是本实用新型一部分实施例,而不是全部的实施例。基于本实用新型中的实施例,本领域普通技术人员在没有做出创造性劳动前提下所获得的所有其他实施例,都属于本实用新型保护的范围。The technical solutions in the embodiments of the present utility model will be clearly and completely described below with reference to the accompanying drawings in the embodiments of the present utility model. Obviously, the described embodiments are only a part of the embodiments of the present utility model, rather than all the implementations. example. Based on the embodiments of the present invention, all other embodiments obtained by those of ordinary skill in the art without creative work fall within the protection scope of the present invention.

为进一步了解本实用新型的内容,结合附图对本实用新型作详细描述。In order to further understand the content of the present utility model, the present utility model is described in detail with reference to the accompanying drawings.

结合图1,本实用新型的一种用于货物搬运的机器人,包括移动单元1和安装在移动单元1上端的放置单元2。Referring to FIG. 1 , a robot for handling goods according to the present invention includes a moving unit 1 and a placing unit 2 installed on the upper end of the moving unit 1 .

下面结合实施例对本实用新型作进一步的描述The present utility model will be further described below in conjunction with the embodiments

实施例1Example 1

结合图1-4,移动单元1包括支撑板11和安装在支撑板11上端的支撑架12,支撑架12的侧面设置有限位滑槽16,支撑架12的内侧设置有升降螺杆13,升降螺杆13与放置单元2相连接,支撑板11的另一侧设置有辅助推把17。1-4, the mobile unit 1 includes a support plate 11 and a support frame 12 installed on the upper end of the support plate 11. The side of the support frame 12 is provided with a limit chute 16, and the inner side of the support frame 12 is provided with a lifting screw 13. The lifting screw 13 is connected with the placing unit 2, and the other side of the support plate 11 is provided with an auxiliary push handle 17.

放置单元2包括承托板21和安装在承托板21一侧的连接件22,连接件22与升降螺杆13螺纹连接,连接件22的两侧设置有限位件23,限位件23活动安装在限位滑槽16内部,限位件23的两侧设置有活动口26,活动口26的内部设置有旋转轮27。The placing unit 2 includes a supporting plate 21 and a connecting piece 22 installed on one side of the supporting plate 21. The connecting piece 22 is threadedly connected with the lifting screw 13. Limiting pieces 23 are arranged on both sides of the connecting piece 22, and the limiting pieces 23 are movably installed. Inside the limiting chute 16 , movable ports 26 are provided on both sides of the limiting member 23 , and rotating wheels 27 are provided inside the movable ports 26 .

在使用搬运机器人时,可启动驱动电机通过升降螺杆13带动连接件22进行移动,进而带动承托板21下降,使其下降到货物的下端后,通过辅助推把17推动移动单元1进行移动,进而使支撑架12移动到货物的一侧,进而将货物移动到承托板21上端,之后推动移动单元1使货物进行移动,移动到指定位置后,可通过升降螺杆13带动承托板21移动到合适的高度卸下货物,使用方便,操作简单。When using the handling robot, the drive motor can be started to drive the connecting piece 22 to move through the lifting screw 13, and then drive the supporting plate 21 to descend, so that it descends to the lower end of the goods, and then pushes the moving unit 1 to move through the auxiliary push handle 17. Then, the support frame 12 is moved to one side of the goods, and then the goods are moved to the upper end of the supporting plate 21, and then the moving unit 1 is pushed to move the goods. After moving to the designated position, the supporting plate 21 can be moved by the lifting screw 13. Unload the cargo to the appropriate height, easy to use and simple to operate.

实施例2Example 2

结合图2和图5,支撑板11的一侧设置有固定安装的加固杆14,支撑板11和加固杆14的下端设置有万向轮15。2 and 5 , one side of the support plate 11 is provided with a fixedly installed reinforcing rod 14 , and the lower ends of the support plate 11 and the reinforcing rod 14 are provided with a universal wheel 15 .

承托板21的下端设置有收纳槽28,收纳槽28与加固杆14大小相匹配。The lower end of the support plate 21 is provided with a receiving groove 28 , and the receiving groove 28 matches the size of the reinforcing rod 14 .

在支撑板11的侧面设置了加固杆14,在承托板21上端放置货物时可增大支撑板11的支撑面积,使支撑更加稳固,且设置的收纳槽28可在承托板21下降时对加固杆14进行收纳,防止承托板21在下降时与地面差距较大,不便上下料。Reinforcing rods 14 are arranged on the side of the support plate 11. When placing goods on the upper end of the support plate 21, the support area of the support plate 11 can be increased to make the support more stable. The reinforcing rod 14 is accommodated to prevent the support plate 21 from being greatly different from the ground when it descends, which is inconvenient for loading and unloading.

实施例3Example 3

结合图6,承托板21的侧面设置有上料斜板24,承托板21的上端设置有传动单元25。Referring to FIG. 6 , the side surface of the support plate 21 is provided with a feeding inclined plate 24 , and the upper end of the support plate 21 is provided with a transmission unit 25 .

传动单元25包括活动滚轴251和设置在活动滚轴251一端的传动头255,承托板21上端的活动滚轴251通过连接杆252两两连接,相邻的传动头255通过传动皮带256两两连接,一端的传动头255与驱动头257相连接,驱动头257与驱动装置输出端相连接。The transmission unit 25 includes a movable roller 251 and a transmission head 255 arranged at one end of the movable roller 251. The movable rollers 251 at the upper end of the support plate 21 are connected in pairs by connecting rods 252, and the adjacent transmission heads 255 are connected by a transmission belt 256. Two connections, the transmission head 255 at one end is connected with the drive head 257, and the drive head 257 is connected with the output end of the drive device.

连接杆252的中部设置有限位环253,限位环253的上端设置有活动滚珠254,限位环253活动安装在承托板21的内部。A limiting ring 253 is provided in the middle of the connecting rod 252 , a movable ball 254 is provided on the upper end of the limiting ring 253 , and the limiting ring 253 is movably installed inside the support plate 21 .

在货物上料或是下料时,可启动驱动电机带动驱动头257进行旋转,进而带动传动头255进行旋转,相邻的传动头255通过传动皮带256进行相互传动,进而带动一侧的活动滚轴251进行旋转,方便在货物上下料时辅助货物进行移动,方便货物的搬运,节省人力。When the goods are loaded or unloaded, the drive motor can be started to drive the drive head 257 to rotate, and then drive the drive head 255 to rotate. The adjacent drive heads 255 are mutually driven by the drive belt 256, thereby driving the movable roller on one side. The shaft 251 rotates to facilitate the movement of the goods during loading and unloading, which facilitates the handling of the goods and saves manpower.

综上所述:在使用搬运机器人时,可启动驱动电机通过升降螺杆13带动连接件22进行移动,进而带动承托板21下降,使其下降到货物的下端后,通过辅助推把17推动移动单元1进行移动,进而使支撑架12移动到货物的一侧,进而将货物移动到承托板21上端,之后推动移动单元1使货物进行移动,移动到指定位置后,可通过升降螺杆13带动承托板21移动到合适的高度卸下货物,在货物上料或是下料时,可启动驱动电机带动驱动头257进行旋转,进而带动传动头255进行旋转,相邻的传动头255通过传动皮带256进行相互传动,进而带动一侧的活动滚轴251进行旋转,方便在货物上下料时辅助货物进行移动,方便货物的搬运,节省人力。To sum up: when using the handling robot, the drive motor can be started to drive the connecting piece 22 to move through the lifting screw 13, and then the supporting plate 21 can be lowered, so that it is lowered to the lower end of the goods, and then pushed and moved by the auxiliary push handle 17. The unit 1 moves, so that the support frame 12 moves to one side of the goods, and then the goods are moved to the upper end of the support plate 21, and then the moving unit 1 is pushed to move the goods. After moving to the designated position, it can be driven by the lifting screw 13 The support plate 21 moves to a suitable height to unload the goods. When the goods are loaded or unloaded, the drive motor can be started to drive the drive head 257 to rotate, and then drive the drive head 255 to rotate. The adjacent drive heads 255 are driven by The belts 256 carry out mutual transmission, and then drive the movable roller 251 on one side to rotate, which facilitates the movement of the goods when loading and unloading the goods, facilitates the transportation of the goods, and saves manpower.

需要说明的是,在本文中,诸如第一和第二等之类的关系术语仅仅用来将一个实体或者操作与另一个实体或操作区分开来,而不一定要求或者暗示这些实体或操作之间存在任何这种实际的关系或者顺序。而且,术语“包括”、“包含”或者其任何其他变体意在涵盖非排他性的包含,从而使得包括一系列要素的过程、方法、物品或者设备不仅包括那些要素,而且还包括没有明确列出的其他要素,或者是还包括为这种过程、方法、物品或者设备所固有的要素。It should be noted that, in this document, relational terms such as first and second are only used to distinguish one entity or operation from another entity or operation, and do not necessarily require or imply any relationship between these entities or operations. any such actual relationship or sequence exists. Moreover, the terms "comprising", "comprising" or any other variation thereof are intended to encompass a non-exclusive inclusion such that a process, method, article or device that includes a list of elements includes not only those elements, but also includes not explicitly listed or other elements inherent to such a process, method, article or apparatus.

尽管已经示出和描述了本实用新型的实施例,对于本领域的普通技术人员而言,可以理解在不脱离本实用新型的原理和精神的情况下可以对这些实施例进行多种变化、修改、替换和变型,本实用新型的范围由所附权利要求及其等同物限定。Although the embodiments of the present invention have been shown and described, it will be understood by those skilled in the art that various changes and modifications can be made to these embodiments without departing from the principles and spirit of the present invention , alternatives and modifications, the scope of the present invention is defined by the appended claims and their equivalents.

Claims (8)

1.一种用于货物搬运的机器人,包括移动单元(1)和安装在移动单元(1)上端的放置单元(2),其特征在于:所述移动单元(1)包括支撑板(11)和安装在支撑板(11)上端的支撑架(12),支撑架(12)的内侧设置有升降螺杆(13),升降螺杆(13)与放置单元(2)相连接;1. A robot for cargo handling, comprising a mobile unit (1) and a placement unit (2) mounted on the upper end of the mobile unit (1), characterized in that the mobile unit (1) comprises a support plate (11) and a support frame (12) installed on the upper end of the support plate (11), the inner side of the support frame (12) is provided with a lifting screw (13), and the lifting screw (13) is connected with the placing unit (2); 所述放置单元(2)包括承托板(21)和安装在承托板(21)一侧的连接件(22),连接件(22)与升降螺杆(13)螺纹连接,连接件(22)的两侧设置有限位件(23)。The placing unit (2) comprises a supporting plate (21) and a connecting piece (22) installed on one side of the supporting plate (21), the connecting piece (22) is threadedly connected with the lifting screw (13), and the connecting piece (22) ) are provided with limiters (23) on both sides. 2.根据权利要求1所述的一种用于货物搬运的机器人,其特征在于:所述支撑板(11)的一侧设置有固定安装的加固杆(14),支撑板(11)和加固杆(14)的下端设置有万向轮(15),支撑板(11)的另一侧设置有辅助推把(17)。2. A robot for cargo handling according to claim 1, characterized in that: one side of the support plate (11) is provided with a fixedly installed reinforcement rod (14), the support plate (11) and the reinforcement The lower end of the rod (14) is provided with a universal wheel (15), and the other side of the support plate (11) is provided with an auxiliary push handle (17). 3.根据权利要求2所述的一种用于货物搬运的机器人,其特征在于:所述支撑架(12)的侧面设置有限位滑槽(16),限位件(23)活动安装在限位滑槽(16)内部。3 . The robot for cargo handling according to claim 2 , wherein a limit chute ( 16 ) is arranged on the side of the support frame ( 12 ), and the limit member ( 23 ) is movably installed in the limit 3 . Inside the chute (16). 4.根据权利要求3所述的一种用于货物搬运的机器人,其特征在于:所述限位件(23)的两侧设置有活动口(26),活动口(26)的内部设置有旋转轮(27)。4 . The robot for cargo handling according to claim 3 , characterized in that: movable ports ( 26 ) are provided on both sides of the limiting member ( 23 ), and the interior of the movable ports ( 26 ) are provided with Rotary wheel (27). 5.根据权利要求4所述的一种用于货物搬运的机器人,其特征在于:所述承托板(21)的侧面设置有上料斜板(24),承托板(21)的上端设置有传动单元(25)。5 . The robot for cargo handling according to claim 4 , wherein: the side of the support plate ( 21 ) is provided with a feeding inclined plate ( 24 ), and the upper end of the support plate ( 21 ). A transmission unit (25) is provided. 6.根据权利要求5所述的一种用于货物搬运的机器人,其特征在于:所述承托板(21)的下端设置有收纳槽(28),收纳槽(28)与加固杆(14)大小相匹配。6. A robot for cargo handling according to claim 5, characterized in that: the lower end of the support plate (21) is provided with a receiving groove (28), the receiving groove (28) and the reinforcing rod (14) ) to match the size. 7.根据权利要求6所述的一种用于货物搬运的机器人,其特征在于:所述传动单元(25)包括活动滚轴(251)和设置在活动滚轴(251)一端的传动头(255),承托板(21)上端的活动滚轴(251)通过连接杆(252)两两连接,相邻的传动头(255)通过传动皮带(256)两两连接,一端的传动头(255)与驱动头(257)相连接,驱动头(257)与驱动装置输出端相连接。7. The robot for handling goods according to claim 6, wherein the transmission unit (25) comprises a movable roller (251) and a transmission head (251) disposed at one end of the movable roller (251). 255), the movable rollers (251) at the upper end of the support plate (21) are connected in pairs by connecting rods (252), the adjacent transmission heads (255) are connected by transmission belts (256) in pairs, and the transmission heads at one end ( 255) is connected with the drive head (257), and the drive head (257) is connected with the output end of the drive device. 8.根据权利要求7所述的一种用于货物搬运的机器人,其特征在于:所述连接杆(252)的中部设置有限位环(253),限位环(253)的上端设置有活动滚珠(254),限位环(253)活动安装在承托板(21)的内部。8 . The robot for cargo handling according to claim 7 , wherein a limit ring ( 253 ) is arranged in the middle of the connecting rod ( 252 ), and a movable ring ( 253 ) is arranged on the upper end of the limit ring ( 253 ). 9 . The ball (254) and the limit ring (253) are movably installed inside the support plate (21).
CN202220021546.5U 2022-01-06 2022-01-06 A robot for cargo handling Expired - Fee Related CN216472067U (en)

Priority Applications (1)

Application Number Priority Date Filing Date Title
CN202220021546.5U CN216472067U (en) 2022-01-06 2022-01-06 A robot for cargo handling

Applications Claiming Priority (1)

Application Number Priority Date Filing Date Title
CN202220021546.5U CN216472067U (en) 2022-01-06 2022-01-06 A robot for cargo handling

Publications (1)

Publication Number Publication Date
CN216472067U true CN216472067U (en) 2022-05-10

Family

ID=81434678

Family Applications (1)

Application Number Title Priority Date Filing Date
CN202220021546.5U Expired - Fee Related CN216472067U (en) 2022-01-06 2022-01-06 A robot for cargo handling

Country Status (1)

Country Link
CN (1) CN216472067U (en)

Cited By (1)

* Cited by examiner, † Cited by third party
Publication number Priority date Publication date Assignee Title
CN118529671A (en) * 2024-06-04 2024-08-23 湖北千泰科技集团有限公司 Cargo handling robot car

Cited By (1)

* Cited by examiner, † Cited by third party
Publication number Priority date Publication date Assignee Title
CN118529671A (en) * 2024-06-04 2024-08-23 湖北千泰科技集团有限公司 Cargo handling robot car

Similar Documents

Publication Publication Date Title
CN201132690Y (en) Double-layer telescopic conveyor
CN110239966A (en) A kind of compact handling goods mobile robot and loading and discharging method
CN114229505B (en) Container cargo handling device and handling method
CN213294095U (en) An automatic palletizing device for logistics unloading
CN216472067U (en) A robot for cargo handling
CN220662359U (en) AGV dolly of convenient loading and unloading
CN216471055U (en) Logistics vehicle loading and unloading device
CN106698272A (en) Hydraulic forklift capable of freely ascending and descending
CN211643905U (en) Automatic loading equipment for container
CN114671366A (en) An automatic handling trolley for automatic loading and unloading
CN216761575U (en) New forms of energy commodity circulation car
CN216660860U (en) Former piece rack of glass with screens is adjusted
CN206383980U (en) A kind of logistics handling device
CN117819243A (en) Novel automatic cargo stacking and loading machine for conveying and loading
CN205952010U (en) A transport vechicle for light article shipment
CN214360071U (en) Pipeline bracket convenient for pipeline carrying
CN211847027U (en) Rotatable goods transport vehicle based on magnetic navigation
CN115611033A (en) A get a equipment fast for commodity circulation goods
CN210392418U (en) Advanced manufacturing and automatic material carrying platform
CN207061090U (en) A kind of cylindrical feed parcel handling, palletizing apparatus
CN209582859U (en) A kind of dedusting type discharge mechanism
CN219314469U (en) A conveyer for electronic sofa production
CN111153226A (en) A kind of container automatic loading equipment
CN221419701U (en) Tobacco bale turnover conveyer
CN221642520U (en) A fixed transfer mechanism for raw material transfer

Legal Events

Date Code Title Description
GR01 Patent grant
GR01 Patent grant
CF01 Termination of patent right due to non-payment of annual fee

Granted publication date: 20220510

CF01 Termination of patent right due to non-payment of annual fee