CN216188415U - Detachable middle groove of scraper conveyor - Google Patents

Detachable middle groove of scraper conveyor Download PDF

Info

Publication number
CN216188415U
CN216188415U CN202122392019.3U CN202122392019U CN216188415U CN 216188415 U CN216188415 U CN 216188415U CN 202122392019 U CN202122392019 U CN 202122392019U CN 216188415 U CN216188415 U CN 216188415U
Authority
CN
China
Prior art keywords
middle plate
threaded
plate
groove
hole
Prior art date
Legal status (The legal status is an assumption and is not a legal conclusion. Google has not performed a legal analysis and makes no representation as to the accuracy of the status listed.)
Active
Application number
CN202122392019.3U
Other languages
Chinese (zh)
Inventor
李平辉
吴雅明
张田录
张�杰
董梦磊
邹民赞
高伟林
Current Assignee (The listed assignees may be inaccurate. Google has not performed a legal analysis and makes no representation or warranty as to the accuracy of the list.)
ZHENGZHOU COAL MINE MACHINERY
Zhengzhou Coal Mining Machinery Longwall Equipment Co ltd
Original Assignee
Zhengzhou Coal Mining Machinery Longwall Equipment Co ltd
Zhengzhou Coal Mining Machinery Group Co Ltd
Priority date (The priority date is an assumption and is not a legal conclusion. Google has not performed a legal analysis and makes no representation as to the accuracy of the date listed.)
Filing date
Publication date
Application filed by Zhengzhou Coal Mining Machinery Longwall Equipment Co ltd, Zhengzhou Coal Mining Machinery Group Co Ltd filed Critical Zhengzhou Coal Mining Machinery Longwall Equipment Co ltd
Priority to CN202122392019.3U priority Critical patent/CN216188415U/en
Application granted granted Critical
Publication of CN216188415U publication Critical patent/CN216188415U/en
Active legal-status Critical Current
Anticipated expiration legal-status Critical

Links

Images

Landscapes

  • Laying Of Electric Cables Or Lines Outside (AREA)

Abstract

本实用新型提供一种刮板输送机可拆卸中部槽,包括铲板槽帮、挡板槽帮、底板、中板,其中中板和底板分别固定在所述铲板槽帮和所述挡板槽帮之间;所述中板上表面可拆卸的设置第二中板,所述中板和第二中板其中一个固定设置螺纹销,所述螺纹销包括销轴以及设置在销轴内的螺纹孔;所述中板和第二中板中另外一个设置与螺纹销的销轴对应的定位孔;所述中板和第二中板通过设置在所述定位孔和所述螺纹孔内的螺纹件固定。本实用新型将用于定位的销轴和用于固定的螺栓组合成螺纹销,一次实现定位和固定的功能,操作更加简单方便。

Figure 202122392019

The utility model provides a detachable middle groove of a scraper conveyor, comprising a shovel plate groove part, a baffle plate groove part, a bottom plate and a middle plate, wherein the middle plate and the bottom plate are respectively fixed on the shovel plate groove part and the baffle plate A second middle plate is detachably arranged on the upper surface of the middle plate, one of the middle plate and the second middle plate is fixedly provided with a threaded pin, and the threaded pin includes a pin shaft and a threaded pin arranged in the pin shaft. A threaded hole; the other one of the middle plate and the second middle plate is provided with a positioning hole corresponding to the pin shaft of the threaded pin; the middle plate and the second middle plate pass through the positioning hole and the threaded hole. Threaded parts are fixed. The utility model combines the pin shaft for positioning and the bolt for fixing into a threaded pin, which realizes the functions of positioning and fixing at one time, and the operation is more simple and convenient.

Figure 202122392019

Description

Detachable middle groove of scraper conveyor
Technical Field
The utility model belongs to the field of coal mining, and particularly relates to a detachable middle trough of a scraper conveyor.
Background
The scraper conveyor is used as key equipment in a coal fully-mechanized mining system and mainly undertakes the task of coal transportation. Its service life directly affects mining costs and efficiency. The wear resistance of the middle plate (hereinafter referred to as middle plate) of the middle groove of the scraper conveyor, which is used as a main component of the middle groove, is one of the main factors determining the service life of the scraper conveyor. The coal gangue impact-resistant scraper plate not only bears the impact of coal gangue in the working process, but also has friction with the scraper plate, and the middle plate is extremely easy to be seriously worn, so that the normal production cannot be met. The existing solution generally has two kinds, namely, the equipment is used for lifting the well and overhauling the center plate to replace in batch, the maintenance time is long, and the cost is high; the middle plate is difficult to replace and process, the processing precision is difficult to guarantee, and the groove body is damaged. Secondly, the composite C-shaped groove structure is connected with the groove body through welding, the replacement is complicated, fire cutting is needed, and the replacement under the well is difficult. The reference CN212531056U discloses a middle plate structure with a flexible connection of middle slots, wherein the middle plates include a fixed lower middle plate and an upper middle plate that can be flexibly connected with the lower middle plate. This configuration allows for removal of the upper and middle plates, but still suffers from a number of disadvantages. For example, both sides of the middle plate are also areas which are easy to wear and can not be replaced in the comparison document, and even if the middle plate can be replaced, the whole middle groove needs to be lifted for replacement and maintenance after a period of time. In addition, the positioning structure and the structure for fixing and detaching the upper and middle plates are still troublesome.
SUMMERY OF THE UTILITY MODEL
The utility model provides a detachable middle trough of a scraper conveyor.
The object of the utility model is achieved in the following way: the detachable middle trough of the scraper conveyor comprises a shovel plate ledge, a baffle ledge, a bottom plate and a middle plate, wherein the middle plate and the bottom plate are respectively fixed between the shovel plate ledge and the baffle ledge; the upper surface of the middle plate is detachably provided with a second middle plate, one of the middle plate and the second middle plate is fixedly provided with a threaded pin, and the threaded pin comprises a pin shaft and a threaded hole arranged in the pin shaft; the other one of the middle plate and the second middle plate is provided with a positioning hole corresponding to the pin shaft of the threaded pin; the middle plate and the second middle plate are fixed through threaded pieces arranged in the positioning holes and the threaded holes.
The second middle plate is fixedly provided with a threaded pin, the middle plate is provided with a positioning hole, the positioning hole is a stepped hole with a small upper part and a large lower part, the threaded part is a special bolt, and the special bolt comprises a nut arranged in a large hole of the stepped hole and a threaded section arranged in the threaded pin.
And the second middle plate is provided with a dismounting through hole.
The middle plate is fixedly provided with a threaded pin, the second middle plate is provided with a positioning hole, the positioning hole is a stepped hole with a small upper part and a large lower part, the threaded part is a special bolt, and the special bolt comprises a nut arranged in a large hole of the stepped hole and a threaded section arranged in the threaded pin.
Two sides of the second middle plate are respectively provided with an upward ledge edge, and the second middle plate and the ledge edges form a C-shaped groove; and a hanging ring is arranged on the upper surface of the ledge of the C-shaped groove.
The utility model has the beneficial effects that: the utility model improves the fixing mode of the second middle plate and the bottom plate, combines the pin shaft for positioning and the bolt for fixing into a threaded pin, realizes the functions of positioning and fixing at one time, and has simpler and more convenient operation. The second medium plate can be convenient installation and dismantlement, saves the operation of starting a fire and changes the medium plate, raises the efficiency, reduces middle part groove medium plate and uses cost of maintenance.
Drawings
FIG. 1 is a schematic view of a removable centerwell.
Fig. 2 is a schematic view of fig. 1 in a disassembled state (the threaded pin is omitted).
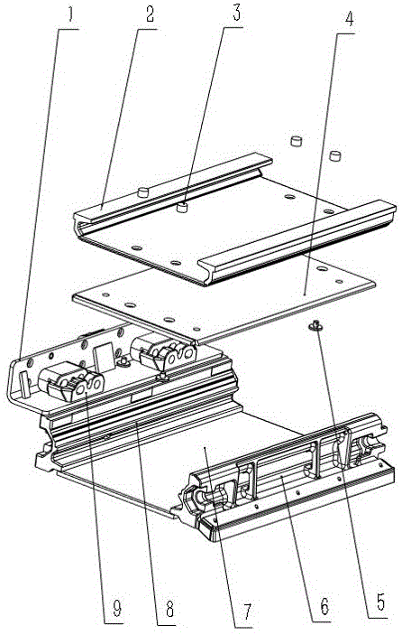
Figure 3 is an exploded view of the removable center tank.
Fig. 4 is a schematic view of a C-shaped groove.
Figure 5 is a middle plate schematic.
Fig. 6 is a schematic view of a threaded pin.
FIG. 7 is a schematic view of a tailored bolt.
Figure 8 is a schematic view of a second embodiment of a removable center tank.
The device comprises a bent plate 1, a C-shaped groove 2, a threaded pin 3, a middle plate 4, a specially-made bolt 5, a shovel ledge 6, a bottom plate 7, a baffle ledge 8, a rack rail seat 9, a ledge edge 21, a second middle plate 22, a hanging ring 23, a threaded hole 31, a positioning hole 41 and a disassembly through hole 42.
Detailed Description
In the present invention, unless otherwise specifically defined and limited, technical terms used herein shall have the ordinary meaning as understood by those skilled in the art to which the present invention pertains. The terms "connected", "fixed", "arranged" and the like are to be understood in a broad sense, and may be fixedly connected, detachably connected or integrated; can be directly connected or indirectly connected through an intermediate medium; either mechanically or electrically. Unless expressly stated or limited otherwise, the first feature "on" or "under" the second feature may be directly contacting the first and second features, or indirectly contacting the first and second features through intervening media. Furthermore, a first feature may be "on" or "over" or "above" a second feature, and the like, may be directly on or obliquely above the second feature, or may simply mean that the first feature is at a higher level than the second feature. A first feature "under" or "beneath" a second feature may be directly under or obliquely under the first feature or may simply mean that the first feature is at a lesser level than the second feature. Relational terms such as first, second, and the like may be used solely to distinguish one entity or action from another entity or action without necessarily requiring or implying any actual such relationship or order between such entities or actions. Terms used in the description such as "center", "lateral", "longitudinal", "length", "width", "thickness", "height", "front", "rear", "left", "right", "up", "down", "vertical", "horizontal", "top", "bottom", "inner", "outer", "axial", "radial", "circumferential", "clockwise", "counterclockwise" and the like indicate orientations or positional relationships based on the orientations or positional relationships shown in the drawings, and are only for convenience of describing the present invention and simplifying the description, but do not indicate or imply that the referred device or element must have a specific orientation, be constructed in a specific orientation and be operated.
The technical solution of the present invention will be clearly and completely described below with reference to the accompanying drawings and specific embodiments. As shown in fig. 1 to 8, the detachable middle trough of the scraper conveyor includes a shovel ledge 6, a baffle ledge 8, a bottom plate 7, and a middle plate 4, wherein the middle plate 4 and the bottom plate 7 are respectively fixed between the shovel ledge 6 and the baffle ledge 8. A second middle plate 22 is detachably arranged on the upper surface of the middle plate 4, a threaded pin 3 is fixedly arranged on one of the middle plate 4 and the second middle plate 22, and the threaded pin 3 comprises a pin shaft and a threaded hole 31 arranged in the pin shaft; the other one of the middle plate 4 and the second middle plate 22 is provided with a positioning hole 41 corresponding to the pin shaft of the threaded pin 3; the middle plate 4 and the second middle plate 22 are fixed by screws provided in the positioning holes 41 and the screw holes 31. A threaded hole 31 is preferably provided in the centre of the pin. The threaded hole 31 may be a through hole or a blind hole. The pin shaft of the threaded pin 3 is used for positioning the middle plate 4 and the second middle plate 22. The traditional connection mode of the C-shaped groove 2 and the bottom plate 7 is welding, the assembly and disassembly are complex, the fixing mode of the second middle plate 22 and the bottom plate 7 is improved, a pin shaft for positioning and a thread for fixing are combined into the thread pin 3, the positioning and fixing functions are realized at one time, and the operation is simpler and more convenient. The second middle plate 22 can be conveniently mounted and dismounted, the underground dismounting and mounting are convenient, the replacement of the C-shaped groove 2 can be realized only by dismounting and mounting bolts without fire operation, the efficiency is improved, and the use and maintenance cost of the middle groove middle plate 4 is reduced.
The second middle plate 22 is fixedly provided with a threaded pin 3, the middle plate 4 is provided with a positioning hole 41, the positioning hole 41 is a stepped hole with a small upper part and a large lower part, the threaded part is a special bolt 5, and the special bolt comprises a nut arranged in a large hole of the stepped hole and a threaded section arranged in the threaded pin 3. The upper surface of the threaded pin 3 is flush with or slightly lower than the upper surface of the second middle plate 22. The threaded pin 3 may be fixed to the second intermediate plate 22 by welding. The nut of the special bolt 5 is provided with a hexagonal sinking groove, so that the special bolt is convenient to disassemble. The diameter of the screw cap is larger than the diameter of the small hole of the stepped hole and smaller than the diameter of the large hole of the stepped hole. When the second middle plate 22 or the threaded pin 3 is damaged, only the second middle plate 22 and the upper threaded pin 3 need to be replaced, and the middle plate 4 does not need to be repaired. The special bolt 5 is arranged in the threaded pin 3, and bears transverse shearing force by the pin shaft, so that the special bolt 5 is small in shearing force and long in service life. The special bolt 5 and the pin shaft are combined in a connecting mode, so that the connecting strength is guaranteed, and convenience in disassembly and assembly is realized.
The second middle plate 22 is provided with a detaching through hole 42. The disassembly through holes 42 are used to assist disassembly. After removing the special bolt 5, the second middle plate 22 can be lifted up by a tool through the removal through hole 42.
Or, the middle plate 4 is fixed with the threaded pin 3, the second middle plate 22 is provided with a positioning hole 41, the positioning hole 41 is a stepped hole with a small upper part and a large lower part, the threaded part is a special bolt 5, and the special bolt comprises a nut arranged in a large hole of the stepped hole and a threaded section arranged in the threaded pin 3. At this time, the lower surface portion of the threaded pin 3 exceeds the lower surface of the intermediate plate 4. The nut of the special bolt is provided with a hexagonal sinking groove, so that the special bolt is convenient to disassemble. The diameter of the screw cap is larger than the diameter of the small hole of the stepped hole and smaller than the diameter of the large hole of the stepped hole. The threaded pin 3 is welded on the middle plate 4, the specially-made bolt 5 is installed or disassembled from the upper part, the installation is more convenient than the previous embodiment, only the replacement of the threaded pin 3 is slightly more troublesome than the previous embodiment, the quality of the threaded pin 3 needs to be enhanced, and the threaded pin 3 which is less prone to damage is selected.
Two sides of the second middle plate 22 are respectively provided with an upward ledge edge 21, and the second middle plate 22 and the ledge edge 21 form a C-shaped groove 2; and a hanging ring 23 is arranged on the upper surface of the ledge 21 of the C-shaped groove 2. After the hoisting ring 23 is arranged, the C-shaped groove 2 can be conveniently hoisted. The middle trough further comprises a bent plate 1 arranged on the upper surface of the baffle ledge 8 and a rack rail seat 9 arranged on the bent plate 1. The structure of other parts of the specific C-shaped groove 2 is the prior art, and reference can be made to the structure in CN205418842U, and the detailed description is not repeated. The connection structure between the second middle plate 22 and the middle plate 4 can be obtained by applying the present invention to both the common middle groove and the middle groove of the C-shaped groove 2 structure.
In the specific implementation: during installation: the threaded pin 3 is welded to the second middle plate 22 of the C-shaped groove 2. C-shaped groove 2 is hoisted to the upper side of middle plate 4, the threaded pin 3 is aligned with the positioning hole 41 on the middle plate 4, and the special bolt 5 is screwed up from the lower side of the middle plate 4 to be matched with the threaded hole 31 of the threaded pin 3, so that the C-shaped groove 2 and the middle plate 4 are fixed. When needing to dismantle: the threaded pin 3 is firstly loosened and removed, and the C-shaped groove 2 is jacked up through the disassembly through hole 42. And the C-shaped groove 2 is hung away by a lifting lug.
The features of the embodiments described above may be arbitrarily combined, and the combination of the features is not contradictory, and should be considered as a range described in the present specification. The technical solution according to the present invention and equivalents or changes thereof, as well as several changes and modifications made therein, should also be considered as the protection scope of the present invention without departing from the overall concept of the present invention.

Claims (5)

1.刮板输送机可拆卸中部槽,包括铲板槽帮、挡板槽帮、底板、中板,其中中板和底板分别固定在所述铲板槽帮和所述挡板槽帮之间;其特征在于:所述中板上表面可拆卸的设置第二中板,所述中板和第二中板其中一个固定设置螺纹销,所述螺纹销包括销轴以及设置在销轴内的螺纹孔;所述中板和第二中板中另外一个设置与螺纹销的销轴对应的定位孔;所述中板和第二中板通过设置在所述定位孔和所述螺纹孔内的螺纹件固定。1. The removable middle groove of the scraper conveyor includes a shovel plate groove, a baffle groove, a bottom plate, and a middle plate, wherein the middle plate and the bottom plate are respectively fixed between the shovel plate groove and the baffle groove. It is characterized in that: a second middle plate is detachably arranged on the upper surface of the middle plate, one of the middle plate and the second middle plate is fixedly provided with a threaded pin, and the threaded pin includes a pin shaft and a threaded pin arranged in the pin shaft. A threaded hole; the other one of the middle plate and the second middle plate is provided with a positioning hole corresponding to the pin shaft of the threaded pin; the middle plate and the second middle plate pass through the positioning hole and the threaded hole. Threaded parts are fixed. 2.根据权利要求1所述刮板输送机可拆卸中部槽,其特征在于:所述第二中板上固定螺纹销,所述中板上设置定位孔,所述定位孔为上小下大的阶梯孔,所述螺纹件为特制螺栓,所述特制螺栓包括设置在所述阶梯孔的大孔内的螺帽以及设置在所述螺纹销内的螺纹段。2 . The detachable middle groove of the scraper conveyor according to claim 1 , wherein a threaded pin is fixed on the second middle plate, a positioning hole is arranged on the middle plate, and the positioning hole is small at the top and large at the bottom. 3 . The threaded member is a special bolt, and the special bolt includes a nut disposed in the large hole of the stepped hole and a threaded segment disposed in the threaded pin. 3.根据权利要求2所述刮板输送机可拆卸中部槽,其特征在于:所述第二中板上设置拆卸通孔。3 . The removable middle groove of the scraper conveyor according to claim 2 , wherein the second middle plate is provided with a removal through hole. 4 . 4.根据权利要求1所述刮板输送机可拆卸中部槽,其特征在于:所述中板上固定螺纹销,所述第二中板上设置定位孔,所述定位孔为上小下大的阶梯孔,所述螺纹件为特制螺栓,所述特制螺栓包括设置在所述阶梯孔的大孔内的螺帽以及设置在所述螺纹销内的螺纹段。4. The detachable middle groove of the scraper conveyor according to claim 1, wherein the middle plate is fixed with threaded pins, the second middle plate is provided with positioning holes, and the positioning holes are small at the top and large at the bottom The threaded member is a special bolt, and the special bolt includes a nut disposed in the large hole of the stepped hole and a threaded segment disposed in the threaded pin. 5.根据权利要求1-4任一所述刮板输送机可拆卸中部槽,其特征在于:所述第二中板两侧分别设置向上的槽帮沿,所述第二中板和所述槽帮沿构成C型槽;所述C型槽的槽帮沿上表面设置吊环。5. The detachable middle groove of the scraper conveyor according to any one of claims 1-4, characterized in that: the two sides of the second middle plate are respectively provided with upward groove edges, and the second middle plate and the The groove edge forms a C-shaped groove; the upper surface of the groove edge of the C-shaped groove is provided with a lifting ring.
CN202122392019.3U 2021-09-30 2021-09-30 Detachable middle groove of scraper conveyor Active CN216188415U (en)

Priority Applications (1)

Application Number Priority Date Filing Date Title
CN202122392019.3U CN216188415U (en) 2021-09-30 2021-09-30 Detachable middle groove of scraper conveyor

Applications Claiming Priority (1)

Application Number Priority Date Filing Date Title
CN202122392019.3U CN216188415U (en) 2021-09-30 2021-09-30 Detachable middle groove of scraper conveyor

Publications (1)

Publication Number Publication Date
CN216188415U true CN216188415U (en) 2022-04-05

Family

ID=80860441

Family Applications (1)

Application Number Title Priority Date Filing Date
CN202122392019.3U Active CN216188415U (en) 2021-09-30 2021-09-30 Detachable middle groove of scraper conveyor

Country Status (1)

Country Link
CN (1) CN216188415U (en)

Similar Documents

Publication Publication Date Title
CN106761795B (en) A kind of shield machine disk cutter girff structure
CN103511331A (en) Centrifugal pump
CN216188415U (en) Detachable middle groove of scraper conveyor
CN214576995U (en) A kind of pick with replaceable alloy head
CN213508106U (en) Pier reinforcing apparatus who adapts to different domatic
CN111720099B (en) Beam structure of pumping unit convenient to install and installation and maintenance method
CN203604258U (en) Centrifugal pump
CN219239770U (en) Sacrificial Anode Mounting Device
CN209584375U (en) Sacrificial anode replacement free removal device is consumed
CN220949763U (en) Detachable middle groove
CN209755078U (en) Inner sleeve and bearing outer ring dismounting tool
CN213729173U (en) Quick dismounting device for shallow slot chain
CN216461733U (en) Can dismantle ladle package mouth brick pressing plate structure by stage
CN203604259U (en) Centrifugal pump
CN217140576U (en) Grate bar device of crusher
CN103511330A (en) Centrifugal pump
CN207187948U (en) Assemble abrasion-proof backing block
CN222454254U (en) L-shaped section bar hanging and lifting device
CN212763316U (en) Drilling machine head disc spring dismounting tool
CN217292107U (en) Dismounting device for coupling piece of flashboard in narrow space
CN221816350U (en) A wear-resistant protective sleeve for a crusher rotor disc
CN220903192U (en) Frock is dismantled to bulldozer compensating beam center pin axle
CN220101696U (en) Oil cylinder bracket
CN219170091U (en) Tool for disassembling excavating chain wheel of screen scarifier
CN221896796U (en) Plunger pump

Legal Events

Date Code Title Description
GR01 Patent grant
GR01 Patent grant
TR01 Transfer of patent right

Effective date of registration: 20250616

Address after: No.123, 10th Street, Zhengzhou Economic and Technological Development Zone, Henan 450016

Patentee after: ZHENGZHOU COAL MINING MACHINERY LONGWALL EQUIPMENT CO.,LTD.

Country or region after: China

Patentee after: Zhengzhou Zhengmei Machinery Zhiding Hydraulic Co.,Ltd.

Address before: 450016 Henan Province, Zhengzhou Economic Development Zone, No. 123 Tenth Street

Patentee before: ZHENGZHOU COAL MINING MACHINERY LONGWALL EQUIPMENT CO.,LTD.

Country or region before: China

Patentee before: ZHENGZHOU COAL MINING MACHINERY GROUP Co.,Ltd.

TR01 Transfer of patent right
CP03 Change of name, title or address

Address after: No.123, 10th Street, Zhengzhou Economic and Technological Development Zone, Henan 450016

Patentee after: ZHENGZHOU COAL MINING MACHINERY LONGWALL EQUIPMENT CO.,LTD.

Country or region after: China

Patentee after: ZHENGZHOU COAL MINE MACHINERY

Address before: No.123, 10th Street, Zhengzhou Economic and Technological Development Zone, Henan 450016

Patentee before: ZHENGZHOU COAL MINING MACHINERY LONGWALL EQUIPMENT CO.,LTD.

Country or region before: China

Patentee before: Zhengzhou Zhengmei Machinery Zhiding Hydraulic Co.,Ltd.

CP03 Change of name, title or address