CN216158841U - Automatic odorizing device for intelligently monitoring natural gas leakage - Google Patents
Automatic odorizing device for intelligently monitoring natural gas leakage Download PDFInfo
- Publication number
- CN216158841U CN216158841U CN202122202575.XU CN202122202575U CN216158841U CN 216158841 U CN216158841 U CN 216158841U CN 202122202575 U CN202122202575 U CN 202122202575U CN 216158841 U CN216158841 U CN 216158841U
- Authority
- CN
- China
- Prior art keywords
- box
- natural gas
- fixedly connected
- automatic
- air
- Prior art date
- Legal status (The legal status is an assumption and is not a legal conclusion. Google has not performed a legal analysis and makes no representation as to the accuracy of the status listed.)
- Active
Links
- VNWKTOKETHGBQD-UHFFFAOYSA-N methane Chemical compound C VNWKTOKETHGBQD-UHFFFAOYSA-N 0.000 title claims abstract description 74
- 239000003345 natural gas Substances 0.000 title claims abstract description 37
- 238000012544 monitoring process Methods 0.000 title claims abstract description 12
- 238000001514 detection method Methods 0.000 claims abstract description 34
- 239000007789 gas Substances 0.000 claims description 18
- 238000013461 design Methods 0.000 claims description 3
- 239000003795 chemical substances by application Substances 0.000 abstract description 2
- RAOIDOHSFRTOEL-UHFFFAOYSA-N tetrahydrothiophene Chemical compound C1CCSC1 RAOIDOHSFRTOEL-UHFFFAOYSA-N 0.000 description 7
- 230000004075 alteration Effects 0.000 description 1
- 230000009286 beneficial effect Effects 0.000 description 1
- 239000003245 coal Substances 0.000 description 1
- 238000002474 experimental method Methods 0.000 description 1
- 239000003205 fragrance Substances 0.000 description 1
- 238000000034 method Methods 0.000 description 1
- 238000012986 modification Methods 0.000 description 1
- 230000004048 modification Effects 0.000 description 1
- 239000011435 rock Substances 0.000 description 1
- 238000006467 substitution reaction Methods 0.000 description 1
- XLYOFNOQVPJJNP-UHFFFAOYSA-N water Substances O XLYOFNOQVPJJNP-UHFFFAOYSA-N 0.000 description 1
Images
Landscapes
- Examining Or Testing Airtightness (AREA)
Abstract
The utility model discloses an automatic odorizing device for intelligently monitoring natural gas leakage, which comprises a box body, wherein a fan is fixedly connected to the left side of an inner cavity of the box body, an air inlet pipe is communicated with the left side of the box body, a detection box is arranged in the inner cavity of the box body and positioned on the right side of the fan, an oil stain filter screen is arranged in the inner cavity of the detection box, a natural gas detection sensor is fixedly connected to the top of the inner cavity of the detection box, an air outlet pipe is communicated with the top of the right side of the detection box, and an air adding box is arranged on the right side of the box body. The device can regularly detect the surroundings by matching the box body, the fan, the air inlet pipe, the detection box, the oil stain filter screen, the natural gas detection sensor, the air outlet pipe, the air filling box, the air storage tank, the connecting pipe, the flow sensor, the automatic air pump, the conveying pipe, the automatic control valve and the controller, and can automatically convey the odorizing agent to the air pipe if natural gas leakage is found, so that the warning performance is improved.
Description
Technical Field
The utility model relates to the technical field of natural gas odorizing devices, in particular to an automatic odorizing device for intelligently monitoring natural gas leakage.
Background
Natural gas refers to all gases naturally existing in nature, including gases formed in various natural processes in an air space, a water space and a rock space (including oil field gas, gas field gas, mud volcanic gas, coal bed gas, biogenetic gas and the like).
SUMMERY OF THE UTILITY MODEL
The utility model aims to provide an automatic odorizing device for intelligently monitoring natural gas leakage, which has the advantage of automatic odorizing and solves the problem that once leakage occurs in household use due to the fact that the content of tetrahydrothiophene is low, the natural gas cannot be noticed in time to cause danger once a small amount of tetrahydrothiophene is added to ensure normal use of the conventional natural gas.
In order to achieve the purpose, the utility model provides the following technical scheme: an automatic odorizing device for intelligently monitoring natural gas leakage comprises a box body, wherein a fan is fixedly connected to the left side of an inner cavity of the box body, the left side of the box body is communicated with an air inlet pipe, the inner cavity of the box body and the right side of the fan are provided with a detection box, an oil stain filter screen is arranged in the inner cavity of the detection box, a natural gas detection sensor is fixedly connected with the top of the inner cavity of the detection box, the top of the right side of the detection box is communicated with an air outlet pipe, the right side of the box body is provided with an air-adding box, the top of the inner cavity of the gas filling box is fixedly connected with a gas storage tank, the bottom of the gas storage tank is communicated with a connecting pipe, the inner cavity of the connecting pipe is fixedly connected with a flow sensor, the bottom of the inner cavity of the air charging box is fixedly connected with an automatic air pump, the air outlet end of the automatic air pump is communicated with a conveying pipe, the surface of the conveying pipe is communicated with an automatic control valve, and the right side of the box body is fixedly connected with a controller.
Preferably, the top fixedly connected with mounting panel of box, mounting hole has all been seted up in the four corners on mounting panel surface.
Preferably, the front surface of the box body is movably connected with a box door through a hinge, and the air inlet end of the fan is communicated with the air inlet pipe.
Preferably, the bottom of the left side of the box body is fixedly connected with an alarm lamp, and the alarm lamp is electrically connected with the controller through a lead.
Preferably, the bottom of the detection box is communicated with a collection box through a pipeline, and the collection box is fixedly connected to the bottom of the box body through a bolt.
Preferably, the greasy dirt filter screen is the slope design, the right-hand member of outlet duct extends to the right side of box, conveyer pipe and outside natural gas line intercommunication.
Compared with the prior art, the utility model has the following beneficial effects:
1. the natural gas detection device can detect the surroundings regularly through the matching use of the box body, the fan, the air inlet pipe, the detection box, the oil stain filter screen, the natural gas detection sensor, the air outlet pipe, the air adding box, the air storage tank, the connecting pipe, the flow sensor, the automatic air pump, the conveying pipe, the automatic control valve and the controller, automatically conveys the odorizing agent to the air pipe if natural gas leakage is found, improves the warning performance, and solves the problem that once the existing natural gas is used normally, a small amount of tetrahydrothiophene is added, and once leakage occurs in household use, danger can not be caused in time because the content of the tetrahydrothiophene is small.
2. According to the utility model, the mounting plate and the mounting through hole are arranged, equipment can be mounted at a specified position, the interior of the box body can be conveniently cleaned by arranging the box door, a warning can be given out after leakage is detected by arranging the alarm lamp, and filtered oil stains can be collected by arranging the collecting box.
Drawings
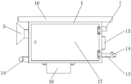
FIG. 1 is a schematic view of the internal structure of the present invention;
FIG. 2 is a schematic view of the external structure of the present invention;
fig. 3 is a schematic view of the internal structure of the gas filling tank of the present invention.
In the figure: 1. a box body; 2. a fan; 3. an air inlet pipe; 4. a detection box; 5. an oil stain filter screen; 6. a natural gas detection sensor; 7. an air outlet pipe; 8. an air-adding box; 9. a gas storage tank; 10. a connecting pipe; 11. a flow sensor; 12. an automatic air pump; 13. a delivery pipe; 14. an automatic control valve; 15. a controller; 16. mounting a plate; 17. a box door; 18. an alarm light; 19. and a collection box.
Detailed Description
The technical solutions in the embodiments of the present invention will be clearly and completely described below with reference to the drawings in the embodiments of the present invention, and it is obvious that the described embodiments are only a part of the embodiments of the present invention, and not all of the embodiments. All other embodiments, which can be derived by a person skilled in the art from the embodiments given herein without making any creative effort, shall fall within the protection scope of the present invention.
In the description of the present invention, it should be noted that the terms "upper", "lower", "inner", "outer", "front", "rear", "both ends", "one end", "the other end", and the like indicate orientations or positional relationships based on the orientations or positional relationships shown in the drawings, and are only for convenience of describing the present invention and simplifying the description, but do not indicate or imply that the referred device or element must have a specific orientation, be constructed in a specific orientation, and be operated, and thus, should not be construed as limiting the present invention. Furthermore, the terms "first" and "second" are used for descriptive purposes only and are not to be construed as indicating or implying relative importance.
In the description of the present invention, it is to be noted that, unless otherwise explicitly specified or limited, the terms "mounted", "provided", "connected", and the like are to be construed broadly, such as "connected", which may be fixedly connected, detachably connected, or integrally connected; can be mechanically or electrically connected; they may be connected directly or indirectly through intervening media, or they may be interconnected between two elements. The specific meanings of the above terms in the present invention can be understood in specific cases to those skilled in the art.
The components used in the present invention are all standard components or components known to those skilled in the art, and the structure and principle thereof can be known to those skilled in the art through technical manuals or through routine experiments.
Referring to fig. 1-3, an automatic odorizing device for intelligently monitoring natural gas leakage comprises a box body 1, a mounting plate 16 is fixedly connected to the top of the box body 1, mounting through holes are formed in four corners of the surface of the mounting plate 16, a box door 17 is movably connected to the front of the box body 1 through a hinge, an air inlet end of a fan 2 is communicated with an air inlet pipe 3, an alarm lamp 18 is fixedly connected to the bottom of the left side of the box body 1, the alarm lamp 18 is electrically connected with a controller 15 through a wire, equipment can be mounted at a specified position by arranging the mounting plate 16 and the mounting through holes, the interior of the box body 1 can be conveniently cleaned by arranging the box door 17, a warning can be given out after leakage is detected by arranging the alarm lamp 18, filtered oil stains can be collected by arranging a collecting box 19, the fan 2 is fixedly connected to the left side of an inner cavity of the box body 1, the air inlet pipe 3 is communicated with the left side of the box body 1, the inner cavity of the box body 1 and the right side of the fan 2 are provided with a detection box 4, the bottom of the detection box 4 is communicated with a collection box 19 through a pipeline, the collection box 19 is fixedly connected with the bottom of the box body 1 through bolts, the inner cavity of the detection box 4 is provided with an oil stain filter screen 5, the oil stain filter screen 5 is in an inclined design, the right end of an air outlet pipe 7 extends to the right side of the box body 1, a conveying pipe 13 is communicated with an external natural gas pipeline, the top of the inner cavity of the detection box 4 is fixedly connected with a natural gas detection sensor 6, the top of the right side of the detection box 4 is communicated with the air outlet pipe 7, the right side of the box body 1 is provided with an air charging box 8, the top of the inner cavity of the air charging box 8 is fixedly connected with an air storage tank 9, the bottom of the air storage tank 9 is communicated with a connecting pipe 10, the inner cavity of the connecting pipe 10 is fixedly connected with a flow sensor 11, the bottom of the inner cavity of the air charging box 8 is fixedly connected with an automatic air pump 12, and the air outlet end of the automatic air pump 12 is communicated with the conveying pipe 13, the surface intercommunication of conveyer pipe 13 has automatic control valve 14, the right side fixedly connected with controller 15 of box 1, through box 1, fan 2, intake pipe 3, detection case 4, greasy dirt filter screen 5, natural gas detection sensor 6, outlet duct 7, air feed tank 8, gas holder 9, connecting pipe 10, flow sensor 11, automatic air pump 12, conveyer pipe 13, automatic control valve 14 uses with the cooperation of controller 15, can regularly detect on every side, if discover that natural gas leaks then carry the odorant to the gas pipe automatically, improve alert nature, it just adds a small amount of tetrahydrothiophene in order to guarantee normal use to have solved current natural gas, in case leak when the family uses, because tetrahydrothiophene content is less, can not in time arouse attention, lead to the problem that dangerous emergence.
During the use, fan 2 is regularly opened, carries the surrounding air to detection case 4 in, and natural gas detection sensor 6 detects the air, detects when the content exceeds standard, and automatic air pump 12, automatic control valve 14 and warning light 18 are opened in the control of controller 15, and automatic air pump 12 carries the tetrahydrothiophene in the gas holder 9 to natural gas line, increases the foul smell content in the natural gas that leaks, improves the alarm degree to warning light 18 takes place the warning to crowd around, improves the security.
Although embodiments of the present invention have been shown and described, it will be appreciated by those skilled in the art that changes, modifications, substitutions and alterations can be made in these embodiments without departing from the principles and spirit of the utility model, the scope of which is defined in the appended claims and their equivalents.
Claims (6)
1. The utility model provides an automatic odorizing device that intelligence control natural gas leaked, includes box (1), its characterized in that: the left side fixedly connected with fan (2) of box (1) inner chamber, the left side intercommunication of box (1) has intake pipe (3), the inner chamber of box (1) just is located the right side of fan (2) and is provided with detection case (4), the inner chamber of detection case (4) is provided with greasy dirt filter screen (5), the top fixedly connected with natural gas detection sensor (6) of detection case (4) inner chamber, the top intercommunication on detection case (4) right side has outlet duct (7), the right side of box (1) is provided with air tank (8), the top fixedly connected with gas holder (9) of air tank (8) inner chamber, the bottom intercommunication of gas holder (9) has connecting pipe (10), the inner chamber fixedly connected with flow sensor (11) of connecting pipe (10), the bottom fixedly connected with automatic air pump (12) of air tank (8) inner chamber, the air outlet end of the automatic air pump (12) is communicated with a conveying pipe (13), the surface of the conveying pipe (13) is communicated with an automatic control valve (14), and the right side of the box body (1) is fixedly connected with a controller (15).
2. The automatic odorizing device for intelligently monitoring natural gas leakage according to claim 1, characterized in that: the top fixedly connected with mounting panel (16) of box (1), mounting hole has all been seted up in the four corners on mounting panel (16) surface.
3. The automatic odorizing device for intelligently monitoring natural gas leakage according to claim 1, characterized in that: the front surface of the box body (1) is movably connected with a box door (17) through a hinge, and the air inlet end of the fan (2) is communicated with the air inlet pipe (3).
4. The automatic odorizing device for intelligently monitoring natural gas leakage according to claim 1, characterized in that: the left bottom of the box body (1) is fixedly connected with an alarm lamp (18), and the alarm lamp (18) is electrically connected with the controller (15) through a lead.
5. The automatic odorizing device for intelligently monitoring natural gas leakage according to claim 1, characterized in that: the bottom of the detection box (4) is communicated with a collection box (19) through a pipeline, and the collection box (19) is fixedly connected to the bottom of the box body (1) through a bolt.
6. The automatic odorizing device for intelligently monitoring natural gas leakage according to claim 1, characterized in that: greasy dirt filter screen (5) are the slope design, the right-hand member of outlet duct (7) extends to the right side of box (1), conveyer pipe (13) and outside natural gas line intercommunication.
Priority Applications (1)
| Application Number | Priority Date | Filing Date | Title |
|---|---|---|---|
| CN202122202575.XU CN216158841U (en) | 2021-09-13 | 2021-09-13 | Automatic odorizing device for intelligently monitoring natural gas leakage |
Applications Claiming Priority (1)
| Application Number | Priority Date | Filing Date | Title |
|---|---|---|---|
| CN202122202575.XU CN216158841U (en) | 2021-09-13 | 2021-09-13 | Automatic odorizing device for intelligently monitoring natural gas leakage |
Publications (1)
| Publication Number | Publication Date |
|---|---|
| CN216158841U true CN216158841U (en) | 2022-04-01 |
Family
ID=80848835
Family Applications (1)
| Application Number | Title | Priority Date | Filing Date |
|---|---|---|---|
| CN202122202575.XU Active CN216158841U (en) | 2021-09-13 | 2021-09-13 | Automatic odorizing device for intelligently monitoring natural gas leakage |
Country Status (1)
| Country | Link |
|---|---|
| CN (1) | CN216158841U (en) |
Cited By (1)
| Publication number | Priority date | Publication date | Assignee | Title |
|---|---|---|---|---|
| CN114755070A (en) * | 2022-05-17 | 2022-07-15 | 郑州如阳科技有限公司 | A kind of natural gas intelligent odorant online detection equipment and method |
-
2021
- 2021-09-13 CN CN202122202575.XU patent/CN216158841U/en active Active
Cited By (1)
| Publication number | Priority date | Publication date | Assignee | Title |
|---|---|---|---|---|
| CN114755070A (en) * | 2022-05-17 | 2022-07-15 | 郑州如阳科技有限公司 | A kind of natural gas intelligent odorant online detection equipment and method |
Similar Documents
| Publication | Publication Date | Title |
|---|---|---|
| CN212929568U (en) | Medium-low pressure underground gas pressure regulating device | |
| CN216158841U (en) | Automatic odorizing device for intelligently monitoring natural gas leakage | |
| CN204647865U (en) | Underground metering system | |
| CN111006278B (en) | Oil fume purification device and oil fume leakage monitoring method thereof | |
| CN205003824U (en) | Gas table leaks early warning case | |
| CN207486452U (en) | A kind of Intelligent anti-leakage coal gas drainer | |
| CN209146009U (en) | A kind of Special fuel tank | |
| CN212809420U (en) | Alarm device for monitoring gas leakage | |
| CN210822943U (en) | Vacuum sealing machine with liquid detection device | |
| CN109775170B (en) | Oil discharge port device of filling station of integrated clean system | |
| CN218407706U (en) | Air conditioner drainage pump with liquid level monitoring function | |
| CN114320586B (en) | Diesel generating set installation cabinet | |
| CN213776839U (en) | Clear water conveying device for mud storage pool | |
| CN213397852U (en) | Flue gas sampling device for thermal power plant rotating equipment | |
| CN209173600U (en) | Negative electrode material high temperature cladding is granulated vacuum filter | |
| CN107726052A (en) | A kind of Intelligent anti-leakage coal gas drainer | |
| CN112141994B (en) | Railway tank wagon oil discharge system | |
| CN201779067U (en) | Front pump cover for superhigh pressure liquid ring type isothermal compressor | |
| CN219389418U (en) | Natural gas pipeline detection device convenient to it is fixed | |
| CN210165193U (en) | Coal gas drainer | |
| CN218727015U (en) | High-altitude three-dimensional alarm detection device | |
| CN218480244U (en) | Novel block valve | |
| CN202250398U (en) | Oil collecting tank | |
| CN219588734U (en) | Intelligent alarm device for intelligent security protection | |
| CN210140895U (en) | Sewage well toxic and harmful gas accumulation, discharge, deodorization and explosion-proof system |
Legal Events
| Date | Code | Title | Description |
|---|---|---|---|
| GR01 | Patent grant | ||
| GR01 | Patent grant |