CN215071470U - Novel lead wire guide rail groove mechanism - Google Patents
Novel lead wire guide rail groove mechanism Download PDFInfo
- Publication number
- CN215071470U CN215071470U CN202121531816.9U CN202121531816U CN215071470U CN 215071470 U CN215071470 U CN 215071470U CN 202121531816 U CN202121531816 U CN 202121531816U CN 215071470 U CN215071470 U CN 215071470U
- Authority
- CN
- China
- Prior art keywords
- fixed
- fixedly connected
- guide rail
- wire
- grip block
- Prior art date
- Legal status (The legal status is an assumption and is not a legal conclusion. Google has not performed a legal analysis and makes no representation as to the accuracy of the status listed.)
- Active
Links
- 230000007246 mechanism Effects 0.000 title claims abstract description 13
- WABPQHHGFIMREM-UHFFFAOYSA-N lead(0) Chemical compound [Pb] WABPQHHGFIMREM-UHFFFAOYSA-N 0.000 title claims abstract description 11
- 230000000694 effects Effects 0.000 claims abstract description 24
- 230000000670 limiting effect Effects 0.000 claims description 10
- 230000001681 protective effect Effects 0.000 claims description 8
- 238000009434 installation Methods 0.000 description 3
- 230000008901 benefit Effects 0.000 description 2
- 238000012423 maintenance Methods 0.000 description 2
- 238000000034 method Methods 0.000 description 2
- 230000008569 process Effects 0.000 description 2
- 230000004308 accommodation Effects 0.000 description 1
- 230000004075 alteration Effects 0.000 description 1
- 230000009286 beneficial effect Effects 0.000 description 1
- 238000010586 diagram Methods 0.000 description 1
- 230000005611 electricity Effects 0.000 description 1
- 238000002474 experimental method Methods 0.000 description 1
- 238000009413 insulation Methods 0.000 description 1
- 238000012986 modification Methods 0.000 description 1
- 230000004048 modification Effects 0.000 description 1
- 238000006467 substitution reaction Methods 0.000 description 1
- 230000007306 turnover Effects 0.000 description 1
Images
Landscapes
- Connections Arranged To Contact A Plurality Of Conductors (AREA)
Abstract
The utility model discloses a novel lead wire guide rail groove mechanism, including insulating guide rail, the metallic channel has all been seted up to the positive upper end of insulating guide rail and lower extreme, insulating guide rail's front is provided with the pivot, the spacing card of fixed surface of pivot is connected with, the equal fixedly connected with fixed plate in both sides of insulating guide rail, the upper end on fixed plate surface and the equal fixedly connected with fixed block of lower extreme, the outside of fixed block is provided with the knob. The utility model discloses a set up insulating guide rail, metallic channel, spacing card and pivot, can play spacing effect to the middle zone of wire, avoid appearing the phenomenon of wire roll-off metallic channel, through setting up fixed plate, fixed block, activity grip block, threaded rod, knob, bearing, supporting seat and fixed grip block, can carry out the centre gripping to the both ends of wire fixed, effectively promoted the stability of wire to the effect of quick assembly disassembly wire has been reached.
Description
Technical Field
The utility model relates to a lead wire guide rail technical field specifically is a novel lead wire guide rail groove mechanism.
Background
When some consumer got the electricity, it was wire lug connection power cord or installation supply socket mostly, the wire not only influenced beautifully, exposed certain potential safety hazard in the existence outward moreover, this just needs to use lead wire guide rail groove to carry out spacing fixed to the wire, and current lead wire guide rail groove uses a large amount of screws to fix the wire, is not convenient for dismantle the maintenance after long-time the use to fixed effect to the wire also remains to be improved.
Disclosure of Invention
An object of the utility model is to provide a novel lead wire guide rail groove mechanism possesses the dismouting of being convenient for, and stability is good, and convenient to use's advantage has solved current lead wire guide rail groove and has used a large amount of screws to fix the wire, and the dismantlement maintenance of being not convenient for after long-time the use to also remain the problem that improves to the fixed effect of wire.
In order to achieve the above object, the utility model provides a following technical scheme: the utility model provides a novel lead wire guide rail groove mechanism, includes insulating guide rail, the metallic channel has all been seted up to insulating guide rail positive upper end and lower extreme, insulating guide rail's front is provided with the pivot, the spacing card of fixed surface connection of pivot, the equal fixedly connected with fixed plate in insulating guide rail's both sides, the upper end and the equal fixedly connected with fixed block of lower extreme on fixed plate surface, the outside of fixed block is provided with the knob, the back fixedly connected with threaded rod of knob, the one end that the knob was kept away from to the threaded rod runs through fixed block and swing joint has the bearing, the back fixedly connected with activity grip block of bearing, the back fixedly connected with supporting seat of fixed block inner chamber, the fixed grip block that the positive fixedly connected with cooperation activity grip block of supporting seat used.
Preferably, the top and the bottom of the insulated guide rail are fixedly connected with mounting plates, and mounting holes are formed in the surfaces of the mounting plates.
Preferably, the front surface of the fixing plate is fixedly connected with an insulating sleeve, and the insulating sleeve is positioned on the outer side of the fixing block.
Preferably, the top and the bottom of the inner cavity of the wire groove are both fixedly connected with elastic limiting strips, and the number of the elastic limiting strips is four.
Preferably, the equal fixedly connected with connecting rod in activity grip block top and bottom, the one end fixedly connected with slider of activity grip block is kept away from to the connecting rod, the spout that the cooperation slider used is all seted up to the top and the bottom of fixed block inner chamber.
Preferably, the inner walls of the movable clamping plate and the fixed clamping plate are fixedly connected with protective pads, and anti-skid lines are formed in the surfaces of the protective pads.
Compared with the prior art, the beneficial effects of the utility model are as follows:
1. the utility model discloses a set up insulating guide rail, metallic channel, spacing card and pivot, can play spacing effect to the middle zone of wire, avoid appearing the phenomenon of wire roll-off metallic channel, through setting up fixed plate, fixed block, activity grip block, threaded rod, knob, bearing, supporting seat and fixed grip block, can carry out the centre gripping to the both ends of wire fixed, effectively promoted the stability of wire to the effect of quick assembly disassembly wire has been reached.
2. The utility model discloses a set up mounting panel and mounting hole, can make the device reach the fixed effect of installation of being convenient for, the convenience of device installation use has effectively been promoted, through setting up insulating cover, can play insulation protection's effect to the wire of business turn over, the safety protection ability of device has effectively been promoted, through setting up the spacing strip of elasticity, can play spacing effect to the wire, the stability of wire in the metallic channel has effectively been promoted, through setting up the slider, connecting rod and spout, can make more steady removal of activity grip block, pivoted phenomenon appears in the activity grip block in the accommodation process has effectively been avoided, through setting up protection pad and anti-skidding line, when can guarantee to carry out the centre gripping fixed to the wire, avoided the too big surface to the wire of pressure to cause the damage.
Drawings
FIG. 1 is a schematic structural view of the present invention;
fig. 2 is a right sectional view of the insulated rail of the present invention;
fig. 3 is the schematic diagram of the internal structure of the fixing block of the present invention.
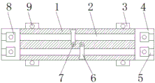
In the figure: 1. an insulated guide rail; 2. a wire guide groove; 3. mounting a plate; 4. a fixing plate; 5. an insulating sleeve; 6. a limiting card; 7. a rotating shaft; 8. a fixed block; 9. mounting holes; 10. an elastic limit strip; 11. a movable clamping plate; 12. a threaded rod; 13. a knob; 14. a bearing; 15. a slider; 16. a supporting seat; 17. fixing the clamping plate; 18. a connecting rod; 19. a chute; 20. a protective pad.
Detailed Description
The technical solutions in the embodiments of the present invention will be described clearly and completely with reference to the accompanying drawings in the embodiments of the present invention, and it is obvious that the described embodiments are only some embodiments of the present invention, not all embodiments. Based on the embodiments in the present invention, all other embodiments obtained by a person skilled in the art without creative work belong to the protection scope of the present invention.
In the description of the present invention, it should be noted that the terms "upper", "lower", "inner", "outer", "front end", "rear end", "both ends", "one end", "the other end", and the like indicate orientations or positional relationships based on the orientations or positional relationships shown in the drawings, and are only for convenience of description and simplification of description, but do not indicate or imply that the device or element to be referred must have a specific orientation, be constructed in a specific orientation, and be operated, and thus, should not be construed as limiting the present invention. Furthermore, the terms "first" and "second" are used for descriptive purposes only and are not to be construed as indicating or implying relative importance.
In the description of the present invention, it is to be noted that, unless otherwise explicitly specified or limited, the terms "mounted", "provided", "connected", and the like are to be construed broadly, such as "connected", which may be fixedly connected, detachably connected, or integrally connected; can be mechanically or electrically connected; they may be connected directly or indirectly through intervening media, or they may be interconnected between two elements. The specific meaning of the above terms in the present invention can be understood in specific cases to those skilled in the art.
The utility model discloses an insulated rail 1, the metallic channel 2, mounting panel 3, fixed plate 4, insulating cover 5, spacing card 6, pivot 7, fixed block 8, mounting hole 9, the spacing strip of elasticity 10, activity grip block 11, threaded rod 12, knob 13, bearing 14, slider 15, supporting seat 16, fixed grip block 17, connecting rod 18, spout 19 and protection pad 20 part are the general standard or the part that technical staff in the field knows, its structure and principle all are that this technical staff all can learn through the technical manual or learn through conventional experimental method.
Referring to fig. 1-3, a novel lead rail groove mechanism comprises an insulated rail 1, wherein the upper end and the lower end of the front surface of the insulated rail 1 are both provided with a wire groove 2, the top and the bottom of the insulated rail 1 are both fixedly connected with a mounting plate 3, the surface of the mounting plate 3 is provided with a mounting hole 9, the device can be conveniently mounted and fixed by arranging the mounting plate 3 and the mounting hole 9, the convenience of mounting and using the device is effectively improved, the front surface of the insulated rail 1 is provided with a rotating shaft 7, the surface of the rotating shaft 7 is fixedly connected with a limit card 6, both sides of the insulated rail 1 are both fixedly connected with a fixing plate 4, the upper end and the lower end of the surface of the fixing plate 4 are both fixedly connected with a fixing block 8, the front surface of the fixing plate 4 is fixedly connected with an insulating sleeve 5, the insulating sleeve 5 is positioned outside the fixing block 8, and the arrangement of the insulating sleeve 5 can play a role of insulating protection to the incoming and outgoing wires, the safety protection capability of the device is effectively improved, a knob 13 is arranged on the outer side of a fixed block 8, a threaded rod 12 is fixedly connected to the back of the knob 13, one end, far away from the knob 13, of the threaded rod 12 penetrates through the fixed block 8 and is movably connected with a bearing 14, a movable clamping plate 11 is fixedly connected to the back of the bearing 14, a supporting seat 16 is fixedly connected to the back of an inner cavity of the fixed block 8, connecting rods 18 are fixedly connected to the top and the bottom of the movable clamping plate 11, one end, far away from the movable clamping plate 11, of each connecting rod 18 is fixedly connected with a sliding block 15, sliding grooves 19 matched with the sliding blocks 15 are formed in the top and the bottom of the inner cavity of the fixed block 8, the movable clamping plate 11 can move more stably by arranging the sliding blocks 15, the connecting rods 18 and the sliding grooves 19, the phenomenon that the movable clamping plate 11 rotates in the adjusting process is effectively avoided, and a fixed clamping plate 17 matched with the movable clamping plate 11 is fixedly connected to the front of the supporting seat 16, the top and the bottom of the inner cavity of the wire groove 2 are fixedly connected with elastic limit strips 10, the number of the elastic limit strips 10 is four, through the arrangement of the elastic limit strips 10, the wire can be limited, the stability of the wire in the wire groove 2 is effectively improved, the inner walls of the movable clamping plate 11 and the fixed clamping plate 17 are fixedly connected with a protective pad 20, the surface of the protective pad 20 is provided with anti-skid lines, through the arrangement of the protective pad 20 and the anti-skid lines, the clamping and fixing of the wire can be ensured, meanwhile, the damage to the surface of the wire caused by overlarge pressure is avoided, through the arrangement of the insulated guide rail 1, the wire groove 2, the limit card 6 and the rotating shaft 7, the limiting effect can be realized on the middle area of the wire, the phenomenon that the wire slides out of the wire groove 2 is avoided, through the arrangement of the fixed plate 4, the fixed block 8, the movable clamping plate 11, the threaded rod 12, the knob 13, the bearing 14, Supporting seat 16 and fixed grip block 17 can carry out the centre gripping to the both ends of wire fixed, have effectively promoted the stability of wire to the effect of quick assembly disassembly wire has been reached.
When in use, the surface of the lead is clamped into the lead groove 2, two ends of the lead sequentially pass through the fixing block 8 and the insulating sleeve 5, the elastic limiting strip 10 can limit the lead, the stability of the lead in the lead groove 2 is effectively improved, the limiting clamp 6 can limit the middle area of the lead by manually rotating the limiting clamp, the phenomenon that the lead slides out of the lead groove 2 is avoided, the knob 13 is rotated, the threaded rod 12 is driven by the knob 13, because the threaded rod 12 is in threaded connection with the fixed block 8, the bearing 14 can be pushed by the rotation of the threaded rod 12, the movable clamping plate 11 is pushed by the bearing 14, the movable clamping plate 11 moves towards the fixed clamping plate 17 to clamp and fix the wire, and through the matching of the structures, can make the device reach the dismouting of being convenient for, stability is good, convenient to use's advantage is fit for using widely.
Although embodiments of the present invention have been shown and described, it will be appreciated by those skilled in the art that changes, modifications, substitutions and alterations can be made in these embodiments without departing from the principles and spirit of the invention, the scope of which is defined in the appended claims and their equivalents.
Claims (6)
1. The utility model provides a novel lead wire guide rail groove mechanism, includes insulating guide rail (1), its characterized in that: wire guide (2) have all been seted up to positive upper end and lower extreme of insulating guide rail (1), the front of insulating guide rail (1) is provided with pivot (7), fixed surface of pivot (7) is connected with spacing card (6), the equal fixedly connected with fixed plate (4) in both sides of insulating guide rail (1), the equal fixedly connected with fixed block (8) of upper end and lower extreme on fixed plate (4) surface, the outside of fixed block (8) is provided with knob (13), the back fixedly connected with threaded rod (12) of knob (13), the one end that knob (13) were kept away from in threaded rod (12) runs through fixed block (8) and swing joint has bearing (14), the back fixedly connected with activity grip block (11) of bearing (14), the back fixedly connected with supporting seat (16) of fixed block (8) inner chamber, the fixed grip block (11) that the positive fixedly connected with cooperation activity grip block (11) of supporting seat (16) used (2), (the fixed grip block (8) of (14) used (2) are run through(s), (the swing joint) and are fixed grip block (11) and are fixed 17).
2. The novel lead rail groove mechanism as claimed in claim 1, wherein: the top and the bottom of the insulated guide rail (1) are fixedly connected with mounting plates (3), and mounting holes (9) are formed in the surfaces of the mounting plates (3).
3. The novel lead rail groove mechanism as claimed in claim 1, wherein: the front surface of the fixing plate (4) is fixedly connected with an insulating sleeve (5), and the insulating sleeve (5) is positioned on the outer side of the fixing block (8).
4. The novel lead rail groove mechanism as claimed in claim 1, wherein: the top and the bottom of the inner cavity of the wire groove (2) are fixedly connected with elastic limiting strips (10), and the number of the elastic limiting strips (10) is four.
5. The novel lead rail groove mechanism as claimed in claim 1, wherein: the utility model discloses a clamp plate, including activity grip block (11), the equal fixedly connected with connecting rod (18) in activity grip block (11) top and bottom, one end fixedly connected with slider (15) of activity grip block (11) are kept away from in connecting rod (18), spout (19) that cooperation slider (15) used are all seted up to the top and the bottom of fixed block (8) inner chamber.
6. The novel lead rail groove mechanism as claimed in claim 1, wherein: the inner walls of the movable clamping plate (11) and the fixed clamping plate (17) are fixedly connected with a protective pad (20), and anti-skid lines are formed in the surface of the protective pad (20).
Priority Applications (1)
| Application Number | Priority Date | Filing Date | Title |
|---|---|---|---|
| CN202121531816.9U CN215071470U (en) | 2021-07-07 | 2021-07-07 | Novel lead wire guide rail groove mechanism |
Applications Claiming Priority (1)
| Application Number | Priority Date | Filing Date | Title |
|---|---|---|---|
| CN202121531816.9U CN215071470U (en) | 2021-07-07 | 2021-07-07 | Novel lead wire guide rail groove mechanism |
Publications (1)
| Publication Number | Publication Date |
|---|---|
| CN215071470U true CN215071470U (en) | 2021-12-07 |
Family
ID=79227907
Family Applications (1)
| Application Number | Title | Priority Date | Filing Date |
|---|---|---|---|
| CN202121531816.9U Active CN215071470U (en) | 2021-07-07 | 2021-07-07 | Novel lead wire guide rail groove mechanism |
Country Status (1)
| Country | Link |
|---|---|
| CN (1) | CN215071470U (en) |
-
2021
- 2021-07-07 CN CN202121531816.9U patent/CN215071470U/en active Active
Similar Documents
| Publication | Publication Date | Title |
|---|---|---|
| CN210778030U (en) | Butt joint device for cable production | |
| CN215071470U (en) | Novel lead wire guide rail groove mechanism | |
| CN208157984U (en) | A kind of power engineering cable shear | |
| CN210296760U (en) | Anti-drop device of power cable connector | |
| CN110459907B (en) | Install convenient weak cable connector | |
| CN210723136U (en) | New energy automobile battery connecting device | |
| CN218771000U (en) | Multifunctional electric wire clamp | |
| CN111129911A (en) | Portable jig for assembling electric connector | |
| CN214958531U (en) | Improved composite dry-type wall bushing | |
| CN213958693U (en) | Self-cleaning type high strength clavate porcelain insulator | |
| CN211530596U (en) | Cable peeling device for electric power engineering | |
| CN211908337U (en) | Optical cable communication wire connector for transformer substation | |
| CN212684018U (en) | Mounting bracket for intelligent robot | |
| CN210724049U (en) | Communication cable mount convenient to use | |
| CN220209238U (en) | High conductivity type battery post | |
| CN209948604U (en) | Can dismantle wall-hanging optical cable fixing device | |
| CN220684301U (en) | Plastic brush wire winding and shaping structure | |
| CN211088188U (en) | Solid insulated circuit breaker protection device for electrical switchgear | |
| CN216923903U (en) | Fault monitoring device of power communication equipment | |
| CN216488900U (en) | Intelligent PDU power distribution unit | |
| CN223567006U (en) | Rotary power cable connection device | |
| CN219626901U (en) | a wiring device | |
| CN218351777U (en) | Stably-installed connector terminal | |
| CN215989563U (en) | Power connection extension line | |
| CN215299139U (en) | Intelligent AC contactor |
Legal Events
| Date | Code | Title | Description |
|---|---|---|---|
| GR01 | Patent grant | ||
| GR01 | Patent grant |