CN215002860U - A kind of air supply device for rotary kiln - Google Patents

A kind of air supply device for rotary kiln Download PDF

Info

Publication number
CN215002860U
CN215002860U CN202120877782.2U CN202120877782U CN215002860U CN 215002860 U CN215002860 U CN 215002860U CN 202120877782 U CN202120877782 U CN 202120877782U CN 215002860 U CN215002860 U CN 215002860U
Authority
CN
China
Prior art keywords
fixedly connected
rotary kiln
air
air supply
supply device
Prior art date
Legal status (The legal status is an assumption and is not a legal conclusion. Google has not performed a legal analysis and makes no representation as to the accuracy of the status listed.)
Active
Application number
CN202120877782.2U
Other languages
Chinese (zh)
Inventor
汪茂荣
艾世勇
Current Assignee (The listed assignees may be inaccurate. Google has not performed a legal analysis and makes no representation or warranty as to the accuracy of the list.)
Anhui Zegan Metallurgical Technology Co ltd
Original Assignee
Anhui Zegan Metallurgical Technology Co ltd
Priority date (The priority date is an assumption and is not a legal conclusion. Google has not performed a legal analysis and makes no representation as to the accuracy of the date listed.)
Filing date
Publication date
Application filed by Anhui Zegan Metallurgical Technology Co ltd filed Critical Anhui Zegan Metallurgical Technology Co ltd
Priority to CN202120877782.2U priority Critical patent/CN215002860U/en
Application granted granted Critical
Publication of CN215002860U publication Critical patent/CN215002860U/en
Active legal-status Critical Current
Anticipated expiration legal-status Critical

Links

Images

Landscapes

  • Muffle Furnaces And Rotary Kilns (AREA)

Abstract

本实用新型提供了一种回转窑用供风装置,涉及回转窑技术领域,包括底座,所述底座的一侧固定连接有安装脚,所述安装脚的顶部固定连接有垫片,所述安装脚的顶部活动连接有挡盖,所述底座的顶部固定连接有连接杆,所述连接杆的一端固定连接有安装板,所述安装板的顶部固定连接有气管,所述气管的外壁固定连接有风机本体,所述气管的外壁开设有安装口,所述安装口的内壁固定连接有隔热板,所述隔热板的一侧开设有透气孔,所述安装板的顶部固定连接有回转窑本体,本实用新型能够达到供风效果好的目的,在实际的使用过程中,避免了供风系统中的气流直接对燃烧室造成冲击,解决了一般回转窑用供风装置供风效果差的问题。

Figure 202120877782

The utility model provides an air supply device for a rotary kiln, which relates to the technical field of rotary kilns. The top of the foot is movably connected with a blocking cover, the top of the base is fixedly connected with a connecting rod, one end of the connecting rod is fixedly connected with a mounting plate, the top of the mounting plate is fixedly connected with a trachea, and the outer wall of the trachea is fixedly connected There is a fan body, the outer wall of the air pipe is provided with an installation port, the inner wall of the installation port is fixedly connected with a heat insulation board, one side of the heat insulation board is provided with a ventilation hole, and the top of the installation board is fixedly connected with a rotary The kiln body, the utility model can achieve the purpose of good air supply effect. In the actual use process, it avoids the direct impact of the airflow in the air supply system on the combustion chamber, and solves the problem of the poor air supply effect of the air supply device used in the general rotary kiln. The problem.

Figure 202120877782

Description

Air supply device for rotary kiln
Technical Field
The utility model relates to a rotary kiln technical field especially relates to an air feed device for rotary kiln.
Background
The cement kiln is mainly used for calcining cement clinker and comprises a dry-process cement kiln and a wet-process cement kiln. The metallurgical chemical kiln is mainly used for magnetizing and roasting lean iron ore in steel and iron plants, oxidizing and roasting chromium and nickel iron ore, roasting high-smelting gold ore in refractory material plants, roasting clinker in aluminum plants, aluminum hydroxide, roasting chromium ore sand, chromium ore powder and other minerals in chemical plants in the metallurgical industry. Lime kilns (i.e., active lime kilns) are used for roasting active lime and lightly calcined dolomite for steel plants, iron and alloy plants. The rotary kiln is composed of processes of gas flow, fuel combustion, heat transfer, material movement and the like. The rotary kiln is how the fuel can be fully combusted, the heat generated by the combustion of the fuel can be effectively transferred to the materials, and the materials are subjected to a series of physical and chemical changes after receiving the heat, so that the finished product clinker is finally formed.
Most air feed devices for rotary kilns on the market all have the poor problem of air feed effect at present, and in the use of reality, the operation of rotary kiln needs supporting heating device to provide stable heat energy, provides the processing condition for the preparation of material, and when air feed device's air feed effect was poor, can lead to the fuel burning in the combustion chamber insufficient, has brought the inconvenience for people's use.
SUMMERY OF THE UTILITY MODEL
In view of the above, the present invention is directed to an air supply device for a rotary kiln, which solves all or one of the above problems in the prior art.
Based on the above purpose, the utility model provides an air supply device for rotary kiln, which comprises a base, one side of the base is fixedly connected with a mounting foot, the top of the mounting foot is fixedly connected with a gasket, the top of the mounting foot is movably connected with a baffle cover, the top of the base is fixedly connected with a connecting rod, one end of the connecting rod is fixedly connected with a mounting plate, the top of the mounting plate is fixedly connected with an air pipe, the outer wall of the air pipe is fixedly connected with a fan body, the outer wall of the air pipe is provided with a mounting opening, the inner wall of the mounting opening is fixedly connected with a heat insulation plate, one side of the heat insulation plate is provided with an air vent, the top of the mounting plate is fixedly connected with a rotary kiln body, one end of the air pipe is fixedly connected with a chimney, the top of the chimney is fixedly connected with an end cover, the outer wall of the air pipe is fixedly connected with a shell, the inner wall of the shell is fixedly connected with a fixed block, the rotary kiln comprises a rotary kiln body and is characterized in that a first baffle is fixedly connected to the inner wall of the rotary kiln body, a vertical baffle is fixedly connected to the top of the first baffle, a transverse baffle is fixedly connected to one side of the vertical baffle, an air guide block is fixedly connected to one side of the transverse baffle, a blocking block is fixedly connected to one side of the vertical baffle, a second baffle is fixedly connected to the inner wall of the rotary kiln body, and an auxiliary support is fixedly connected to the bottom of the rotary kiln body.
Optionally, the first baffle and the second baffle are both semicircular baffles, so that gas flows more smoothly while airflow is blocked.
Optionally, the bottom fixedly connected with of end cover divides the stream block for the gas that discharges to the outside of equipment, the two open structure of make full use of chimney can be faster.
Optionally, one side of the base is fixedly connected with a ribbed plate, so that the connection strength of the mounting foot and the base is increased.
Optionally, the top of the outer shell is subjected to rounding treatment, so that stress concentration at the top corner of the outer shell is avoided.
Optionally, the air inlet and the air outlet of the air hole have diameter difference, the existence of the diameter difference improves the air flow rate of air inlet, and the backflow of air can be avoided.
Optionally, the gas pipe is a steel gas pipe, the steel gas pipe is economical in manufacturing cost, and the steel gas pipe is long in service life.
From the above, it can be seen that the utility model provides a pair of air feed device for rotary kiln possesses following beneficial effect:
1. this air supply device for rotary kiln through fan body, heat insulating board, bleeder vent, trachea, first baffle, vertical baffle, cross slab, air guide piece and the second baffle that sets up, can reach the effectual purpose of air feed, in the use of reality, has avoided the air current in the air feed system directly to cause the impact to the combustion chamber, has solved the poor problem of general air supply device air feed effect for rotary kiln.
2. This air supply device for rotary kiln through the base and the installation foot that set up, can reach the purpose that stabilizes the support rotary kiln equipment, in the use of reality, provides stable support for the rotatory operation of rotary kiln, has reduced the harmful vibrations of rotary kiln operation in-process, has solved the too big problem of general air supply device for rotary kiln vibrations to the use of people has brought the facility.
3. This air supply device for rotary kiln through chimney and the end cover that sets up, can reach and avoid the rainwater to get into the inside purpose of trachea, in the use of reality, the air current of process can be heated by the heat that gives out in the combustion chamber from the trachea, has reduced the difference in temperature in outside gas and the combustion chamber, has reduced the heat exchange, has improved the heat supply effect to further the use of people has brought the facility.
Drawings
In order to more clearly illustrate the embodiments of the present invention or the technical solutions in the prior art, the drawings used in the description of the embodiments or the prior art will be briefly described below, it is obvious that the drawings in the following description are only some embodiments of the present invention, and for those skilled in the art, other drawings can be obtained according to these drawings without creative efforts.
FIG. 1 is a schematic structural view of the present invention;
fig. 2 is a front view of the present invention;
FIG. 3 is an enlarged view of the point A of FIG. 1 according to the present invention;
fig. 4 is a schematic view of the connection structure of the heat insulation plate and the air holes of the present invention.
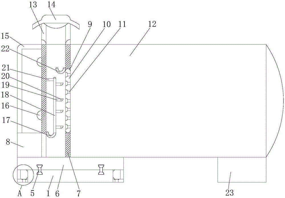
In the figure: 1. a base; 2. mounting a foot; 3. a gasket; 4. a blocking cover; 5. a connecting rod; 6. mounting a plate; 7. an air tube; 8. a fan body; 9. an installation port; 10. a heat insulation plate; 11. air holes are formed; 12. a rotary kiln body; 13. a chimney; 14. an end cap; 15. a housing; 16. a fixed block; 17. a first baffle plate; 18. a vertical partition; 19. a diaphragm plate; 20. a wind guide block; 21. blocking; 22. a second baffle; 23. and (4) secondary support.
Detailed Description
In order to make the objects, technical solutions and advantages of the present invention more apparent, the present invention will be described in detail with reference to the accompanying drawings.
It should be noted that unless otherwise defined, technical or scientific terms used in the embodiments of the present invention should have the ordinary meaning as understood by those having ordinary skill in the art to which the present disclosure belongs. The use of "first," "second," and similar terms in this disclosure is not intended to indicate any order, quantity, or importance, but rather is used to distinguish one element from another. The word "comprising" or "comprises", and the like, means that the element or item listed before the word covers the element or item listed after the word and its equivalents, but does not exclude other elements or items. The terms "connected" or "coupled" and the like are not restricted to physical or mechanical connections, but may include electrical connections, whether direct or indirect. "upper", "lower", "left", "right", and the like are used merely to indicate relative positional relationships, and when the absolute position of the object being described is changed, the relative positional relationships may also be changed accordingly.
As a preferred embodiment of the utility model, the utility model provides an air supply device for rotary kiln, which comprises a base, one side of the base is fixedly connected with a mounting foot, the top of the mounting foot is fixedly connected with a gasket, the top of the mounting foot is movably connected with a blocking cover, the top of the base is fixedly connected with a connecting rod, one end of the connecting rod is fixedly connected with a mounting plate, the top of the mounting plate is fixedly connected with an air pipe, the outer wall of the air pipe is fixedly connected with a fan body, the outer wall of the air pipe is provided with a mounting opening, the inner wall of the mounting opening is fixedly connected with a heat insulation plate, one side of the heat insulation plate is provided with an air hole, the top of the mounting plate is fixedly connected with a rotary kiln body, one end of the air pipe is fixedly connected with a chimney, the top of the chimney is fixedly connected with an end cover, the outer wall of the air pipe is fixedly connected with a shell, the inner wall fixedly connected with fixed block of shell, the first baffle of tracheal inner wall fixedly connected with, the vertical baffle of top fixedly connected with of first baffle, one side fixedly connected with cross slab of vertical baffle, one side fixedly connected with air guide block of cross slab, one side fixedly connected with sprue of vertical baffle, tracheal inner wall fixedly connected with second baffle, the vice support of bottom fixedly connected with of rotary kiln body.
The design of the utility model can achieve the purpose of good air supply effect through the arranged fan body, the heat insulation plate, the air holes, the air pipes, the first baffle, the vertical baffle, the transverse baffle, the air guide block and the second baffle, and in the actual use process, the air flow in the air supply system is prevented from directly impacting the combustion chamber, thereby solving the problem of poor air supply effect of the air supply device for the common rotary kiln; the purpose of stably supporting rotary kiln equipment can be achieved through the arranged base and the mounting feet, stable support is provided for rotary operation of the rotary kiln in the actual use process, harmful vibration in the rotary kiln operation process is reduced, the problem that an ordinary air supply device for the rotary kiln vibrates excessively is solved, and convenience is brought to use of people; through chimney and the end cover that sets up, can reach and avoid the rainwater to get into the inside purpose of trachea, in the use of reality, the air current of process can be heated by the heat that gives out in the combustion chamber from the trachea, has reduced the temperature difference in outside gas and the combustion chamber, has reduced the heat exchange, has improved the heat supply effect to further brought the facility for people's use.
The preferred embodiments of the present invention will be described with reference to the accompanying drawings.
Referring to fig. 1-4, the air supply device for the rotary kiln comprises a base 1, one side of the base 1 is fixedly connected with a mounting leg 2, the top of the mounting leg 2 is fixedly connected with a gasket 3, the top of the mounting leg 2 is movably connected with a blocking cover 4, the top of the base 1 is fixedly connected with a connecting rod 5, one end of the connecting rod 5 is fixedly connected with a mounting plate 6, the top of the mounting plate 6 is fixedly connected with an air pipe 7, the outer wall of the air pipe 7 is fixedly connected with a fan body 8, the outer wall of the air pipe 7 is provided with a mounting opening 9, the inner wall of the mounting opening 9 is fixedly connected with a heat insulation plate 10, one side of the heat insulation plate 10 is provided with an air vent 11, the top of the mounting plate 6 is fixedly connected with a rotary kiln body 12, one end of the air pipe 7 is fixedly connected with a chimney 13, the top of the chimney 13 is fixedly connected with an end cover 14, the outer wall of the air pipe 7 is fixedly connected with a shell 15, and the inner wall of the shell 15 is fixedly connected with a fixing block 16, the inner wall fixedly connected with first baffle 17 of trachea 7, the vertical baffle 18 of top fixedly connected with of first baffle 17, one side fixedly connected with cross slab 19 of vertical baffle 18, one side fixedly connected with guide vane 20 of cross slab 19, one side fixedly connected with sprue 21 of vertical baffle 18, the inner wall fixedly connected with second baffle 22 of trachea 7, the vice support 23 of bottom fixedly connected with of rotary kiln body 12.
The first baffle 17 and the second baffle 22 are both semicircular baffles, so that the air flow is smoother while the air flow is blocked.
The bottom of the end cover 14 is fixedly connected with a shunting block, so that discharged gas can be discharged to the outside of the equipment more quickly, and the double-opening structure of the chimney 13 is fully utilized.
One side fixedly connected with floor of base 1 has increased the joint strength of installation foot 2 with base 1.
The top of the housing 15 is rounded to avoid stress concentration at the top corner of the housing 15.
The diameter difference exists between the air inlet and the air outlet of the air hole 11, the air flow rate of the air inlet is improved due to the diameter difference, and the backflow of the air can be avoided.
The air pipe 7 is made of steel, the steel air pipe is economical in manufacturing cost, and the steel air pipe is long in service life.
When using, operating personnel need open fan body 8's switch, under fan body 8's operation, outside oxygen-containing air can pass through trachea 7, the separation of blockking of first baffle 17 again flows down, can pass through the surface of heat insulating board 10, under the effect of cross slab 19 and wind-guiding piece 20, the air current can constantly strike heat insulating board 10, because bleeder vent 11 has been seted up on the surface of heat insulating board 10, oxygen-containing air can pass through bleeder vent 11 and enter into in the combustion chamber, and the temperature in the combustion chamber scatters and disappears the in-process can improve the temperature of oxygen-containing air, the temperature difference has been reduced, the heat exchange has been reduced, the effect of fuel burning has been improved, bring the facility for people's use.
Those of ordinary skill in the art will understand that: the discussion of any embodiment above is meant to be exemplary only, and is not intended to intimate that the scope of the disclosure, including the claims, is limited to these examples; within the idea of the invention, also technical features in the above embodiments or in different embodiments can be combined, steps can be implemented in any order, and there are many other variations of the different aspects of the invention as described above, which are not provided in detail for the sake of brevity.
The present embodiments are intended to embrace all such alternatives, modifications and variances which fall within the broad scope of the appended claims. Therefore, any omission, modification, equivalent replacement, or improvement made within the spirit and principle of the present invention should be included within the protection scope of the present invention.

Claims (7)

1. The utility model provides an air supply device for rotary kiln, includes base (1), its characterized in that: the air-conditioning fan is characterized in that one side of the base (1) is fixedly connected with an installation foot (2), the top of the installation foot (2) is fixedly connected with a gasket (3), the top of the installation foot (2) is movably connected with a blocking cover (4), the top of the base (1) is fixedly connected with a connecting rod (5), one end of the connecting rod (5) is fixedly connected with an installation plate (6), the top of the installation plate (6) is fixedly connected with an air pipe (7), the outer wall of the air pipe (7) is fixedly connected with a fan body (8), the outer wall of the air pipe (7) is provided with an installation opening (9), the inner wall of the installation opening (9) is fixedly connected with a heat insulation plate (10), one side of the heat insulation plate (10) is provided with an air vent (11), the top of the installation plate (6) is fixedly connected with a rotary kiln body (12), and one end of the air pipe (7) is fixedly connected with a chimney (13), the top fixedly connected with end cover (14) of chimney (13), outer wall fixedly connected with shell (15) of trachea (7), the inner wall fixedly connected with fixed block (16) of shell (15), the first baffle of inner wall fixedly connected with (17) of trachea (7), the vertical baffle of top fixedly connected with (18) of first baffle (17), one side fixedly connected with cross slab (19) of vertical baffle (18), one side fixedly connected with wind guide block (20) of cross slab (19), one side fixedly connected with sprue (21) of vertical baffle (18), the inner wall fixedly connected with second baffle (22) of trachea (7), the vice support of bottom fixedly connected with (23) of rotary kiln body (12).
2. The air supply device for the rotary kiln as claimed in claim 1, wherein: the first baffle (17) and the second baffle (22) are both semicircular baffles.
3. The air supply device for the rotary kiln as claimed in claim 1, wherein: the bottom of the end cover (14) is fixedly connected with a shunting block.
4. The air supply device for the rotary kiln as claimed in claim 1, wherein: one side of the base (1) is fixedly connected with a ribbed plate.
5. The air supply device for the rotary kiln as claimed in claim 1, wherein: the top of the housing (15) is rounded.
6. The air supply device for the rotary kiln as claimed in claim 1, wherein: the diameter difference exists between the air inlet and the air outlet of the air vent (11).
7. The air supply device for the rotary kiln as claimed in claim 1, wherein: the air pipe (7) is a steel air pipe.
CN202120877782.2U 2021-04-26 2021-04-26 A kind of air supply device for rotary kiln Active CN215002860U (en)

Priority Applications (1)

Application Number Priority Date Filing Date Title
CN202120877782.2U CN215002860U (en) 2021-04-26 2021-04-26 A kind of air supply device for rotary kiln

Applications Claiming Priority (1)

Application Number Priority Date Filing Date Title
CN202120877782.2U CN215002860U (en) 2021-04-26 2021-04-26 A kind of air supply device for rotary kiln

Publications (1)

Publication Number Publication Date
CN215002860U true CN215002860U (en) 2021-12-03

Family

ID=79092134

Family Applications (1)

Application Number Title Priority Date Filing Date
CN202120877782.2U Active CN215002860U (en) 2021-04-26 2021-04-26 A kind of air supply device for rotary kiln

Country Status (1)

Country Link
CN (1) CN215002860U (en)

Cited By (1)

* Cited by examiner, † Cited by third party
Publication number Priority date Publication date Assignee Title
CN119845026A (en) * 2025-03-21 2025-04-18 渤海宏铄(连云港)清洁技术有限公司 Rotary kiln with circumferential bottom air distribution

Cited By (1)

* Cited by examiner, † Cited by third party
Publication number Priority date Publication date Assignee Title
CN119845026A (en) * 2025-03-21 2025-04-18 渤海宏铄(连云港)清洁技术有限公司 Rotary kiln with circumferential bottom air distribution

Similar Documents

Publication Publication Date Title
CN108014667B (en) A kind of flue gas mixing arrangement and method
CN215002860U (en) A kind of air supply device for rotary kiln
CN106247801B (en) A kind of water cooled cover of ladle refining furnace
CN205062009U (en) High -efficient whirl dewatering system
CN206761364U (en) A kind of electric steam furnace with condensation structure
CN202530109U (en) Waste heat recovery device utilizing waste heat of one-off high temperature flue gas of converter to directly calcine lime
CN201387217Y (en) a drying oven
CN201034423Y (en) Air heat exchanger for furnace cupola
CN203791071U (en) Volute cyclone dust collector
CN206056288U (en) A kind of water cooled cover of ladle refining furnace
CN203323578U (en) Sintered ring refrigerator exhaust gas waste heat gradient utilization system
CN201615597U (en) Hot blast furnace
CN105276996B (en) The mixed wind system of flue gas recirculation sintering
CN213924953U (en) Dry flue gas of concentrate system of recycling
CN201909548U (en) Cyclone separation heat exchanger
CN209399818U (en) A kind of spiral-plate heat exchanger structure for low flow velocity
CN108362135B (en) Iron Furnace Waste Heat Utilization Device
CN210663959U (en) Flue gas heat exchange device of zinc oxide high-temperature reduction furnace
CN205473861U (en) It mixes wind device to spout formula offset in hot -blast standpipe on using
CN219580155U (en) Dust drop device for gypsum calciner
CN206494853U (en) Bottom discharge perforate furnace for expanding perlite
CN204352775U (en) Gas mixing device
CN205909704U (en) Rotary kiln exhaust gas treatment equipment with detect function
CN204963213U (en) Efficient condensing heat exchanger
CN214406490U (en) Energy-saving environment-friendly hot blast stove

Legal Events

Date Code Title Description
GR01 Patent grant
GR01 Patent grant
PE01 Entry into force of the registration of the contract for pledge of patent right
PE01 Entry into force of the registration of the contract for pledge of patent right

Denomination of utility model: A rotary kiln air supply device

Granted publication date: 20211203

Pledgee: Agricultural Bank of China Limited Wuhu Fanchang District Branch

Pledgor: Anhui Zegan Metallurgical Technology Co.,Ltd.

Registration number: Y2024980059440

PC01 Cancellation of the registration of the contract for pledge of patent right
PC01 Cancellation of the registration of the contract for pledge of patent right

Granted publication date: 20211203

Pledgee: Agricultural Bank of China Limited Wuhu Fanchang District Branch

Pledgor: Anhui Zegan Metallurgical Technology Co.,Ltd.

Registration number: Y2024980059440