CN214597650U - A double-flushing filter pipe purifier - Google Patents

A double-flushing filter pipe purifier Download PDF

Info

Publication number
CN214597650U
CN214597650U CN202023023864.5U CN202023023864U CN214597650U CN 214597650 U CN214597650 U CN 214597650U CN 202023023864 U CN202023023864 U CN 202023023864U CN 214597650 U CN214597650 U CN 214597650U
Authority
CN
China
Prior art keywords
filter
main
channel
main cylinder
cylinder body
Prior art date
Legal status (The legal status is an assumption and is not a legal conclusion. Google has not performed a legal analysis and makes no representation as to the accuracy of the status listed.)
Active
Application number
CN202023023864.5U
Other languages
Chinese (zh)
Inventor
薛振
闫冠华
李向楠
牟善博
苏帅帅
Current Assignee (The listed assignees may be inaccurate. Google has not performed a legal analysis and makes no representation or warranty as to the accuracy of the list.)
Anhui High German Agricultural Science And Technology Co ltd
Original Assignee
Anhui High German Agricultural Science And Technology Co ltd
Priority date (The priority date is an assumption and is not a legal conclusion. Google has not performed a legal analysis and makes no representation as to the accuracy of the date listed.)
Filing date
Publication date
Application filed by Anhui High German Agricultural Science And Technology Co ltd filed Critical Anhui High German Agricultural Science And Technology Co ltd
Priority to CN202023023864.5U priority Critical patent/CN214597650U/en
Application granted granted Critical
Publication of CN214597650U publication Critical patent/CN214597650U/en
Active legal-status Critical Current
Anticipated expiration legal-status Critical

Links

Images

Landscapes

  • Filtration Of Liquid (AREA)

Abstract

本实用新型公开了一种双重冲洗过滤的管道净化器,属于管道过滤领域。本实用新型包括滤筒及套设在滤筒外侧的主筒体,主筒体和滤筒的顶部密封,主筒体和滤筒之间形成排污通道,滤筒内部为过滤通道,排污通道内沿高度方向设有至少一组喷头,每组喷头包括间隔环绕设在主筒体内侧的多个喷头,喷头的总进水管上设有开关阀;主筒体侧边设有进水口,主筒体底部设有出水口,出水口与过滤通道相通且与排污通道封闭,主筒体的底部侧边设有与排污通道相通的排渣口,排渣口上安装有控制阀门。本实用新型克服现有技术中Y型过滤器不便排渣清洗的问题,拟提供一种双重冲洗过滤的管道净化器,能够直接清洗排渣,应用便利。

Figure 202023023864

The utility model discloses a double-flushing and filtering pipeline purifier, which belongs to the field of pipeline filtering. The utility model comprises a filter cartridge and a main cylinder body sleeved on the outside of the filter cartridge, the top of the main cylinder body and the filter cartridge is sealed, a sewage discharge channel is formed between the main cylinder body and the filter cartridge, the filter cartridge is a filter channel inside, and the sewage discharge channel is inside the filter cartridge. At least one group of nozzles is arranged along the height direction, each group of nozzles includes a plurality of nozzles arranged around the inner side of the main cylinder at intervals, and an on-off valve is arranged on the general water inlet pipe of the nozzles; the side of the main cylinder is provided with a water inlet, and the main cylinder There is a water outlet at the bottom of the body, the water outlet communicates with the filter channel and is closed with the sewage channel, the bottom side of the main cylinder body is provided with a slag outlet communicated with the sewage channel, and a control valve is installed on the slag outlet. The utility model overcomes the problem that the Y-type filter in the prior art is inconvenient for slag discharge and cleaning, and intends to provide a pipeline purifier with double flushing and filtration, which can directly clean and discharge the slag and is convenient to use.

Figure 202023023864

Description

Double-flushing filtering pipeline purifier
Technical Field
The utility model relates to a pipeline filtration technology field, more specifically say, relate to a dual filterable pipeline purifier that washes.
Background
The Y-shaped filter is a common small-sized pipeline filtering and purifying device, plays a role in filtering and purifying, when fluid media pass through the filter, impurities are filtered and collected by the filter element, after the filter element is taken out when the fluid media need to be cleaned, the impurities on the filter element are removed, the filter element is installed in the filter, online deslagging and cleaning cannot be achieved, the filter element needs to be frequently cleaned, operation is inconvenient, production efficiency is affected, and optimization of the filter technology is always a direction of concern in the industry.
Through retrieval, the Chinese patent application number: 201610522064.7, the name of invention creation is: the Y type filter convenient to wash, this application include body and connecting pipe, thereby the connecting pipe setting forms Y type structure in one side of body, coaxial arrangement filter screen in this connecting pipe, coaxial arrangement helical structure's brush in the filter screen, this brush is rotatory around the center pin, the tip installation handle of this center pin. This filter is through installing the brush in the filter screen, consequently can in time clear up the impurity on the filter screen under the prerequisite of not taking off the filter screen, easy operation, labour saving and time saving prevent because of dismantling the not tight problem of sealing that the filter screen brought and take place. This filter is through advancing at it, exit installation manometer, and the pressure that the real-time supervision filter advances, the export to the suggestion worker in time clears up impurity, avoids the filter jam.
Also as in chinese patent application No.: 2019113246182, the name of invention creation is: the application discloses a Y-shaped filter capable of backwashing and rapidly discharging sewage, which comprises a filter body and a filter screen cylinder arranged in the filter body, wherein an inlet ball valve is arranged on a fluid inlet of the filter body, and a sewage discharge outlet of the filter body is connected with a sewage discharge ball valve through a transition joint. This application can realize the quick back flush blowdown to Y type filter through installation import ball valve and blowdown ball valve for Y type filter need not demolish end cap and filter screen section of thick bamboo when cleaing away impurity, has reduced because a series of problems that dismouting filter screen section of thick bamboo caused, improves blowdown efficiency and quality.
The above applications optimize the application performance of the filter from different aspects, and there is still a need in the industry for new designs that are more abundant and effective.
SUMMERY OF THE UTILITY MODEL
1. Technical problem to be solved by the utility model
The utility model aims to overcome the inconvenient abluent problem of row of arranging of Y type filter among the prior art, plan to provide a dual filterable pipeline purifier that washes, can directly wash row's sediment, it is convenient to use.
2. Technical scheme
In order to achieve the above purpose, the utility model provides a technical scheme does:
the utility model discloses a pipeline purifier with double washing and filtering functions, which comprises a filter cylinder and a main cylinder body sleeved outside the filter cylinder, wherein the top of the main cylinder body and the top of the filter cylinder are sealed, a sewage discharge channel is formed between the main cylinder body and the filter cylinder, the inside of the filter cylinder is provided with a filtering channel, at least one group of spray heads are arranged in the sewage discharge channel along the height direction, each group of spray heads comprises a plurality of spray heads arranged at the inner side of the main cylinder body in a surrounding mode at intervals, and a switch valve is arranged on a main water inlet pipe of each spray head; the side of the main cylinder body is provided with a water inlet, the bottom of the main cylinder body is provided with a water outlet, the water outlet is communicated with the filtering channel and sealed with the sewage discharge channel, the side of the bottom of the main cylinder body is provided with a slag discharge port communicated with the sewage discharge channel, and the slag discharge port is provided with a control valve.
Furthermore, the plurality of nozzles are arranged on the inner side of the main barrel through branch pipelines, a main water inlet pipe of the plurality of nozzles is arranged outside the main barrel, and a switch valve is arranged on the main water inlet pipe and connected with the switch valve on the water inlet in parallel.
Furthermore, the top of the filter cylinder is also provided with a spray head which is positioned in the filter passage and extends obliquely towards the direction close to the inner wall of the filter cylinder.
Furthermore, a plurality of groups of spray heads are arranged in the sewage draining channel at intervals along the height direction, and the spraying directions of two adjacent groups of spray heads are different.
Furthermore, the bottom of the main cylinder body is provided with a slag discharging cylinder, the inner diameter of the slag discharging cylinder is larger than that of the main cylinder body, a slag collecting channel is formed between the slag discharging cylinder and the filter cylinder and is communicated with the sewage discharge channel, and a slag discharging port is arranged on one side of the bottom of the slag discharging cylinder; the filter cylinder extends to the bottom of the slag discharge cylinder and is communicated with the water outlet.
Furthermore, the top of the main cylinder body is sealed through a sealing flange, a second sealing ring is arranged between the top of the main cylinder body and the sealing flange, a first sealing ring is arranged between the top of the filter cylinder and the inner wall of the main cylinder body, and the first sealing ring is positioned below the second sealing ring.
Furthermore, a plurality of groups of positioning pieces are arranged on the sealing flange at intervals, and the positioning pieces penetrate through the sealing flange and are downwards clamped on the inner wall of the top of the filter cylinder.
Furthermore, the bottom of the filter cylinder is also provided with a plurality of groups of positioning sheets at the position of the inner wall.
3. Advantageous effects
Adopt the technical scheme provided by the utility model, compare with prior art, have following beneficial effect:
(1) the utility model discloses a dual filterable pipeline purifier that washes, the bottom side of main barrel body be equipped with the communicating row's cinder notch of sewage pipes, install control flap on the cinder notch, when needs arrange the sediment, with the delivery port on the valve close, open the control flap on arranging the cinder notch, can directly utilize the water inlet to intake and wash straining a section of thick bamboo and remaining impurity this moment, and directly discharge through arranging the cinder notch, realize cleaning under the condition of not dismantling and strain a section of thick bamboo, can effectively improve production efficiency, and the labor intensity is reduced, and the operation is very convenient.
(2) The utility model discloses a dual filterable pipe-line cleaner that washes is equipped with at least a set of shower nozzle along the direction of height in sewage pipes, and every group shower nozzle includes that the interval encircles and establishes a plurality of shower nozzles in main barrel inboard, encircles through straining the outside and sets up a plurality of shower nozzles and assist and spray the sediment of arranging, strengthens the washing effect to straining a section of thick bamboo itself, prevents the adhesion of impurity substance gathering.
(3) The utility model discloses a dual filterable pipeline purifier that washes, the inside shower nozzle of filtration passageway connects clean water source that sprays alone, directly adopts clean shower water to wash from straining inside the washing backward of a section of thick bamboo, helps further getting rid of outside attached impurity, strengthens row sediment washing effect, and strains the shower nozzle of the inside and outside of a section of thick bamboo and cooperate, strengthens jointly and erode the effect.
(4) The utility model discloses a dual filterable pipeline purifier that washes, the bottom of main barrel is equipped with row's sediment section of thick bamboo, arranges the internal diameter that sediment section of thick bamboo internal diameter is greater than main barrel, and through setting up the row's sediment section of thick bamboo of broad, the accumulation of subsiding of impurity of being convenient for discharges fast after more being convenient for impurity washes when arranging the sediment, prevents to influence the filter effect.
Drawings
FIG. 1 is a schematic view of the filter of the present invention;
FIG. 2 is a schematic cross-sectional view of the filter of the present invention;
FIG. 3 is a schematic view of the arrangement structure of the nozzle of the present invention;
fig. 4 is a partially enlarged structural diagram of a portion a in fig. 2.
The reference numerals in the schematic drawings illustrate:
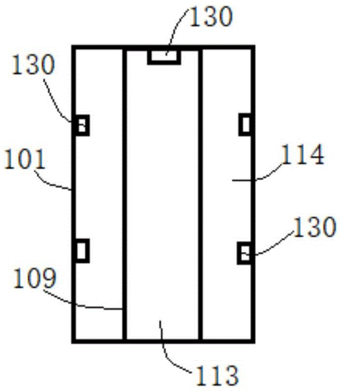
101. a main cylinder; 102. a water inlet; 103. a slag discharge cylinder; 104. a slag discharge port; 105. a water outlet; 106. an outlet flange; 107. an inlet flange; 108. sealing the flange; 109. a filter cartridge; 110. a first seal ring; 111. a second seal ring; 112. positioning plates; 113. a filtration channel; 114. a trapway; 115. a slag collection channel; 130. and (4) a spray head.
Detailed Description
For a further understanding of the present invention, reference will be made to the following detailed description taken in conjunction with the accompanying drawings.
In the description of the present invention, it should be noted that the terms "center", "upper", "lower", "left", "right", "vertical", "horizontal", "inner", "outer", and the like indicate orientations or positional relationships based on the orientations or positional relationships shown in the drawings, and are only for convenience of description and simplification of description, but do not indicate or imply that the device or element referred to must have a specific orientation, be constructed and operated in a specific orientation, and thus, should not be construed as limiting the present invention. Furthermore, the terms "first," "second," and "third" are used for descriptive purposes only and are not to be construed as indicating or implying relative importance.
The present invention will be further described with reference to the following examples.
Example 1
As shown in fig. 1 to 4, the double-flushing filtering pipeline purifier of the embodiment includes a filter cartridge 109 and a main cylinder 101 sleeved outside the filter cartridge 109, the top of the main cylinder 101 and the top of the filter cartridge 109 are sealed, a sewage channel 114 is formed between the main cylinder 101 and the filter cartridge 109, a filtering channel 113 is arranged inside the filter cartridge 109, a water inlet 102 communicated with the sewage channel 114 is arranged on a side edge of the main cylinder 101, a water outlet 105 is arranged at the bottom of the main cylinder 101, the water outlet 105 is communicated with the filtering channel 113 and is sealed with the sewage channel 114, a slag discharge port 104 communicated with the sewage channel 114 is arranged on a side edge of the bottom of the main cylinder 101, and a control valve is installed on the slag discharge port 104.
Specifically, an inlet flange 107 is arranged at the end part of the water inlet 102, an outlet flange 106 is arranged at the end part of the water outlet 105, when in use, the water inlet 102 is connected with an on-site sewage inlet pipe for treating sewage, the water outlet 105 is connected with a filtered water outlet pipe for discharging filtered water, and a valve is arranged on the water outlet 105; the water inlet 102 and the water outlet 105 are both designed to be inclined with gradually reduced height. After the sewage to be treated enters the sewage discharge channel 114 through the water inlet 102, foreign impurities are filtered outside by the filter cylinder 109 and automatically settle, and the filtered water enters the filter cylinder 109 and is directly discharged into the water outlet 105 through the filter channel 113, so that the sewage filtering treatment is realized.
In this embodiment, a slag discharge port 104 communicated with the sewage channel 114 is directly arranged at the side edge of the bottom of the main cylinder 101, and a control valve is arranged on the slag discharge port 104. At present, impurities and foreign matters filtered by the internal filter cylinder 109 in the industry are generally cleaned by periodically removing the filter cylinder 109 or directly replacing the filter cylinder 109, and the operation is complicated. This embodiment can realize direct blowdown and arrange the sediment, when normal filtration operation, control valve on the sediment discharge opening 104 is closed, the drainage is normally discharged through delivery port 105, foreign matter impurity accumulation is in straining a 109 surface and sewage pipes 114, when the sediment is arranged to needs, with delivery port 105 last valve closed, open the control valve on the sediment discharge opening 104, still can directly utilize water inlet 102 to intake and wash straining a 109 and remaining impurity this moment, and directly discharge through sediment discharge opening 104, realize cleaning under the condition of not dismantling straining a 109, can effectively improve production efficiency, reduce intensity of labour, and it is very convenient to operate.
It should be noted that, in order to further enhance the effects of discharging and deslagging, as shown in fig. 3, at least one set of nozzles 130 is disposed in the sewage channel 114 along the height direction, each set of nozzles 130 includes a plurality of nozzles 130 disposed around the inner side of the main cylinder 101 at intervals, and a switch valve is disposed on a main water inlet pipe of the nozzles 130, so as to control the on/off of the nozzles 130. The plurality of spray nozzles 130 are arranged around the outer side of the filter cartridge 109 to assist in spraying and deslagging, so that the washing effect of the filter cartridge 109 is enhanced, and foreign substances are prevented from being accumulated and adhered. The spray rinsing water source of the spray head 130 may be separately connected to a spray water source, or may share a water source with the water inlet 102, and more specifically, the plurality of spray heads 130 are disposed inside the main barrel 101 through respective branch pipes, a main water inlet pipe of the plurality of spray heads 130 is disposed outside the main barrel 101, and the main water inlet pipe is provided with a switch valve, which is connected in parallel with the switch valve on the water inlet 102.
In this embodiment, the water inlet 102 and the water outlet 105 are both arranged obliquely, and the water inlet 102 and the water outlet 105 extend obliquely towards different side directions of the main cylinder 101, as shown in the orientation of fig. 1, the water flow direction is basically kept in the same flow direction, and the slag discharge port 104 and the water outlet 105 are located on the same side of the main cylinder 101 and extend.
Example 2
The basic structure of the pipe purifier with double washing and filtering functions of this embodiment is the same as that of embodiment 1, further, in this embodiment, the spray head 130 is also disposed at the top of the filter cartridge 109, the spray head 130 is disposed in the filtering channel 113, and the spray head 130 extends obliquely toward the direction close to the inner wall of the filter cartridge 109, that is, the spray head 130 extends obliquely downward from the center of the top of the filter cartridge 109 to the edge, a plurality of spray heads can be disposed in circumferential direction and surround the inner circumference of the filter cartridge 109, the spray head 130 in the filtering channel 113 is separately connected to a clean spray water source and does not share the water source with the water inlet 102, and the clean spray water is directly used for reverse washing from the inside of the filter cartridge 109, which is helpful for further removing impurities attached to the outer side, enhancing the slag discharge washing effect, and the spray heads 130 on the inner and outer sides of the filter cartridge 109 are matched to enhance the washing effect together.
Further, in the embodiment, a plurality of sets of spray heads 130 are spaced apart in the height direction in the trapway 114, and the spray direction of two adjacent sets of spray heads 130 is different. If the spraying directions of the two adjacent groups of spray heads 130 are relatively close to each other, the water flow scouring effect is enhanced, and the slag discharge force is guaranteed; or the three groups of nozzles 130 may extend horizontally in the middle group, and the upper and lower groups are relatively close to each other, so as to enhance the region washing effect, and the like, and may be adjusted according to the actual environmental requirements, and the like, which is not described herein.
Example 3
The basic structure of the double-flushing filtering pipeline purifier of the present embodiment is the same as that of the above embodiment, further, in the present embodiment, the bottom of the main cylinder 101 is provided with the slag discharging cylinder 103, the inner diameter of the slag discharging cylinder 103 is larger than that of the main cylinder 101, a slag collecting channel 115 is formed between the slag discharging cylinder 103 and the filter cartridge 109, the slag collecting channel 115 is communicated with the sewage discharging channel 114, and the slag discharging port 104 is arranged at one side of the bottom of the slag discharging cylinder 103; the filter cylinder 109 extends to the bottom of the slag discharging cylinder 103 and is communicated with the water outlet 105, namely, the bottom of the slag discharging cylinder 103 and the filter cylinder 109 are kept closed, and the filter cylinder 109 is still communicated with the water outlet 105. Through setting up the sediment section of thick bamboo 103 of arranging of broad, the sedimentation accumulation of the impurity of being convenient for discharges fast after the impurity washes of being more convenient for when arranging the sediment, prevents to influence the filter effect.
Example 4
The basic structure of the double-flushing filtering pipe purifier of this embodiment is the same as that of the above embodiment, and further, in this embodiment, the top of the main cylinder 101 is sealed by the sealing flange 108, as shown in fig. 4, a second sealing ring 111 is disposed between the top of the main cylinder 101 and the sealing flange 108, a first sealing ring 110 is disposed between the top of the filter cartridge 109 and the inner wall of the main cylinder 101, and the first sealing ring 110 is located below the second sealing ring 111. That is, the height of the top of the filter cartridge 109 is slightly lower than that of the main cylinder 101, and the first sealing ring 110 and the second sealing ring 111 form a stepped seal, so that the sealing effect is enhanced. A plurality of groups of positioning pieces 112 are arranged on the sealing flange 108 at intervals, the positioning pieces 112 penetrate through the sealing flange 108 and are clamped on the inner wall of the top of the filter cylinder 109 downwards, and the plurality of groups of positioning pieces 112 are supported on the inner side of the top of the filter cylinder 109 and are used for fixing the mounting position of the filter cylinder 109 and preventing the position from being changed; similarly, the bottom of the filter cartridge 109 is also provided with a plurality of groups of positioning pieces 112 at the inner wall position for positioning, so that the stability of the installation position is fully guaranteed.
Example 5
The basic structure of the pipeline purifier with double flushing and filtering functions of the present embodiment is the same as that of the above embodiments, and further, the width of the channel of the sewage channel 114 in the present embodiment is gradually reduced from top to bottom to increase the inflow velocity through the reducing form, thereby facilitating the implementation of accelerated flushing during slag discharge and improving the slag discharge purification effect. Specifically, the sizes of the main cylinder 101 and the filter cartridge 109 can be adjusted adaptively, for example, the inner diameter of the main cylinder 101 gradually decreases from top to bottom or the outer diameter of the filter cartridge 109 gradually increases from top to bottom or both, so as to reduce the channel width of the trapway 114, increase the flushing flow rate, and enhance the flushing and deslagging effects.
The present invention and its embodiments have been described above schematically, and the description is not limited thereto, and what is shown in the drawings is only one of the embodiments of the present invention, and the actual structure is not limited thereto. Therefore, if the person skilled in the art receives the teaching of the present invention, without departing from the inventive spirit of the present invention, the person skilled in the art should also design the similar structural modes and embodiments without creativity to the technical solution, and all shall fall within the protection scope of the present invention.

Claims (8)

1. The utility model provides a double flush filterable pipeline purifier which characterized in that: the filter comprises a filter cylinder (109) and a main cylinder body (101) sleeved outside the filter cylinder (109), wherein the top of the main cylinder body (101) and the top of the filter cylinder (109) are sealed, a sewage discharge channel (114) is formed between the main cylinder body (101) and the filter cylinder (109), a filtering channel (113) is arranged inside the filter cylinder (109), at least one group of spray heads (130) are arranged in the sewage discharge channel (114) along the height direction, each group of spray heads (130) comprises a plurality of spray heads (130) arranged on the inner side of the main cylinder body (101) in a surrounding mode at intervals, and a switch valve is arranged on a main water inlet pipe of each spray head (130); a water inlet (102) is formed in the side edge of the main cylinder body (101), a water outlet (105) is formed in the bottom of the main cylinder body (101), the water outlet (105) is communicated with the filtering channel (113) and is sealed with the sewage discharge channel (114), a slag discharge port (104) communicated with the sewage discharge channel (114) is formed in the side edge of the bottom of the main cylinder body (101), and a control valve is installed on the slag discharge port (104).
2. A double flush filtered pipe purifier as claimed in claim 1, wherein: the plurality of spray heads (130) are arranged on the inner side of the main barrel body (101) through branch pipelines, a main water inlet pipe of the plurality of spray heads (130) is arranged outside the main barrel body (101), a switch valve is arranged on the main water inlet pipe, and the switch valve is connected with the switch valve on the water inlet (102) in parallel.
3. A double flush filtered pipe purifier as claimed in claim 1, wherein: the top of the filter cylinder (109) is also provided with a spray head (130), the spray head (130) is positioned in the filtering channel (113), and the spray head (130) extends obliquely towards the direction close to the inner wall of the filter cylinder (109).
4. A double flush filtered pipe purifier as claimed in claim 1, wherein: a plurality of groups of spray heads (130) are arranged in the sewage draining channel (114) at intervals along the height direction, and the spraying directions of two adjacent groups of spray heads (130) are different.
5. A double flush filtered pipeline purifier as claimed in any one of claims 1 to 4, wherein: a slag discharging barrel (103) is arranged at the bottom of the main barrel body (101), the inner diameter of the slag discharging barrel (103) is larger than that of the main barrel body (101), a slag collecting channel (115) is formed between the slag discharging barrel (103) and the filter barrel (109), the slag collecting channel (115) is communicated with a sewage discharge channel (114), and a slag discharging port (104) is arranged on one side of the bottom of the slag discharging barrel (103); the filter cylinder (109) extends to the bottom of the slag discharge cylinder (103) and is communicated with the water outlet (105).
6. A double flush filtered pipe purifier as claimed in claim 5, wherein: the top of the main cylinder body (101) is sealed through a sealing flange (108), a second sealing ring (111) is arranged between the top of the main cylinder body (101) and the sealing flange (108), a first sealing ring (110) is arranged between the top of the filter cylinder (109) and the inner wall of the main cylinder body (101), and the first sealing ring (110) is located below the second sealing ring (111).
7. A double flush filtered pipe purifier as claimed in claim 6, wherein: a plurality of groups of positioning pieces (112) are arranged on the sealing flange (108) at intervals, and the positioning pieces (112) penetrate through the sealing flange (108) and are downwards clamped on the inner wall of the top of the filter cartridge (109).
8. A double flush filtered pipe purifier as claimed in claim 7, wherein: the bottom of the filter cylinder (109) is also provided with a plurality of groups of positioning sheets (112) at the inner wall position.
CN202023023864.5U 2020-12-15 2020-12-15 A double-flushing filter pipe purifier Active CN214597650U (en)

Priority Applications (1)

Application Number Priority Date Filing Date Title
CN202023023864.5U CN214597650U (en) 2020-12-15 2020-12-15 A double-flushing filter pipe purifier

Applications Claiming Priority (1)

Application Number Priority Date Filing Date Title
CN202023023864.5U CN214597650U (en) 2020-12-15 2020-12-15 A double-flushing filter pipe purifier

Publications (1)

Publication Number Publication Date
CN214597650U true CN214597650U (en) 2021-11-05

Family

ID=78429519

Family Applications (1)

Application Number Title Priority Date Filing Date
CN202023023864.5U Active CN214597650U (en) 2020-12-15 2020-12-15 A double-flushing filter pipe purifier

Country Status (1)

Country Link
CN (1) CN214597650U (en)

Cited By (2)

* Cited by examiner, † Cited by third party
Publication number Priority date Publication date Assignee Title
CN114470999A (en) * 2021-12-29 2022-05-13 国家能源集团煤焦化有限责任公司 Gas filter
CN117046182A (en) * 2023-07-21 2023-11-14 云南交投生态环境工程有限公司 Filter capable of back flushing and rainwater circulating and filtering system

Cited By (2)

* Cited by examiner, † Cited by third party
Publication number Priority date Publication date Assignee Title
CN114470999A (en) * 2021-12-29 2022-05-13 国家能源集团煤焦化有限责任公司 Gas filter
CN117046182A (en) * 2023-07-21 2023-11-14 云南交投生态环境工程有限公司 Filter capable of back flushing and rainwater circulating and filtering system

Similar Documents

Publication Publication Date Title
CN206881243U (en) A kind of fore filter
CN211935852U (en) Back flush filter
CN214597650U (en) A double-flushing filter pipe purifier
CN102210951A (en) Prepumping self-cleaning filtering device
CN106693480A (en) Brush type self-washing filter
CN203724855U (en) Filtering machine with dirt collection function
CN112915626A (en) High-pressure steam non-stop online backwashing ballast water treatment device
CN214714818U (en) Large-flow automatic backwashing water filtering device
CN213285837U (en) Full self-cleaning filter
CN220976620U (en) Air-flushing cleaning type domestic sewage purifier
CN218589994U (en) Exhaust treatment device for filtering exhaust particles
CN215745276U (en) Pipeline sand removing mechanism
CN219860704U (en) Full-automatic spray type rotational flow decontamination system
CN208244203U (en) A kind of self-cleaning accurate filter
CN107362598B (en) Self-cleaning filter
CN210814292U (en) Fiber filter element water-gas co-pipe backwashing device
CN210434091U (en) A kind of circulating ammonia water filter device
CN214597648U (en) A decentralized circulating water filter
CN217472875U (en) Rotary drum type micro-filter
CN206168028U (en) From washing wastewater filter equipment
CN111643967A (en) Multi-tube type filter screen cleaning device
CN219897266U (en) Self-cleaning filter with internal spraying function
CN214597649U (en) A pipeline filter with enhanced slag discharge
CN210964481U (en) Automatic wash drum-type dust remover
CN222517872U (en) Water purifier with self-cleaning structure

Legal Events

Date Code Title Description
GR01 Patent grant
GR01 Patent grant
PE01 Entry into force of the registration of the contract for pledge of patent right
PE01 Entry into force of the registration of the contract for pledge of patent right

Denomination of utility model: A dual flushing and filtering pipeline purifier

Granted publication date: 20211105

Pledgee: Agricultural Bank of China Limited Wuhu Jinqiao Branch

Pledgor: ANHUI HIGH GERMAN AGRICULTURAL SCIENCE AND TECHNOLOGY Co.,Ltd.

Registration number: Y2025980004892