CN213645203U - Cotton dust collector - Google Patents
Cotton dust collector Download PDFInfo
- Publication number
- CN213645203U CN213645203U CN202121259332.3U CN202121259332U CN213645203U CN 213645203 U CN213645203 U CN 213645203U CN 202121259332 U CN202121259332 U CN 202121259332U CN 213645203 U CN213645203 U CN 213645203U
- Authority
- CN
- China
- Prior art keywords
- sliding
- collecting box
- filter screen
- cotton dust
- threaded rod
- Prior art date
- Legal status (The legal status is an assumption and is not a legal conclusion. Google has not performed a legal analysis and makes no representation as to the accuracy of the status listed.)
- Expired - Fee Related
Links
- 239000000428 dust Substances 0.000 title claims abstract description 44
- 229920000742 Cotton Polymers 0.000 title claims abstract description 38
- 238000004140 cleaning Methods 0.000 claims abstract description 25
- 230000007246 mechanism Effects 0.000 claims abstract description 12
- 238000010408 sweeping Methods 0.000 claims abstract description 11
- 238000010521 absorption reaction Methods 0.000 abstract description 3
- 230000008676 import Effects 0.000 abstract description 3
- 230000000694 effects Effects 0.000 description 6
- 239000004753 textile Substances 0.000 description 6
- 238000000034 method Methods 0.000 description 4
- 230000008569 process Effects 0.000 description 4
- 238000012423 maintenance Methods 0.000 description 3
- 230000008901 benefit Effects 0.000 description 2
- 230000009471 action Effects 0.000 description 1
- 230000007547 defect Effects 0.000 description 1
- 239000004744 fabric Substances 0.000 description 1
- 239000000463 material Substances 0.000 description 1
- 238000012986 modification Methods 0.000 description 1
- 230000004048 modification Effects 0.000 description 1
- 230000000087 stabilizing effect Effects 0.000 description 1
- 238000006467 substitution reaction Methods 0.000 description 1
Images
Landscapes
- Filtering Of Dispersed Particles In Gases (AREA)
Abstract
The utility model provides a cotton dust collector, including the collecting box, slide rail and gyro wheel, the pipeline is installed on the top of collecting box, the dust absorption import is all installed to the both sides of pipeline bottom, the opposite side of collecting box is provided with the cleaning window, the bottom of cleaning mechanism is provided with the slide rail, be provided with second filter screen and first filter screen between the slide rail, the both sides of second filter screen and first filter screen all constitute swing joint between slider and the slide rail, the fan is installed to the inside bottom of collecting box, the gyro wheel is all installed to four corners of collecting box bottom, one side of gyro wheel all is provided with bearing structure. The utility model discloses a be provided with clean mechanism, during the use device, can open the plate body of collecting box one side, open a window with the collecting box, the back starts servo motor and makes it drive the board of sweeping of below through slide bar and threaded rod and go out the cotton dust on the second filter screen through the window that one side was opened is clean, has effectively improved the clear convenience of second filter screen.
Description
Technical Field
The utility model relates to a cotton fabrics processing technology field, in particular to cotton dust collector.
Background
The cotton textile product is produced and manufactured by a corresponding device after cotton is taken as a main material, and cotton dust generated in some processing steps of cotton textile processing floats in the air to influence the processing environment of the cotton textile product, so that the cotton textile product needs to be subjected to dust removal by a corresponding cotton dust removal device.
However, the existing cotton dust removing device is inconvenient to clean cotton dust on the filter screen when in use and is inconvenient to use, so that the cotton dust removing device is developed to solve the problems.
SUMMERY OF THE UTILITY MODEL
Technical problem to be solved
The utility model aims at providing a cotton dust collector for solve the current cotton dust that is not convenient for on the filter screen and carry out a clear defect.
(II) contents of utility model
In order to solve the technical problem, the utility model provides a following technical scheme: the utility model provides a cotton dust collector, includes collecting box, slide rail and gyro wheel, the pipeline is installed on the top of collecting box, the dust absorption import is all installed to the both sides of pipeline bottom, the opposite side of collecting box is provided with cleaning window, a body is installed to one side of collecting box, the handle is installed to the one end of the body, the inside top of collecting box is provided with clean mechanism, the bottom of clean mechanism is provided with the slide rail, be provided with second filter screen and first filter screen between the slide rail, constitute swing joint between the both sides of second filter screen and first filter screen all through slider and slide rail, the fan is installed to the inside bottom of collecting box, the gyro wheel is all installed to four corners of collecting box bottom, one side of gyro wheel all is provided with bearing structure.
Preferably, servo motor is installed to one side of threaded rod, the lateral wall of threaded rod is provided with the screw thread piece, the both sides of threaded rod all are provided with the slide bar, the lateral wall of slide bar all is provided with the slip ring, the board is swept to the bottom of slip ring and screw thread piece is installed.
Preferably, the inner diameter of the sliding ring is larger than the outer diameter of the sliding rod, and a sliding structure is formed between the sliding ring and the sliding rod.
Preferably, the supporting structure comprises a holding rod, supporting legs, anti-skid blocks and a rotating groove, the rotating groove is installed at the bottom end of the collecting box, the supporting legs are hinged to the inside of the rotating groove, the holding rod is installed on one side of the bottom end of the supporting legs, and the anti-skid blocks are installed on one side of the supporting legs.
Preferably, the supporting legs are provided with four groups, and the supporting legs are symmetrically distributed about the central axis of the collecting box.
Preferably, the inner diameter of the sliding block is larger than the outer diameter of the sliding rail, and a sliding structure is formed between the sliding block and the sliding rail.
(III) advantageous effects
The utility model provides a cotton dust collector, its advantage lies in: by arranging the cleaning mechanism, when the device is used, the cleaning window at one side of the collecting box can be opened, and then the servo motor is started to drive the sweeping plate below through the sliding rod and the threaded rod to clean cotton dust on the second filter screen out through the window opened at one side, so that the second filter screen has a better subsequent dust removal effect;
by arranging the supporting structure, after the device moves to a corresponding position, the anti-skid lugs are rotated to drive the anti-skid lugs below to contact and abut with the ground, and the collecting box is stabilized, so that the device is more stably placed, is not easy to move in the using process, and has a better using effect;
through being provided with slider and slide rail, when needs carry out a thorough cleanness and maintenance to second filter screen and first filter screen, can take off the inside that second filter screen and first filter screen can the collecting box through opening the door body of collecting box one side later through the slip of slider on the slide rail and thoroughly clean for the device is more convenient to the maintenance of second filter screen and first filter screen.
Drawings
In order to more clearly illustrate the embodiments of the present invention or the technical solutions in the prior art, the drawings needed to be used in the description of the embodiments or the prior art will be briefly described below, and it is obvious that the drawings in the following description are some embodiments of the present invention, and for those skilled in the art, other drawings can be obtained according to these drawings without creative efforts.
Fig. 1 is a schematic front view of a cross-sectional structure of the present invention;
FIG. 2 is a schematic side view of the partial cross-sectional structure of the present invention;
fig. 3 is a schematic view of the enlarged structure of a part a in fig. 1 according to the present invention;
fig. 4 is a schematic front view of the first filter screen of the present invention;
fig. 5 is a schematic view of the three-dimensional structure of the sweeping board of the present invention.
In the figure: 1. a dust collection inlet; 2. a pipeline; 3. a cleaning mechanism; 301. a thread block; 302. a servo motor; 303. sweeping the board; 304. a slip ring; 305. a slide bar; 306. a threaded rod; 4. a collection box; 5. a door body; 6. a grip; 7. a first filter screen; 8. a roller; 9. a support structure; 901. a holding rod; 902. supporting legs; 903. an anti-slip bump; 904. a rotating groove; 10. a fan; 11. a slider; 12. a slide rail; 13. a second filter screen; 14. and cleaning the window.
Detailed Description
In order to make the objects, technical solutions and advantages of the embodiments of the present invention clearer, the embodiments of the present invention will be clearly and completely described below with reference to the accompanying drawings in the embodiments of the present invention, and it is obvious that the described embodiments are some, but not all, embodiments of the present invention. Based on the embodiments of the present invention, all other embodiments obtained by a person of ordinary skill in the art without creative efforts belong to the protection scope of the present invention.
In the description of the present invention, it is to be noted that, unless otherwise explicitly specified or limited, the terms "mounted," "connected," and "connected" are to be construed broadly, and may be, for example, fixedly connected, detachably connected, or integrally connected; can be mechanically or electrically connected; they may be connected directly or indirectly through intervening media, or they may be interconnected between two elements. The specific meaning of the above terms in the present invention can be understood in specific cases to those skilled in the art.
Referring to fig. 1-5, the utility model provides a cotton dust removing device, including collecting box 4, slide rail 12 and gyro wheel 8, pipeline 2 is installed on the top of collecting box 4, dust absorption import 1 is all installed to the both sides of pipeline 2 bottom, the opposite side of collecting box 4 is provided with cleaning window 14, door 5 is installed to one side of collecting box 4, handle 6 is installed to one end of door 5, the inside top of collecting box 4 is provided with cleaning mechanism 3, cleaning mechanism 3 includes screw block 301, servo motor 302, sweep board 303, slip ring 304, slide bar 305 and threaded rod 306, threaded rod 306 is installed in the middle position of the inside top of collecting box 4, servo motor 302 is installed to one side of threaded rod 306, the model of this servo motor 302 can be MR-J2S-10A, the input of servo motor 302 passes through wire and control panel's output electric connection, the outer side wall of the threaded rod 306 is provided with a threaded block 301, the two sides of the threaded rod 306 are both provided with a sliding rod 305, the outer side wall of the sliding rod 305 is provided with a sliding ring 304, the bottom ends of the sliding ring 304 and the threaded block 301 are provided with a sweeping plate 303, and the bottom end of the cleaning mechanism 3 is provided with a sliding rail 12;
the inner diameter of the sliding ring 304 is larger than the outer diameter of the sliding rod 305, a sliding structure is formed between the sliding ring 304 and the sliding rod 305, two groups of sliding rods 305 are arranged, the sliding rods 305 are symmetrically distributed about the central axis of the collecting box 4, a guide is provided for the movement of the sweeping plate 303, and the cleaning effect is better;
a second filter screen 13 and a first filter screen 7 are arranged between the slide rails 12, two sides of the second filter screen 13 and two sides of the first filter screen 7 are movably connected with the slide rails 12 through slide blocks 11, a fan 10 is installed at the bottom end inside the collection box 4, the model of the fan 10 can be BFX-100, the input end of the fan 10 is electrically connected with the output end of the control panel through a wire, rollers 8 are installed at four corners of the bottom end of the collection box 4, and a support structure 9 is arranged at one side of each roller 8;
specifically, as shown in fig. 1, 2 and 5, when the structure is used, the cleaning window 14 on the other side of the collecting box 4 is opened, the servo motor 302 is started to drive the threaded rod 306 to rotate, the threaded rod 306 rotates, the threaded block 301 on the outer side wall of the threaded rod 306 also moves from one side to the other side, so that the sweeping plate 303 below is driven to move from one side to the other side to clean cotton dust on the second filter screen 13, the sliding rings 304 on the two sides of the top end of the sweeping plate 303 also move together on the sliding rod 305 when the sweeping plate 303 moves, and then the cleaned cotton dust is discharged through the cleaning window 14 from one side to the other side, so that certain cotton dust is conveniently cleaned when the second filter screen 13 is accumulated, the subsequent dust removal effect is better, the door body 5 does not need to be opened continuously in a short time to clean, and the cotton dust on the second filter screen 13 is conveniently cleaned;
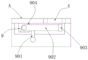
the supporting structure 9 comprises a holding rod 901, supporting legs 902, anti-skidding lugs 903 and a rotating groove 904, the rotating groove 904 is installed at the bottom end of the collecting box 4, the supporting legs 902 are hinged inside the rotating groove 904, the holding rod 901 is installed on one side of the bottom end of the supporting legs 902, and the anti-skidding lugs 903 are installed on one side of the supporting legs 902;
specifically, as shown in fig. 1 and 3, when the structure is used, the holding rod 901 is sequentially held to rotate the supporting leg 902 to rotate to the maximum angle, and when the supporting leg 902 cannot rotate to slightly incline, the anti-slip bump 903 at the bottom end of the supporting leg 902 below is in close contact with the ground, so that the contact area between the device and the ground where the device is placed is increased, the device is stably placed at a corresponding place where the device needs to be used, phenomena such as movement and the like are not easy to occur in the using process, the contact between the device and the ground is more stable due to the use of the anti-slip bump 903, and the placing stabilizing effect of the control device is better;
the inner diameter of the sliding block 11 is larger than the outer diameter of the sliding rail 12, and a sliding structure is formed between the sliding block 11 and the sliding rail 12, so that the second filter screen 13 and the first filter screen 7 can be conveniently moved;
specifically, as shown in fig. 1 and 4, when the device is used and a thorough cleaning and maintenance of the second filter screen 13 and the first filter screen 7 are needed after a period of time, the cleaning window 14 does not need to be opened at this time, the door body 5 on one side of the collection box 4 is opened, then the first filter screen 7 and the second filter screen 13 can be taken out from the inside of the collection box 4 for cleaning through the sliding of the sliding block 11 on the sliding rail 12, and the door body 5 is closed to be used continuously after the cleaning is completed.
The working principle is as follows: when the device is used, the first filter screen 7 and the second filter screen 13 are arranged in the collecting box 4 for dust collection, the mesh diameter of the first filter screen 7 is smaller than that of the second filter screen 13, the device is moved to a processing position of cotton textiles through the roller 8, then the dust suction inlet 1 is aligned to the upper part of the processing position of the cotton textiles and placed well, then the holding rod 901 is sequentially held to rotate the supporting leg 902, the device stops when the supporting leg 902 rotates at the maximum angle and cannot rotate, the anti-skid bump 903 at the bottom end of the supporting leg 902 below the device is enabled to be abutted against the ground, the device is stably placed at a place to be used, and the device is not easy to move in the using process;
secondly, after the device is placed, the fan 10 at the bottom end inside the collecting box 4 can be started to adsorb cotton dust in the air to the dust suction inlet 1 at the top end inside the collecting box 4 through the dust suction inlet 1 and the pipeline 2, then some fine cotton dust passes through the second filter screen 13 under the action of the fan 10 to be adsorbed on the first filter screen 7 with smaller meshes to be collected, the cleaning window 14 at the other side of the collecting box 4 can be opened at intervals in the using process of the device, then the servo motor 302 is started to drive the sliding rod 305 to rotate, so that the thread block 301 on the sliding rod 305 drives the sweeping plate 303 below to sweep the cotton dust collected on the second filter screen 13 under the assistance of the sliding ring 304 and the sliding rod 305, and then the cotton dust is discharged through the cleaning window 14, and the subsequent dust removal effect is ensured;
finally, when the second filter screen 13 and the first filter screen 7 need to be thoroughly cleaned and maintained, the door body 5 on one side of the collecting box 4 is opened, then the second filter screen 13 and one side of the first filter screen 7 are pulled, the second filter screen 13 and the one side of the first filter screen 7 are made to move to one side through the sliding of the sliding blocks 11 on the two sides on the sliding rails 12 until the first filter screen 7 and the second filter screen 13 are taken out of the collecting box 4, the first filter screen 7 and the second filter screen can be cleaned, the door body 5 is closed to be continuously used at the position where the first filter screen is installed back to the original position after the cleaning is completed, and.
In the description of the present invention, it is to be noted that, unless otherwise explicitly specified or limited, the terms "mounted," "connected," and "connected" are to be construed broadly, and may be, for example, fixedly connected, detachably connected, or integrally connected; can be mechanically or electrically connected; they may be connected directly or indirectly through intervening media, or they may be interconnected between two elements. The specific meaning of the above terms in the present invention can be understood in specific cases to those skilled in the art.
The above-described embodiments of the apparatus are merely illustrative, and the units described as separate parts may or may not be physically separate, and parts displayed as units may or may not be physical units, may be located in one place, or may be distributed on a plurality of network units. Some or all of the modules may be selected according to actual needs to achieve the purpose of the solution of the present embodiment. One of ordinary skill in the art can understand and implement it without inventive effort.
Finally, it should be noted that: the above embodiments are only used to illustrate the technical solution of the present invention, and not to limit it; although the present invention has been described in detail with reference to the foregoing embodiments, it should be understood by those skilled in the art that: the technical solutions described in the foregoing embodiments may still be modified, or some technical features may be equivalently replaced; such modifications and substitutions do not depart from the spirit and scope of the present invention in its corresponding aspects.
Claims (6)
1. The utility model provides a cotton dust collector, includes collecting box (4), slide rail (12) and gyro wheel (8), its characterized in that: the dust collection box is characterized in that a pipeline (2) is installed at the top end of the collection box (4), dust collection inlets (1) are installed on two sides of the bottom end of the pipeline (2), a cleaning window (14) is arranged on the other side of the collection box (4), a door body (5) is installed on one side of the collection box (4), a handle (6) is installed at one end of the door body (5), a cleaning mechanism (3) is arranged at the top end of the interior of the collection box (4), the cleaning mechanism (3) comprises a threaded block (301), a servo motor (302), a sweeping plate (303), a sliding ring (304), a sliding rod (305) and a threaded rod (306), the threaded rod (306) is installed at the middle position of the top end of the interior of the collection box (4), a sliding rail (12) is arranged at the bottom end of the cleaning mechanism (3), and a second, both sides of second filter screen (13) and first filter screen (7) all constitute swing joint through between slider (11) and slide rail (12), fan (10) are installed to the inside bottom of collecting box (4), gyro wheel (8) are all installed to four corners of collecting box (4) bottom, one side of gyro wheel (8) all is provided with bearing structure (9).
2. A cotton dust removing device according to claim 1, wherein: servo motor (302) is installed to one side of threaded rod (306), the lateral wall of threaded rod (306) is provided with screw block (301), the both sides of threaded rod (306) all are provided with slide bar (305), the lateral wall of slide bar (305) all is provided with slip ring (304), sweep board (303) are installed to the bottom of slip ring (304) and screw block (301).
3. A cotton dust removing device according to claim 2, wherein: the inner diameter of the sliding ring (304) is larger than the outer diameter of the sliding rod (305), and a sliding structure is formed between the sliding ring (304) and the sliding rod (305).
4. A cotton dust removing device according to claim 2, wherein: the sliding rods (305) are arranged in two groups, and the sliding rods (305) are symmetrically distributed about the central axis of the collecting box (4).
5. A cotton dust removing device according to claim 1, wherein: the supporting structure (9) comprises a holding rod (901), supporting legs (902), anti-skidding lugs (903) and a rotating groove (904), the rotating groove (904) is installed at the bottom end of the collecting box (4), the supporting legs (902) are hinged inside the rotating groove (904), the holding rod (901) is installed on one side of the bottom end of the supporting legs (902), and the anti-skidding lugs (903) are installed on one side of the supporting legs (902).
6. A cotton dust removing device according to claim 1, wherein: the inner diameter of the sliding block (11) is larger than the outer diameter of the sliding rail (12), and a sliding structure is formed between the sliding block (11) and the sliding rail (12).
Priority Applications (1)
| Application Number | Priority Date | Filing Date | Title |
|---|---|---|---|
| CN202121259332.3U CN213645203U (en) | 2021-06-07 | 2021-06-07 | Cotton dust collector |
Applications Claiming Priority (1)
| Application Number | Priority Date | Filing Date | Title |
|---|---|---|---|
| CN202121259332.3U CN213645203U (en) | 2021-06-07 | 2021-06-07 | Cotton dust collector |
Publications (1)
| Publication Number | Publication Date |
|---|---|
| CN213645203U true CN213645203U (en) | 2021-07-09 |
Family
ID=76691227
Family Applications (1)
| Application Number | Title | Priority Date | Filing Date |
|---|---|---|---|
| CN202121259332.3U Expired - Fee Related CN213645203U (en) | 2021-06-07 | 2021-06-07 | Cotton dust collector |
Country Status (1)
| Country | Link |
|---|---|
| CN (1) | CN213645203U (en) |
Cited By (1)
| Publication number | Priority date | Publication date | Assignee | Title |
|---|---|---|---|---|
| CN114505296A (en) * | 2022-03-02 | 2022-05-17 | 德阳市口腔医院 | Dust removing device for medical equipment |
-
2021
- 2021-06-07 CN CN202121259332.3U patent/CN213645203U/en not_active Expired - Fee Related
Cited By (2)
| Publication number | Priority date | Publication date | Assignee | Title |
|---|---|---|---|---|
| CN114505296A (en) * | 2022-03-02 | 2022-05-17 | 德阳市口腔医院 | Dust removing device for medical equipment |
| CN114505296B (en) * | 2022-03-02 | 2022-12-09 | 德阳市口腔医院 | Dust removal device for medical equipment |
Similar Documents
| Publication | Publication Date | Title |
|---|---|---|
| CN213645203U (en) | Cotton dust collector | |
| CN215377995U (en) | Switch board with dustproof construction | |
| CN215031878U (en) | Dust collecting equipment is used in production of cell-phone apron | |
| CN219723827U (en) | Cleaning equipment | |
| CN210754060U (en) | Electric automatization belt cleaning device | |
| CN221602602U (en) | Textile cleaning machine | |
| CN209424265U (en) | A dust-proof device for textile equipment | |
| CN107309190A (en) | A kind of biological particles processing equipment of the high-efficiency environment friendly of new energy field | |
| CN216395635U (en) | Weaving machine weaving dirt collection device | |
| CN211635284U (en) | Convenient abluent evaporation crystallization equipment | |
| CN213836015U (en) | Dust removal mechanism for chemical fiber spinning | |
| CN212790150U (en) | Workshop dust shaker with automatically cleaning | |
| CN210907021U (en) | Clamping and dust removal equipment for cable processing | |
| CN210905561U (en) | VOC waste gas pretreatment equipment | |
| CN115488024A (en) | A raw material cleaning device for beet brown sugar production | |
| CN221480661U (en) | Road surface sweeper for road construction | |
| CN113403827A (en) | Weaving is with weaving cloth conveyer | |
| CN219992012U (en) | Cloth dust absorption platform with tensioning texture | |
| CN207076738U (en) | Pipeline cleaning robot filtering dust collecting mechanism | |
| CN216574317U (en) | Growth hormone irradiation sterilization test device | |
| CN221523123U (en) | Leather base cloth fluff clearing device for production and processing | |
| CN220896915U (en) | Circuit board production dust collector | |
| CN108464779A (en) | One kind, which is swept, drags integrated office automatic rinser | |
| CN222100397U (en) | A cleaning device for non-woven fabric raising equipment | |
| CN216836517U (en) | A dust collector for mixed yarn is carried |
Legal Events
| Date | Code | Title | Description |
|---|---|---|---|
| GR01 | Patent grant | ||
| GR01 | Patent grant | ||
| CF01 | Termination of patent right due to non-payment of annual fee | ||
| CF01 | Termination of patent right due to non-payment of annual fee |
Granted publication date: 20210709 |