CN213623429U - High-density catalytic oxidation tower of high-efficient oxidation - Google Patents
High-density catalytic oxidation tower of high-efficient oxidation Download PDFInfo
- Publication number
- CN213623429U CN213623429U CN202022387249.6U CN202022387249U CN213623429U CN 213623429 U CN213623429 U CN 213623429U CN 202022387249 U CN202022387249 U CN 202022387249U CN 213623429 U CN213623429 U CN 213623429U
- Authority
- CN
- China
- Prior art keywords
- oxidation
- fluidized bed
- inlet pipe
- reaction tank
- bed reaction
- Prior art date
- Legal status (The legal status is an assumption and is not a legal conclusion. Google has not performed a legal analysis and makes no representation as to the accuracy of the status listed.)
- Active
Links
- 238000007254 oxidation reaction Methods 0.000 title claims abstract description 83
- 230000003647 oxidation Effects 0.000 title claims abstract description 80
- 230000003197 catalytic effect Effects 0.000 title claims abstract description 39
- MHAJPDPJQMAIIY-UHFFFAOYSA-N Hydrogen peroxide Chemical compound OO MHAJPDPJQMAIIY-UHFFFAOYSA-N 0.000 claims abstract description 33
- 239000002351 wastewater Substances 0.000 claims abstract description 26
- 238000006243 chemical reaction Methods 0.000 claims abstract description 23
- XLYOFNOQVPJJNP-UHFFFAOYSA-N water Substances O XLYOFNOQVPJJNP-UHFFFAOYSA-N 0.000 claims abstract description 21
- 229910000859 α-Fe Inorganic materials 0.000 claims abstract description 11
- 239000003054 catalyst Substances 0.000 claims abstract description 10
- 229910002588 FeOOH Inorganic materials 0.000 claims abstract description 9
- 239000013078 crystal Substances 0.000 claims abstract description 5
- 238000000034 method Methods 0.000 abstract description 11
- 238000005516 engineering process Methods 0.000 abstract description 10
- 239000010802 sludge Substances 0.000 abstract description 6
- BAUYGSIQEAFULO-UHFFFAOYSA-L iron(2+) sulfate (anhydrous) Chemical compound [Fe+2].[O-]S([O-])(=O)=O BAUYGSIQEAFULO-UHFFFAOYSA-L 0.000 abstract description 5
- 239000003344 environmental pollutant Substances 0.000 abstract description 4
- 231100000719 pollutant Toxicity 0.000 abstract description 4
- 239000000126 substance Substances 0.000 abstract description 4
- 230000000694 effects Effects 0.000 abstract description 3
- VTLYFUHAOXGGBS-UHFFFAOYSA-N Fe3+ Chemical compound [Fe+3] VTLYFUHAOXGGBS-UHFFFAOYSA-N 0.000 abstract description 2
- 238000002425 crystallisation Methods 0.000 abstract description 2
- 230000008025 crystallization Effects 0.000 abstract description 2
- 230000005684 electric field Effects 0.000 abstract description 2
- 230000007613 environmental effect Effects 0.000 abstract description 2
- JEIPFZHSYJVQDO-UHFFFAOYSA-N iron(III) oxide Inorganic materials O=[Fe]O[Fe]=O JEIPFZHSYJVQDO-UHFFFAOYSA-N 0.000 abstract description 2
- CBENFWSGALASAD-UHFFFAOYSA-N Ozone Chemical compound [O-][O+]=O CBENFWSGALASAD-UHFFFAOYSA-N 0.000 description 14
- 230000001699 photocatalysis Effects 0.000 description 7
- XEEYBQQBJWHFJM-UHFFFAOYSA-N Iron Chemical compound [Fe] XEEYBQQBJWHFJM-UHFFFAOYSA-N 0.000 description 6
- 229910052742 iron Inorganic materials 0.000 description 4
- 238000004065 wastewater treatment Methods 0.000 description 4
- 230000015556 catabolic process Effects 0.000 description 3
- 238000006731 degradation reaction Methods 0.000 description 3
- 229920006395 saturated elastomer Polymers 0.000 description 3
- QVGXLLKOCUKJST-UHFFFAOYSA-N atomic oxygen Chemical compound [O] QVGXLLKOCUKJST-UHFFFAOYSA-N 0.000 description 2
- -1 iron ion Chemical class 0.000 description 2
- 239000007800 oxidant agent Substances 0.000 description 2
- 230000001590 oxidative effect Effects 0.000 description 2
- 239000001301 oxygen Substances 0.000 description 2
- 229910052760 oxygen Inorganic materials 0.000 description 2
- 238000012856 packing Methods 0.000 description 2
- 238000000926 separation method Methods 0.000 description 2
- 238000005273 aeration Methods 0.000 description 1
- 239000003795 chemical substances by application Substances 0.000 description 1
- 230000007547 defect Effects 0.000 description 1
- 238000010586 diagram Methods 0.000 description 1
- 229910003460 diamond Inorganic materials 0.000 description 1
- 239000010432 diamond Substances 0.000 description 1
- 238000002848 electrochemical method Methods 0.000 description 1
- 238000009434 installation Methods 0.000 description 1
- 238000004519 manufacturing process Methods 0.000 description 1
- 239000000463 material Substances 0.000 description 1
- 238000000053 physical method Methods 0.000 description 1
- 238000007086 side reaction Methods 0.000 description 1
- 239000002910 solid waste Substances 0.000 description 1
Images
Landscapes
- Treatment Of Water By Oxidation Or Reduction (AREA)
Abstract
The utility model relates to the environmental protection field, in particular to a high-density catalytic oxidation tower with high-efficiency oxidation; comprises a wastewater inlet pipe, a wastewater outlet pipe, a hydrogen peroxide inlet pipe, a ferrite inlet pipe, a water flow distributor and a fluidized bed reaction tank; the utility model discloses a high density catalytic oxidation technology has combined the advantage of traditional fenton and fluidized bed, improves to the too many shortcoming of traditional fenton method sludge output, utilizes electric field and crystallization technique to promote the treatment effect and reduce chemical sludge output, makes application scope very increase. Ferric iron generated by Fenton oxidation generates FeOOH crystals on the surface of a support in a fluidized bed reaction tank, the FeOOH can also be used as a catalyst of hydrogen peroxide to continuously catalyze the oxidation reaction of pollutants, and the FeOOH exists, so that the dosage of the ferrous salt catalyst can be greatly reduced, the operation cost and the sludge generation amount are further reduced, and the method is the chemical oxidation technology with the lowest operation cost aiming at the biologically difficultly decomposed organic wastewater at present.
Description
Technical Field
The utility model belongs to the technical field of the environmental protection and specifically relates to a high density catalytic oxidation tower of high-efficient oxidation.
Background
In recent years, advanced oxidation technologies have been receiving attention due to their strong oxidation ability and no secondary pollution, and various advanced oxidation technologies have been developed.
CN101555082A relates to a waste water treatment method and a device which combines electrochemical degradation and photocatalytic oxidation technologies by taking a diamond film electrode as an anode. The combined device consists of a flow type electrolytic tank and a photocatalytic reactor, pollutants firstly undergo electrocatalytic oxidation reaction at the anode of the flow type electrolytic tank, and electrolyzed water enters the photocatalytic reactor for further degradation. By combining the two processes, the current efficiency reduction caused by the oxygen evolution side reaction of the electrochemical part can be improved, and because the oxygen evolved by the electrochemical part is a good capture agent for photo-generated electrons of the photocatalytic part, the separation efficiency of the photo-generated electrons and holes can be improved, and the catalytic degradation capability of the photocatalytic part can be improved. Meanwhile, the on-off of each part of the combined device can be controlled, and a proper operation mode can be selected according to the difference of the types and the concentrations of pollutants in the wastewater, such as a single electrochemical method, a single photocatalytic method, a combined electrochemical and photocatalytic method and the like.
CN207031061U discloses an ozone catalytic oxidation tank, which belongs to the technical field of water treatment and comprises at least two stages of ozone catalytic oxidation tanks, wherein the ozone oxidation tanks are sequentially communicated behind each stage of ozone catalytic oxidation tank, and the ozone catalytic oxidation tanks are communicated with the bottom of the ozone oxidation tanks; the top of the ozone catalytic oxidation tank is provided with a water distribution pipe assembly, the middle of the ozone catalytic oxidation tank is provided with a catalyst layer, and the lower part of the ozone catalytic oxidation tank is provided with an aeration layer; the water distribution pipe assembly of the first stage of the ozone catalytic oxidation tank is communicated with the external wastewater, and the water inlet pipe of the water distribution pipe assembly of the next stage of the ozone catalytic oxidation tank extends into the top of the ozone oxidation tank communicated with the previous stage of the ozone catalytic oxidation tank. The utility model has the advantages of easy transportation and installation, high ozone utilization rate, capability of improving the wastewater treatment effect and the like.
CN209522632U discloses a low-temperature catalytic oxidation apparatus for organic wastewater treatment, which comprises a low-temperature catalytic oxidation tower body, wherein the top of the low-temperature catalytic oxidation tower body is provided with an oxidant inlet and a wastewater inlet, and the bottom of the low-temperature catalytic oxidation tower body is provided with a water outlet; the inside middle part of low temperature catalytic oxidation tower body is provided with the catalyst packing layer, and the outside parcel of low temperature catalytic oxidation tower body has the jacket layer, has seted up the saturated steam entry on the jacket layer of low temperature catalytic oxidation tower body one side, and the saturated steam entry is located the upside of catalyst packing layer, has seted up the saturated steam export on the jacket layer of low temperature catalytic oxidation tower body bottom. The low-temperature catalytic oxidation equipment designed by the scheme is used for treating organic wastewater, adopts a low-temperature catalytic oxidation separation technology, combines the characteristics of high organic wastewater, utilizes the removal characteristics of a catalyst, an oxidant and low-temperature steam, adopts a pure physical method to treat the high organic wastewater, and is a new technology for wastewater treatment.
At present, the Fenton oxidation technology is mainly used, but the traditional Fenton method has some defects, such as large iron mud production amount, serious iron ion loss and low iron ion utilization efficiency; the Fenton iron mud produced by the Fenton process belongs to dangerous solid waste, the subsequent treatment cost is high, and enterprises are difficult to bear.
Disclosure of Invention
In order to solve the problem, the utility model provides a high-density catalytic oxidation tower of high-efficient oxidation.
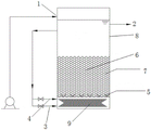
A high-density catalytic oxidation tower with high-efficiency oxidation comprises a wastewater inlet pipe (1), a wastewater outlet pipe (2), a hydrogen peroxide inlet pipe (3), a ferrite inlet pipe (4), a water flow distributor (5), a fluidized bed reaction tank (6) and a vortex mixer (9), wherein the wastewater inlet pipe (1) is arranged on the upper part of the oxidation tower, the hydrogen peroxide inlet pipe (3), the ferrite inlet pipe (4), the vortex mixer (9) and the water flow distributor (5) are arranged below the fluidized bed reaction tank (6), the vortex mixer (9) is arranged below the water flow distributor (5), and a supporter (7) is arranged in the fluidized bed reaction tank (6); the water flow distributor (5) is used as a support body of the fluidized bed reaction tank (6) and the supporter (7) at the same time; the fluidized bed reaction tank (6) is positioned at the lower part of the oxidation tower; the supporter (7) is arranged in the fluidized bed reaction tank (6); the waste water outlet pipe (2) is arranged above the oxidation tower.
The hydrogen peroxide and ferrous salt materials are uniformly distributed through a water flow distributor after passing through a vortex mixer, and flow through a supporter in a fluidized bed reaction tank after being mixed;
the surface of the supporter (7) can form a catalyst FeOOH crystal which is catalyzed and oxidized by hydrogen peroxide;
compared with a Fenton oxidation tower, the high-density catalytic oxidation tower with high-efficiency oxidation can reduce the addition of ferrous salt.
The hydrogen peroxide inlet pipe and the ferrite inlet pipe are provided with flow control valves.
And part of the treated wastewater at the upper part of the oxidation tower returns to the bottom of the tower for further oxidation treatment.
The utility model discloses a high-density catalytic oxidation tower of high-efficient oxidation, the utility model discloses a high-density catalytic oxidation technology has combined the advantage of traditional fenton and fluidized bed, improves to the too many shortcoming of traditional fenton method sludge output, utilizes electric field and crystallization technique to promote treatment effect and reduce chemical sludge output, makes application scope very increase. Ferric iron generated by Fenton oxidation generates FeOOH crystals on the surface of a support in a fluidized bed reaction tank, the FeOOH can also be used as a catalyst of hydrogen peroxide to continuously catalyze the oxidation reaction of pollutants, and the FeOOH exists, so that the dosage of the ferrous salt catalyst can be greatly reduced, the operation cost and the sludge generation amount are further reduced, and the method is the chemical technology with the lowest operation cost aiming at the biologically difficultly decomposed organic wastewater at present.
Drawings
FIG. 1 is a schematic structural diagram of a high-density catalytic oxidation tower for high-efficiency oxidation according to the present invention;
in the figure: the device comprises a wastewater inlet pipe 1, a wastewater outlet pipe 2, a hydrogen peroxide inlet pipe 3, a ferrite inlet pipe 4, a water flow distributor 5, a fluidized bed reaction tank 6, a supporter 7, an oxidation tower main body 8 and a vortex mixer 9.
Detailed Description
The utility model is further explained by the following concrete examples:
example 1
A high-density catalytic oxidation tower with high-efficiency oxidation comprises a wastewater inlet pipe (1), a wastewater outlet pipe (2), a hydrogen peroxide inlet pipe (3), a ferrite inlet pipe (4), a water flow distributor (5), a fluidized bed reaction tank (6) and a vortex mixer (9), wherein the wastewater inlet pipe (1) is arranged on the upper part of the oxidation tower, the hydrogen peroxide inlet pipe (3), the ferrite inlet pipe (4), the vortex mixer (9) and the water flow distributor (5) are arranged below the fluidized bed reaction tank (6), the vortex mixer (9) is arranged below the water flow distributor (5), and a supporter (7) is arranged in the fluidized bed reaction tank (6); the water flow distributor (5) is used as a support body of the fluidized bed reaction tank (6) and the supporter (7) at the same time; the fluidized bed reaction tank (6) is positioned at the lower part of the oxidation tower; the supporter (7) is arranged in the fluidized bed reaction tank (6); the waste water outlet pipe (2) is arranged above the oxidation tower. The surface of the supporter (7) can form FeOOH crystals which can catalyze the catalytic oxidation of hydrogen peroxide.
Compared with a Fenton oxidation tower, the high-density catalytic oxidation tower with high-efficiency oxidation can reduce the addition of ferrous salt.
The hydrogen peroxide inlet pipe (3) and the ferrite inlet pipe (4) are provided with flow control valves.
And part of the treated wastewater at the upper part of the oxidation tower returns to the bottom of the tower for further oxidation treatment.
The above-mentioned, only be the concrete implementation of the preferred embodiment of the present invention, but the protection scope of the present invention is not limited thereto, and any person skilled in the art is in the technical scope of the present invention, according to the technical solution of the present invention and the utility model, the concept of which is equivalent to replace or change, should be covered within the protection scope of the present invention.
Claims (4)
1. The utility model provides a high density catalytic oxidation tower of high-efficient oxidation, includes waste water inlet tube (1), waste water outlet pipe (2), hydrogen peroxide solution inlet tube (3), ferrite inlet tube (4), rivers distributor (5), fluidized bed reaction tank (6) and vortex mixer (9), its characterized in that: the wastewater inlet pipe (1) is arranged at the upper part of the oxidation tower, the hydrogen peroxide inlet pipe (3) and the ferrite inlet pipe (4) are arranged below the fluidized bed reaction tank (6), the vortex mixer (9) is arranged below the water flow distributor (5), and the fluidized bed reaction tank (6) is internally arranged above the supporter (7); the water flow distributor (5) is used as a support body of the fluidized bed reaction tank (6) and the supporter (7) at the same time; the fluidized bed reaction tank (6) is positioned at the lower part of the oxidation tower; the supporter (7) is arranged in the fluidized bed reaction tank (6); the waste water outlet pipe (2) is arranged above the oxidation tower.
2. The high-density catalytic oxidation tower for high-efficiency oxidation according to claim 1, wherein: the surface of the supporter (7) can form a catalyst FeOOH crystal which is catalyzed and oxidized by hydrogen peroxide.
3. The high-density catalytic oxidation tower for high-efficiency oxidation according to claim 1, wherein: the hydrogen peroxide inlet pipe (3) is provided with a flow control valve.
4. The high-density catalytic oxidation tower for high-efficiency oxidation according to claim 1, wherein: the ferrite water inlet pipe (4) is provided with a flow control valve.
Priority Applications (1)
| Application Number | Priority Date | Filing Date | Title |
|---|---|---|---|
| CN202022387249.6U CN213623429U (en) | 2020-10-24 | 2020-10-24 | High-density catalytic oxidation tower of high-efficient oxidation |
Applications Claiming Priority (1)
| Application Number | Priority Date | Filing Date | Title |
|---|---|---|---|
| CN202022387249.6U CN213623429U (en) | 2020-10-24 | 2020-10-24 | High-density catalytic oxidation tower of high-efficient oxidation |
Publications (1)
| Publication Number | Publication Date |
|---|---|
| CN213623429U true CN213623429U (en) | 2021-07-06 |
Family
ID=76622884
Family Applications (1)
| Application Number | Title | Priority Date | Filing Date |
|---|---|---|---|
| CN202022387249.6U Active CN213623429U (en) | 2020-10-24 | 2020-10-24 | High-density catalytic oxidation tower of high-efficient oxidation |
Country Status (1)
| Country | Link |
|---|---|
| CN (1) | CN213623429U (en) |
Cited By (1)
| Publication number | Priority date | Publication date | Assignee | Title |
|---|---|---|---|---|
| CN116534979A (en) * | 2023-06-05 | 2023-08-04 | 上海宏微环境科技有限公司 | Continuous multistage Fenton oxidation treatment device |
-
2020
- 2020-10-24 CN CN202022387249.6U patent/CN213623429U/en active Active
Cited By (1)
| Publication number | Priority date | Publication date | Assignee | Title |
|---|---|---|---|---|
| CN116534979A (en) * | 2023-06-05 | 2023-08-04 | 上海宏微环境科技有限公司 | Continuous multistage Fenton oxidation treatment device |
Similar Documents
| Publication | Publication Date | Title |
|---|---|---|
| US12103869B2 (en) | Biofilm electrochemical reactor for simultaneously removing nitrate nitrogen and trace organic matters in water | |
| CN110845057A (en) | Electrochemical coupling ozone micro-nano bubble treatment system and wastewater treatment method | |
| CN108128899A (en) | A kind of EGSB-MFC coupled systems and its biodegrading process for being used to handle coking wastewater difficult to degrade | |
| CN109368746B (en) | Pretreatment system and method of pretreatment device for high-COD (chemical oxygen demand) and difficult-biochemical wastewater | |
| CN105198131A (en) | Method for treating waste water through double catalytic oxidation process and device for achieving method | |
| CN107500399B (en) | A kind of three-dimensional electric biology sewage treatment equipment of three-dimensional electrochemical coupling | |
| CN105859024A (en) | Ag3PO4 Photocatalytic Coupled Constructed Wetland Microbial Battery System and Its Application | |
| CN110104874A (en) | A kind of continuous flow wetland type microbiological fuel cell reactor sewage-treatment plant | |
| CN105481208A (en) | Efficient sewage treatment process and device based on electron current directional adjustment and control | |
| CN102633322A (en) | Semi-coke waste water pretreatment method based on Electro-Fenton oxidization technology | |
| CN116253475B (en) | An electro-Fenton sewage treatment system and its application | |
| CN108675436A (en) | Advanced oxidation handles the integral method and device of waste water | |
| CN108658372A (en) | Anammox couples the method that electro-oxidation processes processing landfill leachate realizes depth carbon and nitrogen removal | |
| CN111333235A (en) | Landfill leachate treatment system and process | |
| CN105329991A (en) | Novel penetrating type electro-Fenton reactor and method for treating organic wastewater | |
| CN207498122U (en) | A kind of three-dimensional electric biology sewage treatment equipment of three-dimensional electrochemical coupling | |
| CN104860397A (en) | Electrochemical-biological fluidized bed reactor and wastewater treatment method | |
| CN211946615U (en) | Electrochemical coupling ozone micro-nano bubble processing system | |
| CN213623429U (en) | High-density catalytic oxidation tower of high-efficient oxidation | |
| CN107352758A (en) | A Fenton fluidized bed sewage treatment system coupled with a microbial fuel cell and a method for treating sewage | |
| CN116177716A (en) | An experimental device and method for the treatment of tetracycline wastewater by the cathodic Fenton reaction of microbial fuel cells | |
| CN104628133A (en) | Overflow type electrochemical biological membrane reactor | |
| CN107381811A (en) | Microorganism double source electrochemistry sewage reactor and to low C/N method for the treatment of city waste water | |
| CN208008545U (en) | A kind of EGSB-MFC coupled systems of processing coking wastewater difficult to degrade | |
| CN214141733U (en) | Wastewater treatment device for generating H2O2 in situ by utilizing O3 tail gas in water treatment |
Legal Events
| Date | Code | Title | Description |
|---|---|---|---|
| GR01 | Patent grant | ||
| GR01 | Patent grant |