CN213585522U - Large-scale motor installation adjustment platform - Google Patents

Large-scale motor installation adjustment platform Download PDF

Info

Publication number
CN213585522U
CN213585522U CN202021998391.8U CN202021998391U CN213585522U CN 213585522 U CN213585522 U CN 213585522U CN 202021998391 U CN202021998391 U CN 202021998391U CN 213585522 U CN213585522 U CN 213585522U
Authority
CN
China
Prior art keywords
motor installation
sliding
motor
chute
sliding groove
Prior art date
Legal status (The legal status is an assumption and is not a legal conclusion. Google has not performed a legal analysis and makes no representation as to the accuracy of the status listed.)
Active
Application number
CN202021998391.8U
Other languages
Chinese (zh)
Inventor
王天一
Current Assignee (The listed assignees may be inaccurate. Google has not performed a legal analysis and makes no representation or warranty as to the accuracy of the list.)
Wuxi Shuangshang Electromechanical Technology Co ltd
Original Assignee
Wuxi Shuangshang Electromechanical Technology Co ltd
Priority date (The priority date is an assumption and is not a legal conclusion. Google has not performed a legal analysis and makes no representation as to the accuracy of the date listed.)
Filing date
Publication date
Application filed by Wuxi Shuangshang Electromechanical Technology Co ltd filed Critical Wuxi Shuangshang Electromechanical Technology Co ltd
Priority to CN202021998391.8U priority Critical patent/CN213585522U/en
Application granted granted Critical
Publication of CN213585522U publication Critical patent/CN213585522U/en
Active legal-status Critical Current
Anticipated expiration legal-status Critical

Links

Images

Landscapes

  • Manufacture Of Motors, Generators (AREA)

Abstract

The utility model provides a large-scale motor installation and adjustment platform, which comprises a motor installation seat, a sliding plate and a lifting plate, wherein the sliding plate is provided with a first chute, the motor installation seat is installed in the first chute and can move in the first chute, the upper end and the lower end of the first chute are provided with longitudinal adjusting bolts, and the longitudinal adjusting bolts are abutted against the motor installation seat; a second sliding chute perpendicular to the first sliding chute is arranged on the lifting plate, the sliding plate is arranged in the second sliding chute and can slide in the second sliding chute, and transverse adjusting bolts are arranged at the left end and the right end of the second sliding chute and are abutted against the left side and the right side of the sliding plate; the lifting plate is characterized by further comprising a base, wherein a jack is fixedly mounted on the base, and the jack top is connected with the lifting plate. The utility model has the characteristics of the adjustment is convenient, the hookup is accurate, safe and reliable, labour saving and time saving etc, simultaneously, the utility model discloses can avoid direct hoist and mount motor, also can play the guard action well to the motor.

Description

Large-scale motor installation adjustment platform
Technical Field
The utility model relates to a motor field, concretely relates to large-scale motor installation adjustment platform.
Background
The motor is mainly used for generating driving torque and serving as a power source of electric appliances or various machines, the generator is indicated by a letter G in a circuit, and the generator is mainly used for converting electric energy into mechanical energy. At present, when a large motor is installed in a production workshop or a workplace, a manual method is usually adopted, the motor is hoisted by a travelling crane, then the position of the travelling crane is finely adjusted to level and align, so that a motor rotating shaft is matched and connected with other equipment, time is wasted, and the labor intensity of workers is increased.
SUMMERY OF THE UTILITY MODEL
The utility model provides a large-scale motor installation adjustment platform to solve the problem that involves among the above-mentioned background art.
In order to achieve the purpose, the utility model provides a large-scale motor installation and adjustment platform, which comprises a motor installation seat, a sliding plate and a lifting plate, wherein a first chute is arranged on the sliding plate, the motor installation seat is installed in the first chute and can move in the first chute, longitudinal adjustment bolts are arranged at the upper end and the lower end of the first chute, and the longitudinal adjustment bolts are abutted against the motor installation seat; the lifting plate is provided with a second sliding groove perpendicular to the first sliding groove, the sliding plate is installed in the second sliding groove and can slide in the second sliding groove, the left end and the right end of the second sliding groove are provided with transverse adjusting bolts, and the transverse adjusting bolts are abutted to the left side and the right side of the sliding plate.
As the utility model discloses an it still includes the base to prefer the setting, fixed mounting has the jack on the base, the jack top is connected the lifter plate.
As the utility model discloses an it sets up to prefer, the lifter plate four corners is provided with the locating hole, be provided with on the base with the stand that the locating hole corresponds, the lifter plate slidable cup joint in on the stand.
As the utility model discloses an it sets up to prefer, the sleeve has all been welded to the locating hole lower extreme, be provided with fastening bolt on the sleeve.
As the utility model discloses an optimal setting, both ends symmetry is provided with rings about the base.
As the utility model discloses a preferred setting, adjusting bolt one end is provided with the wrench hole.
Through adopting above-mentioned technical scheme, at first lay large motor the utility model discloses an on the motor mount pad, use the driving lifting hook will the utility model discloses hang toward preset position with the motor is whole, through jack accommodate motor shaft height, rotate adjusting bolt with the spanner, through vertical adjusting bolt and horizontal adjusting bolt control motor vertical with horizontal position translation in this high plane to reach the purpose of adjusting motor position, make large motor axis of rotation and other equipment melt the cooperation fast and be connected. The utility model has the characteristics of the adjustment is convenient, the hookup is accurate, safe and reliable, labour saving and time saving etc, simultaneously, the utility model discloses can avoid direct hoist and mount motor, also can play the guard action well to the motor.
Drawings
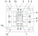
Fig. 1 is a plan view of an embodiment of the present invention.
Fig. 2 is a side view of an embodiment of the present invention.
Wherein,
1, mounting a motor;
2, sliding plates;
3-lifting plate;
4-a first chute;
5-longitudinal adjusting bolt;
6-a second chute;
7-transverse adjusting screw;
8-a base;
9-a jack;
10-a plug;
11-upright post;
12-a sleeve;
13-fastening bolts;
14-a hoisting ring;
15-spanner hole.
Detailed Description
In order to make the objects, technical solutions and advantages of the present invention clearer, the present invention will be described in detail with reference to specific embodiments.
Examples
Referring to fig. 1-2, in order to achieve the above purpose, an embodiment of the present invention provides a large motor installation and adjustment platform, including a motor installation seat 1, a sliding plate 2 and a lifting plate 3, wherein the sliding plate 2 is provided with a first sliding chute 4, the motor installation seat 1 is installed in the first sliding chute 4 and can move in the first sliding chute 4, longitudinal adjustment bolts 5 are arranged at the upper end and the lower end of the first sliding chute 4, and the longitudinal adjustment bolts 5 are abutted to the motor installation seat 1; the lifting plate 3 is provided with a second sliding groove 6 perpendicular to the first sliding groove 4, the sliding plate 2 is installed in the second sliding groove 6 and can slide in the second sliding groove 6, the transverse adjusting bolts 7 are arranged at the left end and the right end of the second sliding groove 6, and the transverse adjusting bolts 7 are abutted to the left side and the right side of the sliding plate 2.
By adopting the scheme, the motor mounting seat 1 can be moved and fixed in the first sliding groove 4 by adjusting the longitudinal adjusting bolt 5, namely screwing the longitudinal adjusting bolt 5 at one end in and screwing the longitudinal adjusting bolt 5 at one end out; similarly, the sliding plate 2 can move and be fixed in the second sliding chute 6 by adjusting the transverse adjusting bolt 7; through the cooperation of the longitudinal adjusting bolt 5 and the adjusting transverse adjusting bolt 7, the displacement adjustment of the motor at different positions on the same plane can be realized.
As the utility model discloses the preferred setting of embodiment, furtherly, still include base 8, fixed mounting has jack 9 on the base 8, jack 9 top 10 is connected lifter plate 3.
By adopting the technical scheme, the jack can adopt a manual jack or a pneumatic jack, and the pneumatic jack is preferably more convenient; the lifting plate 3 is jacked up by the jack 9, so that the motor can be flexibly adjusted in height.
As the utility model discloses preferred setting, furtherly, 3 four corners of lifter plate are provided with the locating hole, be provided with on the base with the stand 11 that the locating hole corresponds, 3 slidable cup joint in on the stand 11 of lifter plate.
As the utility model discloses the preferred setting of embodiment, furtherly, sleeve 12 has all been welded to the locating hole lower extreme, be provided with fastening bolt 13 on the sleeve.
By adopting the technical scheme, after the motor height is adjusted by the jack 9, on one hand, the upright post 11 can realize the positioning and limiting functions on the lifting plate 3, and the falling caused by accidents is avoided; on the other hand, in the motor operation process, through fastening bolt 13 with lifter plate 3 and stand 11 firmly fasten, can reduce the lifter plate shake, avoid causing the adjusting bolt pine to take off because of the motor shake.
As the preferred setting of the embodiment of the utility model, further, both ends symmetry is provided with rings 14 about base 8.
Through adopting above-mentioned technical scheme, use the driving lifting hook will the utility model discloses hang toward preset position with the motor is whole, can avoid direct hoist and mount motor, also can play the guard action well to the motor.
As the preferred arrangement of the embodiment of the present invention, further, the adjusting bolt one end is provided with a wrench hole 15.
Through adopting above-mentioned technical scheme, the workman can use the spanner to adjust adjusting bolt, and is more laborsaving, the workman's operation of being convenient for.
The utility model has the working process that; lay large-scale motor at first the utility model discloses an on motor mount pad 1, use the driving lifting hook will the utility model discloses hang toward preset position with the motor is whole, through 9 adjusting motor shaft heights of jack, rotate adjusting bolt with the spanner, through vertical adjusting bolt 5 and horizontal adjusting bolt 7 control motor vertical with horizontal position translation in this high plane to reach the purpose of adjusting motor position, make large-scale motor axis of rotation and other equipment melt the cooperation fast and be connected. The utility model has the characteristics of the adjustment is convenient, the hookup is accurate, safe and reliable, labour saving and time saving etc, simultaneously, the utility model discloses can avoid direct hoist and mount motor, also can play the guard action well to the motor.
In the present invention, unless otherwise expressly stated or limited, the terms "mounted," "disposed," "connected," "fixed," "screwed" and the like are to be construed broadly, e.g., as meaning fixedly connected, detachably connected, or integrally formed; can be mechanically or electrically connected; they may be directly connected or indirectly connected through an intermediate medium, and may be connected through the inside of two elements or in an interaction relationship between two elements, unless otherwise specifically defined, and the specific meaning of the above terms in the present invention will be understood by those skilled in the art according to specific situations.
Furthermore, those skilled in the art will appreciate that while some embodiments described herein include some features included in other embodiments, rather than other features, combinations of features of different embodiments are meant to be within the scope of the invention and form different embodiments. For example, in the claims above, any of the claimed embodiments may be used in any combination. The information disclosed in this background section is only for enhancement of understanding of the general background of the invention and should not be taken as an acknowledgement or any form of suggestion that this information constitutes prior art already known to a person skilled in the art.

Claims (6)

1. A large-scale motor installation and adjustment platform comprises a motor installation seat, a sliding plate and a lifting plate, and is characterized in that the sliding plate is provided with a first sliding groove, the motor installation seat is installed in the first sliding groove and can move in the first sliding groove, longitudinal adjustment bolts are arranged at the upper end and the lower end of the first sliding groove, and the longitudinal adjustment bolts are abutted to the motor installation seat; the lifting plate is provided with a second sliding groove perpendicular to the first sliding groove, the sliding plate is installed in the second sliding groove and can slide in the second sliding groove, the left end and the right end of the second sliding groove are provided with transverse adjusting bolts, and the transverse adjusting bolts are abutted to the left side and the right side of the sliding plate.
2. The large motor installation and adjustment platform of claim 1, further comprising a base, wherein a jack is fixedly installed on the base, and a head of the jack is connected with the lifting plate.
3. The large motor installation and adjustment platform of claim 2, wherein positioning holes are formed at four corners of the lifting plate, a column corresponding to the positioning holes is arranged on the base, and the lifting plate is slidably sleeved on the column.
4. The large motor installation and adjustment platform of claim 3, wherein sleeves are welded to the lower ends of the positioning holes, and fastening bolts are arranged on the sleeves.
5. The large motor installation and adjustment platform as claimed in claim 2, wherein the left and right ends of the base are symmetrically provided with hanging rings.
6. The large motor installation and adjustment platform of claim 1, wherein a wrench hole is formed at one end of the adjustment bolt.
CN202021998391.8U 2020-09-14 2020-09-14 Large-scale motor installation adjustment platform Active CN213585522U (en)

Priority Applications (1)

Application Number Priority Date Filing Date Title
CN202021998391.8U CN213585522U (en) 2020-09-14 2020-09-14 Large-scale motor installation adjustment platform

Applications Claiming Priority (1)

Application Number Priority Date Filing Date Title
CN202021998391.8U CN213585522U (en) 2020-09-14 2020-09-14 Large-scale motor installation adjustment platform

Publications (1)

Publication Number Publication Date
CN213585522U true CN213585522U (en) 2021-06-29

Family

ID=76571118

Family Applications (1)

Application Number Title Priority Date Filing Date
CN202021998391.8U Active CN213585522U (en) 2020-09-14 2020-09-14 Large-scale motor installation adjustment platform

Country Status (1)

Country Link
CN (1) CN213585522U (en)

Similar Documents

Publication Publication Date Title
CN214828376U (en) Crane hook with balancing device
CN202423956U (en) Hoisting device for power transmission line maintenance
CN213585522U (en) Large-scale motor installation adjustment platform
CN212982260U (en) Hoisting frame for managing and maintaining compressor equipment
CN204958222U (en) Mechanical equipment hoists frame
CN211078298U (en) Hoisting accessory is used in thermal power plant's maintenance
CN110893606B (en) Hydraulic wrench lifting device
CN217808419U (en) Multifunctional electric hydraulic crane
CN217102712U (en) Hoisting device for hoisting machinery
CN212769642U (en) Device is changed to vertical rolling mill cardan shaft
CN112194019A (en) A kind of automatic disassembly and assembly maintenance device for pay-off pulley
CN210633619U (en) Automobile engine cover adjusting device
CN211388548U (en) Flue gas turbine bearing box extracting tool
CN212825343U (en) Quick overhaul device convenient to adjust for overhaul of mine engineering machinery apparatus
CN211644414U (en) Lifting device for electromechanical engineering
CN211574629U (en) Adjustable hydraulic hoisting equipment for maintenance of metallurgical machinery
CN211338604U (en) Hoisting accessory of power equipment maintenance usefulness
CN211521327U (en) Large-scale thermal power factory overhauls generator axle bush tile turning tool
CN223820476U (en) Portable belt pulley mounting device for narrow space
CN212425170U (en) Suspension type single-hanging electric turnover machine
CN223852095U (en) A bolt lifting device
CN220537359U (en) Portable electric lifting article lifting device
CN222833892U (en) A traction seat lifting tool
CN220389197U (en) Intelligent robot upset frock
CN216370931U (en) Large-scale step axle combination dismounting device

Legal Events

Date Code Title Description
GR01 Patent grant
GR01 Patent grant