CN213471963U - One-time forming die for centrifugal fan shell - Google Patents

One-time forming die for centrifugal fan shell Download PDF

Info

Publication number
CN213471963U
CN213471963U CN202021818921.6U CN202021818921U CN213471963U CN 213471963 U CN213471963 U CN 213471963U CN 202021818921 U CN202021818921 U CN 202021818921U CN 213471963 U CN213471963 U CN 213471963U
Authority
CN
China
Prior art keywords
fixedly connected
support
raw materials
gear
forming die
Prior art date
Legal status (The legal status is an assumption and is not a legal conclusion. Google has not performed a legal analysis and makes no representation as to the accuracy of the status listed.)
Active
Application number
CN202021818921.6U
Other languages
Chinese (zh)
Inventor
吴天添
杨苏川
李俐俐
王云枫
徐月飞
陈晓伟
Current Assignee (The listed assignees may be inaccurate. Google has not performed a legal analysis and makes no representation or warranty as to the accuracy of the list.)
Anhui Xinpoly Carbon Fiber Co ltd
Original Assignee
Anhui Xinpoly Carbon Fiber Co ltd
Priority date (The priority date is an assumption and is not a legal conclusion. Google has not performed a legal analysis and makes no representation as to the accuracy of the date listed.)
Filing date
Publication date
Application filed by Anhui Xinpoly Carbon Fiber Co ltd filed Critical Anhui Xinpoly Carbon Fiber Co ltd
Priority to CN202021818921.6U priority Critical patent/CN213471963U/en
Application granted granted Critical
Publication of CN213471963U publication Critical patent/CN213471963U/en
Active legal-status Critical Current
Anticipated expiration legal-status Critical

Links

Images

Landscapes

  • Mixers Of The Rotary Stirring Type (AREA)

Abstract

The utility model discloses a disposable forming die of centrifugal fan casing relates to disposable forming die technical field, to current in the aspect of the raw materials shaping, needs a plurality of equipment to work together, for example raw materials mix stirring, raw materials injection and shaping, owing to relate to the apparatus more, so lead to its production speed slow, inefficiency, have the problem of great limitation, the scheme as follows is proposed now, including the support that is equipped with down the diaphragm, be equipped with drive mechanism on the lower diaphragm of support, the right side of support is equipped with rabbling mechanism, the left side of rabbling mechanism is equipped with actuating mechanism. The utility model relates to a novelty, simple structure, convenient operation through drive mechanism, rabbling mechanism, actuating mechanism isotructure, can realize that the raw materials mixes various functions such as stirring, raw materials injection and shaping to with raw materials integral type shaping, reduce the extra time that each step brought, effectively improved the efficiency of production.

Description

One-time forming die for centrifugal fan shell
Technical Field
The utility model relates to a disposable forming die technical field especially relates to a disposable forming die of centrifugal fan casing.
Background
In the existing aspect of raw material forming, a plurality of devices are required to work together, such as raw material mixing and stirring, raw material injection and forming, and due to the fact that a plurality of devices are involved, the production speed is low, the efficiency is low, and the limitation is large, so that a centrifugal fan shell one-step forming die is provided.
SUMMERY OF THE UTILITY MODEL
The utility model provides a disposable forming die of centrifugal fan casing has solved current in the aspect of the raw materials shaping, needs a plurality of equipment to work together, for example the raw materials mixes stirring, raw materials injection and shaping, owing to relate to the apparatus more, so lead to its production speed slow, inefficiency has the problem of great limitation.
In order to achieve the above purpose, the utility model adopts the following technical scheme:
the utility model provides a centrifugal fan casing one-time forming die, includes the support that is equipped with down the diaphragm, be equipped with drive mechanism on the lower diaphragm of support, the right side of support is equipped with rabbling mechanism, the left side of rabbling mechanism is equipped with actuating mechanism.
Preferably, drive mechanism includes two belt pulleys of being connected with the lower diaphragm rotation of support, the outside cover of belt pulley is equipped with the belt.
Preferably, rabbling mechanism include with the right side fixed connection's of support agitator tank, be equipped with the second drive shaft in the agitator tank, the left side fixedly connected with stirring rod of second drive shaft, the fixed cover in right side of second drive shaft is equipped with the spiral plate.
Preferably, actuating mechanism include with agitator tank left side fixed connection's biax motor, the first drive shaft of left side output shaft fixedly connected with of biax motor, the left end fixedly connected with second bearing of first drive shaft, the fixed cover in outside of first drive shaft is equipped with the second bevel gear, the front of the lower diaphragm of support is rotated and is connected with first gear, the left side fixedly connected with fixed plate of support, the first bearing of right-hand member fixedly connected with of fixed plate, the fixed cover in inside of first bearing is equipped with the pivot, the first bevel gear of upper end fixedly connected with of pivot, first bevel gear and second bevel gear meshing transmission, the lower extreme fixedly connected with second gear of pivot, first gear and second gear meshing transmission.
Preferably, a rotating rod is fixedly connected between the first gear and the belt pulley, and a forming die body is arranged on the belt.
Preferably, the left side of the second bearing is fixedly connected with the support, and the right side of the bottom of the stirring box is fixedly connected with a discharging hopper.
Compared with the prior art, the beneficial effects of the utility model are that: the utility model discloses an installing support, first gear, the belt pulley, the belt, the second gear, the apparatus further comprises a rotating shaft, the fixed plate, first bearing, first bevel gear, second bevel gear, the second bearing, first drive shaft, the biax motor, the agitator tank, the stirring rod, the second drive shaft, the spiral plate, ejection of compact funnel, structures such as forming die main part, can realize that the raw materials mixes the stirring, various functions such as raw materials injection and shaping, thereby with raw materials integral type shaping, whole device modern design, moreover, the steam generator is simple in structure, high durability and convenient operation, reduce the extra time that each step brought, the efficiency of production has effectively been improved.
Drawings
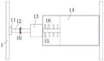
Fig. 1 is a schematic front view of a disposable forming mold for a centrifugal fan casing according to the present invention;
fig. 2 is a schematic view of a top view structure of a disposable forming die for a centrifugal fan casing provided by the present invention.
In the figure: the molding die comprises a support 1, a first gear 2, a belt pulley 3, a belt 4, a second gear 5, a rotating shaft 6, a fixing plate 7, a first bearing 8, a first bevel gear 9, a second bevel gear 10, a second bearing 11, a first driving shaft 12, a double-shaft motor 13, a stirring box 14, a stirring rod 15, a second driving shaft 16, a spiral plate 17, a discharging funnel 18 and a molding die body 19.
Detailed Description
The technical solutions in the embodiments of the present invention will be described clearly and completely with reference to the accompanying drawings in the embodiments of the present invention, and it is obvious that the described embodiments are only some embodiments of the present invention, not all embodiments.
Referring to fig. 1-2, a disposable forming die for a centrifugal fan shell comprises a support 1 provided with a lower transverse plate, a transmission mechanism is arranged on the lower transverse plate of the support 1, a stirring mechanism is arranged on the right side of the support 1, and a driving mechanism is arranged on the left side of the stirring mechanism.
In this embodiment, drive mechanism includes two belt pulleys 3 that rotate to be connected with the lower diaphragm of support 1, and the outside cover of belt pulley 3 is equipped with belt 4.
In this embodiment, the rabbling mechanism include with the right side fixed connection's of support 1 agitator tank 14, be equipped with second drive shaft 16 in the agitator tank 14, the left side fixedly connected with stirring rod 15 of second drive shaft 16, the fixed cover in right side of second drive shaft 16 is equipped with spiral plate 17.
In this embodiment, actuating mechanism includes the double-shaft motor 13 with 14 left sides fixed connection of agitator tank, the first drive shaft 12 of left side output shaft fixedly connected with of double-shaft motor 13, the left end fixedly connected with second bearing 11 of first drive shaft 12, the fixed cover in outside of first drive shaft 12 is equipped with second bevel gear 10, the front of the lower diaphragm of support 1 is rotated and is connected with first gear 2, the left side fixedly connected with fixed plate 7 of support 1, the right-hand member fixedly connected with first bearing 8 of fixed plate 7, the inside fixed cover of first bearing 8 is equipped with pivot 6, the first bevel gear 9 of upper end fixedly connected with of pivot 6, first bevel gear 9 and second bevel gear 10 meshing transmission, the lower extreme fixedly connected with second gear 5 of pivot 6, first gear 2 and second gear 5 meshing transmission.
In this embodiment, a rotating rod is fixedly connected between the first gear 2 and the belt pulley 3, and a forming mold body 19 is arranged on the belt 4.
In this embodiment, the left side of the second bearing 11 is fixedly connected with the bracket 1, and the right side of the bottom of the stirring box 14 is fixedly connected with the discharging hopper 18.
The working principle is that firstly, the raw materials are put into the stirring box 14, then the double-shaft motor 13 starts to rotate reversely, so that the raw materials can be fully stirred in the stirring box 14 and cannot move to the right, after the raw materials are stirred, the double-shaft motor 13 starts to rotate forwards, so that the stirred raw materials can move from the left to the right, at the moment, the belt 4 is provided with the forming die main body 19, the second bevel gear 10 fixedly sleeved on the left output shaft of the double-shaft motor 13 can drive the first bevel gear 9 in meshing transmission with the second bevel gear to rotate, the first bevel gear 9 drives the second bevel gear 5 to rotate through the rotating shaft 6, the first gear 2 in meshing transmission with the second bevel gear 5 also rotates, so that the belt pulley 3 rotates correspondingly, the forming die main body 19 also reaches the discharging funnel 18 when the raw materials reach the discharging funnel 18, and the raw materials fall into the forming die main body 19, so that the raw materials, Various functions such as raw materials injection and shaping to with raw materials integral type shaping, whole device modern design, simple structure, convenient operation reduces the extra time that each step brought, has effectively improved the efficiency of production.
The above, only be the concrete implementation of the preferred embodiment of the present invention, but the protection scope of the present invention is not limited thereto, and any person skilled in the art is in the technical scope of the present invention, according to the technical solution of the present invention and the utility model, the concept of which is equivalent to replace or change, should be covered within the protection scope of the present invention.

Claims (3)

1. A one-time forming die for a centrifugal fan shell comprises a support (1) provided with a lower transverse plate and is characterized in that a transmission mechanism is arranged on the lower transverse plate of the support (1), an agitating mechanism is arranged on the right side of the support (1), a driving mechanism is arranged on the left side of the agitating mechanism, the transmission mechanism comprises two belt pulleys (3) rotatably connected with the lower transverse plate of the support (1), a belt (4) is sleeved outside the belt pulleys (3), the agitating mechanism comprises an agitating box (14) fixedly connected with the right side of the support (1), a second driving shaft (16) is arranged in the agitating box (14), an agitating rod (15) is fixedly connected with the left side of the second driving shaft (16), a spiral plate (17) is fixedly sleeved on the right side of the second driving shaft (16), the driving mechanism comprises a motor (13) fixedly connected with the left side of the agitating box (14), a left output shaft of the double-shaft motor (13) is fixedly connected with a first driving shaft (12), a second bearing (11) is fixedly connected with the left end of the first driving shaft (12), a second bevel gear (10) is fixedly sleeved outside the first driving shaft (12), the front surface of a lower transverse plate of the bracket (1) is rotationally connected with a first gear (2), a fixed plate (7) is fixedly connected to the left side of the bracket (1), a first bearing (8) is fixedly connected to the right end of the fixed plate (7), a rotating shaft (6) is fixedly sleeved in the first bearing (8), the upper end of the rotating shaft (6) is fixedly connected with a first bevel gear (9), the first bevel gear (9) and the second bevel gear (10) are in meshing transmission, the lower end of the rotating shaft (6) is fixedly connected with the second gear (5), and the first gear (2) and the second gear (5) are in meshing transmission.
2. The disposable forming die for the centrifugal fan shell as recited in claim 1, wherein a rotating rod is fixedly connected between the first gear (2) and the belt pulley (3), and a forming die body (19) is arranged on the belt (4).
3. The disposable molding die for the centrifugal fan casing as recited in claim 1, wherein the left side of the second bearing (11) is fixedly connected with the bracket (1), and the right side of the bottom of the stirring box (14) is fixedly connected with a discharging funnel (18).
CN202021818921.6U 2020-08-27 2020-08-27 One-time forming die for centrifugal fan shell Active CN213471963U (en)

Priority Applications (1)

Application Number Priority Date Filing Date Title
CN202021818921.6U CN213471963U (en) 2020-08-27 2020-08-27 One-time forming die for centrifugal fan shell

Applications Claiming Priority (1)

Application Number Priority Date Filing Date Title
CN202021818921.6U CN213471963U (en) 2020-08-27 2020-08-27 One-time forming die for centrifugal fan shell

Publications (1)

Publication Number Publication Date
CN213471963U true CN213471963U (en) 2021-06-18

Family

ID=76415715

Family Applications (1)

Application Number Title Priority Date Filing Date
CN202021818921.6U Active CN213471963U (en) 2020-08-27 2020-08-27 One-time forming die for centrifugal fan shell

Country Status (1)

Country Link
CN (1) CN213471963U (en)

Cited By (1)

* Cited by examiner, † Cited by third party
Publication number Priority date Publication date Assignee Title
CN113858561A (en) * 2021-09-25 2021-12-31 连云港苏瑞起重机械有限公司 Water meter shell forming die convenient for die opening and part taking and forming method thereof

Cited By (1)

* Cited by examiner, † Cited by third party
Publication number Priority date Publication date Assignee Title
CN113858561A (en) * 2021-09-25 2021-12-31 连云港苏瑞起重机械有限公司 Water meter shell forming die convenient for die opening and part taking and forming method thereof

Similar Documents

Publication Publication Date Title
CN205868132U (en) Three degree of freedom oscillating mixer
CN215877499U (en) Coating mixing equipment for interior decoration
CN213471963U (en) One-time forming die for centrifugal fan shell
CN206967746U (en) A kind of drawing mechanism prepared for mortar
CN201862376U (en) Fodder mixing machine
CN112156701A (en) Mechanical stirring device for lubricating oil processing
CN211133630U (en) Jam production is with high-speed dispenser
CN211886527U (en) Smart volume vegetable filling mixes blending device
CN219515095U (en) Flour mixer with adjustable rotating speed
CN208959781U (en) A kind of Mechatronic mixer
CN208714244U (en) A kind of hot melt adhesive kneader convenient for discharging
CN216062761U (en) Powder processing agitating unit
CN215586082U (en) Large-scale vertical intelligent control mixer
CN212188657U (en) Powder mixer
CN220700116U (en) Automatic blending device for PVC calendaring
CN210278949U (en) A civil construction mixing device
CN201816138U (en) Sand pulp stir device
CN219596421U (en) Raw material stirring equipment
CN215540291U (en) Soaping agent preparation device
CN216726856U (en) Efficient mixing and kneading equipment
CN213528990U (en) Automatic material mixing device for household electrical appliance plastic part processing die
CN219232095U (en) Efficient automatic batching device
CN222489683U (en) A double-shaft driven disperser
CN221982170U (en) A reaction stirring device
CN212978748U (en) Multifunctional clay-plastic mixing device

Legal Events

Date Code Title Description
GR01 Patent grant
GR01 Patent grant