CN213447791U - A cutting device for the production of chemical fiber products that is easy to clean - Google Patents

A cutting device for the production of chemical fiber products that is easy to clean Download PDF

Info

Publication number
CN213447791U
CN213447791U CN202022217885.4U CN202022217885U CN213447791U CN 213447791 U CN213447791 U CN 213447791U CN 202022217885 U CN202022217885 U CN 202022217885U CN 213447791 U CN213447791 U CN 213447791U
Authority
CN
China
Prior art keywords
knife
guide rod
chemical fiber
screw rod
sliding seat
Prior art date
Legal status (The legal status is an assumption and is not a legal conclusion. Google has not performed a legal analysis and makes no representation as to the accuracy of the status listed.)
Expired - Fee Related
Application number
CN202022217885.4U
Other languages
Chinese (zh)
Inventor
盛何溶
王云冬
Current Assignee (The listed assignees may be inaccurate. Google has not performed a legal analysis and makes no representation or warranty as to the accuracy of the list.)
Nantong Xurui Chemical Fiber Co ltd
Original Assignee
Nantong Xurui Chemical Fiber Co ltd
Priority date (The priority date is an assumption and is not a legal conclusion. Google has not performed a legal analysis and makes no representation as to the accuracy of the date listed.)
Filing date
Publication date
Application filed by Nantong Xurui Chemical Fiber Co ltd filed Critical Nantong Xurui Chemical Fiber Co ltd
Priority to CN202022217885.4U priority Critical patent/CN213447791U/en
Application granted granted Critical
Publication of CN213447791U publication Critical patent/CN213447791U/en
Expired - Fee Related legal-status Critical Current
Anticipated expiration legal-status Critical

Links

Images

Landscapes

  • Treatment Of Fiber Materials (AREA)

Abstract

本实用新型公开了一种便于清理的化学纤维制品生产用裁剪装置,包括底座、导杆、滑座、螺杆、刀具和集灰盒,所述底座下端安装有支腿,且底座上端安装有立柱,所述滑座中间连接有螺杆,且螺杆两端通过轴承安装在立柱上,所述滑座下端安装有伸缩气缸,且伸缩气缸下端安装有刀具,所述滑座右侧设置有卡头,且卡头连接有吸尘管道,所述立柱下端之间安装有刀板,且刀板上开设有刀槽,并且刀板下方设置有集灰盒,而且集灰盒前端安装有把手。该便于清理的化学纤维制品生产用裁剪装置设置有螺杆和导杆,通过螺杆和导杆的配合,调整刀具的位置,同时在移动过程中,可参照导杆上的刻度提高调整位置的精度,提高了裁剪时的效率,增加了该装置的实用性。

Figure 202022217885

The utility model discloses a cutting device for the production of chemical fiber products which is easy to clean, comprising a base, a guide rod, a sliding seat, a screw rod, a cutter and a ash collecting box. The lower end of the base is provided with a leg, and the upper end of the base is provided with a column , a screw is connected in the middle of the sliding seat, and both ends of the screw are installed on the column through bearings, a telescopic cylinder is installed at the lower end of the sliding seat, and a tool is installed at the lower end of the telescopic cylinder, and a chuck is arranged on the right side of the sliding seat, The clamping head is connected with a dust suction pipe, a knife plate is installed between the lower ends of the uprights, and a knife groove is formed on the knife plate, and an ash collecting box is arranged under the knife plate, and a handle is installed at the front end of the ash collecting box. The cutting device for the production of chemical fiber products, which is easy to clean, is provided with a screw rod and a guide rod, and the position of the cutter can be adjusted through the cooperation of the screw rod and the guide rod. The efficiency in cutting is improved, and the practicality of the device is increased.

Figure 202022217885

Description

Chemical fiber production is with tailorring device convenient to clearance
Technical Field
The utility model relates to a chemical fiber tailors technical field, specifically is a chemical fiber goods production is with tailorring device convenient to clearance.
Background
The chemical fiber is a fiber with textile performance prepared by taking a natural high molecular compound or an artificially synthesized high molecular compound as a raw material through the processes of preparing a spinning solution, spinning, post-treatment and the like, has the advantages of light resistance, wear resistance, easiness in washing and drying, no mildew and rot, no worm damage and the like, is widely used in the fields of manufacturing clothing fabrics, filter cloth, conveyor belts, water hoses, ropes, fishing nets and the like, chemical fiber products need to be cut according to actual size in the production process, are generally cut in an artificial mode at present, need to be adjusted by workers according to experience during cutting, affects the cutting efficiency, and simultaneously can generate a large amount of residues in the cutting process to affect the processing effect.
Therefore, the cutting device convenient to clean for chemical fiber product production is provided, so that the problem that the cutting efficiency is low, a large amount of residues are generated, and the processing effect is influenced is solved.
SUMMERY OF THE UTILITY MODEL
An object of the utility model is to provide a chemical fiber production is with tailorring device convenient to clearance to what solve the device of tailorring on the existing market that above-mentioned background art provided tailors inefficiency can produce a large amount of residues and influence machining efficiency's problem.
In order to achieve the above object, the utility model provides a following technical scheme: a cutting device convenient to clean for chemical fiber product production comprises a base, a guide rod, a sliding seat, a screw rod, a cutter and an ash collecting box, wherein supporting legs are installed at the lower end of the base, stand columns are installed at the upper end of the base, the guide rod is connected between the stand columns, the sliding seat is connected in the middle of the guide rod in a penetrating mode, scale marks are arranged on the surface of the guide rod, the screw rod is connected in the middle of the sliding seat, two ends of the screw rod are installed on the stand columns through bearings, an installation seat is arranged on the left side of each stand column, a motor is installed on the installation seat, the screw rod is connected to the right end of the motor, a telescopic cylinder is installed at the lower end of the sliding seat, the cutter is installed at the lower end of the telescopic cylinder, a chuck is arranged on the right side of the sliding seat, the, and the front end of the ash collecting box is provided with a handle.
Preferably, the number of the supporting legs is 4, and the supporting legs are symmetrical front and back and left and right relative to the central line of the base.
Preferably, the number of the upright columns is 2, and the upright columns are symmetrical left and right relative to the central line of the base.
Preferably, the central line of the guide rod is parallel to the central line of the screw rod, and the central line of the guide rod is perpendicular to the surface plane of the upright post.
Preferably, the central line of the sliding seat and the central line of the guide rod are overlapped, and the sliding seat and the guide rod form a sliding structure through a screw rod.
Preferably, the surface plane of the knife board is perpendicular to the knife, and the width of the knife groove on the knife board is larger than the thickness of the knife.
Compared with the prior art, the beneficial effects of the utility model are that: the cutting device convenient to clean for chemical fiber product production;
1. the cutting device is provided with the screw rod and the guide rod, the position of the cutter is adjusted through the matching of the screw rod and the guide rod in the actual use process, meanwhile, in the moving process, the precision of the position adjustment can be improved by referring to the scales on the guide rod, the cutting efficiency is improved, and the practicability of the cutting device is improved;
2. be provided with dust extraction and collection ash box, at the in-service use in-process, when the cutter was tailor, dust extraction absorbs the clearance through the residue that dust absorption pipeline produced when tailorring the cutter, and the residue that is not absorbed by dust extraction can fall into in the collection ash box through the sword groove, clears up through collection ash box to avoid the residue to influence the processing effect, increased the device's functionality.
Drawings
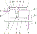
FIG. 1 is a schematic view of the structure of the present invention;
FIG. 2 is a schematic top view of the present invention;
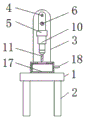
FIG. 3 is a left side view of the structure of the present invention;
fig. 4 is a schematic view of the connection structure of the chuck and the dust suction pipe of the present invention.
In the figure: 1. a base; 2. a support leg; 3. a column; 4. a guide bar; 5. a slide base; 6. a screw; 7. a bearing; 8. a motor; 9. a mounting seat; 10. a telescopic cylinder; 11. a cutter; 12. clamping a head; 13. a dust collection duct; 14. a dust collection device; 15. a cutting board; 16. a cutter groove; 17. a dust collecting box; 18. a handle; 19. scale lines are marked.
Detailed Description
The technical solutions in the embodiments of the present invention will be described clearly and completely with reference to the accompanying drawings in the embodiments of the present invention, and it is obvious that the described embodiments are only some embodiments of the present invention, not all embodiments. Based on the embodiments in the present invention, all other embodiments obtained by a person skilled in the art without creative work belong to the protection scope of the present invention.
Referring to fig. 1-4, the present invention provides a technical solution: a cutting device convenient for cleaning for chemical fiber product production comprises a base 1, supporting legs 2, a stand column 3, a guide rod 4, a sliding seat 5, a screw rod 6, a bearing 7, a motor 8, a mounting seat 9, a telescopic cylinder 10, a cutter 11, a chuck 12, a dust suction pipeline 13, a dust suction device 14, a cutter plate 15, a cutter groove 16, an ash collection box 17, a handle 18 and scale marks 19, wherein the supporting legs 2 are installed at the lower end of the base 1, the stand column 3 is installed at the upper end of the base 1, the guide rod 4 is connected between the stand columns 3, the sliding seat 5 is connected in the middle of the guide rod 4 in a penetrating manner, the scale marks 19 are arranged on the surface of the guide rod 4, the screw rod 6 is connected in the middle of the sliding seat 5, two ends of the screw rod 6 are installed on the stand column 3 through the bearing 7, the mounting seat 9 is arranged on the left side of the stand column 3, the motor, and the lower extreme of telescopic cylinder 10 installs cutter 11, slide 5 right side is provided with dop 12, and dop 12 is connected with dust absorption pipeline 13 to dust absorption pipeline 13 is connected with dust extraction 14, install cutting board 15 between the stand 3 lower extreme, and seted up the sword groove 16 on cutting board 15, and cutting board 15 below is provided with the ash-collecting box 17, and the handle 18 is installed to ash-collecting box 17 front end moreover.
The landing leg 2 is provided with 4, and landing leg 2 is symmetrical all around for the central line of base 1, and above-mentioned structural design is favorable to improving the stability of the device in the use in the in-service use.
The stand 3 is provided with 2, and stand 3 is for the central line bilateral symmetry of base 1, and above-mentioned structural design is favorable to the stationarity when slide 5 passes through screw 6 and removes in the in-service use process.
The central line of the guide rod 4 is parallel to the central line of the screw rod 6, and the central line of the guide rod 4 is perpendicular to the surface plane of the upright post 3.
The central line of slide 5 and the central line of guide arm 4 coincide each other, and slide 5 passes through screw rod 6 and guide arm 4 constitution sliding structure, and above-mentioned structural design is in the in-service use in-process, is favorable to improving the convenience when adjusting the position of cutter 11 through the removal of slide 5.
The surface plane of the knife board 15 is perpendicular to the knife 11, and the width of the knife groove 16 on the knife board 15 is larger than the thickness of the knife 11, and the structural design is beneficial to improving the integrity during cutting through the matching between the knife 11 and the knife groove 16 in the actual use process, and avoiding the phenomenon that chemical fibers are not cut off.
The working principle is as follows: when the cutting device convenient for cleaning is used for producing chemical fiber products, as shown in figures 1 and 2, firstly, the chemical fiber products are placed on a cutter plate 15, when a screw 6 is driven by a motor 8 to rotate and adjust the position of a cutter 11, the precision of the moving position of the cutter 11 can be confirmed according to the scale on the surface of a guide rod 4, the precision of the size of the cut chemical fiber products is improved, the loss rate is reduced, then the chemical fiber products are downwards extended into a cutter groove 16 through a telescopic cylinder 10, the distance between a dust suction pipeline 13 and the cutter 11 is adjusted, the residue suction efficiency of the dust suction pipeline 13 is improved, then the chemical fiber products are moved at a constant speed for cutting, as shown in figures 3 and 4, in the cutting process, the dust suction pipeline 13 always keeps a proper distance from the cutting opening of the cutter 11, the generated residues are sucked and cleaned by a dust suction device 14 through the dust suction pipeline 13, and the residues which are not sucked by the dust suction device 14 fall into a dust collection, after the cutting is finished, the ash-collecting box 17 can be taken out periodically through the handle 18, and then the residues collected in the ash-collecting box 17 can be cleaned uniformly, so as to finish a series of work, and the content which is not described in detail in the specification belongs to the prior art which is well known by the person skilled in the art.
It is to be understood that the terms "central," "longitudinal," "lateral," "front," "rear," "left," "right," "vertical," "horizontal," "top," "bottom," "inner," "outer," and the like are used in the orientations and positional relationships indicated in the drawings for the purpose of convenience and simplicity of description, and are not intended to indicate or imply that the referenced devices or elements must be in a particular orientation, constructed and operated in a particular orientation, and are not to be construed as limiting the scope of the present invention.
Although the present invention has been described in detail with reference to the foregoing embodiments, it will be apparent to those skilled in the art that modifications may be made to the embodiments or portions thereof without departing from the spirit and scope of the invention.

Claims (6)

1. The utility model provides a chemical fibre produces with tailorring device convenient to clearance, includes base (1), guide arm (4), slide (5), screw rod (6), cutter (11) and ash collecting box (17), its characterized in that: landing legs (2) are installed at the lower end of the base (1), a stand column (3) is installed at the upper end of the base (1), guide rods (4) are connected between the stand columns (3), a sliding seat (5) is connected in the middle of each guide rod (4) in a penetrating mode, scale marks (19) are arranged on the surface of each guide rod (4), a screw rod (6) is connected in the middle of each sliding seat (5), two ends of each screw rod (6) are installed on the corresponding stand column (3) through bearings (7), a mounting seat (9) is arranged on the left side of each stand column (3), a motor (8) is installed on each mounting seat (9), the right end of each motor (8) is connected with the corresponding screw rod (6), a telescopic cylinder (10) is installed at the lower end of each sliding seat (5), a cutter (11) is installed at the lower end of each telescopic cylinder (, and the dust absorption pipeline (13) is connected with a dust absorption device (14), knife boards (15) are installed between the lower ends of the upright posts (3), knife grooves (16) are formed in the knife boards (15), a dust collection box (17) is arranged below the knife boards (15), and a handle (18) is installed at the front end of the dust collection box (17).
2. The cutting device convenient for cleaning used for producing chemical fiber products according to claim 1, characterized in that: the number of the supporting legs (2) is 4, and the supporting legs (2) are symmetrical front and back and left and right relative to the central line of the base (1).
3. The cutting device convenient for cleaning used for producing chemical fiber products according to claim 1, characterized in that: the number of the upright columns (3) is 2, and the upright columns (3) are symmetrical left and right relative to the central line of the base (1).
4. The cutting device convenient for cleaning used for producing chemical fiber products according to claim 1, characterized in that: the central line of the guide rod (4) is parallel to the central line of the screw rod (6), and the central line of the guide rod (4) is vertical to the surface plane of the upright post (3).
5. The cutting device convenient for cleaning used for producing chemical fiber products according to claim 1, characterized in that: the center line of the sliding seat (5) is superposed with the center line of the guide rod (4), and the sliding seat (5) and the guide rod (4) form a sliding structure through a screw rod (6).
6. The cutting device convenient for cleaning used for producing chemical fiber products according to claim 1, characterized in that: the surface plane of the knife board (15) is perpendicular to the knife (11), and the width of the knife groove (16) on the knife board (15) is larger than the thickness of the knife (11).
CN202022217885.4U 2020-10-09 2020-10-09 A cutting device for the production of chemical fiber products that is easy to clean Expired - Fee Related CN213447791U (en)

Priority Applications (1)

Application Number Priority Date Filing Date Title
CN202022217885.4U CN213447791U (en) 2020-10-09 2020-10-09 A cutting device for the production of chemical fiber products that is easy to clean

Applications Claiming Priority (1)

Application Number Priority Date Filing Date Title
CN202022217885.4U CN213447791U (en) 2020-10-09 2020-10-09 A cutting device for the production of chemical fiber products that is easy to clean

Publications (1)

Publication Number Publication Date
CN213447791U true CN213447791U (en) 2021-06-15

Family

ID=76286691

Family Applications (1)

Application Number Title Priority Date Filing Date
CN202022217885.4U Expired - Fee Related CN213447791U (en) 2020-10-09 2020-10-09 A cutting device for the production of chemical fiber products that is easy to clean

Country Status (1)

Country Link
CN (1) CN213447791U (en)

Similar Documents

Publication Publication Date Title
CN205012100U (en) Numerical control cutting machine with clean function
CN105177973A (en) Cloth breaking machine for tie processing
CN109457344B (en) Environment-friendly textile machinery equipment
CN207727221U (en) A kind of yarn cleaning plant
CN213532743U (en) A vertical cutting machine for the production of super soft towel
CN213447791U (en) A cutting device for the production of chemical fiber products that is easy to clean
CN110757921A (en) Kitchen degreasing wet tissue with sandwich structure and production process thereof
CN208788699U (en) A kind of disconnected cloth equipment of clothes processing
CN105966957A (en) Clean shock-proof type winding mechanism that weaves
CN210856658U (en) Fiber yarn weaving is with defeathering machine convenient to use
CN211340189U (en) Textile cutting device
CN211005990U (en) Material collecting device of flannel carding machine
CN220112523U (en) Flame cutting platform
CN218722913U (en) A stoving landing device for chemical fibre fabrics
CN214604825U (en) Novel precise nondestructive cutting machine for optical lenses
CN214529645U (en) Computer embroidery machine fixing device with prevent fold function
CN112853721A (en) Medical nanometer cloth cuts device
CN214352712U (en) Two-way cloth cutting machine
CN213538525U (en) Cloth cutting device is used in fabrics production and processing
CN213969537U (en) Fabric cutting device convenient to clean for spinning
CN213033897U (en) A kind of laser grooving equipment for cell production
CN211772325U (en) Non-woven fabrics scale cutting device of gauze mask production
CN209066173U (en) A kind of cotton factory cap edge-cutting device
CN210529347U (en) Cloth bead cutter convenient to adjust
CN216156233U (en) Device is tailor in production of polypropylene non-woven fabrics filter bag

Legal Events

Date Code Title Description
GR01 Patent grant
GR01 Patent grant
CF01 Termination of patent right due to non-payment of annual fee
CF01 Termination of patent right due to non-payment of annual fee

Granted publication date: 20210615