CN213237040U - An LED lamp with special-shaped lamp beads - Google Patents

An LED lamp with special-shaped lamp beads Download PDF

Info

Publication number
CN213237040U
CN213237040U CN202021711263.0U CN202021711263U CN213237040U CN 213237040 U CN213237040 U CN 213237040U CN 202021711263 U CN202021711263 U CN 202021711263U CN 213237040 U CN213237040 U CN 213237040U
Authority
CN
China
Prior art keywords
pin
lamp
special
mbl
negative
Prior art date
Legal status (The legal status is an assumption and is not a legal conclusion. Google has not performed a legal analysis and makes no representation as to the accuracy of the status listed.)
Active
Application number
CN202021711263.0U
Other languages
Chinese (zh)
Inventor
潘建新
伍连
严小杰
吴振强
Current Assignee (The listed assignees may be inaccurate. Google has not performed a legal analysis and makes no representation or warranty as to the accuracy of the list.)
Haining Xincheng Electronics Co ltd
Original Assignee
Haining Xincheng Electronics Co ltd
Priority date (The priority date is an assumption and is not a legal conclusion. Google has not performed a legal analysis and makes no representation as to the accuracy of the date listed.)
Filing date
Publication date
Application filed by Haining Xincheng Electronics Co ltd filed Critical Haining Xincheng Electronics Co ltd
Priority to CN202021711263.0U priority Critical patent/CN213237040U/en
Application granted granted Critical
Publication of CN213237040U publication Critical patent/CN213237040U/en
Active legal-status Critical Current
Anticipated expiration legal-status Critical

Links

Images

Landscapes

  • Non-Portable Lighting Devices Or Systems Thereof (AREA)
  • Fastening Of Light Sources Or Lamp Holders (AREA)
  • Arrangement Of Elements, Cooling, Sealing, Or The Like Of Lighting Devices (AREA)

Abstract

本实用新型公开了一种带有异形灯珠的LED灯,包括灯罩、灯头、MBL驱动电路组件、支架和异型树脂套,所述MBL驱动电路组件通过卡套竖直固定在灯头的内腔之中且与灯头电连接,所述支架的底端与MBL驱动电路组件相固定,所述MBL驱动电路组件内的半导体发光件固定在支架的顶面,所述异型树脂套套设或包覆在半导体发光件之外,所述灯罩罩设在支架、异型树脂套和半导体发光件之外并固定在灯头之上,灯珠造型丰富、更换方便,灯头散热效果良好。

Figure 202021711263

The utility model discloses an LED lamp with a special-shaped lamp bead, which comprises a lampshade, a lamp holder, an MBL driving circuit component, a bracket and a special-shaped resin sleeve. The MBL driving circuit component is vertically fixed between the inner cavity of the lamp holder through a clamping sleeve The bottom end of the bracket is fixed with the MBL drive circuit assembly, the semiconductor light-emitting element in the MBL drive circuit assembly is fixed on the top surface of the bracket, and the special-shaped resin sleeve is sleeved or coated on the semiconductor In addition to the light-emitting element, the lampshade cover is arranged outside the bracket, the special-shaped resin sleeve and the semiconductor light-emitting element and is fixed on the lamp cap.

Figure 202021711263

Description

LED lamp with special-shaped lamp beads
[ technical field ] A method for producing a semiconductor device
The utility model relates to a technical field of LED lamp, especially a technical field of LED lamp with dysmorphism lamp pearl.
[ background of the invention ]
The LED lamp generally comprises a lamp cap, a lamp cover and a circuit board assembly, and has been increasingly widely used due to its advantages of beauty, energy saving, environmental protection, safety, long service life, high efficiency, no radiation, impact resistance and the like. The lamp bead of the existing LED lamp is usually cylindrical, is exposed outside through the transparent lampshade, and is poor in attractiveness. In addition, about 80% of input electric energy of the LED lamp is converted into heat energy at present, so that the whole lamp is easy to heat after the high-power LED of 60W is electrified for a few minutes, and the service life is further influenced.
[ Utility model ] content
The utility model discloses an aim at solving the problem among the prior art, provide a LED lamp with dysmorphism lamp pearl, lamp pearl molding is abundant, it is convenient to change, and the lamp holder radiating effect is good.
In order to realize the above-mentioned purpose, the utility model provides a LED lamp with dysmorphism lamp pearl, including lamp shade, lamp holder, MBL drive circuit subassembly, support and heterotypic resin cover, MBL drive circuit subassembly passes through the vertical fixing of cutting ferrule and is connected among the inner chamber of lamp holder and with the lamp holder electricity, the bottom and the MBL drive circuit subassembly of support are fixed mutually, the top surface at the support is fixed to the semiconductor illuminating part in the MBL drive circuit subassembly, the heterotypic resin cover is established or the cladding is outside the semiconductor illuminating part, the lamp shade cover is established outside support, heterotypic resin cover and semiconductor illuminating part and is fixed on the lamp holder.
Preferably, the outer wall of the lamp holder is provided with an external thread, and the lampshade and the lamp holder are connected in a clamping mode or in a threaded mode.
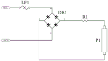
Preferably, the MBL driving circuit component includes wire-wound fuse resistor LF1, rectifier bridge DB1, metal oxide film resistor R1 and LED illuminant P1, rectifier bridge DB1 is a full-bridge rectifier bridge stack, rectifier bridge DB1 includes pin 1, pin 2, pin 3 and pin 4, two inputs of rectifier bridge DB1 are pin 1 and pin 3 respectively, pin 1 is the positive input end, pin 3 is the negative input end, the wire-wound fuse resistor LF1 that the live wire of commercial power establishes ties and has the surge suppression effect inserts pin 1, pin 3 connects the commercial power zero line, pin 2 is the positive output end, pin 4 is the negative output end, pin 4 is inserted to form the return circuit after pin 2 establishes ties metal oxide film resistor R1 and LED illuminant P1, LED illuminant P1 includes semiconductor light emitting element, positive electrical polarity contact terminal and negative electrical polarity contact terminal, the support includes brace table, positive pin and negative pin, the semiconductor illuminating part is located the top surface and both ends of brace table and is equipped with anodal electric polarity contact terminal and negative pole electric polarity contact terminal respectively, positive pin and negative pin are all fixed on the brace table, the upper end of positive pin and negative pin is connected with anodal electric polarity contact terminal and negative pole electric polarity contact terminal respectively, the lower extreme of positive pin and negative pin is connected with MBL drive circuit subassembly respectively.
Preferably, the LED lamp further comprises a heat dissipation piece, the heat dissipation piece comprises metal plates and metal convex columns, the metal plates are fixed on the outer wall and the inner wall of the lamp holder in a surrounding mode, and the metal convex columns are sequentially fixed on the other sides of the metal plates.
Preferably, the LED lamp further comprises a resin lens, the resin lens wraps and seals the semiconductor light emitting element, and the special-shaped resin sleeve is sleeved outside the resin lens.
The utility model has the advantages that: the utility model has the advantages that the special-shaped resin sleeve is arranged to wrap the semiconductor luminous element, so that the semiconductor luminous element can be sealed and protected, and the structure is various and the aesthetic property is strong; the resin lens is arranged outside the semiconductor light-emitting component for fixed sealing, and the special-shaped resin sleeve is sleeved outside the resin lens, so that the lamp bead shape of the LED lamp is convenient to replace, the inventory of various LED lamp beads can be reduced, and the flexibility of stock and delivery is improved; the metal plates with the metal convex columns are arranged on the inner wall and the outer wall of the lamp holder respectively, so that the heat dissipation area can be effectively increased, and the heat dissipation effect is enhanced.
The features and advantages of the present invention will be described in detail by embodiments with reference to the accompanying drawings.
[ description of the drawings ]
FIG. 1 is a front view of an LED lamp with a shaped bead of the present invention;
fig. 2 is a top view of the lamp cap and the MBL driving circuit assembly of the LED lamp with the special-shaped lamp bead of the present invention after connection;
FIG. 3 is a front view of the LED lamp with the shaped bead of the present invention after the LED lamp holder, the shaped resin cover, the semiconductor light emitting element and the resin lens are connected;
fig. 4 is the utility model relates to a circuit schematic diagram of MBL drive circuit subassembly of LED lamp with dysmorphism lamp pearl.
In the figure: the LED lamp comprises a 1-lampshade, a 2-lamp holder, 21-external threads, a 3-MBL driving circuit component, a 4-radiating piece, a 41-metal plate, a 42-metal convex column, a 5-bracket, a 51-supporting table, a 52-positive pin, a 53-negative pin, a 6-special-shaped resin sleeve, a 7-semiconductor light-emitting piece and an 8-resin lens.
[ detailed description ] embodiments
Referring to fig. 1 to 4, the utility model relates to a LED lamp with dysmorphism lamp pearl, including lamp shade 1, lamp holder 2, MBL drive circuit subassembly 3, support 5 and heterotypic resin cover 6, MBL drive circuit subassembly 3 passes through the vertical fixing of cutting ferrule and is connected among the inner chamber of lamp holder 2 and with lamp holder 2 electricity, the bottom and the MBL drive circuit subassembly 3 of support 5 are fixed mutually, semiconductor illuminating part 7 in the MBL drive circuit subassembly 3 is fixed at the top surface of support 5, 6 covers of heterotypic resin cover are established or the cladding is outside semiconductor illuminating part 7, lamp shade 1 covers and establishes outside support 5, heterotypic resin cover 6 and semiconductor illuminating part 7 and fix on lamp holder 2.
The lamp holder 2 is provided with an external thread 21 on the outer wall, and the lampshade 1 and the lamp holder 2 are connected in a clamping manner or in a threaded manner.
MBL drive circuit subassembly 3 includes wire-wound insurance resistance LF1, rectifier bridge DB1, metallic oxide film resistance R1 and LED luminous body P1, rectifier bridge DB1 is the full-bridge rectifier bridge stack, rectifier bridge DB1 includes pin 1, pin 2, pin 3 and pin 4, two input difference pins 1 and pin 3 of rectifier bridge DB1, pin 1 is positive input, pin 3 is negative input, and the wire-wound insurance resistance LF1 that the commercial power live wire is established ties and is had the surge suppression effect inserts pin 1, the commercial power zero line is connected to pin 3, pin 2 is the positive output end, pin 4 is the negative output end, insert pin 4 behind pin 2 series connection metallic oxide film resistance R1 and the LED luminous body P1 and form the return circuit, LED luminous body P1 includes semiconductor luminous element 7, anodal electric polarity contact terminal and negative electric polarity contact terminal, the support 5 comprises a support table 51, a positive pin 52 and a negative pin 53, the semiconductor light-emitting component 7 is located on the top surface of the support table 51, and two ends of the semiconductor light-emitting component are respectively provided with a positive electrical polarity contact terminal and a negative electrical polarity contact terminal, the positive pin 52 and the negative pin 53 are both fixed on the support table 51, the upper ends of the positive pin 52 and the negative pin 53 are respectively connected with the positive electrical polarity contact terminal and the negative electrical polarity contact terminal, and the lower ends of the positive pin 52 and the negative pin 53 are respectively connected with the MBL drive circuit component 3.
Still include heat dissipation piece 4, heat dissipation piece 4 includes metal sheet 41 and metal projection 42, a plurality of metal sheet 41 encircles and fixes on the outer wall and the inner wall of lamp holder 2, a plurality of metal projection 42 fixes the opposite side at metal sheet 41 in proper order.
The LED lamp further comprises a resin lens 8, the semiconductor light-emitting piece 7 is wrapped and sealed by the resin lens 8, and the special-shaped resin sleeve 6 is sleeved outside the resin lens 8.
The special-shaped resin sleeve 6 can be directly covered outside the semiconductor luminous element 7, or the semiconductor luminous element 7 is firstly covered by the resin lens 8, and then the special-shaped resin sleeve 6 is sleeved outside the resin lens 8. Wherein, the shape of the special-shaped resin sleeve 6 can be selected from a circle, a triangle, a square, a star or various cartoon shapes.
The utility model has the advantages that the special-shaped resin sleeve is arranged to wrap the semiconductor luminous element, so that the semiconductor luminous element can be sealed and protected, and the structure is various and the aesthetic property is strong; the resin lens is arranged outside the semiconductor light-emitting component for fixed sealing, and the special-shaped resin sleeve is sleeved outside the resin lens, so that the lamp bead shape of the LED lamp is convenient to replace, the inventory of various LED lamp beads can be reduced, and the flexibility of stock and delivery is improved; the metal plates with the metal convex columns are arranged on the inner wall and the outer wall of the lamp holder respectively, so that the heat dissipation area can be effectively increased, and the heat dissipation effect is enhanced.
The above-mentioned embodiment is right the utility model discloses an explanation, it is not right the utility model discloses a limited, any right the scheme after the simple transform of the utility model all belongs to the protection scope of the utility model.

Claims (5)

1.一种带有异形灯珠的LED灯,其特征在于:包括灯罩(1)、灯头(2)、MBL驱动电路组件(3)、支架(5)和异型树脂套(6),所述MBL驱动电路组件(3)通过卡套竖直固定在灯头(2)的内腔之中且与灯头(2)电连接,所述支架(5)的底端与MBL驱动电路组件(3)相固定,所述MBL驱动电路组件(3)内的半导体发光件(7)固定在支架(5)的顶面,所述异型树脂套(6)套设或包覆在半导体发光件(7)之外,所述灯罩(1)罩设在支架(5)、异型树脂套(6)和半导体发光件(7)之外并固定在灯头(2)之上。1. An LED lamp with a special-shaped lamp bead, characterized in that it comprises a lampshade (1), a lamp holder (2), an MBL drive circuit assembly (3), a bracket (5) and a special-shaped resin sleeve (6), the The MBL drive circuit assembly (3) is vertically fixed in the inner cavity of the lamp cap (2) through a ferrule and is electrically connected to the lamp cap (2), and the bottom end of the bracket (5) is in contact with the MBL drive circuit assembly (3). Fixing, the semiconductor light-emitting element (7) in the MBL drive circuit assembly (3) is fixed on the top surface of the bracket (5), and the special-shaped resin sleeve (6) is sleeved or covered on the semiconductor light-emitting element (7). In addition, the lampshade (1) is covered outside the bracket (5), the special-shaped resin sleeve (6) and the semiconductor light-emitting element (7) and is fixed on the lamp cap (2). 2.如权利要求1所述的一种带有异形灯珠的LED灯,其特征在于:所述灯头(2)的外壁上设有外螺纹(21),所述灯罩(1)和灯头(2)之间卡合连接或者螺纹连接。2. The LED lamp with special-shaped lamp beads according to claim 1, characterized in that: the outer wall of the lamp holder (2) is provided with an external thread (21), the lampshade (1) and the lamp holder ( 2) Snap connection or screw connection between them. 3.如权利要求1所述的一种带有异形灯珠的LED灯,其特征在于:所述MBL驱动电路组件(3)包括线绕保险电阻LF1、整流桥DB1、金属氧化膜电阻R1和LED发光体P1,所述整流桥DB1为全桥整流桥堆,所述整流桥DB1包括引脚1、引脚2、引脚3和引脚4,所述整流桥DB1的两个输入端分别引脚1和引脚3,所述引脚1为正极输入端,所述引脚3为负极输入端,市电火线串联具有浪涌抑制作用的线绕保险电阻LF1接入引脚1,所述引脚3连接市电零线,所述引脚2为正极输出端,所述引脚4为负极输出端,所述引脚2串联金属氧化膜电阻R1和LED发光体P1后接入引脚4形成回路,所述LED发光体P1包括半导体发光件(7)、正极电气极性接触端子和负极电气极性接触端子,所述支架(5)包括支撑台(51)、正引脚(52)和负引脚(53),所述半导体发光件(7)位于支撑台(51)的顶面且两端分别设有正极电气极性接触端子和负极电气极性接触端子,所述正引脚(52)和负引脚(53)均固定在支撑台(51)上,所述正引脚(52)和负引脚(53)的上端分别与正极电气极性接触端子和负极电气极性接触端子相连接,所述正引脚(52)和负引脚(53)的下端分别与MBL驱动电路组件(3)相连接。3 . The LED lamp with special-shaped lamp beads according to claim 1 , wherein the MBL driving circuit assembly ( 3 ) comprises a wire wound fuse resistor LF1 , a rectifier bridge DB1 , a metal oxide film resistor R1 and LED illuminant P1, the rectifier bridge DB1 is a full-bridge rectifier bridge stack, the rectifier bridge DB1 includes a pin 1, a pin 2, a pin 3 and a pin 4, and the two input ends of the rectifier bridge DB1 are respectively Pin 1 and pin 3, the pin 1 is the positive input terminal, the pin 3 is the negative input terminal, and the mains live wire is connected in series with a wire wound fuse resistor LF1 with a surge suppressing effect, so The pin 3 is connected to the neutral line of the commercial power supply, the pin 2 is the positive output end, the pin 4 is the negative output end, and the pin 2 is connected in series with the metal oxide film resistor R1 and the LED illuminator P1 and then connected to the lead. The feet 4 form a loop, the LED light-emitting body P1 includes a semiconductor light-emitting element (7), a positive electrical polarity contact terminal and a negative electrical polarity contact terminal, and the bracket (5) includes a support table (51), a positive pin ( 52) and a negative pin (53), the semiconductor light-emitting element (7) is located on the top surface of the support table (51) and both ends are respectively provided with a positive electrode electrical polarity contact terminal and a negative electrode electrical polarity contact terminal, the positive electrode The pin (52) and the negative pin (53) are both fixed on the support table (51), and the upper ends of the positive pin (52) and the negative pin (53) are respectively contacted with the positive electrical polarity terminal and the negative electrical polarity. The polar contact terminals are connected, and the lower ends of the positive pin (52) and the negative pin (53) are respectively connected with the MBL driving circuit assembly (3). 4.如权利要求1所述的一种带有异形灯珠的LED灯,其特征在于:还包括散热件(4),所述散热件(4)包括金属板(41)和金属凸柱(42),若干个所述金属板(41)环绕固定在灯头(2)的外壁和内壁上,若干个所述金属凸柱(42)依次固定在金属板(41)的另一侧。4 . The LED lamp with special-shaped lamp beads according to claim 1 , further comprising a heat sink ( 4 ), the heat sink ( 4 ) comprising a metal plate ( 41 ) and a metal boss ( 4 . 42), a plurality of the metal plates (41) are fixed on the outer wall and the inner wall of the lamp holder (2) around, and a plurality of the metal protrusions (42) are sequentially fixed on the other side of the metal plate (41). 5.如权利要求1所述的一种带有异形灯珠的LED灯,其特征在于:还包括树脂透镜(8),所述树脂透镜(8)包裹并封住半导体发光件(7),所述异型树脂套(6)套设在树脂透镜(8)之外。5 . The LED lamp with special-shaped lamp beads according to claim 1 , further comprising a resin lens ( 8 ), the resin lens ( 8 ) wrapping and sealing the semiconductor light-emitting element ( 7 ), 6 . The special-shaped resin sleeve (6) is sleeved outside the resin lens (8).
CN202021711263.0U 2020-08-17 2020-08-17 An LED lamp with special-shaped lamp beads Active CN213237040U (en)

Priority Applications (1)

Application Number Priority Date Filing Date Title
CN202021711263.0U CN213237040U (en) 2020-08-17 2020-08-17 An LED lamp with special-shaped lamp beads

Applications Claiming Priority (1)

Application Number Priority Date Filing Date Title
CN202021711263.0U CN213237040U (en) 2020-08-17 2020-08-17 An LED lamp with special-shaped lamp beads

Publications (1)

Publication Number Publication Date
CN213237040U true CN213237040U (en) 2021-05-18

Family

ID=75895424

Family Applications (1)

Application Number Title Priority Date Filing Date
CN202021711263.0U Active CN213237040U (en) 2020-08-17 2020-08-17 An LED lamp with special-shaped lamp beads

Country Status (1)

Country Link
CN (1) CN213237040U (en)

Similar Documents

Publication Publication Date Title
CN205124041U (en) Light -emitting diode lamp tube
US12007078B2 (en) Shadowless waterproof LED lamp bulb
CN204986520U (en) Light -emitting diode (LED) energy -saving lamp
CN201739871U (en) Integral cold cathode fluorescent fixture
CN213237040U (en) An LED lamp with special-shaped lamp beads
CN201507805U (en) Canula assembly type florescent lamp
CN201284995Y (en) High-power LED daylight lamp
CN107448790A (en) A kind of LED light strip light
CN204494334U (en) Color lamp linkage unit and line style color lamp thereof
CN212840790U (en) A bracketless LED lamp
CN213900816U (en) Surface-mounted LED precision support
CN212005212U (en) A kind of LED lamp that is easy to dissipate heat
CN202469736U (en) A 4.5W glass lamp cup LED spotlight
CN216243881U (en) Novel integrated LED down lamp
CN201983027U (en) LED lighting device
CN206145543U (en) LED (light emitting diode) diurnal driving lamp
CN108386764B (en) A LED diamond projection lamp
CN207661454U (en) Improved multi-pole omnidirectional LED light source and its bracket
CN205244877U (en) On -driven LED reflector lamp
CN223331689U (en) Linear explosion-proof lamp
CN216307488U (en) Efficient energy-saving waterproof LED lamp strip
CN215001034U (en) The structure of a new type of LED bulb
CN206459034U (en) A LED retrofit lamp
CN205746153U (en) LED lights
CN207750867U (en) L ED ceiling lamp

Legal Events

Date Code Title Description
GR01 Patent grant
GR01 Patent grant