CN211974263U - Large-scale wine storage tank installation operation platform - Google Patents

Large-scale wine storage tank installation operation platform Download PDF

Info

Publication number
CN211974263U
CN211974263U CN202020042446.1U CN202020042446U CN211974263U CN 211974263 U CN211974263 U CN 211974263U CN 202020042446 U CN202020042446 U CN 202020042446U CN 211974263 U CN211974263 U CN 211974263U
Authority
CN
China
Prior art keywords
wine
storage tank
protective
tank
bottom plate
Prior art date
Legal status (The legal status is an assumption and is not a legal conclusion. Google has not performed a legal analysis and makes no representation as to the accuracy of the status listed.)
Expired - Fee Related
Application number
CN202020042446.1U
Other languages
Chinese (zh)
Inventor
李文乾
王涛
李志成
刘端端
王滔
于雁南
黄磊
谢成前
Current Assignee (The listed assignees may be inaccurate. Google has not performed a legal analysis and makes no representation or warranty as to the accuracy of the list.)
China Construction First Group Corp Ltd
Second Construction Co Ltd of China Construction First Group Co Ltd
Original Assignee
China Construction First Group Corp Ltd
Second Construction Co Ltd of China Construction First Group Co Ltd
Priority date (The priority date is an assumption and is not a legal conclusion. Google has not performed a legal analysis and makes no representation as to the accuracy of the date listed.)
Filing date
Publication date
Application filed by China Construction First Group Corp Ltd, Second Construction Co Ltd of China Construction First Group Co Ltd filed Critical China Construction First Group Corp Ltd
Priority to CN202020042446.1U priority Critical patent/CN211974263U/en
Application granted granted Critical
Publication of CN211974263U publication Critical patent/CN211974263U/en
Expired - Fee Related legal-status Critical Current
Anticipated expiration legal-status Critical

Links

Images

Landscapes

  • Filling Or Discharging Of Gas Storage Vessels (AREA)

Abstract

A large-scale wine storage tank installation operation platform is suitable for wine tank installation in a semi-open structure and comprises a wine tank base, a wine tank bottom plate, a supporting steel frame and a flat bedplate from bottom to top; the wine tank foundation is a solid concrete pier, the upper surface of the wine tank foundation is an inward concave surface, and the inward concave surface is matched with the convex surface of the tank bottom of the wine storage tank; the wine tank bottom plate is arranged on the wine tank foundation and is an arc-shaped panel which is attached to the inner concave surface; the supporting steel frame is fixed on the wine tank bottom plate and is formed by a plurality of unit steel frames through a circular array, and one unit steel frame is formed by a crossbeam, an extending arm with a fixed pulley, two stand columns, a protective cross rod and a protective vertical rod, wherein the extending arm is located on the side face of the crossbeam, the stand columns are located below the crossbeam, the protective cross rod is located in the crossbeam, and the protective vertical rod is buckled with the protective cross rod. The utility model discloses a unit steelframe can have enough to meet the need the use, and the mounting platform safety protection performance who comprises the unit steelframe is good, the fixed pulley makes wine jar wall can rotate in a flexible way and makes things convenient for the construction operation, reduce intensity of labour, and economic benefits is good.

Description

一种大型储酒罐安装操作平台A large-scale wine storage tank installation and operation platform

技术领域technical field

本实用新型属于储酒罐安装技术领域,尤其涉及一种大型储酒罐安装操作平台。The utility model belongs to the technical field of wine storage tank installation, in particular to a large-scale wine storage tank installation and operation platform.

背景技术Background technique

目前,在酒类生产过程中,离不开大型储酒罐的制备和使用。大型储酒罐体积大,重量大,当前在大型储酒罐的安装中,普遍采用钢管脚手架分别设置操作平台和安全防护平台,一方面,操作平台的搭设过程繁琐,安拆复杂,耗时较长,需要使用大量的钢管和钢管扣,材料消耗多,另一方面,此种脚手架操作台体积大,容易占用周边大量的施工空间,不利于其他施工的开展,同时,由于不具有滑移构件,酒罐不能在平台上灵活转动、调整,当需要在平台上的位置需要调整或焊接时,需要多人配合,操作不方便。At present, in the process of wine production, the preparation and use of large wine storage tanks are inseparable. Large-scale wine storage tanks are bulky and heavy. Currently, in the installation of large-scale wine storage tanks, steel pipe scaffolding is generally used to set up the operation platform and the safety protection platform. It needs to use a lot of steel pipes and steel pipe buckles, and consumes a lot of materials. On the other hand, this kind of scaffolding console is large in size and easily occupies a large amount of construction space around it, which is not conducive to the development of other constructions. At the same time, because it does not have sliding components , The wine tank cannot be flexibly rotated and adjusted on the platform. When the position on the platform needs to be adjusted or welded, multiple people are required to cooperate, and the operation is inconvenient.

因此,目前需要一种新型的大型储酒罐安装操作平台。Therefore, a new type of large-scale wine storage tank installation and operation platform is currently required.

实用新型内容Utility model content

本实用新型的目的是提供一种大型储酒罐安装操作平台,要解决现有技术酒罐安装过程中操作平台和防护平台不统一,以及酒罐壁不能在平台上灵活转动调整的问题,同时尽量减少操作平台对周围施工空间的挤占。The purpose of the utility model is to provide a large-scale wine storage tank installation and operation platform, to solve the problems that the operation platform and the protection platform are not unified during the installation process of the wine tank in the prior art, and the wine tank wall cannot be flexibly rotated and adjusted on the platform. Minimize the occupation of the surrounding construction space by the operating platform.

为实现上述目的,本实用新型采用如下技术方案:To achieve the above object, the utility model adopts the following technical solutions:

一种大型储酒罐安装操作平台,为圆形,其特征在于:自下而上包括酒罐基础、酒罐底板、支撑钢架和平台板;所述酒罐基础设于支撑面上,为实心混凝土墩,其上表面为内凹面,所述内凹面与储酒罐的罐底凸面相适配;所述酒罐底板设于酒罐基础之上,为与内凹面贴合设置的弧形面板;所述支撑钢架固定在酒罐底板上,包括一系列绕酒罐底板外围呈圆形阵列排布的单元钢架,所述单元钢架包括横梁;所述横梁以酒罐底板中心为中心呈辐射状排布,一系列横梁组合形成平台面,所述横梁底部通过立柱与酒罐底板固定连接;所述横梁的一侧在水平面内垂直设有伸臂,所述伸臂上安装有定滑轮,安装时所述储酒罐的侧壁架设在一系列定滑轮上实现转动;所述横梁的外侧端设置防护栏杆;所述平台板设于储酒罐外侧支撑钢架形成的平台面上。A large-scale wine storage tank installation and operation platform is circular, and is characterized in that: from bottom to top, it includes a wine tank foundation, a wine tank bottom plate, a supporting steel frame and a platform plate; the wine tank foundation is set on the supporting surface, which is The upper surface of the solid concrete pier is an inner concave surface, and the inner concave surface is adapted to the convex surface of the tank bottom of the wine tank; panel; the supporting steel frame is fixed on the bottom plate of the wine tank, and includes a series of unit steel frames arranged in a circular array around the periphery of the bottom plate of the wine tank, and the unit steel frame includes a beam; the beam is based on the center of the bottom plate of the wine tank. The center is arranged in a radial shape, and a series of beams are combined to form a platform surface. The bottom of the beam is fixedly connected to the bottom plate of the wine tank through a column; one side of the beam is vertically provided with an outrigger in the horizontal plane, and an outrigger is installed on the outrigger. Fixed pulley, the side wall of the wine storage tank is erected on a series of fixed pulleys to realize rotation during installation; the outer end of the beam is provided with a protective railing; superior.

作为本实用新型的优选技术方案,所述防护栏杆包括互相垂直设置的防护横杆和防护立杆,所述防护横杆的内侧端部与横梁固连;外侧端部与防护立杆固连,相邻防护立杆之间用水平连接管固定。As a preferred technical solution of the present invention, the protective railing includes a protective cross-bar and a protective vertical rod arranged perpendicular to each other, the inner end of the protective cross-bar is fixedly connected with the horizontal beam; A horizontal connecting pipe is used to fix the adjacent protective poles.

进一步优选的,所述伸臂为槽钢,所述槽钢的槽口向上设置,与横梁共面设置,所述定滑轮安装于槽口内。Further preferably, the outrigger is made of channel steel, the notch of the channel steel is arranged upward, and is arranged coplanar with the beam, and the fixed pulley is installed in the notch.

进一步优选的,所述防护横杆与横梁套接连接,套接长度不低于250mm;所述防护横杆与防护立杆扣接连接。Further preferably, the protective cross bar is connected with the cross beam in a sleeve connection, and the length of the sleeve connection is not less than 250 mm; the protective cross bar is connected with the protective vertical bar by snap connection.

进一步优选的,每根横梁底部设两根立柱,所述立柱顶部与横梁焊接固定,底部与酒罐底板焊接固定,焊接转角位置分别设置若干角钢进行加强。Further preferably, two uprights are arranged at the bottom of each beam, the top of the uprights is welded and fixed to the beam, the bottom is welded and fixed to the bottom plate of the wine tank, and several angle steels are respectively arranged at the welding corners for reinforcement.

进一步优选的,两根立柱中有一根与伸臂对应设置,立柱与伸臂之间还设置有斜撑。Further preferably, one of the two uprights is arranged corresponding to the outrigger arm, and a diagonal brace is also arranged between the upright post and the outrigger arm.

进一步优选的,所述酒罐底板的厚度为10~20mm,直径与酒罐基础相适应,为3000~6000mm;所述横梁和立柱为方钢,所述防护栏杆为矩形钢管;所述平台板为木跳板。Further preferably, the thickness of the bottom plate of the wine tank is 10-20 mm, and the diameter is compatible with the foundation of the wine tank, which is 3000-6000 mm; the beam and the column are square steel, the protective railing is a rectangular steel pipe; the platform plate For wooden springboard.

进一步优选的,所述横梁伸出酒罐基础之外的长度占其总长度的1/5~1/3。Further preferably, the length of the beam extending beyond the base of the wine tank accounts for 1/5 to 1/3 of its total length.

更优选的,相邻两根横梁的中点之间距离为1.5m~2m。More preferably, the distance between the midpoints of two adjacent beams is 1.5m-2m.

与现有技术相比,本实用新型具有以下特点和有益效果:Compared with the prior art, the utility model has the following characteristics and beneficial effects:

1、本实用新型安装完成后,将操作平台和安全防护平台合为一体,对周围施工空间的占用较少;1. After the installation of the utility model is completed, the operation platform and the safety protection platform are integrated into one, and the surrounding construction space is less occupied;

2、平台牢固可靠,酒罐壁在滑轮上能灵活转动,调整和焊接非常方便;2. The platform is firm and reliable, the wall of the wine tank can be flexibly rotated on the pulley, and the adjustment and welding are very convenient;

3、组装方便,防护立杆和防护横杆采用国标钢管,防护横杆直接插入横梁内进行固定;单元钢架是点焊在罐体底板上的,可拆卸,可周转。3. Easy to assemble, the protective vertical rod and protective cross rod are made of national standard steel pipes, and the protective cross rod is directly inserted into the cross beam for fixing; the unit steel frame is spot welded on the bottom plate of the tank body, which is removable and can be turned around.

附图说明Description of drawings

通过结合以下附图所作的详细描述,本实用新型的上述和/或其他方面和优点将变得更清楚和更容易理解,这些附图只是示意性的,并不限制本实用新型,其中:The above-mentioned and/or other aspects and advantages of the present invention will become clearer and easier to understand from the detailed description in conjunction with the following drawings, which are only schematic and do not limit the present invention, wherein:

图1为本实用新型涉及的大型储酒罐安装操作平台的整体结构示意图;Fig. 1 is the overall structure schematic diagram of the large-scale wine storage tank installation operation platform that the utility model relates to;

图2为图1中平台板所在水平面的剖面结构示意图;Fig. 2 is the cross-sectional structure schematic diagram of the horizontal plane where the platform plate is located in Fig. 1;

图3为本实用新型涉及的单元钢架的正视图;3 is a front view of the unit steel frame involved in the utility model;

图4为本实用新型涉及的单元钢架的俯视图;Fig. 4 is the top view of the unit steel frame involved in the utility model;

图5为本实用新型涉及的单元钢架的侧视图。FIG. 5 is a side view of the unit steel frame according to the present invention.

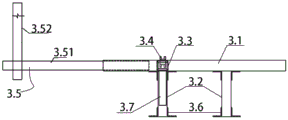
附图标记:1-酒罐基础、2-酒罐底板、3-支撑钢架、3.1-横梁、3.2-立柱、3.3-伸臂、3.4-定滑轮、3.5-防护栏杆、3.51-防护横杆、3.52-防护立杆、3.6-角钢、3.7-斜撑、4-平台板、5-储酒罐。Reference signs: 1- wine tank foundation, 2- wine tank bottom plate, 3- supporting steel frame, 3.1- beam, 3.2- column, 3.3- outrigger, 3.4- fixed pulley, 3.5- protective railing, 3.51- protective cross bar , 3.52-protective pole, 3.6-angle steel, 3.7-diagonal brace, 4-platform plate, 5-wine storage tank.

具体实施方式Detailed ways

为使本实用新型实现的技术手段、创新特征、达成目的与功效易于明白了解,下面对本实用新型进一步说明。In order to make the technical means, innovative features, achievement goals and effects realized by the present invention easy to understand and understand, the present invention is further described below.

在此记载的实施例为本实用新型的特定的具体实施方式,用于说明本实用新型的构思,均是解释性和示例性的,不应解释为对本实用新型实施方式及本实用新型范围的限制。除在此记载的实施例外,本领域技术人员还能够基于本申请权利要求书和说明书所公开的内容采用显而易见的其它技术方案,这些技术方案包括采用对在此记载的实施例的做出任何显而易见的替换和修改的技术方案。The embodiments described herein are specific embodiments of the present invention, and are used to illustrate the concept of the present invention. They are all illustrative and exemplary, and should not be construed as limiting the embodiments of the present invention and the scope of the present invention. limit. In addition to the embodiments described herein, those skilled in the art can also adopt other obvious technical solutions based on the contents disclosed in the claims and the description of the present application, and these technical solutions include any obvious technical solutions to the embodiments described herein. Alternative and modified technical solutions.

本实施例的储酒罐高15米,直径9米,采用顶升方法将钢板一层一层焊接形成罐体,在酒罐底板的钢板板面上沿一周阵列式的焊接防护单元钢架,接着在单元钢架上铺设木跳板,形成一个围绕酒罐一周的操作及防护平台。The wine storage tank of this embodiment is 15 meters high and 9 meters in diameter. The steel plate is welded layer by layer to form the tank body by the jacking method. Then lay a wooden springboard on the unit steel frame to form an operation and protection platform around the wine tank.

具体的,如图1和2,其自下而上包括酒罐基础1、酒罐底板2、支撑钢架3和平台板4;酒罐基础1设于支撑面上,为实心混凝土墩,其上表面为内凹面,内凹面与储酒罐5的罐底凸面相适配;酒罐底板2设于酒罐基础1之上,为与内凹面贴合设置的弧形面板,为保证强度,酒罐底板2的厚度为10~20mm,直径与酒罐基础相适应,为3000~6000mm;本实施例中厚度10mm,直径4500mm。Specifically, as shown in Figures 1 and 2, it includes a wine tank foundation 1, a wine tank bottom plate 2, a supporting steel frame 3 and a platform plate 4 from bottom to top; the wine tank foundation 1 is set on the supporting surface and is a solid concrete pier. The upper surface is an inner concave surface, and the inner concave surface matches the convex surface of the tank bottom of the wine storage tank 5; The thickness of the bottom plate 2 of the wine tank is 10-20 mm, and the diameter is 3000-6000 mm suitable for the foundation of the wine tank; in this embodiment, the thickness is 10 mm and the diameter is 4500 mm.

如图3~5,支撑钢架3固定在酒罐底板2上,包括一系列绕酒罐底板2外围呈圆形阵列排布的单元钢架,单元钢架包括横梁3.1;横梁3.1以酒罐底板2中心为中心呈辐射状排布,一系列横梁3.1组合形成平台面,横梁3.1底部通过立柱3.2与酒罐底板2固定连接;每根横梁3.1底部设两根立柱3.2,横梁3.1和立柱3.2通过角钢3.6焊接连接,立柱3.2通过角钢3.6与酒罐底板焊接连接,支撑起整个安装平台,横梁为 60*5方钢,立柱 50*5方钢。两根立柱3.2中,一根与伸臂3.3对应设置,两者之间还设置有斜撑3.7。横梁3.1的一侧在水平面内垂直设有伸臂3.3,伸臂3.3上安装有定滑轮3.4,伸臂3.3为由长宽厚420*50*5mm的钢板卷制而成的槽钢,槽钢的槽口向上设置,与横梁3.1共面设置,定滑轮3.4安装于槽口内,定滑轮3.4上放置酒罐壁5,可使其轻松转动,一系列定滑轮形成一个大的圆环,圆环内直径比酒罐直径大200mm左右,因为酒罐侧壁在安装阶段,是不闭合的,需要不断调整,所以定滑轮需要往外一点。横梁3.1的外侧端设置防护栏杆3.5;防护栏杆3.5包括互相垂直设置的防护横杆3.51和防护立杆3.52,防护横杆3.51的内侧端部与横梁3.1固连;外侧端部与防护立杆3.52固连,优选防护横杆3.51直接插入横梁3.1内250mm并楔紧,再于防护横杆3.51上用直角扣件扣接防护立杆3.52,相邻防护立杆3.52之间用水平连接管固定,防护横杆3.51和防护立杆3.52均采用48*3.5钢管。As shown in Figures 3 to 5, the supporting steel frame 3 is fixed on the wine tank bottom plate 2, and includes a series of unit steel frames arranged in a circular array around the periphery of the wine tank bottom plate 2. The unit steel frame includes a beam 3.1; The center of the bottom plate 2 is radially arranged, a series of beams 3.1 are combined to form a platform surface, and the bottom of the beam 3.1 is fixedly connected to the bottom plate 2 of the wine tank through the column 3.2; the bottom of each beam 3.1 is provided with two columns 3.2, beam 3.1 and column 3.2 The angle steel 3.6 is welded and connected, and the column 3.2 is welded and connected to the bottom plate of the wine tank through the angle steel 3.6 to support the entire installation platform. The beam is 60*5 square steel, and the column is 50*5 square steel. Among the two uprights 3.2, one is arranged corresponding to the outrigger arm 3.3, and a diagonal brace 3.7 is also arranged between the two. One side of the beam 3.1 is vertically provided with an outrigger 3.3 in the horizontal plane. A fixed pulley 3.4 is installed on the outrigger 3.3. The notch is set upward and coplanar with the beam 3.1, the fixed pulley 3.4 is installed in the notch, and the wine tank wall 5 is placed on the fixed pulley 3.4, which can be easily rotated. A series of fixed pulleys form a large ring, inside the ring The diameter is about 200mm larger than the diameter of the wine tank. Because the side wall of the wine tank is not closed during the installation stage, it needs to be adjusted continuously, so the fixed pulley needs to be a little outward. The outer end of the cross beam 3.1 is provided with a protective railing 3.5; the protective railing 3.5 includes a protective cross rod 3.51 and a protective vertical rod 3.52 arranged perpendicular to each other, and the inner end of the protective horizontal rod 3.51 is fixedly connected with the cross beam 3.1; For fixed connection, it is preferable to insert the protective cross bar 3.51 directly into the cross beam 3.1 for 250mm and wedge it tightly, and then use a right-angle fastener to fasten the protective vertical bar 3.52 on the protective cross bar 3.51, and use a horizontal connecting pipe to fix the adjacent protective vertical bars 3.52. The protective cross bar 3.51 and the protective vertical bar 3.52 are made of 48*3.5 steel pipes.

横梁伸出酒罐基础之外的长度占其总长度的1/5~1/3,本实施例中横梁总长1000mm,左右悬挑300mm,平台板4设于伸出酒罐基础之外的横梁形成的平台面上,为木跳板。The length of the beam extending beyond the base of the wine tank accounts for 1/5 to 1/3 of its total length. In this embodiment, the total length of the beam is 1000mm, and the left and right cantilevers are 300mm. The platform plate 4 is set on the beam extending beyond the base of the wine tank. The formed platform is a wooden springboard.

本实用新型安装平台由多个单元钢架通过圆形阵列组成,单元钢架点焊于酒罐底板上,再于单元钢架上铺设木跳板,设置防护栏杆,形成可靠的安装平台。The installation platform of the utility model is composed of a plurality of unit steel frames through a circular array, the unit steel frames are spot welded on the bottom plate of the wine tank, a wooden springboard is laid on the unit steel frame, and protective railings are arranged to form a reliable installation platform.

以上仅为本实用新型的较佳实施例,并不用以限制本实用新型,凡在本实用新型的精神和原则之内,所作的任何修改、等同替换、改进等,均应包含在本实用新型的保护范围之内。The above are only preferred embodiments of the present utility model, and are not intended to limit the present utility model. Any modifications, equivalent replacements, improvements, etc. made within the spirit and principles of the present utility model shall be included in the present utility model. within the scope of protection.

Claims (10)

1. The utility model provides a large-scale wine storage tank installation operation platform, is circular, its characterized in that: the wine tank comprises a wine tank base (1), a wine tank bottom plate (2), a supporting steel frame (3) and a flat plate (4) from bottom to top;
the wine tank foundation (1) is arranged on the supporting surface and is a solid concrete pier, the upper surface of the wine tank foundation is an inward concave surface, and the inward concave surface is matched with the convex surface of the tank bottom of the wine storage tank (5);
the wine tank bottom plate (2) is arranged on the wine tank foundation (1) and is an arc-shaped panel which is attached to the inner concave surface;
the supporting steel frames (3) are fixed on the wine tank bottom plate (2) and comprise a series of unit steel frames which are arranged around the periphery of the wine tank bottom plate (2) in a circular array, and each unit steel frame comprises a cross beam (3.1); the cross beams (3.1) are radially arranged by taking the center of the wine tank bottom plate (2) as the center, a series of cross beams (3.1) are combined to form a platform surface, and the bottoms of the cross beams (3.1) are fixedly connected with the wine tank bottom plate (2) through the upright columns (3.2); one side of the cross beam (3.1) is vertically provided with an extending arm (3.3) in a horizontal plane, the extending arm (3.3) is provided with a fixed pulley (3.4), and the side wall of the wine storage tank (5) is erected on a series of fixed pulleys (3.4) to realize rotation during installation; the outer side end of the cross beam (3.1) is provided with a protective railing (3.5);
the platform plate (4) is arranged on a platform surface formed by the supporting steel frame (3) on the outer side of the wine storage tank (5).
2. The large-scale wine storage tank installation and operation platform of claim 1, wherein: the protective guard bar (3.5) comprises a protective cross bar (3.51) and a protective upright rod (3.52) which are vertically arranged, and the end part of the inner side of the protective cross bar (3.51) is fixedly connected with the cross beam (3.1); the outer end part of the connecting rod is fixedly connected with the protective vertical rods (3.52), and the adjacent protective vertical rods (3.52) are fixed by a horizontal connecting pipe.
3. The large-scale wine storage tank installation and operation platform of claim 1, wherein: the extending arm (3.3) is a channel steel, a notch of the channel steel is arranged upwards and is coplanar with the cross beam (3.1), and the fixed pulley (3.4) is arranged in the notch.
4. The large-scale wine storage tank installation and operation platform of claim 2, wherein: the protective cross bar (3.51) is connected with the cross beam (3.1) in a sleeved mode, and the sleeved length is not less than 250 mm; the protective cross rod (3.51) is connected with the protective vertical rod (3.52) in a buckling manner.
5. The large-scale wine storage tank installation and operation platform of claim 1, wherein: two columns (3.2) are arranged at the bottom of each beam (3.1), the tops of the columns (3.2) are fixedly welded with the beams (3.1), the bottoms of the columns are fixedly welded with the wine tank bottom plate (2), and a plurality of angle steels (3.6) are arranged at the positions of welding corners to be reinforced respectively.
6. The large-scale wine storage tank installation and operation platform of claim 5, wherein: one of the two upright posts (3.2) is arranged corresponding to the extending arm (3.3), and an inclined strut (3.7) is also arranged between the upright post (3.2) and the extending arm (3.3).
7. The large-scale wine storage tank installation and operation platform of claim 1, wherein: the thickness of wine jar bottom plate (2) is 10 ~ 20mm, and the diameter suits with wine jar basis (1), is 3000 ~ 6000 mm.
8. The large-scale wine storage tank installation and operation platform of claim 1, wherein: the cross beam (3.1) and the upright post (3.2) are made of square steel, and the guard rail (3.5) is made of rectangular steel pipe; the platform board (4) is a wood springboard.
9. The large-scale wine storage tank installation and operation platform of claim 1, wherein: the length of the cross beam (3.1) extending out of the wine tank foundation (1) accounts for 1/5-1/3 of the total length of the wine tank foundation.
10. The large-scale wine storage tank installation and operation platform of claim 1, wherein: the distance between the middle points of two adjacent cross beams (3.1) is 1.5-2 m.
CN202020042446.1U 2020-01-09 2020-01-09 Large-scale wine storage tank installation operation platform Expired - Fee Related CN211974263U (en)

Priority Applications (1)

Application Number Priority Date Filing Date Title
CN202020042446.1U CN211974263U (en) 2020-01-09 2020-01-09 Large-scale wine storage tank installation operation platform

Applications Claiming Priority (1)

Application Number Priority Date Filing Date Title
CN202020042446.1U CN211974263U (en) 2020-01-09 2020-01-09 Large-scale wine storage tank installation operation platform

Publications (1)

Publication Number Publication Date
CN211974263U true CN211974263U (en) 2020-11-20

Family

ID=73386163

Family Applications (1)

Application Number Title Priority Date Filing Date
CN202020042446.1U Expired - Fee Related CN211974263U (en) 2020-01-09 2020-01-09 Large-scale wine storage tank installation operation platform

Country Status (1)

Country Link
CN (1) CN211974263U (en)

Cited By (2)

* Cited by examiner, † Cited by third party
Publication number Priority date Publication date Assignee Title
CN113309330A (en) * 2021-06-17 2021-08-27 中国电建集团山东电力建设有限公司 Auxiliary device for assembling large tank
CN117798459A (en) * 2024-02-29 2024-04-02 鞍山华信重工机械有限公司 Spherical pressure storage tank welding method and system

Cited By (3)

* Cited by examiner, † Cited by third party
Publication number Priority date Publication date Assignee Title
CN113309330A (en) * 2021-06-17 2021-08-27 中国电建集团山东电力建设有限公司 Auxiliary device for assembling large tank
CN117798459A (en) * 2024-02-29 2024-04-02 鞍山华信重工机械有限公司 Spherical pressure storage tank welding method and system
CN117798459B (en) * 2024-02-29 2024-04-30 鞍山华信重工机械有限公司 Spherical pressure storage tank welding method and system

Similar Documents

Publication Publication Date Title
CN211974263U (en) Large-scale wine storage tank installation operation platform
CN213268605U (en) Steel bar support and raft foundation steel bar structure comprising same
CN210683021U (en) Rotary tower body structure of tower crane
CN204492133U (en) A kind of easy insulated column construction tool frame
CN112723094A (en) Integrated wall-attached device based on synchronous climbing of light steel platform
CN212453822U (en) Swimming pool steel bounding wall structure
CN209779626U (en) Upright pile positioning and lowering auxiliary device
CN221095940U (en) A construction elevator platform protection device
CN223724125U (en) A new type of protective screen frame
CN223837034U (en) A column top lifting platform structure with a rear tie rod
CN222686252U (en) Prefabricated composite panel support assembly
CN213742676U (en) Easily adorn formula stainless steel railing frame
CN211369456U (en) A bracket for construction of a waterfront curtain wall
CN219654425U (en) A warning bar for construction sites
CN220014391U (en) A movable scaffolding that is easy to install and disassemble
CN222120924U (en) Post-pouring belt supporting structure adopting square steel pipes
CN220055942U (en) Elevator wall-attached connection structure for adduction type building
CN221682547U (en) A face limit protection support for building carrier plate construction
CN222769926U (en) An assembled metal module transport rack
CN218894381U (en) Wall-attached hanging basket upright post diagonal bracing
CN223368065U (en) Steel bar straightening disc fixing device
CN222667675U (en) Guard rail device
CN209891779U (en) A prefabricated steel structure gazebo
CN220789783U (en) Novel foundation pit supporting equipment
CN218028494U (en) Steel bar support frame suitable for foundation slab deepens pit position

Legal Events

Date Code Title Description
GR01 Patent grant
GR01 Patent grant
CF01 Termination of patent right due to non-payment of annual fee

Granted publication date: 20201120

CF01 Termination of patent right due to non-payment of annual fee