CN211774469U - A rainwater recycling device - Google Patents
A rainwater recycling device Download PDFInfo
- Publication number
- CN211774469U CN211774469U CN202020057252.9U CN202020057252U CN211774469U CN 211774469 U CN211774469 U CN 211774469U CN 202020057252 U CN202020057252 U CN 202020057252U CN 211774469 U CN211774469 U CN 211774469U
- Authority
- CN
- China
- Prior art keywords
- rainwater
- water
- tank
- recycling device
- collection
- Prior art date
- Legal status (The legal status is an assumption and is not a legal conclusion. Google has not performed a legal analysis and makes no representation as to the accuracy of the status listed.)
- Expired - Fee Related
Links
Images
Landscapes
- Sewage (AREA)
Abstract
本实用新型公开了一种雨水回收利用装置,包括收集机构以及回用机构,所述收集机构包括收集池及过滤体,所述收集池设置于地面的下方,所述收集池具有与所述收集腔连通的进水口,所述过滤体设置于所述进水口处,所述收集池的池壁的下端设有与所述收集腔连通的污水口;所述回用机构包括回用池、连接管及水泵。本实用新型提出的技术方案的有益效果是:通过过滤体对雨水进行初步过滤后收集到收集池内,再通过污水口将降雨初期的浊度较大的雨水排出,接着通过连接管将收集池内经过沉淀后的雨水通入到回用池内,最后通过水泵将回用池内的水抽入到供水管网中回收利用。本装置不仅能缓解局部区域的内涝威胁,还能将雨水回收利用,经济和社会效益良好。
The utility model discloses a rainwater recycling device, comprising a collection mechanism and a reuse mechanism. The collection mechanism includes a collection tank and a filter body, the collection tank is arranged below the ground, and the collection tank has the The water inlet communicated with the cavity, the filter body is arranged at the water inlet, the lower end of the pool wall of the collection tank is provided with a sewage port communicated with the collection cavity; the recycling mechanism includes a recycling pool, a connection pipes and pumps. The beneficial effect of the technical scheme proposed by the utility model is that the rainwater is preliminarily filtered by the filter body and then collected into the collection tank, and then the rainwater with high turbidity in the early stage of rainfall is discharged through the sewage outlet, and then the rainwater passing through the collection tank is discharged through the connecting pipe. The precipitation rainwater is passed into the reuse tank, and finally the water in the reuse tank is pumped into the water supply pipe network through the water pump for recycling. The device can not only alleviate the threat of waterlogging in local areas, but also recycle rainwater for good economic and social benefits.
Description
技术领域technical field
本实用新型涉及雨水回收处理技术领域,尤其是涉及一种雨水回收利用装置。The utility model relates to the technical field of rainwater recycling and processing, in particular to a rainwater recycling device.
背景技术Background technique
随着我国经济不断发展,城镇化进程明显提速,大量的居民涌向城市,但城市的排水设施建设和雨洪管理模式难以匹配城市的扩容速度,城市某些老旧小区尚没有完整的排水系统、灰色硬化率偏高、管道容量超负荷、管段破损堵塞等原因导致暴雨期小区地面大量积水,如何将雨洪期雨水回收利用,缓解小区内涝和旱季水资源短缺现象已成为当今城市亟待解决的社会焦点问题。With the continuous development of my country's economy, the process of urbanization has accelerated significantly, and a large number of residents have flocked to cities. However, the construction of urban drainage facilities and the management of stormwater and floods cannot match the speed of urban expansion, and some old communities in the city do not have complete drainage systems. , high gray hardening rate, overloaded pipeline capacity, broken and blocked pipe sections and other reasons lead to a large amount of water on the ground of the community during the rainstorm period. How to recycle the rainwater during the rainstorm period to alleviate the waterlogging of the community and the shortage of water resources in the dry season has become an urgent problem to be solved in today's cities. social focus.
实用新型内容Utility model content
有鉴于此,有必要提供一种既能缓解局部内涝又能充分利用雨水资源的雨水回收利用装置。In view of this, it is necessary to provide a rainwater recycling device that can not only alleviate local waterlogging but also make full use of rainwater resources.
一种雨水回收利用装置,包括:收集机构以及回用机构,A rainwater recycling device, comprising: a collection mechanism and a reuse mechanism,
所述收集机构包括收集池及过滤体,所述收集池设置于地面的下方,所述收集池具有一密闭的收集腔,所述收集池具有与所述收集腔连通的进水口,所述过滤体设置于所述进水口处,所述收集池的池壁的下端设有与所述收集腔连通的污水口,所述污水口处设有污水阀;The collection mechanism includes a collection tank and a filter body, the collection tank is arranged below the ground, the collection tank has a closed collection cavity, the collection tank has a water inlet communicated with the collection cavity, the filter The body is arranged at the water inlet, the lower end of the pool wall of the collection tank is provided with a sewage port communicating with the collection cavity, and a sewage valve is arranged at the sewage port;
所述回用机构包括回用池、连接管及水泵,所述回用池具有一密闭的回用腔,所述连接管的一端与所述收集腔连通,所述连接管的另一端与所述回用腔连通,所述连接管内设有滤网,所述水泵的入口与所述回用腔连通,所述水泵的出口用于与供水管网连通。The recycling mechanism includes a recycling tank, a connecting pipe and a water pump. The recycling tank has a closed recycling cavity, one end of the connecting pipe is communicated with the collecting cavity, and the other end of the connecting pipe is connected with the The recycling cavity is communicated, the connecting pipe is provided with a filter screen, the inlet of the water pump is communicated with the recycling cavity, and the outlet of the water pump is used to communicate with the water supply pipe network.
与现有技术相比,本实用新型提出的技术方案的有益效果是:通过过滤体对雨水进行初步过滤后收集到收集池内,通过收集池的污水口将降雨初期的浊度较大的雨水排出,通过连接管将收集池内经过沉淀后的雨水通入到回用池内,最后通过水泵将回用池内的水抽入到供水管网中回收利用。通过本装置,不仅能有效缓解局部区域的内涝威胁,还能将雨水回收利用,经济和社会效益良好。Compared with the prior art, the beneficial effect of the technical solution proposed by the utility model is that the rainwater is preliminarily filtered by the filter body and then collected into the collection tank, and the rainwater with high turbidity in the early stage of rainfall is discharged through the sewage outlet of the collection tank. , the rainwater after sedimentation in the collection tank is passed into the reuse tank through the connecting pipe, and finally the water in the reuse tank is pumped into the water supply pipe network through the water pump for recycling. Through the device, not only the threat of waterlogging in local areas can be effectively alleviated, but also the rainwater can be recycled and utilized, and the economic and social benefits are good.
附图说明Description of drawings
图1是本实用新型提供的雨水回收利用装置的一实施例的结构示意图;1 is a schematic structural diagram of an embodiment of a rainwater recycling device provided by the present invention;
图2是图1中区域A的局部放大图;Fig. 2 is a partial enlarged view of area A in Fig. 1;
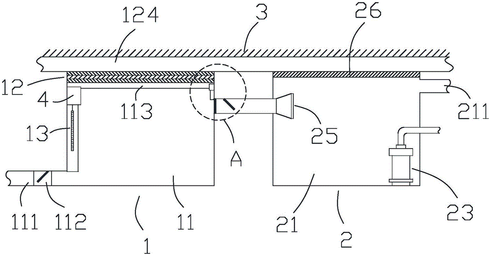
图中:1-收集机构、2-回用机构、3-地面、4-PLC控制器、11-收集池、111-污水口、112-污水阀、113-顶盖、12-过滤体、121-砂石层、122-碎石层、123-透水混凝土层、124-植被层、13-液位计、14-浊度检测器、21-回用池、211-溢流口、22-连接管、221-滤网、23-水泵、24-连通阀、25-单向阀、26-隔水板。In the picture: 1-collection mechanism, 2-reuse mechanism, 3-ground, 4-PLC controller, 11-collection tank, 111-sewage outlet, 112-sewage valve, 113-top cover, 12-filter body, 121 - Sand layer, 122- Crushed stone layer, 123- Permeable concrete layer, 124- Vegetation layer, 13- Liquid level gauge, 14- Turbidity detector, 21- Reuse pool, 211- Overflow port, 22- Connection Pipe, 221-screen, 23-water pump, 24-connection valve, 25-check valve, 26-water barrier.
具体实施方式Detailed ways
为了使本实用新型的目的、技术方案及优点更加清楚明白,以下结合附图及实施例,对本实用新型进行进一步详细说明。应当理解,此处所描述的具体实施例仅仅用以解释本实用新型,并不用于限定本实用新型。In order to make the purpose, technical solutions and advantages of the present utility model more clearly understood, the present utility model will be further described in detail below with reference to the accompanying drawings and embodiments. It should be understood that the specific embodiments described herein are only used to explain the present invention, and are not intended to limit the present invention.
请参照图1,本实用新型提供了一种雨水回收利用装置,包括收集机构1以及回用机构2。Referring to FIG. 1 , the present invention provides a rainwater recycling device, including a
请参照图1,所述收集机构1包括收集池11及过滤体12,所述收集池11设置于地面3的下方,所述收集池11具有一密闭的收集腔,所述收集池11具有与所述收集腔连通的进水口,所述过滤体12设置于所述进水口处,所述收集池11的池壁的下端设有与所述收集腔连通的污水口111,所述污水口111处设有污水阀112,所述污水阀112用于控制所述污水口111的通断。Please refer to FIG. 1 , the
请参照图1和图2,所述回用机构2包括回用池21、连接管22及水泵23,所述回用池21具有一密闭的回用腔,本实施例中,所述回用池21上设有隔水板26,从而使回用腔处于密闭状态,所述连接管22的一端与所述收集腔连通,所述连接管22的另一端与所述回用腔连通,所述连接管22内设有滤网221,所述水泵23的入口与所述回用腔连通,所述水泵23的出口用于与供水管网(未示出)连通,供水管网可以为非饮用水水管,例如可以为公园喷泉的供水水管,本实施例中,供水管网为绿化灌溉管道,收集的雨水主要用于道路浇洒和园林灌溉。1 and 2, the
本实用新型提供的雨水回收利用装置的工作过程如下:降雨时,雨水经过过滤体12过滤后从进水口流入收集池11内,由于降雨初期雨水较浑浊,当降雨3~5分钟后打开污水阀112将这些浑浊的雨水排出收集池11,再关闭污水阀112,收集池11继续收集雨水,此时的雨水较清澈,当收集池11内的雨水达到一定深度后,会通过连接管22进入回用池21内,并在通过连接管22时经过滤网221的再次过滤,最后通过水泵23将回用池21内的雨水抽入到供水管网中被回收利用。The working process of the rainwater recycling device provided by the present invention is as follows: when it rains, the rainwater flows into the
进一步地,请参照图1和图2,所述进水口位于所述收集池11的上端面上,所述进水口处设有与所述进水口相配合的顶盖113,所述顶盖113上设有若干个通孔(未示出);所述过滤体12包括砂石层121、碎石层122、透水混凝土层123以及植被层124,所述砂石层121铺设于所述顶盖113的上方,所述碎石层122铺设于所述砂石层121的上方,所述透水混凝土层123铺设于所述碎石层122的上方,所述植被层124铺设于所述透水混凝土层123的上方。降雨时,雨水依次经过植被层124、透水混凝土层123、碎石层122以及砂石层121,通过层层过滤后进入收集池11内。Further, please refer to FIG. 1 and FIG. 2 , the water inlet is located on the upper end surface of the
优选地,请参照图1,所述收集腔内设有液位计13,所述液位计13用于检测所述收集腔内的雨水深度。Preferably, please refer to FIG. 1 , a
优选地,请参照图2,所述收集腔内还设有浊度检测器14,本实施例中,所述浊度检测仪型号是JY-PTU200,所述连接管22内设有连通阀24,所述连通阀24用于控制所述连接管22的通断。Preferably, please refer to FIG. 2 , a
优选地,请参照图1,本实用新型提供的雨水回收利用装置还包括PLC控制器4,所述PLC控制器4与所述液位计13、所述浊度检测器14、所述连通阀24及所述污水阀112分别电连接。本实施例中,PLC控制器4的型号是NX-ID5442,需要指出的是,本实施例中的PLC控制器4通过市面上通用的PLC简单编程即可轻松实现,通过PLC简单编程为现有技术,本实用新型亦不保护该编程实现方式;当然在实际使用时,本实施例中提供的雨水回收利用装置亦可不设置PLC控制器4,直接利用人工来控制连通阀24及污水阀112的开闭,本实用新型对此不做限定,为了方便理解,以下均以设置了PLC控制器4的雨水回收利用装置来进行说明。Preferably, please refer to FIG. 1 , the rainwater recycling device provided by the present invention further includes a
进一步地,请参照图1,所述连接管22的一端设有单向阀25,单向阀25用于限制连接管22内的水流方向,从而防止出现回用池21内的水流入收集池11的情况的出现。Further, please refer to FIG. 1, one end of the connecting
优选地,请参照图1,所述单向阀25为鸭嘴止回阀,所述鸭嘴止回阀设置于所述连接管22位于所述回用腔内的一端。Preferably, please refer to FIG. 1 , the one-
优选地,请参照图1,所述回用池21的上端设有与所述回用腔连通的溢流口211,所述溢流口211用于连接雨水管网(未示出),从而排放超标雨水。所述溢流口211在回用池21内的水达到一定高度时将超标雨水排出,从而保证本装置的正常运行。Preferably, please refer to FIG. 1 , the upper end of the
为了更好地理解本实用新型,以下结合图1-图2来对本实用新型提供的雨水回收利用装置的工作过程进行详细说明:降雨时,雨水经过过滤体12过滤后从进水口流入收集池11内,由于降雨初期雨水较浑浊,当PLC控制器4通过液位计13检测到雨水达到设定的深度后打开污水阀112将这些浑浊的雨水排出收集池11,再关闭污水阀112,收集池11继续收集雨水,此时的雨水较清澈,当收集池11内的雨水达到一定深度后,PLC控制器4通过浊度检测器14检测收集池11内的水的浊度,但检测到浊度低于设定值时打开连通阀24,收集池11内的雨水通过连接管22进入回用池21内,并在通过连接管22时经过滤网221的再次过滤,最后通过水泵23将回用池21内的雨水抽入到供水管网中被回收利用。In order to better understand the present utility model, the working process of the rainwater recycling device provided by the present utility model will be described in detail below in conjunction with Fig. 1-Fig. 2: During rainfall, the rainwater flows into the
综上所述,本实用新型通过过滤体12对雨水进行初步过滤后收集到收集池11内,再通过收集池11的污水口111将降雨初期的浊度较大的雨水排出,接着通过连接管22将收集池11内经过沉淀后的雨水通入到回用池21内,最后通过水泵23将回用池21内的水抽入到供水管网中回收利用。本实用新型提供的雨水回收利用装置不仅能有效缓解局部区域的内涝威胁,还能将雨水回收利用,经济和社会效益良好。To sum up, the utility model filters the rainwater through the
以上所述本实用新型的具体实施方式,并不构成对本实用新型保护范围的限定。任何根据本实用新型的技术构思所做出的各种其他相应的改变与变形,均应包含在本实用新型权利要求的保护范围内。The specific embodiments of the present invention described above do not limit the protection scope of the present invention. Any other corresponding changes and deformations made according to the technical concept of the present invention shall be included in the protection scope of the claims of the present invention.
Claims (8)
Priority Applications (1)
| Application Number | Priority Date | Filing Date | Title |
|---|---|---|---|
| CN202020057252.9U CN211774469U (en) | 2020-01-08 | 2020-01-08 | A rainwater recycling device |
Applications Claiming Priority (1)
| Application Number | Priority Date | Filing Date | Title |
|---|---|---|---|
| CN202020057252.9U CN211774469U (en) | 2020-01-08 | 2020-01-08 | A rainwater recycling device |
Publications (1)
| Publication Number | Publication Date |
|---|---|
| CN211774469U true CN211774469U (en) | 2020-10-27 |
Family
ID=72889712
Family Applications (1)
| Application Number | Title | Priority Date | Filing Date |
|---|---|---|---|
| CN202020057252.9U Expired - Fee Related CN211774469U (en) | 2020-01-08 | 2020-01-08 | A rainwater recycling device |
Country Status (1)
| Country | Link |
|---|---|
| CN (1) | CN211774469U (en) |
Cited By (1)
| Publication number | Priority date | Publication date | Assignee | Title |
|---|---|---|---|---|
| CN115784502A (en) * | 2022-11-22 | 2023-03-14 | 南京师范大学 | Initial rainwater runoff collecting and purifying device and operation process thereof |
-
2020
- 2020-01-08 CN CN202020057252.9U patent/CN211774469U/en not_active Expired - Fee Related
Cited By (1)
| Publication number | Priority date | Publication date | Assignee | Title |
|---|---|---|---|---|
| CN115784502A (en) * | 2022-11-22 | 2023-03-14 | 南京师范大学 | Initial rainwater runoff collecting and purifying device and operation process thereof |
Similar Documents
| Publication | Publication Date | Title |
|---|---|---|
| CN104174191B (en) | Integrated grit chamber for treating rainwater and treatment method | |
| CN204551684U (en) | Green building rainwater ecological utilization system | |
| CN203361234U (en) | Large gymnasium shock-resistance intelligent control-type rainwater utilization system | |
| CN104947781A (en) | Rainwater collection diversion and strata conservation regulation and storage system | |
| CN207567889U (en) | Residential quarters Rainwater collection system | |
| CN205676965U (en) | A kind of sponge urban rainwater collection reuse means | |
| CN105735449B (en) | A kind of urban road rainwater collecting and treating system | |
| CN108867239A (en) | Urban road rainwater catchment system self-adjusting system | |
| CN107288198B (en) | A rain garden system that protects the bottom denitrification anaerobic zone | |
| CN107190838A (en) | A kind of underground staged chain rainwater storage pond | |
| CN106638882A (en) | Rainwater collecting and utilizing system | |
| CN209509056U (en) | A kind of water storage reclamation set of rain water on roof disconnecting | |
| CN105201068A (en) | Rainwater resource treatment process | |
| CN211774469U (en) | A rainwater recycling device | |
| CN118958460B (en) | Greening rainwater collection system for sponge city and construction method | |
| CN206956909U (en) | A kind of underground staged chain rainwater storage pond | |
| CN211897679U (en) | Novel sponge urban road system | |
| CN211597025U (en) | An underground rainwater recycling device | |
| CN112814122B (en) | Ecological rainwater regulation and storage system for sponge city | |
| CN208293341U (en) | Roadside greening leukorrhagia in conjunction with pipe gallery seeps purification and the reclaiming system of rainwater | |
| CN111691526A (en) | Rainwater treatment and recycling system | |
| CN106917473B (en) | A kind of rainwater recycle method of photovoltaic greening composite roof | |
| CN212405386U (en) | Device for collecting rainwater in sponge city and treating rainwater by utilizing energy waves | |
| CN212026534U (en) | Surface water recycling system | |
| CN108532711B (en) | Building system based on sponge city construction |
Legal Events
| Date | Code | Title | Description |
|---|---|---|---|
| GR01 | Patent grant | ||
| GR01 | Patent grant | ||
| CF01 | Termination of patent right due to non-payment of annual fee | ||
| CF01 | Termination of patent right due to non-payment of annual fee |
Granted publication date: 20201027 |
