CN211740741U - 一种被动式地下水分层取样装置和取样系统 - Google Patents
一种被动式地下水分层取样装置和取样系统 Download PDFInfo
- Publication number
- CN211740741U CN211740741U CN202020395093.3U CN202020395093U CN211740741U CN 211740741 U CN211740741 U CN 211740741U CN 202020395093 U CN202020395093 U CN 202020395093U CN 211740741 U CN211740741 U CN 211740741U
- Authority
- CN
- China
- Prior art keywords
- sampler
- groundwater
- sampling
- well
- pipe
- Prior art date
- Legal status (The legal status is an assumption and is not a legal conclusion. Google has not performed a legal analysis and makes no representation as to the accuracy of the status listed.)
- Active
Links
- 238000005070 sampling Methods 0.000 title claims abstract description 85
- 239000003673 groundwater Substances 0.000 title claims abstract description 67
- 230000004888 barrier function Effects 0.000 claims abstract description 54
- XLYOFNOQVPJJNP-UHFFFAOYSA-N water Substances O XLYOFNOQVPJJNP-UHFFFAOYSA-N 0.000 claims abstract description 19
- 230000029058 respiratory gaseous exchange Effects 0.000 claims abstract description 10
- 239000000463 material Substances 0.000 claims description 33
- 238000007789 sealing Methods 0.000 claims description 30
- 230000000903 blocking effect Effects 0.000 claims description 20
- 239000007787 solid Substances 0.000 claims description 14
- 239000003344 environmental pollutant Substances 0.000 claims description 11
- 231100000719 pollutant Toxicity 0.000 claims description 11
- 229910000278 bentonite Inorganic materials 0.000 claims description 6
- 239000000440 bentonite Substances 0.000 claims description 6
- SVPXDRXYRYOSEX-UHFFFAOYSA-N bentoquatam Chemical compound O.O=[Si]=O.O=[Al]O[Al]=O SVPXDRXYRYOSEX-UHFFFAOYSA-N 0.000 claims description 6
- 239000006004 Quartz sand Substances 0.000 claims description 5
- VYPSYNLAJGMNEJ-UHFFFAOYSA-N Silicium dioxide Chemical compound O=[Si]=O VYPSYNLAJGMNEJ-UHFFFAOYSA-N 0.000 claims description 5
- 239000011148 porous material Substances 0.000 claims description 4
- 239000004698 Polyethylene Substances 0.000 claims description 3
- -1 polyethylene Polymers 0.000 claims description 3
- 229920000573 polyethylene Polymers 0.000 claims description 3
- 239000011440 grout Substances 0.000 claims 1
- 238000000034 method Methods 0.000 abstract description 17
- 238000012544 monitoring process Methods 0.000 abstract description 14
- 238000005516 engineering process Methods 0.000 abstract description 11
- 238000001514 detection method Methods 0.000 abstract description 6
- 230000007547 defect Effects 0.000 abstract description 5
- 238000009434 installation Methods 0.000 abstract description 4
- 238000011835 investigation Methods 0.000 abstract description 3
- 238000012502 risk assessment Methods 0.000 abstract description 3
- 238000011161 development Methods 0.000 abstract description 2
- 230000005484 gravity Effects 0.000 abstract description 2
- 238000010276 construction Methods 0.000 description 6
- 238000005553 drilling Methods 0.000 description 4
- 239000002002 slurry Substances 0.000 description 4
- 239000004568 cement Substances 0.000 description 3
- 238000009826 distribution Methods 0.000 description 3
- 239000004809 Teflon Substances 0.000 description 2
- 229920006362 Teflon® Polymers 0.000 description 2
- 238000010586 diagram Methods 0.000 description 2
- 238000011049 filling Methods 0.000 description 2
- 238000001914 filtration Methods 0.000 description 2
- 238000011010 flushing procedure Methods 0.000 description 2
- 229920001343 polytetrafluoroethylene Polymers 0.000 description 2
- 239000004810 polytetrafluoroethylene Substances 0.000 description 2
- 239000002689 soil Substances 0.000 description 2
- 238000003860 storage Methods 0.000 description 2
- 239000000126 substance Substances 0.000 description 2
- 238000012546 transfer Methods 0.000 description 2
- 239000012855 volatile organic compound Substances 0.000 description 2
- 230000009286 beneficial effect Effects 0.000 description 1
- 238000009933 burial Methods 0.000 description 1
- 238000004939 coking Methods 0.000 description 1
- 238000004891 communication Methods 0.000 description 1
- 238000012864 cross contamination Methods 0.000 description 1
- 238000013461 design Methods 0.000 description 1
- 238000009792 diffusion process Methods 0.000 description 1
- 239000000428 dust Substances 0.000 description 1
- 230000000694 effects Effects 0.000 description 1
- 230000007613 environmental effect Effects 0.000 description 1
- 238000000605 extraction Methods 0.000 description 1
- 238000005429 filling process Methods 0.000 description 1
- 238000003895 groundwater pollution Methods 0.000 description 1
- 229910001385 heavy metal Inorganic materials 0.000 description 1
- 238000004519 manufacturing process Methods 0.000 description 1
- 239000012528 membrane Substances 0.000 description 1
- 238000002156 mixing Methods 0.000 description 1
- 230000000149 penetrating effect Effects 0.000 description 1
- 230000002572 peristaltic effect Effects 0.000 description 1
- 238000012545 processing Methods 0.000 description 1
- 238000010561 standard procedure Methods 0.000 description 1
- 238000013517 stratification Methods 0.000 description 1
- 210000003437 trachea Anatomy 0.000 description 1
Images
Landscapes
- Sampling And Sample Adjustment (AREA)
Abstract
本实用新型的被动式地下水分层取样装置和取样系统属于场地污染调查与风险评估领域,通过采样器之间设置分层阻隔器,分层阻隔器上设有过水孔和与过水孔配合的呼吸阀。在将取样器和分层阻隔器垂直下入井管装置过程中,呼吸阀在水力作用下能够开启,确保取样器和分层阻隔器能够顺利安装至监测井内指定位置。安装完成后,呼吸阀在重力作用下关闭,对过水孔进行有效封堵,能够有效阻断采样过程中监测井内地下水的上下联通,确保实现精准定深分层采样。整个采样过程未对监测井内地下水造成扰动,样品检测结果更能够表征自然条件下场地地下水的污染状况。取样装置和取样系统开发成本低,操作简单,能够弥补当前采样技术及装置的缺陷。
Description
技术领域
本实用新型属于场地污染调查与风险评估领域,具体为一种被动式地下水分层取样装置和取样系统。
背景技术
历史上我国许多化工、焦化等涉及有机化工产品生产、加工、运输及存储的企业,因输送管道及存储储罐的泄漏,都可能造成厂区局部区域土壤和地下水受到污染。现在我国许多类似污染企业逐步关停搬迁,厂区土地由原来的工业用地逐渐变更为居住、商业及公共设施用地,以满足城镇化过程中对建设用地的需求。为保障此类地块未来作为居住等建设用地进行再开发过程中的环境安全,国家明确要求此类企业用地在用作居住等建设用地进行再开发建设,需对场地土壤和地下水进行布点采样,查明污染空间分布并结合具体的用地规划进行风险评估。
目前,对于地下水污染状况的调查,主要是通过建设地下水监测井后,采集地下水样品送至实验室进行污染物检测以判断污染程度。传统地下水采样通常需要借助潜水泵或抽提泵将地下水抽提至地面后转移至专用的地下水采样瓶内。此类采样技术采样过程中对地下水样品均有一定程度的扰动,对于挥发性污染物,采样过程中的扰动通常导致污染物检出浓度偏低。
为克服此缺陷,技术人员开发了低流量采样技术及配套装备,如以气囊泵、潜水泵及蠕动泵为代表的低流量洗井采样技术。但是,受采样装备扬程或吸程限制,在地下水埋深较深的场地,采用这些技术均无法采集代表性样品。对于水层较厚(大于3 m)的场地,为查明含水层中污染物的垂向分布,采用传统或低流量洗井采样技术采集地下水样品时,需要在同一采样点设置组井,导致钻探建井成本升高。同时,为避免交叉污染,采用此技术完成一口监测井的样品采集后需现场对采样泵及管路进行清洗,导致现场采样效率低下。
另外,基于污染物浓度梯度扩散原理的被动采样袋采样技术,适用于任何地下水埋深的污染场地非扰动地下水样品的采集,但是,此技术目前主要适用于部分挥发性有机物污染地下水样品的采集。而且,在同一个地下水监测井内,因缺乏配套的阻断井管内不同深度地下水上下混合的装置,此技术也难以在同一个地下水监测井内实现分层采样。
实用新型内容
本实用新型的目的在于提供一种被动式地下水分层取样装置和取样系统,以解决低流量采样技术在采集水层厚度大于3m的场地的样品时需要设置组井,导致钻探建井成本高,而且采样效率低下;被动采样袋采样技术存在仅适用于部分挥发性有机物污染地下水样品的采集,并且难以在同一个地下水监测井内实现分层采样的技术问题。
为了解决上述技术问题,本实用新型提供一种被动式地下水分层取样装置,包括:
取样器,竖向间隔布置,所述取样器为中空结构并且其侧壁上开设有供污染物渗入取样器内部的孔隙,所述取样器的底部设有取样口;
分层阻隔器,连接在相邻的取样器之间,所述分层阻隔器包括阻隔膜片,所述阻隔膜片上开设有上下贯通的过水孔,所述过水孔上方的阻隔膜片上连接有与过水孔配合的呼吸阀;
导气管,依次连接所有取样器和分层阻隔器,所述导气管上设有控制流向为自下而上的单向阀。
优选地,所述取样器包括呈筒状的取样器本体、以及连接在取样器本体顶部和底部的密封盖,所述取样器本体的材质为微米级多孔硬质聚乙烯,底部的密封盖上设有取样口,顶部和底部的密封盖上对应设有与导气管配合的第一导气管接口。
优选地,顶部的密封盖上还设有排气口,所述排气口、导气管和顶部的第一导气管接口之间通过三通接头连通。
优选地,所述阻隔膜片上设有与导气管配合的第二导气管接口。
优选地,所述取样器和分层阻隔器之间通过固定绳连接。
优选地,最底部的取样器底端连接有铅坠。
另外,本实用新型还提供一种被动式地下水分层取样系统,包括如上所述的被动式地下水分层取样装置,还包括:
井管装置,沿井孔中心竖向设置,包括竖向间隔连接的实管和筛管,并且最顶部为实管,所述井管装置的顶部和底部分别连接有井盖和管堵,所述井盖上设有封口,所述被动式地下水分层取样装置设置在井管装置内并且最顶部的取样器与井盖之间通过固定绳连接,所述取样器和分层阻隔器分别设置在筛管和实管内;
滤料和阻隔装置,设置在井管装置外壁与井孔壁之间,包括滤料和阻隔层,所述滤料和阻隔层从下至上间隔设置并且最顶层为阻隔层,所述滤料设置在筛管外壁与井孔壁之间,所述滤料的顶部和底部均超出筛管,所述滤料和阻隔装置还包括密封层,所述密封层设置在最顶部的阻隔层顶部的井管装置外壁与井孔壁之间。
优选地,所述滤料为石英砂,所述阻隔层为膨润土泥浆,所述密封层为水泥浆。
优选地,所述滤料的顶部和底部均超出筛管至少0.3m。
优选地,所述实管和筛管之间为可拆卸连接。
与现有技术相比,本实用新型的特点和有益效果为:
(1)本实用新型通过采样器之间设置分层阻隔器,由于分层阻隔器上设有过水孔和与过水孔配合的呼吸阀。在将取样器和分层阻隔器垂直下入井管装置过程中,呼吸阀在水力作用下能够开启,确保取样器和分层阻隔器能够顺利安装至监测井内指定位置。安装完成后,呼吸阀在重力作用下关闭,对过水孔进行有效封堵,能够有效阻断采样过程中监测井内地下水的上下联通,确保实现精准定深分层采样。
(2)本实用新型能够利用自然流场条件下井管装置内地下水的水压力,将采样位置的地下水样品经由采样器侧壁的微孔压入采样器内,整个采样过程未对监测井内地下水造成扰动,样品检测结果更能够表征自然条件下场地地下水的污染状况,避免了传统采样过程中因扰动导致样品中污染物检出浓度过低的缺陷。由于利用水压作用将地下水样品压入被动采样器内,无需像传统地下水采样技术借助泵的抽吸作用,避免了特殊水文地质条件下泵的扬尘或吸程无过低而无法采集地下水样品的缺陷。
(3)本实用新型的被动式地下水分层取样装置和取样系统开发成本低,操作简单,能够弥补当前采样技术及装置的缺陷,对于完善当前地下水采样技术体系、支撑我国污染场地地下水污染调查具有重要的意义。
附图说明
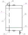
图1为被动式地下水分层取样装置的立面结构示意图。
图2为取样器的主视结构示意图。
图3为取样器的俯视结构示意图。
图4为分层阻隔器的主视结构示意图。
图5为分层阻隔器的俯视结构示意图。
图6为被动式地下水分层取样系统的主视结构示意图。
图7为被动式地下水分层取样系统的俯视结构示意图。
图8为井盖的主视结构示意图。
图9为井盖的俯视结构示意图。
附图标注:1-取样器、11-取样口、12-取样器本体、13-密封盖、14-第一导气管接口、15-排气口、2-分层阻隔器、21-阻隔膜片、22-过水孔、23-呼吸阀、24-第二导气管接口、3-导气管、4-固定绳、5-单向阀、6-铅坠、7-井管装置、71-实管、72-筛管、73-管堵、74-井盖、75-封口、8-滤料和阻隔装置、81-滤料、82-阻隔层、83-水泥浆。
具体实施方式
为使本实用新型实现的技术手段、创新特征、达成目的与功效易于明白了解,下面对本实用新型进一步说明。
在此记载的实施例为本实用新型的特定的具体实施方式,用于说明本实用新型的构思,均是解释性和示例性的,不应解释为对本实用新型实施方式及本实用新型范围的限制。除在此记载的实施例外,本领域技术人员还能够基于本申请权利要求书和说明书所公开的内容采用显而易见的其它技术方案,这些技术方案包括采用对在此记载的实施例的做出任何显而易见的替换和修改的技术方案。
在本实用新型的描述中,需要说明的是,术语“上”、“下”、“内”、“外”“前端”、“后端”、“两端”、“一端”、“另一端”等指示的方位或位置关系为基于附图所示的方位或位置关系,仅是为了便于描述本实用新型和简化描述,而不是指示或暗示所指的装置或元件必须具有特定的方位、以特定的方位构造和操作,因此不能理解为对本实用新型的限制。此外,术语“第一”、“第二”仅用于描述目的,而不能理解为指示或暗示相对重要性。
在本实用新型的描述中,需要说明的是,除非另有明确的规定和限定,术语“安装”、“设置有”、“连接”等,应做广义理解,例如“连接”,可以是固定连接,也可以是可拆卸连接,或一体地连接;可以是机械连接,也可以是电连接;可以是直接相连,也可以通过中间媒介间接相连,可以是两个元件内部的连通。对于本领域的普通技术人员而言,可以具体情况理解上述术语在本实用新型中的具体含义。
如图1所示,一种被动式地下水分层取样装置,包括取样器1、分层阻隔器2和导气管3。
取样器1沿竖向间隔布置。取样器1为中空结构并且其侧壁上开设有供污染物渗入取样器1内部的孔隙,取样器1的底部设有取样口11。分层阻隔器2连接在相邻的取样器1之间。分层阻隔器2和取样器1之间优选为通过固定绳4连接。分层阻隔器2包括阻隔膜片21,阻隔膜片21上开设有上下贯通的过水孔22,过水孔22上方的阻隔膜片21上连接有与过水孔22配合的呼吸阀23。导气管3依次连接所有取样器1和分层阻隔器2,导气管3上设有控制流向为自下而上的单向阀5。导气管3的底端通过三通管与最底部的取样器1顶部的密封盖13上的排气口15和第一导气管接口14连通。
如图2和3所示,取样器1包括呈筒状的取样器本体12、以及连接在取样器本体12顶部和底部的密封盖13。密封盖13与取样器本体12可以为螺纹连接、插接或者其他可拆卸连接,优选为螺纹连接。取样器本体12的材质为微米级多孔硬质聚乙烯。地下水及溶解于地下水中的挥发性有机物、半挥发性有机物、重金属等污染物可通过取样器本体12侧壁中的微米级孔隙在地下水压力作用下进入取样器本体12内。整个采样过程未对监测井内地下水造成扰动,样品检测结果更能够表征自然条件下场地地下水的污染状况。
底部的密封盖13上设有取样口11。取样口11处螺纹连接有气密性快速接头,气密性快速接头端部连接有一段铁氟龙管,并在铁氟龙管的末端连接有气密性阀门。顶部和底部的密封盖13上对应设有与导气管3配合的第一导气管接口14。顶部的密封盖13上还设有排气口15,排气口15、导气管3和顶部的第一导气管接口14之间通过三通接头连通。第一导气管接口14和排气口15处均螺纹连接有气密性快速接头。为了方便固定绳4与密封盖13连接,本实用新型在密封盖13上通过螺栓连接有马蹄连接件,马蹄连接件与密封盖13之间设有橡胶垫片。另外为了保证被动式地下水分层取样装置在下放时能够保持平衡,在最底部的取样器1底端连接有铅坠6。
如图4和5所示,阻隔膜片21上设有与导气管3配合的第二导气管接口24。第二导气管接口24处螺纹连接有气密性快速接头。阻隔膜片21上通过螺栓连接有呼吸阀23。为了方便固定绳4与阻隔膜片21连接,本实用新型在阻隔膜片21上通过螺栓连接有马蹄连接件,同样,马蹄连接件与阻隔膜片21之间设有橡胶垫片。
如图6和7所示,一种被动式地下水分层取样系统,包括上述被动式地下水分层取样装置,还包括井管装置7和滤料和阻隔装置8。
井管装置7沿井孔中心竖向设置,包括竖向间隔连接的实管71和筛管72,并且最顶部为实管71。实管71和筛管72之间可以为螺纹连接、插接或者其他可拆卸的方式连接。井管装置7的顶部和底部分别连接有井盖74和管堵73。被动式地下水分层取样装置设置在井管装置7内并且最顶部的取样器1与井盖74之间通过固定绳4连接,取样器1和分层阻隔器2分别设置在筛管72和实管71内。井盖74以承插式固定在井管装置7的顶部,即最顶端的实管71顶部。管堵73与最底部的筛管72之间可以为螺纹连接、插接或者其他可拆卸的方式连接。
滤料和阻隔装置8设置在井管装置7外壁与井孔壁之间,包括滤料81和阻隔层82,滤料81和阻隔层82从下至上间隔设置并且最顶层为阻隔层82。滤料81设置在筛管72外壁与井孔壁之间,滤料81的顶部和底部均超出筛管72。滤料81的顶部和底部优选为均超出筛管72至少0.3m,以确保筛管72完全暴露于拟采集样品的含水层。滤料和阻隔装置8还包括密封层83,密封层83设置在最顶部的阻隔层82顶部的井管装置7外壁与井孔壁之间。滤料81优选为石英砂,阻隔层82优选为膨润土泥浆。密封层83优选为水泥浆。
如图8和9所示,井盖74包括盖板和圆柱形侧壁,盖板上设有封口75。封口75处螺纹连接有气密性快速接头,气密性快速接头的顶端连接有一段聚四氟乙烯管,聚四氟乙烯管的端部连接有气密性阀门,气密性快速接头的底端与导气管3连接。为了方便井盖74与固定绳4连接,本实用新型在盖板底部通过螺栓连接有马蹄连接件,马蹄连接件与盖板之间设有橡胶垫片。
利用上述被动式地下水分层取样系统进行取样的方法包括以下步骤:
步骤一、根据场地污染设施分布、历史监测数据及现场污染痕迹等信息,筛选确定地下水取样检测点位,采用钻机在确定的地下水取样监测点位进行钻探形成井孔,钻探过程中,全程套管跟进,防止井孔侧壁坍塌。
步骤二、将井管装置7竖直安装在井孔内,保证井管装置7位于井孔中心。
步骤三、在井管装置7的外壁与井孔壁之间装填滤料和阻隔装置8,由下至上间隔装填滤料81和阻隔层82,并且最顶部为阻隔层82,保证滤料81装填在筛管72的外壁与井孔壁之间。滤料81为清洁石英砂,阻隔层82膨润土泥浆。现场装填过程中,清洁石英砂可在地面用漏斗直接从地面沿空隙下漏装填。膨润土泥浆需在地面调成泥浆状后,采用泥浆泵通过管道直接输送至装填深度,利用泥浆泵的输送压力由下往上装填膨润土泥浆,以保障阻隔层82的完整性。
步骤四、待顶部的阻隔层82距离地面0.3-0.5m时,停止装填阻隔层82,然后往阻隔层82顶部的井管装置7外壁与井孔壁之间倒入密封层83,直到密封层83高出地面0.2-0.3m。
步骤五、按照设计采样深度,自上而下将取样器1和分层阻隔器2间隔连接,关闭所有取样口11上的气密性阀门。连接取样器1和分层阻隔器2过程中,自上而下,连接顶部的取样器1的固定绳4一端与取样器1连接固定后,另一端与井盖74底部的马蹄连接件连接固定。自上而下,底部的取样器1的下端通过固定绳4与铅坠6连接。
步骤六、将分层阻隔器2和单向阀5通过导气管3分别连通后,然后自上而下将导气管3分别与取样器1连通,并将导气管3的顶端与井盖74的封口75处的气密性阀门连接。
步骤七、将顶部连接到井盖74的被动式地下水分层取样装置垂直放入井管装置7内,将井盖74固定到井管装置7顶端的实管71上,打开井盖74上的封口75处的气密性阀门,记录安装完成时间。
步骤八、安装完成15天后,关闭井盖74上的封口75处的气密性阀门,打开井盖74,提升固定绳4,将取样器1和分层阻隔器2提升至地面。
步骤九、打开取样器1底部的取样口11处的气密性阀门,将样品转移至专用样品瓶内,取样完成。将装有地下水样品的样品瓶至于样品保温箱内,运输至实验室后采用相应标准方法进行污染物浓度分析检测。
以上的实施例仅仅是对本实用新型的优选实施方式进行描述,并非对本实用新型的范围进行限定,在不脱离本实用新型设计精神的前提下,本领域普通技术人员对本实用新型的技术方案做出的各种变形和改进,均应落入本实用新型权利要求书确定的保护范围内。
Claims (10)
1.一种被动式地下水分层取样装置,其特征在于包括:
取样器(1),竖向间隔布置,所述取样器(1)为中空结构并且其侧壁上开设有供污染物渗入取样器(1)内部的孔隙,所述取样器(1)的底部设有取样口(11);
分层阻隔器(2),连接在相邻的取样器(1)之间,所述分层阻隔器(2)包括阻隔膜片(21),所述阻隔膜片(21)上开设有上下贯通的过水孔(22),所述过水孔(22)上方的阻隔膜片(21)上连接有与过水孔(22)配合的呼吸阀(23);
导气管(3),依次连接所有取样器(1)和分层阻隔器(2),所述导气管(3)上设有控制流向为自下而上的单向阀(5)。
2.根据权利要求1所述的被动式地下水分层取样装置,其特征在于:所述取样器(1)包括呈筒状的取样器本体(12)、以及连接在取样器本体(12)顶部和底部的密封盖(13),所述取样器本体(12)的材质为微米级多孔硬质聚乙烯,底部的密封盖(13)上设有取样口(11),顶部和底部的密封盖(13)上对应设有与导气管(3)配合的第一导气管接口(14)。
3.根据权利要求2所述的被动式地下水分层取样装置,其特征在于:顶部的密封盖(13)上还设有排气口(15),所述排气口(15)、导气管(3)和顶部的第一导气管接口(14)之间通过三通接头连通。
4.根据权利要求1所述的被动式地下水分层取样装置,其特征在于:所述阻隔膜片(21)上设有与导气管(3)配合的第二导气管接口(24)。
5.根据权利要求1所述的被动式地下水分层取样装置,其特征在于:所述取样器(1)和分层阻隔器(2)之间通过固定绳(4)连接。
6.根据权利要求1所述的被动式地下水分层取样装置,其特征在于:最底部的取样器(1)底端连接有铅坠(6)。
7.一种被动式地下水分层取样系统,其特征在于,包括如权利要求1-6任意一项所述的被动式地下水分层取样装置,还包括:
井管装置(7),沿井孔中心竖向设置,包括竖向间隔连接的实管(71)和筛管(72),并且最顶部为实管(71),所述井管装置(7)的顶部和底部分别连接有井盖(74)和管堵(73),所述井盖(74)上设有封口(75),所述被动式地下水分层取样装置设置在井管装置(7)内并且最顶部的取样器(1)与井盖(74)之间通过固定绳(4)连接,所述取样器(1)和分层阻隔器(2)分别设置在筛管(72)和实管(71)内;
滤料和阻隔装置(8),设置在井管装置(7)外壁与井孔壁之间,包括滤料(81)和阻隔层(82),所述滤料(81)和阻隔层(82)从下至上间隔设置并且最顶层为阻隔层(82),所述滤料(81)设置在筛管(72)外壁与井孔壁之间,所述滤料(81)的顶部和底部均超出筛管(72),所述滤料和阻隔装置(8)还包括密封层(83),所述密封层(83)设置在最顶部的阻隔层(82)顶部的井管装置(7)外壁与井孔壁之间。
8.根据权利要求7所述的被动式地下水分层取样系统,其特征在于:所述滤料(81)为石英砂,所述阻隔层(82)为膨润土泥浆,所述密封层(83)为水泥浆。
9.根据权利要求7所述的被动式地下水分层取样系统,其特征在于:所述滤料(81)的顶部和底部均超出筛管(72)至少0.3m。
10.根据权利要求7所述的被动式地下水分层取样系统,其特征在于:所述实管(71)和筛管(72)之间为可拆卸连接。
Priority Applications (1)
| Application Number | Priority Date | Filing Date | Title |
|---|---|---|---|
| CN202020395093.3U CN211740741U (zh) | 2020-03-25 | 2020-03-25 | 一种被动式地下水分层取样装置和取样系统 |
Applications Claiming Priority (1)
| Application Number | Priority Date | Filing Date | Title |
|---|---|---|---|
| CN202020395093.3U CN211740741U (zh) | 2020-03-25 | 2020-03-25 | 一种被动式地下水分层取样装置和取样系统 |
Publications (1)
| Publication Number | Publication Date |
|---|---|
| CN211740741U true CN211740741U (zh) | 2020-10-23 |
Family
ID=72854192
Family Applications (1)
| Application Number | Title | Priority Date | Filing Date |
|---|---|---|---|
| CN202020395093.3U Active CN211740741U (zh) | 2020-03-25 | 2020-03-25 | 一种被动式地下水分层取样装置和取样系统 |
Country Status (1)
| Country | Link |
|---|---|
| CN (1) | CN211740741U (zh) |
Cited By (4)
| Publication number | Priority date | Publication date | Assignee | Title |
|---|---|---|---|---|
| CN111157294A (zh) * | 2020-03-25 | 2020-05-15 | 北京市环境保护科学研究院 | 压差驱动的被动式地下水分层取样装置、取样系统及方法 |
| CN114624066A (zh) * | 2022-05-16 | 2022-06-14 | 北京高能时代环境技术股份有限公司 | 一种地下水分层采样设备及采样方法 |
| CN114674598A (zh) * | 2022-03-24 | 2022-06-28 | 江苏方正环保集团有限公司 | 一种集成式土壤取样装置 |
| CN115711774A (zh) * | 2022-11-15 | 2023-02-24 | 浙江省浙中地质工程勘察院有限公司 | 一种水文勘察样品采集器 |
-
2020
- 2020-03-25 CN CN202020395093.3U patent/CN211740741U/zh active Active
Cited By (5)
| Publication number | Priority date | Publication date | Assignee | Title |
|---|---|---|---|---|
| CN111157294A (zh) * | 2020-03-25 | 2020-05-15 | 北京市环境保护科学研究院 | 压差驱动的被动式地下水分层取样装置、取样系统及方法 |
| CN111157294B (zh) * | 2020-03-25 | 2025-02-07 | 北京市环境保护科学研究院 | 压差驱动的被动式地下水分层取样装置、取样系统及方法 |
| CN114674598A (zh) * | 2022-03-24 | 2022-06-28 | 江苏方正环保集团有限公司 | 一种集成式土壤取样装置 |
| CN114624066A (zh) * | 2022-05-16 | 2022-06-14 | 北京高能时代环境技术股份有限公司 | 一种地下水分层采样设备及采样方法 |
| CN115711774A (zh) * | 2022-11-15 | 2023-02-24 | 浙江省浙中地质工程勘察院有限公司 | 一种水文勘察样品采集器 |
Similar Documents
| Publication | Publication Date | Title |
|---|---|---|
| CN111157294B (zh) | 压差驱动的被动式地下水分层取样装置、取样系统及方法 | |
| CN211740741U (zh) | 一种被动式地下水分层取样装置和取样系统 | |
| CN111257055A (zh) | 一种便携式地下水定深取样装置、取样系统与取样方法 | |
| CN107290188B (zh) | 一种土壤气分层采集装置及监测方法 | |
| Claassen | Guidelines and techniques for obtaining water samples that accurately represent the water chemistry of an aquifer | |
| CN107023289B (zh) | 一种u型管地下流体多层取样装置 | |
| CN101545833B (zh) | 用于钻取连续原状底泥试样的活门式取样器 | |
| CN104990765B (zh) | 一种用于近岸及河口沉积层孔隙水的监测仪器及监测方法 | |
| CN210051587U (zh) | 一种气置式地下水分层采样装置 | |
| CN108956211B (zh) | 地下水定深取样探头、使用该探头的采样系统及采样方法 | |
| CN110439552A (zh) | 一种基于钻井的多相流保真取样装置及方法 | |
| CN106840759A (zh) | 一种土壤渗流水原位分层采样装置 | |
| CN214427419U (zh) | 一种地下水分层监测井 | |
| CN106769747A (zh) | 土体充气阻渗的试验装置及其试验方法 | |
| CN111426512B (zh) | 定深土壤气和地下水采样集成装置 | |
| CN211549679U (zh) | 一种基于钻井的多相流保真取样装置 | |
| CN203224383U (zh) | 一种便携式土壤水分原位采集器 | |
| CN209459956U (zh) | 一种土壤渗流液收集装置 | |
| CN206556916U (zh) | 一种土壤渗流水原位分层采样装置 | |
| CN113281235B (zh) | 一种地下水人工回灌渗流模拟监测系统及方法 | |
| CN202853933U (zh) | 一种多级监测井气压泵取样系统装置 | |
| CN211740771U (zh) | 一种低渗透场地土壤气顶空采集装置和检测系统 | |
| CN204832160U (zh) | 一种用于近岸及河口沉积层孔隙水的监测仪器 | |
| CN216645988U (zh) | 一种水文工程地质用地下水采集取样装置 | |
| CN211452999U (zh) | 一种地下水监测井 |
Legal Events
| Date | Code | Title | Description |
|---|---|---|---|
| GR01 | Patent grant | ||
| GR01 | Patent grant |