CN211682721U - A cleaning device for PC component production molds - Google Patents
A cleaning device for PC component production molds Download PDFInfo
- Publication number
- CN211682721U CN211682721U CN201921942280.2U CN201921942280U CN211682721U CN 211682721 U CN211682721 U CN 211682721U CN 201921942280 U CN201921942280 U CN 201921942280U CN 211682721 U CN211682721 U CN 211682721U
- Authority
- CN
- China
- Prior art keywords
- fixedly connected
- motor
- support plate
- push cylinder
- cleaning device
- Prior art date
- Legal status (The legal status is an assumption and is not a legal conclusion. Google has not performed a legal analysis and makes no representation as to the accuracy of the status listed.)
- Expired - Fee Related
Links
Images
Landscapes
- Cleaning In General (AREA)
Abstract
本实用新型公开了一种PC构件生产模具用清理装置,包括底座,所述底座上表面的左端固定连接有第一支撑板,所述第一支撑板右表面的下方固定连接有第一推动缸,所述第一推动缸的右端活动连接有第一推动杆,所述第一推动杆的右端转动连接有第一夹板,所述底座上表面的右端固定连接有第二支撑板,所述第二支撑板右表面的下方固定连接有第一电机,所述第二支撑板左表面的下方转动连接有转动件。本实用新型通过第一推动缸推动第一夹板,通过第一夹板和第二夹板装夹模具,通过第一电机带动模具转动,便于对的模具全方位清理,通过第三电机带动清理刷进行清洗,通过第二推动缸便于调节清理刷的高度,通过第二电机便于调节清理刷的位置。
The utility model discloses a cleaning device for PC component production molds, comprising a base, a first support plate is fixedly connected to the left end of the upper surface of the base, and a first push cylinder is fixedly connected to the bottom of the right surface of the first support plate , the right end of the first push cylinder is movably connected with a first push rod, the right end of the first push rod is rotatably connected with a first splint, the right end of the upper surface of the base is fixedly connected with a second support plate, the first A first motor is fixedly connected below the right surfaces of the two supporting plates, and a rotating member is rotatably connected below the left surface of the second supporting plates. The utility model pushes the first clamp plate through the first push cylinder, clamps the mold through the first clamp plate and the second clamp plate, drives the mold to rotate through the first motor, and facilitates all-round cleaning of the correct mold, and drives the cleaning brush to clean through the third motor , it is convenient to adjust the height of the cleaning brush through the second push cylinder, and it is convenient to adjust the position of the cleaning brush through the second motor.
Description
技术领域technical field
本实用新型涉及PC构件领域,具体为一种PC构件生产模具用清理装置。The utility model relates to the field of PC components, in particular to a cleaning device for producing molds for PC components.
背景技术Background technique
PC为precast concrete(混凝土预制件)的英文缩写,在住宅工业化领域称作PC构件。如预制钢筋混凝土柱地基基础、预制钢结构钢柱基础、路灯广告牌柱钢筋混凝土基础、预制楼板。PC is the English abbreviation of precast concrete (prefabricated concrete), which is called PC component in the field of residential industrialization. Such as prefabricated reinforced concrete column foundation, prefabricated steel structure steel column foundation, street lamp billboard column reinforced concrete foundation, prefabricated floor slab.
根据专利号“CN201710248543.9”可知,一种模具清理装置,包括转杆和连接在转杆上的清理刷条;所述转杆后端与旋转电机输出轴连接;所述转杆周面上设有至少3圈呈环形阵列分布的连接板;所述清理刷条通过弹性片连接在所述连接板上。随着转杆的旋转,刷条旋转,对模具表面进行清理,尤其便于内腔的清理;弹性片使得清理装置在一定范围内改变形状,适用于不同尺寸的模具内腔清理;当尺寸变化过大时,还可以更换不同尺寸的弹性片。本申请模具清理装置清理效率高,劳动强度低,但但该方案还存在着一些不足之处。According to the patent number "CN201710248543.9", a mold cleaning device includes a rotating rod and a cleaning brush strip connected to the rotating rod; the rear end of the rotating rod is connected with the output shaft of a rotating motor; the peripheral surface of the rotating rod is There are at least three connecting plates distributed in an annular array; the cleaning brush strips are connected to the connecting plates through elastic sheets. With the rotation of the rotating rod, the brush bar rotates to clean the surface of the mold, especially the cleaning of the inner cavity; the elastic sheet makes the cleaning device change the shape within a certain range, which is suitable for cleaning the inner cavity of the mold of different sizes; when the size changes too much When large, you can also replace elastic sheets of different sizes. The mold cleaning device of the present application has high cleaning efficiency and low labor intensity, but the solution still has some shortcomings.
该方案在使用时局限性较大,且需要借助其它装夹装置配合,且在清理时需要进行多次调节,清理不全面,清理效果不佳,且多次装夹时操作麻烦,导致效率较低。This solution has great limitations in use, and needs to be coordinated with other clamping devices, and needs to be adjusted many times during cleaning, the cleaning is not comprehensive, the cleaning effect is not good, and the operation is troublesome when clamping multiple times, resulting in low efficiency. Low.
实用新型内容Utility model content
本实用新型的目的在于提供一种PC构件生产模具用清理装置,以解决上述背景技术中提到的现有浴式空气滤清器使用时,空气在进入滤清器内部后,直接与过滤油液接触,利用过滤油液吸附后,然后进入过滤机构过滤,由于在进入过滤机构前没有对其进行多次预处理,且空气与过滤油液接触面积小,导致空气中携带杂质较多,使得过滤机构的滤芯的滤清压力较大,从而导致过滤机构的使用寿命低,且过滤机构之间长时间受到气流的冲击容易发生偏移和形变的问题。The purpose of this utility model is to provide a kind of cleaning device for PC component production mould, so as to solve the problem that when the existing bath-type air filter mentioned in the above-mentioned background technology is used, after the air enters the inside of the filter, it directly interacts with the filter oil. After the filter oil is adsorbed, it enters the filter mechanism for filtration. Since it is not pretreated for many times before entering the filter mechanism, and the contact area between the air and the filter oil is small, the air carries more impurities, making the The filtering pressure of the filter element of the filtering mechanism is relatively large, which leads to a low service life of the filtering mechanism, and the problems of displacement and deformation between the filtering mechanisms are easily caused by the impact of the air flow for a long time.
为实现上述目的,本实用新型提供如下技术方案:一种PC构件生产模具用清理装置,包括底座,所述底座上表面的左端固定连接有第一支撑板,所述第一支撑板右表面的下方固定连接有第一推动缸,所述第一推动缸的右端活动连接有第一推动杆,所述第一推动杆的右端转动连接有第一夹板,所述底座上表面的右端固定连接有第二支撑板,所述第二支撑板右表面的下方固定连接有第一电机,所述第二支撑板左表面的下方转动连接有转动件,且所述第一电机通过第一传动轴与所述转动件相连接,所述转动件的左端固定连接有第二夹板,所述第一支撑板和所述第二支撑板的上端固定连接有支撑架,所述支撑架右表面的下方固定连接有第二电机,所述支撑架底部的中间处开设有滑轨,所述滑轨内侧的左端转动连接有第一转轴,所述第一转轴的右端固定连接有导杆,所述导杆的另一端固定连接有第二转轴,且所述第二转轴转动连接在所述滑轨内侧的右端,所述第二电机通过第二传动轴与所述第二转轴相连接,所述导杆的外表面螺纹连接有滑块,所述滑块的底部固定连接有安装板,所述安装板的底部固定连接有第二推动缸,所述第二推动缸的底部活动连接有第二推动杆,所述第二推动杆的底部固定连接有第三电机,所述第三电机的底部转动连接有清理刷。In order to achieve the above purpose, the present utility model provides the following technical solutions: a cleaning device for PC component production molds, comprising a base, the left end of the upper surface of the base is fixedly connected with a first support plate, and the right surface of the first support plate is The bottom is fixedly connected with a first push cylinder, the right end of the first push cylinder is movably connected with a first push rod, the right end of the first push rod is rotatably connected with a first clamp plate, and the right end of the upper surface of the base is fixedly connected with a first push rod. A second support plate, a first motor is fixedly connected under the right surface of the second support plate, a rotating member is rotatably connected under the left surface of the second support plate, and the first motor is connected with the first transmission shaft through the first transmission shaft. The rotating parts are connected, the left end of the rotating part is fixedly connected with a second splint, the upper ends of the first support plate and the second support plate are fixedly connected with a support frame, and the lower part of the right surface of the support frame is fixed A second motor is connected, a slide rail is opened in the middle of the bottom of the support frame, a first shaft is rotatably connected to the left end of the inner side of the slide rail, and a guide rod is fixedly connected to the right end of the first shaft, and the guide rod The other end of the motor is fixedly connected with a second rotating shaft, and the second rotating shaft is rotatably connected to the right end of the inner side of the slide rail, the second motor is connected with the second rotating shaft through the second transmission shaft, and the guide rod A slider is threadedly connected to the outer surface of the slider, a mounting plate is fixedly connected to the bottom of the slider, a second push cylinder is fixedly connected to the bottom of the mounting plate, and a second push rod is movably connected to the bottom of the second push cylinder A third motor is fixedly connected to the bottom of the second push rod, and a cleaning brush is rotatably connected to the bottom of the third motor.
优选的,所述底座底部的四个拐角处转动连接有移动轮,所述移动轮的侧面活动连接有卡扣。Preferably, four corners of the bottom of the base are rotatably connected with moving wheels, and the sides of the moving wheels are movably connected with buckles.
优选的,所述第一支撑板左表面的中间处固定连接有控制面板,且所述第一推动缸、所述第一电机、所述第二电机、所述第二推动缸和所述第三电机均通过导线与所述控制面板相连接。Preferably, a control panel is fixedly connected to the middle of the left surface of the first support plate, and the first push cylinder, the first motor, the second motor, the second push cylinder and the first push cylinder are The three motors are all connected with the control panel through wires.
优选的,所述滑块的大小与所述滑轨相吻合,且所述滑块与所述滑轨活动连接。Preferably, the size of the sliding block is consistent with the sliding rail, and the sliding block is movably connected to the sliding rail.
优选的,所述第一夹板和所述第二夹板的位置相对应,且大小相同。Preferably, the positions of the first splint and the second splint correspond to each other and have the same size.
优选的,所述第一夹板和所述第二夹板的表面均固定连接有保护垫,且所述保护垫采用的是橡胶材质。Preferably, protective pads are fixedly connected to the surfaces of the first splint and the second splint, and the protective pads are made of rubber.
本实用新型提供了一种PC构件生产模具用清理装置,具备以下有益效果:The utility model provides a cleaning device for PC component production molds, which has the following beneficial effects:
(1)本实用新型通过控制面板启动第一推动缸,第一推动缸推动第一推动杆,第一推动杆推动第一夹板,通过第一夹板和第二夹板固定模具,从而便于用户进行装夹,通过控制面板启动第一电机,第一电机带动第一传动轴转动,第一传动轴带动转动件转动,转动件带动第二夹板转动,第二夹板配合第一夹板带动模具转动,从而便于对的模具全方位清理,提高清洗效率。(1) The utility model activates the first push cylinder through the control panel, the first push cylinder pushes the first push rod, the first push rod pushes the first clamping plate, and the mold is fixed by the first clamping plate and the second clamping plate, so as to facilitate the user to install Clamp, start the first motor through the control panel, the first motor drives the first transmission shaft to rotate, the first transmission shaft drives the rotating member to rotate, the rotating member drives the second clamping plate to rotate, and the second clamping plate cooperates with the first clamping plate to drive the mold to rotate, so as to facilitate the rotation of the mold. The correct mold is cleaned in all directions to improve the cleaning efficiency.
(2)本实用新型通过控制面板启动第三电机和第二推动缸,通过第三电机带动清理刷转动,通过清理刷进行清洗,通过第二推动缸推动第二推动杆,第二推动杆推动第三电机,第三电机推动清理刷,从而便于根据需求调节清理刷的高度,便于进行清理,通过控制面板启动第二电机,第二电机带动第二传动轴转动,第二传动轴带动第二转轴转动,第二转轴带动导杆转动,导杆带动滑块移动,滑块带动安装板移动,从而便于调节清理刷的位置,便于对模具全面清理,提高清理效果。(2) The utility model starts the third motor and the second push cylinder through the control panel, drives the cleaning brush to rotate through the third motor, cleans through the cleaning brush, pushes the second push rod through the second push cylinder, and the second push rod pushes The third motor, the third motor pushes the cleaning brush, so that the height of the cleaning brush can be adjusted according to the demand, which is convenient for cleaning. The second motor is activated through the control panel, and the second motor drives the second drive shaft to rotate, and the second drive shaft drives the second drive shaft. When the rotating shaft rotates, the second rotating shaft drives the guide rod to rotate, the guide rod drives the slider to move, and the slider drives the mounting plate to move, so it is convenient to adjust the position of the cleaning brush, facilitate the comprehensive cleaning of the mold, and improve the cleaning effect.
附图说明Description of drawings
图1为本实用新型的主视图;Fig. 1 is the front view of the utility model;
图2为本实用新型的支撑架剖视图;2 is a cross-sectional view of a support frame of the present utility model;
图3为本实用新型的底座俯视剖视图。3 is a top sectional view of the base of the present invention.
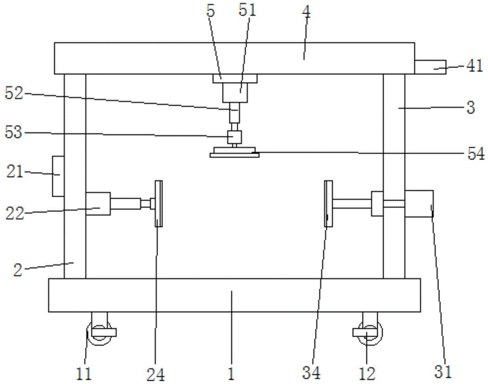
图中:底座1,移动轮11,卡扣12,第一支撑板2,控制面板21,第一推动缸22,第一推动杆23,第一夹板24,第二支撑板3,第一电机31,第一传动轴32,转动件33,第二夹板34,支撑架4,第二电机41,第二传动轴42,滑轨43,第一转轴44,导杆45,第二转轴46,滑块47,安装板5,第二推动缸51,第二推动杆52,第三电机53,清理刷54,保护垫6。In the figure:
具体实施方式Detailed ways
下面将结合本实用新型实施例中的附图,对本实用新型实施例中的技术方案进行清楚、完整地描述。The technical solutions in the embodiments of the present invention will be clearly and completely described below with reference to the accompanying drawings in the embodiments of the present invention.
如图1-3所示,本实用新型提供一种技术方案:一种PC构件生产模具用清理装置,包括底座1,所述底座1上表面的左端固定连接有第一支撑板2,所述第一支撑板2右表面的下方固定连接有第一推动缸22,所述第一推动缸22的右端活动连接有第一推动杆23,所述第一推动杆23的右端转动连接有第一夹板24,所述底座1上表面的右端固定连接有第二支撑板3,所述第二支撑板3右表面的下方固定连接有第一电机31,所述第二支撑板3左表面的下方转动连接有转动件33,且所述第一电机31通过第一传动轴32与所述转动件33相连接,所述转动件33的左端固定连接有第二夹板34,所述第一支撑板2和所述第二支撑板3的上端固定连接有支撑架4,所述支撑架4右表面的下方固定连接有第二电机41,所述支撑架4底部的中间处开设有滑轨43,所述滑轨43内侧的左端转动连接有第一转轴44,所述第一转轴44的右端固定连接有导杆45,所述导杆45的另一端固定连接有第二转轴46,且所述第二转轴46转动连接在所述滑轨43内侧的右端,所述第二电机41通过第二传动轴42与所述第二转轴46相连接,所述导杆45的外表面螺纹连接有滑块47,所述滑块47的底部固定连接有安装板5,所述安装板5的底部固定连接有第二推动缸51,所述第二推动缸51的底部活动连接有第二推动杆52,所述第二推动杆52的底部固定连接有第三电机53,所述第三电机53的底部转动连接有清理刷54。As shown in Figures 1-3, the present invention provides a technical solution: a cleaning device for PC component production molds, comprising a
所述底座1底部的四个拐角处转动连接有移动轮11,所述移动轮11的侧面活动连接有卡扣12,通过移动轮11便于移动装置,通过卡扣12固定移动轮11,所述第一支撑板2左表面的中间处固定连接有控制面板21,且所述第一推动缸22、所述第一电机31、所述第二电机41、所述第二推动缸51和所述第三电机53均通过导线与所述控制面板21相连接,所述滑块47的大小与所述滑轨43相吻合,且所述滑块47与所述滑轨43活动连接,通过滑轨43提高滑块47移动时的稳定性,所述第一夹板24和所述第二夹板34的位置相对应,且大小相同,通过第一夹板24和第二夹板34进行装夹,所述第一夹板24和所述第二夹板34的表面均固定连接有保护垫6,且所述保护垫6采用的是橡胶材质,通过保护垫6起到保护作用。The four corners of the bottom of the
需要说明的是,一种PC构件生产模具用清理装置,在工作时,通过控制面板21启动第一推动缸22,第一推动缸22推动第一推动杆23,第一推动杆23推动第一夹板24,通过第一夹板24和第二夹板34固定模具,从而便于用户进行装夹,通过控制面板21启动第一电机31,第一电机31带动第一传动轴32转动,第一传动轴32带动转动件33转动,转动件33带动第二夹板34转动,第二夹板34配合第一夹板24带动模具转动,从而便于对的模具全方位清理,提高清洗效率,通过控制面板21启动第三电机53和第二推动缸51,通过第三电机53带动清理刷54转动,通过清理刷54进行清洗,通过第二推动缸51推动第二推动杆52,第二推动杆52推动第三电机53,第三电机53推动清理刷54,从而便于根据需求调节清理刷54的高度,便于进行清理,通过控制面板21启动第二电机41,第二电机41带动第二传动轴42转动,第二传动轴42带动第二转轴46转动,第二转轴46带动导杆45转动,导杆45带动滑块47移动,滑块47带动安装板5移动,从而便于调节清理刷54的位置,便于对模具全面清理,提高清理效果。It should be noted that, in a cleaning device for PC component production molds, during operation, the
尽管已经示出和描述了本实用新型的实施例,对于本领域的普通技术人员而言,可以理解在不脱离本实用新型的原理和精神的情况下可以对这些实施例进行多种变化、修改、替换和变型,本实用新型的范围由所附权利要求及其等同物限定。Although the embodiments of the present invention have been shown and described, it will be understood by those skilled in the art that various changes and modifications can be made to these embodiments without departing from the principles and spirit of the present invention , alternatives and modifications, the scope of the present invention is defined by the appended claims and their equivalents.
Claims (6)
Priority Applications (1)
| Application Number | Priority Date | Filing Date | Title |
|---|---|---|---|
| CN201921942280.2U CN211682721U (en) | 2019-11-12 | 2019-11-12 | A cleaning device for PC component production molds |
Applications Claiming Priority (1)
| Application Number | Priority Date | Filing Date | Title |
|---|---|---|---|
| CN201921942280.2U CN211682721U (en) | 2019-11-12 | 2019-11-12 | A cleaning device for PC component production molds |
Publications (1)
| Publication Number | Publication Date |
|---|---|
| CN211682721U true CN211682721U (en) | 2020-10-16 |
Family
ID=72786688
Family Applications (1)
| Application Number | Title | Priority Date | Filing Date |
|---|---|---|---|
| CN201921942280.2U Expired - Fee Related CN211682721U (en) | 2019-11-12 | 2019-11-12 | A cleaning device for PC component production molds |
Country Status (1)
| Country | Link |
|---|---|
| CN (1) | CN211682721U (en) |
Cited By (1)
| Publication number | Priority date | Publication date | Assignee | Title |
|---|---|---|---|---|
| CN113458325A (en) * | 2021-05-13 | 2021-10-01 | 杨柴 | Precoated sand mold for casting stainless steel thin-walled workpiece |
-
2019
- 2019-11-12 CN CN201921942280.2U patent/CN211682721U/en not_active Expired - Fee Related
Cited By (2)
| Publication number | Priority date | Publication date | Assignee | Title |
|---|---|---|---|---|
| CN113458325A (en) * | 2021-05-13 | 2021-10-01 | 杨柴 | Precoated sand mold for casting stainless steel thin-walled workpiece |
| CN113458325B (en) * | 2021-05-13 | 2023-08-18 | 池州鸿博通用机械制造有限公司 | Application method of precoated sand mold for casting stainless steel thin-wall part |
Similar Documents
| Publication | Publication Date | Title |
|---|---|---|
| WO2021248367A1 (en) | Outer surface polishing device for high limit bulging rate ultra-thin wall titanium welded pipe production | |
| CN206719699U (en) | A film-tearing film sticking mechanism | |
| CN211682721U (en) | A cleaning device for PC component production molds | |
| CN216181552U (en) | Concrete precast part demoulding device | |
| CN117754423A (en) | Surface treatment device for flange processing | |
| CN221736690U (en) | A kind of artificial stone plate processing burr cutting equipment | |
| CN115592731A (en) | Dust removal mechanism of environmental protection cutting machine for municipal building construction | |
| CN211361715U (en) | Novel joint strip fixed length cutting equipment | |
| CN212315946U (en) | Hollow glass laminating machine | |
| CN218395638U (en) | Aircraft is accessory punching press mechanism for manufacturing | |
| CN222844607U (en) | A mold for injection molding spoons | |
| CN218395080U (en) | A cleaning device for stamping dies of auto parts | |
| CN207372917U (en) | A kind of steel wire surface dust arrester | |
| CN222494758U (en) | Superimposed sheet mould cleaning device | |
| CN221583362U (en) | Clamp for rubber toy production | |
| CN223302368U (en) | Anti-fake printing thermoprint mechanism | |
| CN218775890U (en) | Radium carving mould electrostatic adsorption device | |
| CN222220929U (en) | A crimping mechanism of a continuous crimping machine | |
| CN221659839U (en) | Mold fixing device for processing sealing strips | |
| CN220902815U (en) | Lining plate machining and polishing device | |
| CN217493136U (en) | A steel member welding device | |
| CN112809801A (en) | Horizontal bar cutting device for advertisement design | |
| CN221046491U (en) | Rear cover assembly entering and dispensing integrated machine | |
| CN222059797U (en) | Chamfering equipment for bamboo furniture | |
| CN221792164U (en) | A stamping part surface grinding device |
Legal Events
| Date | Code | Title | Description |
|---|---|---|---|
| GR01 | Patent grant | ||
| GR01 | Patent grant | ||
| CF01 | Termination of patent right due to non-payment of annual fee |
Granted publication date: 20201016 |
|
| CF01 | Termination of patent right due to non-payment of annual fee |
