CN211549416U - 一种多功能木门板 - Google Patents
一种多功能木门板 Download PDFInfo
- Publication number
- CN211549416U CN211549416U CN201921832087.3U CN201921832087U CN211549416U CN 211549416 U CN211549416 U CN 211549416U CN 201921832087 U CN201921832087 U CN 201921832087U CN 211549416 U CN211549416 U CN 211549416U
- Authority
- CN
- China
- Prior art keywords
- mainboard
- timber
- wooden door
- door handle
- fastening
- Prior art date
- Legal status (The legal status is an assumption and is not a legal conclusion. Google has not performed a legal analysis and makes no representation as to the accuracy of the status listed.)
- Expired - Fee Related
Links
- 229920000742 Cotton Polymers 0.000 claims description 16
- 230000007246 mechanism Effects 0.000 claims description 14
- 229920000297 Rayon Polymers 0.000 claims description 7
- 239000002023 wood Substances 0.000 claims 5
- 230000001681 protective effect Effects 0.000 abstract description 2
- 230000000694 effects Effects 0.000 description 4
- 230000009471 action Effects 0.000 description 2
- 230000008901 benefit Effects 0.000 description 2
- 230000002411 adverse Effects 0.000 description 1
- 230000009286 beneficial effect Effects 0.000 description 1
- 230000003139 buffering effect Effects 0.000 description 1
- 230000007547 defect Effects 0.000 description 1
- 238000001125 extrusion Methods 0.000 description 1
- 230000006872 improvement Effects 0.000 description 1
- 239000000463 material Substances 0.000 description 1
- 238000000034 method Methods 0.000 description 1
- 230000008569 process Effects 0.000 description 1
Images
Landscapes
- Wing Frames And Configurations (AREA)
- Securing Of Glass Panes Or The Like (AREA)
Abstract
本实用新型公开了一种多功能木门板,包括木门框,所述木门框的一侧安装有木门主板,所述木门主板的前端外表面贯穿安装有门把手,所述木门主板的一侧外表面中部安装有门锁,所述木门主板的前端外表面开设有凹槽,且凹槽位于门把手的一侧,所述门把手的外侧设置有固定块,所述固定块的后端设置有弹性橡胶垫,所述固定块的上端外表面贯穿设置有紧固机构,所述木门主板的前端外表面的拐角处开设有承载槽,所述承载槽的内部安装有缓冲机构。本实用新型所述的一种多功能木门板,能够减小使用时发出的噪音,且能够提高对门把手、墙体的保护性能。
Description
技术领域
本实用新型涉及家具用品领域,特别涉及一种多功能木门板。
背景技术
木门,顾名思义,即木制的门,按照材质、工艺及用途可以分为很多种类,广泛适用于民、商用建筑及住宅,门在家庭生活中具有举足轻重的地位,可谓居家必不可少;现有的木门板在使用时存在一定的弊端,在使用时噪音过大,且在打开木门主板时,木门主板上的门把手易于墙体相撞击,造成其门把手、墙体损坏的现象,给实际使用带来了一定的不利影响,为此,我们提出一种多功能木门板。
实用新型内容
本实用新型的主要目的在于提供一种多功能木门板,可以有效解决背景技术中的问题。
为实现上述目的,本实用新型采取的技术方案为:
一种多功能木门板,包括木门框,所述木门框的一侧安装有木门主板,所述木门主板的前端外表面贯穿安装有门把手,所述木门主板的一侧外表面中部安装有门锁,所述木门主板的前端外表面开设有凹槽,且凹槽位于门把手的一侧,所述门把手的外侧设置有固定块,所述固定块的后端设置有弹性橡胶垫,所述固定块的上端外表面贯穿设置有紧固机构,所述木门主板的前端外表面的拐角处开设有承载槽,所述承载槽的内部安装有缓冲机构。
优选的,所述弹性橡胶垫的前端外表面通过固定块与门把手的后端外表面固定连接,所述门把手的外表面通过紧固机构与固定块的内侧外表面固定连接。
优选的,所述紧固机构包括开设在固定块的上端外表面的紧固螺孔,所述紧固螺孔的内部旋紧有紧固螺柱,所述紧固螺柱的下端镶嵌有连接轴承,所述连接轴承的下端安装有紧固环,且紧固环的下端面与门把手的上端面相接触。
优选的,所述木门主板与木门框之间设置有合页,所述木门主板的另一侧外表面通过合页与木门框的一侧外表面活动连接,所述缓冲机构的后端外表面通过承载槽与木门主板的前端外表面固定连接。
优选的,所述缓冲机构包括镶嵌在承载槽的内部底面的连接板,所述连接板的前端安装有若干组缓冲弹簧,所述缓冲弹簧的前端安装有衔接板,所述衔接板的前端外表面安装有弹性棉块。
优选的,所述弹性棉块的后端外表面通过衔接板与缓冲弹簧的前端外表面固定连接,所述弹性棉块与衔接板之间设置有粘胶,所述弹性棉块的后端外表面通过粘胶与衔接板的前端外表面固定连接。
与现有技术相比,本实用新型具有如下有益效果:因设置有缓冲机构,故而在关闭木门主板的过程中,木门主板与木门框相撞击时木门主板上的弹性棉块会和木门框相撞击,同时衔接板和连接板之间的缓冲弹簧发生形变,对其木门框和木门主板之间关闭时所产生的撞击力进行缓冲抵消,以此避免其木门框和木门主板之间因过大的撞击力而发出噪音的现象,进而实现其减小使用时发出噪音的好处,因设置有弹性橡胶垫,故而可以将固定块套在门把手上,同时转动紧固螺柱,使其紧固环利用紧固螺柱和紧固螺孔之间的螺纹性能下移和门把手相接触,将门把手挤压固定在紧固环和固定块之间,使其在打开木门主板时,木门主板上的门把手在与墙体相碰撞时能够通过弹性橡胶垫进行隔离,让其能够通过弹性橡胶垫代替门把手与墙体相碰撞,以避免其门把手与墙体相碰撞造成门把手、墙体损坏的现象,进而实现其提高对墙体、门把手的保护性能,使用的效果相对于传统方式更好。
附图说明
图1为本实用新型一种多功能木门板的整体结构示意图;
图2为本实用新型一种多功能木门板的缓冲机构的剖视图;
图3为本实用新型一种多功能木门板的紧固机构的剖视图;
图4为本实用新型一种多功能木门板的固定块的示意图。
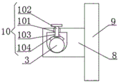
图中:1、木门框;2、木门主板;3、门把手;4、门锁;5、凹槽;6、缓冲机构;61、连接板;62、缓冲弹簧;63、衔接板;64、弹性棉块;7、承载槽;8、固定块;9、弹性橡胶垫;10、紧固机构;101、紧固螺孔;102、紧固螺柱;103、连接轴承;104、紧固环。
具体实施方式
为使本实用新型实现的技术手段、创作特征、达成目的与功效易于明白了解,下面结合具体实施方式,进一步阐述本实用新型。
如图1-4所示,一种多功能木门板,包括木门框1,木门框1的一侧安装有木门主板2,木门主板2的前端外表面贯穿安装有门把手3,木门主板2的一侧外表面中部安装有门锁4,木门主板2的前端外表面开设有凹槽5,且凹槽5位于门把手3的一侧,门把手3的外侧设置有固定块8,固定块8的后端设置有弹性橡胶垫9,固定块8的上端外表面贯穿设置有紧固机构10,木门主板2的前端外表面的拐角处开设有承载槽7,承载槽7的内部安装有缓冲机构6。
弹性橡胶垫9的前端外表面通过固定块8与门把手3的后端外表面固定连接,门把手3的外表面通过紧固机构10与固定块8的内侧外表面固定连接,门把手3起到抓取作用,固定块8起到连接固定作用,弹性橡胶垫9起到保护作用。
紧固机构10包括开设在固定块8的上端外表面的紧固螺孔101,紧固螺孔101的内部旋紧有紧固螺柱102,紧固螺柱102的下端镶嵌有连接轴承103,连接轴承103的下端安装有紧固环104,且紧固环104的下端面与门把手3的上端面相接触,连接轴承103起到保证紧固螺柱102在转动时紧固环104不会转动的作用,紧固环104起到挤压固定的作用,紧固螺柱102起到连接作用。
木门主板2与木门框1之间设置有合页,木门主板2的另一侧外表面通过合页与木门框1的一侧外表面活动连接,缓冲机构6的后端外表面通过承载槽7与木门主板2的前端外表面固定连接,合页起到将木门主板2与木门框1连接在一起的作用,承载槽7起到收纳的作用。
缓冲机构6包括镶嵌在承载槽7的内部底面的连接板61,连接板61的前端安装有若干组缓冲弹簧62,缓冲弹簧62的前端安装有衔接板63,衔接板63的前端外表面安装有弹性棉块64,连接板61、衔接板63起到连接作用,缓冲弹簧62起到连接缓冲作用。
弹性棉块64的后端外表面通过衔接板63与缓冲弹簧62的前端外表面固定连接,弹性棉块64与衔接板63之间设置有粘胶,弹性棉块64的后端外表面通过粘胶与衔接板63的前端外表面固定连接,粘胶起到将弹性棉块64与衔接板63固定在一起的作用。
需要说明的是,本实用新型为一种多功能木门板,在使用时,使用者可以将木门框1镶嵌在墙体中进行使用,当在关闭木门主板2的过程中,木门主板2与木门框1相撞击时木门主板2上的弹性棉块64会和木门框1相撞击,同时衔接板63和连接板61之间的缓冲弹簧62发生形变,对其木门框1和木门主板2之间关闭时所产生的撞击力进行缓冲抵消,以此避免其木门框1和木门主板2之间因过大的撞击力而发出噪音的现象,同时使用者可以将固定块8套在门把手3上,并转动紧固螺柱102,使其紧固环104利用紧固螺柱102和紧固螺孔101之间的螺纹性能下移和门把手3相接触,将门把手3挤压固定在紧固环104和固定块8之间,使其在打开木门主板2时,木门主板2上的门把手3在与墙体相碰撞时能够通过弹性橡胶垫9进行隔离,让其能够通过弹性橡胶垫9代替门把手3与墙体相碰撞,以避免其门把手3与墙体相碰撞造成门把手3、墙体损坏的现象,较为实用。
以上显示和描述了本实用新型的基本原理和主要特征和本实用新型的优点。本行业的技术人员应该了解,本实用新型不受上述实施例的限制,上述实施例和说明书中描述的只是说明本实用新型的原理,在不脱离本实用新型精神和范围的前提下,本实用新型还会有各种变化和改进,这些变化和改进都落入要求保护的本实用新型范围内。本实用新型要求保护范围由所附的权利要求书及其等效物界定。
Claims (6)
1.一种多功能木门板,包括木门框(1),其特征在于:所述木门框(1)的一侧安装有木门主板(2),所述木门主板(2)的前端外表面贯穿安装有门把手(3),所述木门主板(2)的一侧外表面中部安装有门锁(4),所述木门主板(2)的前端外表面开设有凹槽(5),且凹槽(5)位于门把手(3)的一侧,所述门把手(3)的外侧设置有固定块(8),所述固定块(8)的后端设置有弹性橡胶垫(9),所述固定块(8)的上端外表面贯穿设置有紧固机构(10),所述木门主板(2)的前端外表面的拐角处开设有承载槽(7),所述承载槽(7)的内部安装有缓冲机构(6)。
2.根据权利要求1所述的一种多功能木门板,其特征在于:所述弹性橡胶垫(9)的前端外表面通过固定块(8)与门把手(3)的后端外表面固定连接,所述门把手(3)的外表面通过紧固机构(10)与固定块(8)的内侧外表面固定连接。
3.根据权利要求1所述的一种多功能木门板,其特征在于:所述紧固机构(10)包括开设在固定块(8)的上端外表面的紧固螺孔(101),所述紧固螺孔(101)的内部旋紧有紧固螺柱(102),所述紧固螺柱(102)的下端镶嵌有连接轴承(103),所述连接轴承(103)的下端安装有紧固环(104),且紧固环(104)的下端面与门把手(3)的上端面相接触。
4.根据权利要求1所述的一种多功能木门板,其特征在于:所述木门主板(2)与木门框(1)之间设置有合页,所述木门主板(2)的另一侧外表面通过合页与木门框(1)的一侧外表面活动连接,所述缓冲机构(6)的后端外表面通过承载槽(7)与木门主板(2)的前端外表面固定连接。
5.根据权利要求1所述的一种多功能木门板,其特征在于:所述缓冲机构(6)包括镶嵌在承载槽(7)的内部底面的连接板(61),所述连接板(61)的前端安装有若干组缓冲弹簧(62),所述缓冲弹簧(62)的前端安装有衔接板(63),所述衔接板(63)的前端外表面安装有弹性棉块(64)。
6.根据权利要求5所述的一种多功能木门板,其特征在于:所述弹性棉块(64)的后端外表面通过衔接板(63)与缓冲弹簧(62)的前端外表面固定连接,所述弹性棉块(64)与衔接板(63)之间设置有粘胶,所述弹性棉块(64)的后端外表面通过粘胶与衔接板(63)的前端外表面固定连接。
Priority Applications (1)
| Application Number | Priority Date | Filing Date | Title |
|---|---|---|---|
| CN201921832087.3U CN211549416U (zh) | 2019-10-29 | 2019-10-29 | 一种多功能木门板 |
Applications Claiming Priority (1)
| Application Number | Priority Date | Filing Date | Title |
|---|---|---|---|
| CN201921832087.3U CN211549416U (zh) | 2019-10-29 | 2019-10-29 | 一种多功能木门板 |
Publications (1)
| Publication Number | Publication Date |
|---|---|
| CN211549416U true CN211549416U (zh) | 2020-09-22 |
Family
ID=72498250
Family Applications (1)
| Application Number | Title | Priority Date | Filing Date |
|---|---|---|---|
| CN201921832087.3U Expired - Fee Related CN211549416U (zh) | 2019-10-29 | 2019-10-29 | 一种多功能木门板 |
Country Status (1)
| Country | Link |
|---|---|
| CN (1) | CN211549416U (zh) |
-
2019
- 2019-10-29 CN CN201921832087.3U patent/CN211549416U/zh not_active Expired - Fee Related
Similar Documents
| Publication | Publication Date | Title |
|---|---|---|
| CN211549416U (zh) | 一种多功能木门板 | |
| CN208605078U (zh) | 一种橱柜门板 | |
| CN205153936U (zh) | 一种隔音减震门 | |
| CN203531601U (zh) | 一种推拉门缓冲自锁结构 | |
| CN207436769U (zh) | 一种铰链用的缓冲安装机构 | |
| CN202731524U (zh) | 一种阻尼效果可调的关门缓冲器 | |
| CN207377348U (zh) | 一种小角度关门铰链 | |
| CN201747183U (zh) | 一种柜门缓冲器 | |
| CN221546782U (zh) | 一种门框隐藏式隐形门结构 | |
| CN108433404A (zh) | 一种带消音功能的缓冲滑轨 | |
| CN215859489U (zh) | 一种隐形门板把手及应用其的门 | |
| CN203441331U (zh) | 一种防盗门的密封条 | |
| CN210530563U (zh) | 一种门挡器 | |
| CN208923629U (zh) | 一种建筑工程用电力箱的固定机构 | |
| CN223434245U (zh) | 一种厚门三段力小角度缓冲铰链 | |
| CN215255631U (zh) | 一种双开式木门 | |
| CN218881927U (zh) | 一种阻尼器铰链 | |
| CN207920370U (zh) | 一种防夹手门框 | |
| CN218668971U (zh) | 一种铝合金门窗缓震结构 | |
| KR200406257Y1 (ko) | 문프레임 스토퍼 | |
| CN219993486U (zh) | 一种防撞型入户大门 | |
| CN222253709U (zh) | 一种墙柜的门结构 | |
| CN216406602U (zh) | 一种新型具有缓冲功能的人防门 | |
| JP4065930B2 (ja) | 折戸装置 | |
| CN203867301U (zh) | 一种减震门锁 |
Legal Events
| Date | Code | Title | Description |
|---|---|---|---|
| GR01 | Patent grant | ||
| GR01 | Patent grant | ||
| CF01 | Termination of patent right due to non-payment of annual fee |
Granted publication date: 20200922 |
|
| CF01 | Termination of patent right due to non-payment of annual fee |