CN211306666U - 一种木箱包装边条自动成型机 - Google Patents
一种木箱包装边条自动成型机 Download PDFInfo
- Publication number
- CN211306666U CN211306666U CN201922373454.4U CN201922373454U CN211306666U CN 211306666 U CN211306666 U CN 211306666U CN 201922373454 U CN201922373454 U CN 201922373454U CN 211306666 U CN211306666 U CN 211306666U
- Authority
- CN
- China
- Prior art keywords
- fixedly connected
- plate
- movable plate
- packing
- base
- Prior art date
- Legal status (The legal status is an assumption and is not a legal conclusion. Google has not performed a legal analysis and makes no representation as to the accuracy of the status listed.)
- Expired - Fee Related
Links
- 238000004806 packaging method and process Methods 0.000 title abstract description 13
- 238000000465 moulding Methods 0.000 claims abstract description 16
- 238000012856 packing Methods 0.000 claims abstract description 12
- 238000007688 edging Methods 0.000 claims 5
- 238000013461 design Methods 0.000 abstract description 8
- 238000000034 method Methods 0.000 description 7
- 230000008569 process Effects 0.000 description 5
- 230000009471 action Effects 0.000 description 3
- 230000003139 buffering effect Effects 0.000 description 2
- 230000000694 effects Effects 0.000 description 2
- 230000003014 reinforcing effect Effects 0.000 description 2
- 238000010521 absorption reaction Methods 0.000 description 1
- 230000004075 alteration Effects 0.000 description 1
- 230000009286 beneficial effect Effects 0.000 description 1
- 230000008859 change Effects 0.000 description 1
- 238000012986 modification Methods 0.000 description 1
- 230000004048 modification Effects 0.000 description 1
- 238000012545 processing Methods 0.000 description 1
- 230000035939 shock Effects 0.000 description 1
- 238000006467 substitution reaction Methods 0.000 description 1
- 238000003466 welding Methods 0.000 description 1
Images
Landscapes
- Pallets (AREA)
Abstract
本实用新型公开了一种木箱包装边条自动成型机,包括工作台,所述工作台顶部的靠中心位置固定安装有防护板,所述工作台的顶部固定安装有输送机,所述输送机的一侧贯穿至防护板的外部,所述工作台底部的靠中心位置固定连接有底座,所述底座底部的靠中心位置开设有凹槽。该木箱包装边条自动成型机,通过万向轮、推杆、握把、气缸、支撑杆和固定板的设计,能够使木箱包装边条自动成型机具有移动的特点,在使用者需要对其进行调整位置时,可以快速有效的对其进行移动,当移动至目的地时,气缸通过活塞杆将支撑杆带动固定板向下移动,使固定板底部的防滑垫接触地面,从而对该装置进行限位和支撑,防止该装置发生移动。
Description
技术领域
本实用新型涉及木箱包装技术领域,具体为一种木箱包装边条自动成型机。
背景技术
木箱包装就是用木质包装容器将要保护的物品包装起来,木箱包装最初是为了方便运输仓储而产生的一个包装产物,对于一些在运输和仓储时容易损坏的物品用木质包装容器进行加固,从而起到一个保护作用。木箱包装在加工边条时,需要使用到自动成型机来进行加工。
传统的木箱包装边条自动成型机大多缺少移动的特点,在使用者需要将其调换位置和角度的时,需要消耗大量的人力,在移动时,容易造成自动成型机的损坏,不便于使用者的使用。因此,我们提出一种木箱包装边条自动成型机。
实用新型内容
本实用新型的目的在于提供一种木箱包装边条自动成型机,以解决上述背景技术中提出传统的木箱包装边条自动成型机大多缺少移动的特点,在使用者需要将其调换位置和角度的时,需要消耗大量的人力,在移动时,容易造成自动成型机的损坏,不便于使用者使用的问题。
为实现上述目的,本实用新型提供如下技术方案:一种木箱包装边条自动成型机,包括工作台,所述工作台顶部的靠中心位置固定安装有防护板,所述工作台的顶部固定安装有输送机,所述输送机的一侧贯穿至防护板的外部,所述工作台底部的靠中心位置固定连接有底座,所述底座底部的靠中心位置开设有凹槽,所述底座的内部对应凹槽两侧的靠底部位置均开设有滑槽,所述凹槽的内部设置有活动板,所述活动板两侧的靠顶部位置均固定连接有滑板,所述滑板远离活动板的一侧贯穿至滑槽的内部并与滑槽的内壁接触,所述凹槽内的顶部固定连接有抵板,所述活动板的底部贯穿至底座的外部,所述工作台底部的两侧均固定连接有加固板,两个加固板的底部和底座两侧的靠底部位置均固定连接有支撑板,所述支撑板的顶部固定连接有机箱,所述机箱的内部固定安装有气缸,所述气缸通过其底部的输出端固定连接有活塞杆,所述活塞杆的底部依次贯穿机箱和支撑板并延伸至支撑板的外部,所述活塞杆的底端固定连接有支撑杆。
优选的,所述抵板的底部固定连接有若干个第一海绵球,所述活动板的顶部对应第一海绵球的下方固定连接有第二海绵球。
优选的,所述抵板的底部和活动板的顶部对应两个第一海绵球和两个第二海绵球之间固定连接有伸缩杆,所述伸缩杆的表面设置有缓冲弹簧,所述缓冲弹簧的两端分别与抵板和活动板固定连接。
优选的,所述活动板的底端固定安装有四个万向轮,四个万向轮分别位于活动板底部的靠四角位置。
优选的,所述工作台的一侧固定连接有推杆,所述推杆的一侧固定连接有握把。
优选的,所述支撑杆的底部固定连接有固定板,所述固定板的底部固定连接有防滑垫。
与现有技术相比,本实用新型的有益效果是:
该木箱包装边条自动成型机,通过万向轮、推杆、握把、气缸、支撑杆和固定板的设计,能够使木箱包装边条自动成型机具有移动的特点,在使用者需要对其进行调整位置时,可以快速有效的对其进行移动,当移动至目的地时,气缸通过活塞杆将支撑杆带动固定板向下移动,使固定板底部的防滑垫接触地面,从而对该装置进行限位和支撑,防止该装置发生移动,伸缩杆、缓冲弹簧、第一海绵球、第二海绵球、滑板、滑槽和活动板的设计,通过该减震结构的设计,能够在该装置移动时,减少震动,从而对该装置起到保护的效果。
附图说明
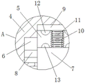
图1为本实用新型结构示意图;
图2为本实用新型图1中A的局部放大示意图;
图3为本实用新型结构主视图。
图中:1、工作台;2、防护板;3、输送机;4、底座;5、凹槽;6、滑槽;7、活动板;8、滑板;9、抵板;10、伸缩杆;11、缓冲弹簧;12、第一海绵球;13、第二海绵球;14、万向轮;15、加固板;16、支撑板;17、机箱;18、气缸;19、活塞杆;20、支撑杆;21、固定板;22、防滑垫;23、推杆;24、握把。
具体实施方式
下面将结合本实用新型实施例中的附图,对本实用新型实施例中的技术方案进行清楚、完整地描述,显然,所描述的实施例仅仅是本实用新型一部分实施例,而不是全部的实施例。基于本实用新型中的实施例,本领域普通技术人员在没有做出创造性劳动前提下所获得的所有其他实施例,都属于本实用新型保护的范围。
请参阅图1-3,本实用新型提供一种技术方案:一种木箱包装边条自动成型机,包括工作台1,工作台1顶部的靠中心位置固定安装有防护板2,工作台1的顶部固定安装有输送机3,输送机3的一侧贯穿至防护板2的外部,工作台1底部的靠中心位置固定连接有底座4,底座4底部的靠中心位置开设有凹槽5,底座4的内部对应凹槽5两侧的靠底部位置均开设有滑槽6,凹槽5的内部设置有活动板7,活动板7两侧的靠顶部位置均固定连接有滑板8,滑板8远离活动板7的一侧贯穿至滑槽6的内部并与滑槽6的内壁接触,凹槽5内的顶部固定连接有抵板9,活动板7的底部贯穿至底座4的外部,工作台1底部的两侧均固定连接有加固板15,两个加固板15的底部和底座4两侧的靠底部位置均固定连接有支撑板16,支撑板16的顶部固定连接有机箱17,机箱17的内部固定安装有气缸18,气缸18采用的型号为MGJ6-15,气缸18通过其底部的输出端固定连接有活塞杆19,活塞杆19的底部依次贯穿机箱17和支撑板16并延伸至支撑板16的外部,活塞杆19的底端固定连接有支撑杆20。
本实用新型中:抵板9的底部固定连接有若干个第一海绵球12,活动板7的顶部对应第一海绵球12的下方固定连接有第二海绵球13;第一海绵球12和第二海绵球13的设计,能够起到缓冲的作用。
本实用新型中:抵板9的底部和活动板7的顶部对应两个第一海绵球12和两个第二海绵球13之间固定连接有伸缩杆10,伸缩杆10的表面设置有缓冲弹簧11,缓冲弹簧11的两端分别与抵板9和活动板7固定连接;伸缩杆10和缓冲弹簧11的设计,能够起到缓冲和减震的作用。
本实用新型中:活动板7的底端固定安装有四个万向轮14,四个万向轮14分别位于活动板7底部的靠四角位置;万向轮14的设计,能够使该装置具有移动的特点。
本实用新型中:工作台1的一侧固定连接有推杆23,推杆23的一侧固定连接有握把24;推杆23和握把24的设计,能够便于使用者对该装置进行移动。
本实用新型中:支撑杆20的底部固定连接有固定板21,固定板21的底部固定连接有防滑垫22;防滑垫22的设计,能够起到防滑的作用。
工作原理:当需要将该装置进行移动时,使用者通过握把24和推杆23将该装置移动,在移动的过程中,万向轮14受到颠簸,带动活动板7使滑板8在滑槽6当中上下移动,通过第一海绵球12和第二海绵球13的弹性、伸缩杆10的伸缩性和缓冲弹簧11的复位性,能够有效的减少颠簸时所产生的震动,当移动时指定地点时,气缸18通过活塞杆19将支撑杆20使固定板21向下移动,将固定板21底部设置的防滑垫22接触地面,从而对该装置进行限位。
综上所述:该木箱包装边条自动成型机,通过万向轮14、推杆23、握把24、气缸18、支撑杆20和固定板21的设计,能够使木箱包装边条自动成型机具有移动的特点,在使用者需要对其进行调整位置时,可以快速有效的对其进行移动,当移动至目的地时,气缸18通过活塞杆19将支撑杆20带动固定板21向下移动,使固定板21底部的防滑垫22接触地面,从而对该装置进行限位和支撑,防止该装置发生移动,伸缩杆10、缓冲弹簧11、第一海绵球12、第二海绵球13、滑板8、滑槽6和活动板7的设计,通过该减震结构的设计,能够在该装置移动时,减少震动,从而对该装置起到保护的效果。
需要说明的是,在本文中,诸如第一和第二等之类的关系术语仅仅用来将一个实体或者操作与另一个实体或操作区分开来,而不一定要求或者暗示这些实体或操作之间存在任何这种实际的关系或者顺序。而且,术语“包括”、“包含”或者其任何其他变体意在涵盖非排他性的包含,从而使得包括一系列要素的过程、方法、物品或者设备不仅包括那些要素,而且还包括没有明确列出的其他要素,或者是还包括为这种过程、方法、物品或者设备所固有的要素。
该文中出现的电器元件均与外界的主控制器及220V市电电连接,并且主控制器可为伺服电机、接触传感器、处理器、警报模块和驱动模块等起到控制的常规已知设备,本申请文件中使用到的标准零件均可以从市场上购买,各个零件的具体连接方式均采用现有技术中成熟的螺栓、铆钉、焊接等常规手段进行连接,且机械、零件和设备均采用现有技术中常规的型号,加上电路连接采用现有技术中常规的连接方式,在此不再作出具体叙述。
尽管已经示出和描述了本实用新型的实施例,对于本领域的普通技术人员而言,可以理解在不脱离本实用新型的原理和精神的情况下可以对这些实施例进行多种变化、修改、替换和变型,本实用新型的范围由所附权利要求及其等同物限定。
Claims (6)
1.一种木箱包装边条自动成型机,包括工作台(1),其特征在于:所述工作台(1)顶部的靠中心位置固定安装有防护板(2),所述工作台(1)的顶部固定安装有输送机(3),所述输送机(3)的一侧贯穿至防护板(2)的外部,所述工作台(1)底部的靠中心位置固定连接有底座(4),所述底座(4)底部的靠中心位置开设有凹槽(5),所述底座(4)的内部对应凹槽(5)两侧的靠底部位置均开设有滑槽(6),所述凹槽(5)的内部设置有活动板(7),所述活动板(7)两侧的靠顶部位置均固定连接有滑板(8),所述滑板(8)远离活动板(7)的一侧贯穿至滑槽(6)的内部并与滑槽(6)的内壁接触,所述凹槽(5)内的顶部固定连接有抵板(9),所述活动板(7)的底部贯穿至底座(4)的外部,所述工作台(1)底部的两侧均固定连接有加固板(15),两个加固板(15)的底部和底座(4)两侧的靠底部位置均固定连接有支撑板(16),所述支撑板(16)的顶部固定连接有机箱(17),所述机箱(17)的内部固定安装有气缸(18),所述气缸(18)通过其底部的输出端固定连接有活塞杆(19),所述活塞杆(19)的底部依次贯穿机箱(17)和支撑板(16)并延伸至支撑板(16)的外部,所述活塞杆(19)的底端固定连接有支撑杆(20)。
2.根据权利要求1所述的一种木箱包装边条自动成型机,其特征在于:所述抵板(9)的底部固定连接有若干个第一海绵球(12),所述活动板(7)的顶部对应第一海绵球(12)的下方固定连接有第二海绵球(13)。
3.根据权利要求1所述的一种木箱包装边条自动成型机,其特征在于:所述抵板(9)的底部和活动板(7)的顶部对应两个第一海绵球(12)和两个第二海绵球(13)之间固定连接有伸缩杆(10),所述伸缩杆(10)的表面设置有缓冲弹簧(11),所述缓冲弹簧(11)的两端分别与抵板(9)和活动板(7)固定连接。
4.根据权利要求1所述的一种木箱包装边条自动成型机,其特征在于:所述活动板(7)的底端固定安装有四个万向轮(14),四个万向轮(14)分别位于活动板(7)底部的靠四角位置。
5.根据权利要求1所述的一种木箱包装边条自动成型机,其特征在于:所述工作台(1)的一侧固定连接有推杆(23),所述推杆(23)的一侧固定连接有握把(24)。
6.根据权利要求1所述的一种木箱包装边条自动成型机,其特征在于:所述支撑杆(20)的底部固定连接有固定板(21),所述固定板(21)的底部固定连接有防滑垫(22)。
Priority Applications (1)
| Application Number | Priority Date | Filing Date | Title |
|---|---|---|---|
| CN201922373454.4U CN211306666U (zh) | 2019-12-26 | 2019-12-26 | 一种木箱包装边条自动成型机 |
Applications Claiming Priority (1)
| Application Number | Priority Date | Filing Date | Title |
|---|---|---|---|
| CN201922373454.4U CN211306666U (zh) | 2019-12-26 | 2019-12-26 | 一种木箱包装边条自动成型机 |
Publications (1)
| Publication Number | Publication Date |
|---|---|
| CN211306666U true CN211306666U (zh) | 2020-08-21 |
Family
ID=72075849
Family Applications (1)
| Application Number | Title | Priority Date | Filing Date |
|---|---|---|---|
| CN201922373454.4U Expired - Fee Related CN211306666U (zh) | 2019-12-26 | 2019-12-26 | 一种木箱包装边条自动成型机 |
Country Status (1)
| Country | Link |
|---|---|
| CN (1) | CN211306666U (zh) |
Cited By (1)
| Publication number | Priority date | Publication date | Assignee | Title |
|---|---|---|---|---|
| CN114536533A (zh) * | 2022-03-07 | 2022-05-27 | 济南恒起工程机械有限公司 | 塔吊配重制作装置 |
-
2019
- 2019-12-26 CN CN201922373454.4U patent/CN211306666U/zh not_active Expired - Fee Related
Cited By (1)
| Publication number | Priority date | Publication date | Assignee | Title |
|---|---|---|---|---|
| CN114536533A (zh) * | 2022-03-07 | 2022-05-27 | 济南恒起工程机械有限公司 | 塔吊配重制作装置 |
Similar Documents
| Publication | Publication Date | Title |
|---|---|---|
| CN210063041U (zh) | 一种机械加工生产用运输装置 | |
| CN105775235A (zh) | 多尺寸纸箱成型封底机 | |
| CN211306666U (zh) | 一种木箱包装边条自动成型机 | |
| CN217199446U (zh) | 一种具有保护内胆的包装箱 | |
| CN213735055U (zh) | 一种具有伸缩功能的物流用物流推车 | |
| CN109131507A (zh) | 一种用于输送瓦楞纸板的输送车 | |
| CN213324684U (zh) | 一种机械产品的安全运输装置 | |
| CN209739111U (zh) | 一种电视搬运用简易避震装载推车 | |
| CN209988412U (zh) | 一种计算机软硬件用运输装置 | |
| CN215553380U (zh) | 一种仓储用具有升降调节结构的货物搬运结构 | |
| CN217779414U (zh) | 一种避免输送磕碰的物流周转器具 | |
| CN215097621U (zh) | 一种驾驶窗专用转运装置 | |
| CN217453734U (zh) | 一种新型电子产品用组装平台 | |
| CN211110042U (zh) | 一种物流运输用卸车装置 | |
| CN208868096U (zh) | 一种竹木制品加工用转运装置 | |
| CN218805888U (zh) | 一种港口物流用货物运输装置 | |
| CN210526701U (zh) | 一种物流搬运用包裹搬运机器人 | |
| CN212737289U (zh) | 一种瓦楞纸纸张预热装置 | |
| CN209291383U (zh) | 一种物流输送皮带的清洁装置 | |
| CN221820385U (zh) | 一种用于土壤调理剂包装机的上料机构 | |
| CN218468150U (zh) | 一种货运包装用缓冲保护装置 | |
| CN208307776U (zh) | 一种工业用电气自动化输料装置 | |
| CN203637870U (zh) | 一种周转车 | |
| CN216995234U (zh) | 一种小袋颗粒包装机的收料装置 | |
| CN212126637U (zh) | 一种电气自动化送料装置 |
Legal Events
| Date | Code | Title | Description |
|---|---|---|---|
| GR01 | Patent grant | ||
| GR01 | Patent grant | ||
| CF01 | Termination of patent right due to non-payment of annual fee | ||
| CF01 | Termination of patent right due to non-payment of annual fee |
Granted publication date: 20200821 Termination date: 20201226 |