CN210113014U - A plastic pipe port grinding device - Google Patents
A plastic pipe port grinding device Download PDFInfo
- Publication number
- CN210113014U CN210113014U CN201920814109.7U CN201920814109U CN210113014U CN 210113014 U CN210113014 U CN 210113014U CN 201920814109 U CN201920814109 U CN 201920814109U CN 210113014 U CN210113014 U CN 210113014U
- Authority
- CN
- China
- Prior art keywords
- fixed
- base
- plastic pipe
- moving
- plate
- Prior art date
- Legal status (The legal status is an assumption and is not a legal conclusion. Google has not performed a legal analysis and makes no representation as to the accuracy of the status listed.)
- Expired - Fee Related
Links
Images
Landscapes
- Grinding And Polishing Of Tertiary Curved Surfaces And Surfaces With Complex Shapes (AREA)
Abstract
本实用新型涉及塑料管生产装置领域,公开了一种塑料管材端口打磨装置,解决了人工打磨塑料管材端口质量差异大的问题,现提出如下方案,其包括底座和移动座,所述底座的顶部开设有安装槽,移动座位于安装槽的内部,移动座的顶部固定有固定板,移动座的顶部开设有滑槽,滑槽的内部转动连接有螺纹柱,螺纹柱的外部螺纹连接有移动块,移动块的一端延伸至滑槽的外部,且移动块位于滑槽外部的一端固定有移动板,移动座的一侧底部固定有连接板,连接板的顶部开设有齿槽,连接板的顶部啮合有齿轮。本实用新型结构合理,设计巧妙,操作简单,解决了人工打磨塑料管材端口质量差异大的问题,打磨效果稳定,易于推广。
The utility model relates to the field of plastic pipe production devices, and discloses a plastic pipe port grinding device, which solves the problem that the quality of the plastic pipe ports is greatly different by manual grinding. There is an installation slot, the movable seat is located inside the installation slot, the top of the movable seat is fixed with a fixed plate, the top of the movable seat is provided with a chute, the inner part of the chute is rotatably connected with a threaded post, and the external thread of the threaded post is connected with a movable block , one end of the moving block extends to the outside of the chute, and one end of the moving block located outside the chute is fixed with a moving plate, one side of the moving seat is fixed with a connecting plate, the top of the connecting plate is provided with a tooth slot, and the top of the connecting plate is Mesh with gears. The utility model has the advantages of reasonable structure, ingenious design and simple operation, which solves the problem of large difference in quality of the ports of the plastic pipes manually polished, has stable polishing effect and is easy to popularize.
Description
技术领域technical field
本实用新型涉及塑料管生产装置领域,尤其涉及一种塑料管材端口打磨装置。The utility model relates to the field of plastic pipe production devices, in particular to a plastic pipe port grinding device.
背景技术Background technique
在现有技术中,由于塑料管材在切割之后,切口位置无法做到平整,需要对切口进行打磨以保证产品的质量。现阶段主要采用的人工方式进行,但是此种方式效率低,增加了工作人员的工作压力,也增加了企业的生产成本,同时人工的方式无法使切口平滑度保持一致,影响了质量。In the prior art, after the plastic pipe is cut, the position of the incision cannot be flat, and the incision needs to be polished to ensure the quality of the product. At this stage, the manual method is mainly used, but this method is inefficient, increases the work pressure of the staff, and also increases the production cost of the enterprise. At the same time, the manual method cannot keep the smoothness of the incision consistent, which affects the quality.
实用新型内容Utility model content
本实用新型提出的一种塑料管材端口打磨装置,解决了人工打磨塑料管材端口质量差异大的问题。The plastic pipe port grinding device proposed by the utility model solves the problem that the quality of the plastic pipe port is greatly different in manual grinding.
为了实现上述目的,本实用新型采用了如下技术方案:In order to achieve the above-mentioned purpose, the utility model adopts the following technical solutions:
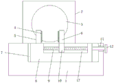
一种塑料管材端口打磨装置,包括底座和移动座,所述底座的顶部开设有安装槽,移动座位于安装槽的内部,移动座的顶部固定有固定板,移动座的顶部开设有滑槽,滑槽的内部转动连接有螺纹柱,螺纹柱的外部螺纹连接有移动块,移动块的一端延伸至滑槽的外部,且移动块位于滑槽外部的一端固定有移动板,移动座的一侧底部固定有连接板,连接板的顶部开设有齿槽,连接板的顶部啮合有齿轮,齿轮的一侧固定有转轴,转轴的一端贯穿底座延伸至底座的外部,转轴与底座转动连接,转轴位于底座外部的一端固定有调节柱,底座设有转轴的一侧开设有连接槽,螺纹柱的一端贯穿连接槽延伸至底座的外部,且螺纹柱位于底座外部的一端固定有转盘,底座的顶部固定有打磨机,打磨机位于安装槽的一侧,打磨机包括打磨盘。A plastic pipe port grinding device, comprising a base and a movable seat, an installation groove is formed on the top of the base, the movable seat is located inside the installation groove, a fixed plate is fixed on the top of the movable seat, and a chute is opened on the top of the movable seat, The inner part of the chute is rotatably connected with a threaded post, and the outer part of the threaded post is threadedly connected with a moving block, one end of the moving block extends to the outside of the chute, and one end of the moving block outside the chute is fixed with a moving plate, one side of the moving seat The bottom is fixed with a connecting plate, the top of the connecting plate is provided with a tooth slot, the top of the connecting plate is engaged with a gear, one side of the gear is fixed with a rotating shaft, one end of the rotating shaft extends through the base to the outside of the base, the rotating shaft is rotatably connected with the base, and the rotating shaft is located in the base. An adjustment column is fixed at one end outside the base, a connecting groove is opened on the side with the rotating shaft of the base, one end of the threaded column extends through the connecting groove to the outside of the base, and the end of the threaded column located outside the base is fixed with a turntable, and the top of the base is fixed There is a sander, the sander is located on one side of the mounting slot, and the sander includes a sanding disc.
优选的,所述移动座与安装槽的底部相接触,移动座的一侧固定有限位块,安装槽的一侧开设有限位槽,限位块的一端延伸至限位槽的内部。Preferably, the movable seat is in contact with the bottom of the installation slot, a limit block is fixed on one side of the movable seat, a limit slot is defined on one side of the installation slot, and one end of the limit block extends to the interior of the limit slot.
优选的,所述移动板与固定板相配合,移动板与固定板相靠近的一侧均固定有防滑垫。Preferably, the moving plate is matched with the fixed plate, and a non-slip pad is fixed on the side of the moving plate and the fixed plate close to each other.
优选的,所述防滑垫采用橡胶制作,防滑垫的表面设有防滑纹。Preferably, the anti-skid pad is made of rubber, and the surface of the anti-skid pad is provided with anti-skid patterns.
优选的,所述移动块和滑槽均为矩形结构,移动块的两侧外壁与滑槽的两侧内壁相接触。Preferably, the moving block and the chute are both rectangular structures, and the outer walls on both sides of the moving block are in contact with the inner walls on both sides of the chute.
本实用新型中:In this utility model:
1、通过固定板、移动板、防滑垫、滑槽、螺纹柱和转盘之间的配合,达到调节移动板与固定板之间距离的目的,方便将管材夹住;1. Through the cooperation between the fixed plate, the moving plate, the anti-skid pad, the chute, the threaded column and the turntable, the purpose of adjusting the distance between the moving plate and the fixed plate is achieved, and it is convenient to clamp the pipe;
2、通过连接板、齿轮、转轴、调节柱和连接槽之间的配合,达到便于滑动移动座的面对,从而使管材与打磨机的打磨盘接触,完成管材端口的打磨。2. Through the cooperation between the connecting plate, the gear, the rotating shaft, the adjusting column and the connecting groove, the facing of the sliding seat is facilitated, so that the pipe is in contact with the grinding disc of the grinding machine, and the grinding of the pipe port is completed.
本实用新型结构合理,设计巧妙,操作简单,解决了人工打磨塑料管材端口质量差异大的问题,打磨效果稳定,易于推广。The utility model has reasonable structure, ingenious design and simple operation, solves the problem of large difference in quality of the ports of plastic pipes manually polished, has stable polishing effect and is easy to popularize.
附图说明Description of drawings
图1为本实用新型的侧视图。Figure 1 is a side view of the utility model.
图2为本实用新型的俯视图。Figure 2 is a top view of the utility model.
图3为本实用新型的齿轮和连接板的结构示意图。FIG. 3 is a schematic structural diagram of the gear and the connecting plate of the present invention.
图中标号:1底座、2打磨机、3打磨盘、4防滑垫、5固定板、6移动板、7安装槽、8移动座、9螺纹柱、10移动块、11连接槽、12转盘、13连接板、14齿轮、15转轴、16调节柱、17滑槽、18限位槽、19限位块。Labels in the figure: 1 base, 2 grinder, 3 grinder, 4 anti-skid pad, 5 fixed plate, 6 movable plate, 7 installation slot, 8 movable seat, 9 threaded column, 10 movable block, 11 connection slot, 12 turntable, 13 connecting plate, 14 gear, 15 shaft, 16 adjusting column, 17 chute, 18 limit slot, 19 limit block.
具体实施方式Detailed ways
下面将结合本实用新型实施例中的附图,对本实用新型实施例中的技术方案进行清楚、完整地描述,显然,所描述的实施例仅仅是本实用新型一部分实施例,而不是全部的实施例。The technical solutions in the embodiments of the present utility model will be clearly and completely described below with reference to the accompanying drawings in the embodiments of the present utility model. Obviously, the described embodiments are only a part of the embodiments of the present utility model, rather than all the implementations. example.
参照图1-3,一种塑料管材端口打磨装置,包括底座1和移动座8,底座1的顶部开设有安装槽7,移动座8位于安装槽7的内部,移动座8的顶部固定有固定板5,移动座8的顶部开设有滑槽17,滑槽17的内部转动连接有螺纹柱9,螺纹柱9的外部螺纹连接有移动块10,移动块10的一端延伸至滑槽17的外部,且移动块10位于滑槽17外部的一端固定有移动板6,移动座8的一侧底部固定有连接板13,连接板13的顶部开设有齿槽,连接板13的顶部啮合有齿轮14,齿轮14的一侧固定有转轴15,转轴15的一端贯穿底座1延伸至底座1的外部,转轴15与底座1转动连接,转轴15位于底座1外部的一端固定有调节柱16,底座1设有转轴15的一侧开设有连接槽11,螺纹柱9的一端贯穿连接槽11延伸至底座1的外部,且螺纹柱9位于底座1外部的一端固定有转盘12,底座1的顶部固定有打磨机2,打磨机2位于安装槽7的一侧,打磨机2包括打磨盘3。1-3, a plastic pipe port grinding device, including a
本实施例中,移动座8与安装槽7的底部相接触,移动座8的一侧固定有限位块19,安装槽7的一侧开设有限位槽18,限位块19的一端延伸至限位槽18的内部,移动板6与固定板5相配合,移动板6与固定板5相靠近的一侧均固定有防滑垫4,防滑垫4采用橡胶制作,防滑垫4的表面设有防滑纹,移动块10和滑槽17均为矩形结构,移动块10的两侧外壁与滑槽17的两侧内壁相接触。In this embodiment, the
在本实用新型的描述中,需要理解的是,术语“中心”、“纵向”、“横向”、“长度”、“宽度”、“厚度”、“上”、“下”、“前”、“后”、“左”、“右”、“竖直”、“水平”、“顶”、“底”、“内”、“外”、“顺时针”、“逆时针”等指示的方位或位置关系为基于附图所示的方位或位置关系,仅是为了便于描述本实用新型和简化描述,而不是指示或暗示所指的设备或元件必须具有特定的方位、以特定的方位构造和操作,因此不能理解为对本实用新型的限制。In the description of the present invention, it should be understood that the terms "center", "longitudinal", "lateral", "length", "width", "thickness", "upper", "lower", "front", "Back", "Left", "Right", "Vertical", "Horizontal", "Top", "Bottom", "Inner", "Outer", "Clockwise", "Counterclockwise" etc. Or the positional relationship is based on the orientation or positional relationship shown in the accompanying drawings, which is only for the convenience of describing the present invention and simplifying the description, rather than indicating or implying that the referred device or element must have a specific orientation, be constructed in a specific orientation and operation, so it cannot be construed as a limitation to the present invention.
此外,术语“第一”、“第二”仅用于描述目的,而不能理解为指示或暗示相对重要性或者隐含指明所指示的技术特征的数量。由此,限定有“第一”、“第二”的特征可以明示或者隐含地包括一个或者更多个该特征。在本实用新型的描述中,“多个”的含义是两个或两个以上,除非另有明确具体的限定。In addition, the terms "first" and "second" are only used for descriptive purposes, and should not be construed as indicating or implying relative importance or implying the number of indicated technical features. Thus, a feature defined as "first", "second" may expressly or implicitly include one or more of that feature. In the description of the present invention, "plurality" means two or more, unless otherwise expressly and specifically defined.
工作原理:将管材放置在固定板5与移动板6之间,然后转动转盘12,转盘12带动螺纹柱9转动,螺纹柱9进而带动移动块10移动,从而使得移动板6向固定板5靠近,直到移动板6将管材夹紧,然后停止转动转盘12,接着启动打磨机2,然后逆时针拨动调节柱,齿轮14转动进而带动连接板13移动,连接板13带动移动座8移动,使得管材的端口向打磨盘3靠近,直到管材的端口与打磨盘3接触,最终实现打磨的目的。Working principle: place the pipe material between the
以上所述,仅为本实用新型较佳的具体实施方式,但本实用新型的保护范围并不局限于此,任何熟悉本技术领域的技术人员在本实用新型揭露的技术范围内,根据本实用新型的技术方案及其实用新型构思加以等同替换或改变,都应涵盖在本实用新型的保护范围之内。The above description is only a preferred embodiment of the present invention, but the protection scope of the present invention is not limited to this. Equivalent replacement or modification of the new technical solution and its utility model concept shall be included within the protection scope of the present utility model.
Claims (5)
Priority Applications (1)
| Application Number | Priority Date | Filing Date | Title |
|---|---|---|---|
| CN201920814109.7U CN210113014U (en) | 2019-05-31 | 2019-05-31 | A plastic pipe port grinding device |
Applications Claiming Priority (1)
| Application Number | Priority Date | Filing Date | Title |
|---|---|---|---|
| CN201920814109.7U CN210113014U (en) | 2019-05-31 | 2019-05-31 | A plastic pipe port grinding device |
Publications (1)
| Publication Number | Publication Date |
|---|---|
| CN210113014U true CN210113014U (en) | 2020-02-25 |
Family
ID=69579029
Family Applications (1)
| Application Number | Title | Priority Date | Filing Date |
|---|---|---|---|
| CN201920814109.7U Expired - Fee Related CN210113014U (en) | 2019-05-31 | 2019-05-31 | A plastic pipe port grinding device |
Country Status (1)
| Country | Link |
|---|---|
| CN (1) | CN210113014U (en) |
Cited By (2)
| Publication number | Priority date | Publication date | Assignee | Title |
|---|---|---|---|---|
| CN112123198A (en) * | 2020-09-11 | 2020-12-25 | 安徽誉林汽车部件有限公司 | Automobile connecting rod bush grinding device |
| CN115284129A (en) * | 2022-08-12 | 2022-11-04 | 德润杰(山东)纺织科技有限公司 | Efficient polishing equipment for machining core rod |
-
2019
- 2019-05-31 CN CN201920814109.7U patent/CN210113014U/en not_active Expired - Fee Related
Cited By (2)
| Publication number | Priority date | Publication date | Assignee | Title |
|---|---|---|---|---|
| CN112123198A (en) * | 2020-09-11 | 2020-12-25 | 安徽誉林汽车部件有限公司 | Automobile connecting rod bush grinding device |
| CN115284129A (en) * | 2022-08-12 | 2022-11-04 | 德润杰(山东)纺织科技有限公司 | Efficient polishing equipment for machining core rod |
Similar Documents
| Publication | Publication Date | Title |
|---|---|---|
| CN110405573A (en) | Arc glass edge polisher | |
| CN210113014U (en) | A plastic pipe port grinding device | |
| CN206277233U (en) | A kind of robot pneumatic polishing floating installation | |
| CN102601737A (en) | Angular trimmer for grinding wheel of grinding machine | |
| CN201405248Y (en) | A Quartz Nozzle Grooving Machine | |
| CN206855186U (en) | A kind of square glass polishing clamping device | |
| CN211805295U (en) | Melamine system high handle spoon edge grinding device | |
| CN212683495U (en) | An industrial design product shape modification device | |
| CN209380456U (en) | A kind of grinding device for sculptures art work | |
| CN211992280U (en) | a grinding machine | |
| CN210335394U (en) | Surface grinding machine for processing plastic parts | |
| CN208289616U (en) | A kind of grinding device convenient for the polishing of stainless pressing plate corner angle | |
| CN218397412U (en) | Rotatable edging clamp | |
| CN205904895U (en) | Grinding apparatus convenient to change | |
| CN214923275U (en) | A kind of valve sealing surface grinding equipment | |
| CN207464966U (en) | A kind of erratic star wheel for twin grinder | |
| CN112264857B (en) | Adjustable uniform grinding device for leather product processing | |
| CN212762583U (en) | Efficient raw paper edge grinding mechanism for producing resin tubes | |
| CN211332507U (en) | Hawksbill rubber plate surface polishing device | |
| CN210160913U (en) | Polisher that building material used | |
| CN202964340U (en) | Edge grinding machine for silicon wafers | |
| CN207309688U (en) | A kind of twin grinder | |
| CN105945678A (en) | Grinding device for end part of material pushing rod on mould | |
| CN220236200U (en) | But angle of rotation's footwear product sealing machine | |
| CN221911266U (en) | Polishing device for bottom of ceramic flowerpot |
Legal Events
| Date | Code | Title | Description |
|---|---|---|---|
| GR01 | Patent grant | ||
| GR01 | Patent grant | ||
| CF01 | Termination of patent right due to non-payment of annual fee | ||
| CF01 | Termination of patent right due to non-payment of annual fee |
Granted publication date: 20200225 |
