CN209941906U - PC (polycarbonate) external wallboard connecting structure - Google Patents
PC (polycarbonate) external wallboard connecting structure Download PDFInfo
- Publication number
- CN209941906U CN209941906U CN201920548065.8U CN201920548065U CN209941906U CN 209941906 U CN209941906 U CN 209941906U CN 201920548065 U CN201920548065 U CN 201920548065U CN 209941906 U CN209941906 U CN 209941906U
- Authority
- CN
- China
- Prior art keywords
- node
- plate
- embedded part
- steel plate
- steel
- Prior art date
- Legal status (The legal status is an assumption and is not a legal conclusion. Google has not performed a legal analysis and makes no representation as to the accuracy of the status listed.)
- Active
Links
- 239000004417 polycarbonate Substances 0.000 title claims description 52
- 229920000515 polycarbonate Polymers 0.000 title claims description 4
- 229910000831 Steel Inorganic materials 0.000 claims abstract description 72
- 239000010959 steel Substances 0.000 claims abstract description 72
- 238000004873 anchoring Methods 0.000 claims description 28
- 238000009434 installation Methods 0.000 abstract description 12
- 238000010276 construction Methods 0.000 abstract description 9
- 238000000034 method Methods 0.000 abstract description 9
- 238000003466 welding Methods 0.000 description 5
- 238000010586 diagram Methods 0.000 description 2
- 239000011521 glass Substances 0.000 description 2
- 238000009413 insulation Methods 0.000 description 2
- 238000004519 manufacturing process Methods 0.000 description 2
- 230000000149 penetrating effect Effects 0.000 description 2
- 230000009286 beneficial effect Effects 0.000 description 1
- 238000006073 displacement reaction Methods 0.000 description 1
- 230000000694 effects Effects 0.000 description 1
- 238000004134 energy conservation Methods 0.000 description 1
- 238000005265 energy consumption Methods 0.000 description 1
- 238000005516 engineering process Methods 0.000 description 1
- 238000009417 prefabrication Methods 0.000 description 1
- 238000002360 preparation method Methods 0.000 description 1
Images
Landscapes
- Load-Bearing And Curtain Walls (AREA)
Abstract
The utility model discloses a PC external wallboard connection structure, this connection structure includes the upper portion node, lower part node and anchor, the upper portion node is used for connecting anchor and upper portion PC external wallboard, the lower part node is used for connecting anchor and lower part PC external wallboard, anchor is used for being connected upper portion node and lower part node and concrete beam, the problem that current steel corbel installation PC external wallboard exists has been overcome, the construction is simplified, and therefore the cost is reduced, through burying first built-in fitting underground in advance, the second built-in fitting, upper portion node and lower part node, reduce the site work volume, improve the precision of burying underground of built-in fitting, on-the-spot hoist and mount in-process only need the long screw with upper portion node and lower part node and fixing device be connected can, convenient site operation, the construction efficiency is improved.
Description
Technical Field
The utility model relates to a building outer wall construction technical field especially relates to a PC externally-hung wallboard connection structure.
Background
The country has vigorously advocated the development of fabricated buildings, advancing the structural reform of the supply side and the progress of new urbanization. In recent years, China actively explores assembly type building technology, and a mature assembly type structure system is initially established. At present, glass curtain walls are mostly adopted for building exterior walls, and the problems of light pollution, energy conservation, poor fireproof performance, glass falling and the like are solved. The PC outer wall board solves the problems, has the advantages of various shapes, convenient installation and good sound insulation and privacy, and is continuously accepted by the society and the industry.
Most of the traditional external wall panel connection modes are that a support bracket is arranged on the side of the wall panel, and is connected with a protruding lug or a steel bracket on the side of a main structure beam through angle steel, bolts, welding seams and the like. This connection tends to have the following problems: the connection is not firm due to a small installation space, and even the installation cannot be carried out due to production and construction errors; construction operation is complicated due to more connecting parts at the joints; the explicit connection causes the protruding connected node of interior wall, needs additionally to increase fitment closure and handles, influences space usage and increases economic cost etc..
SUMMERY OF THE UTILITY MODEL
The utility model aims to solve the technical problem that a PC externally-hung wallboard connection structure is provided, overcome the problem that current steel corbel installation PC externally-hung wallboard exists, simplify the construction, reduce cost.
In order to solve the technical problem, the utility model discloses the technical scheme who takes is: a PC (polycarbonate) externally-hung wallboard connecting structure comprises an upper node, a lower node and an anchoring device, wherein the upper node is used for connecting the anchoring device with an upper PC externally-hung wallboard, the lower node is used for connecting the anchoring device with a lower PC externally-hung wallboard, and the anchoring device is used for connecting the upper node and the lower node with a concrete beam.
The anchoring device comprises a first embedded part, a second embedded part and a limiting plate, the first embedded part and the second embedded part are identical in structure and comprise steel plates and anchoring ribs, the anchoring ribs are welded to the lower surfaces of the steel plates and embedded into the concrete beam, the upper surface of each steel plate of the first embedded part is flush with the top surface of the concrete beam, the outer surface of each steel plate of the second embedded part is flush with the outer end surface of the concrete beam, the limiting plate is welded to the upper surface of each steel plate of the first embedded part, a through hole used for limiting the horizontal movement of an upper node is formed in the front end of the limiting plate, the steel plate of the second embedded part is connected with a fixing device, and the fixing device is used for supporting the upper.
The fixing device comprises a T-shaped web plate and angle steel, the T-shaped web plate is welded on the outer surface of the steel plate of the second embedded part, a transverse plate and a vertical plate of the T-shaped web plate are perpendicular to the surface of the steel plate of the second embedded part, a through hole is formed in the middle of the vertical plate of the T-shaped web plate, the angle steel is installed on one side of the vertical plate of the T-shaped web plate through bolts, and a lower node is hung on the horizontal portion of the angle steel.
The upper portion node and the lower portion node are identical in structure and are symmetrically arranged up and down, the upper portion node is embedded at the lower end of the upper portion PC externally-hung wallboard, the lower portion node is embedded at the upper end of the lower portion PC externally-hung wallboard, the upper portion node comprises a steel plate, an anchoring rib and a positioning nut, the anchoring rib is welded on the back face of the steel plate, a through hole is formed in the middle of the steel plate, the positioning nut is welded on the back face of the steel plate and is coaxially arranged with the through hole in the steel plate, a long screw is arranged in a matched mode with the positioning nut, the lower end of the long screw of the upper portion node is inserted into the through hole in the front end of the limiting plate, the lower end of the long screw is in contact with the.
The through hole of the horizontal part of the angle steel is a long slotted hole, and the extending direction of the long slotted hole is the same as the width direction of the PC external wallboard at the lower part.
Adopt the produced beneficial effect of above-mentioned technical scheme to lie in: the connecting structure adopts a mode of post-connection and post-fixation, firstly, a first embedded part and a second embedded part are installed at a designed position and accurately positioned, the first embedded part and the second embedded part are respectively provided with a limiting plate and a fixing device in a matching way, then an upper node and a lower node are respectively embedded at the upper part and the lower part of the PC externally hung wallboard, the upper node and the lower node are respectively connected with the fixing device and the limiting plate through long screws, the fixing device and the limiting plate are both adjustable structures, the long screws are connected with the limiting plate and the fixing device after the PC externally hung wallboard is hoisted, connected and adjusted in place, the limiting plate is welded with the first embedded part, the lower part of the PC externally hung wallboard plays a role in supporting and limiting through a T-shaped web plate, the upper part of the PC externally hung wallboard is connected with angle steel through the long screws, and the position of the PC externally hung wallboard, the number of nodes can be effectively reduced, the installation is simplified, and the working efficiency is improved.
Drawings
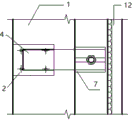
Fig. 1 is a schematic structural diagram of the present invention;
FIG. 2 is a cross-sectional view of FIG. 1 taken at 1-1;
FIG. 3 is a cross-sectional view 2-2 of FIG. 1;
FIG. 4 is a schematic diagram of an upper node structure;
wherein: 1. a concrete beam; 2. a first embedded part; 3. a second embedded part; 4. a limiting plate; 5. an upper node; 5-1, anchoring ribs; 5-2, positioning a nut; 5-3, steel plates; 6. a long screw; 7. a T-shaped web; 8. angle steel; 9. a bolt; 10. a steel backing plate; 11. a lower node; 12. PC outer wall-hung plate.
Detailed Description
The technical solutions in the embodiments of the present invention are clearly and completely described below with reference to the drawings in the embodiments of the present invention, and it is obvious that the described embodiments are only some embodiments of the present invention, not all embodiments. Based on the embodiments in the present invention, all other embodiments obtained by a person skilled in the art without creative work belong to the protection scope of the present invention.
In the following description, numerous specific details are set forth in order to provide a thorough understanding of the present invention, but the present invention may be implemented in other ways different from the specific details set forth herein, and one skilled in the art may similarly generalize the present invention without departing from the spirit of the present invention, and therefore the present invention is not limited to the specific embodiments disclosed below.
As shown in fig. 1 to 3, the present invention discloses a PC external wall panel connection structure, which comprises an upper node 5, a lower node 11 and an anchoring device, wherein the upper node 5 is used for connecting the anchoring device with an upper PC external wall panel 12, the lower node 11 is used for connecting the anchoring device with a lower PC external wall panel 12, the anchoring device is used for connecting the upper node 5 and the lower node 11 with a concrete beam 1, in the specific construction process, the number of the upper nodes and the lower nodes can be designed according to the width and the weight of the PC external wallboard, at least two upper nodes are arranged at the upper part, two lower nodes are arranged at the lower part, the upper nodes and the lower nodes are both arranged at the designed positions through moulds in the production process of the PC external wallboard, the installation precision is higher, and avoid destroying the structure of PC externally-hung wallboard in the installation, the quantity and the interval that set up of anchor in addition also need to match with the quantity of upper portion node and lower part node.
The anchoring device comprises a first embedded part 2, a second embedded part 3 and a limiting plate 4, the first embedded part 2 and the second embedded part 3 are identical in structure and respectively comprise a steel plate and an anchoring rib, the anchoring rib is welded on the lower surface of the steel plate and embedded in the concrete beam 1, the upper surface of the steel plate of the first embedded part 2 is flush with the top surface of the concrete beam 1, the outer surface of the steel plate of the second embedded part 3 is flush with the outer end surface of the concrete beam 1, the limiting plate 4 is welded on the upper surface of the steel plate of the first embedded part 2, the front end of the limiting plate 4 is provided with a through hole for limiting the horizontal movement of an upper node 5, the surface of the steel plate of the second embedded part 3 is connected with a fixing device, the fixing device is used for supporting the upper node 5 and hanging a lower node 11, the first embedded part and the second embedded part are installed in place in advance in the pouring process of, the top surface elevation of the first embedded part is always the same as the top surface elevation of the concrete beam, the outer surface of the steel plate of the second embedded part is flush with the end surface of the concrete beam, the T-shaped web plate is welded on the outer side of the steel plate of the second embedded part in advance, the angle steel can be installed on the T-shaped web plate in the embedding process, the angle steel can also be installed after the embedded part is embedded, and the limiting plate is installed again in the process of waiting to be hoisted.
The fixing device comprises a T-shaped web 7 and angle steel 8, the T-shaped web 7 is welded on the outer surface of a steel plate of the second embedded part 3, a transverse plate and a vertical plate of the T-shaped web 7 are perpendicular to the surface of the steel plate of the second embedded part 3, a through hole is formed in the middle of the vertical plate of the T-shaped web 7, the angle steel 8 is installed on one side of the vertical plate of the T-shaped web 7 through a bolt 9, a lower node 11 is hung on the horizontal part of the angle steel 8, the vertical part and the horizontal part of the angle steel are both provided with a long slotted hole, the long slotted hole of the vertical part is vertically arranged, the length direction of the long slotted hole of the horizontal part is the same as the width direction of the externally-hung PC wallboard, the vertical position and the horizontal position of the upper node are adjusted, the distance between the.
The upper node 5 and the lower node 11 have the same structure and are arranged symmetrically up and down, the upper node 5 (see figure 4) is pre-embedded at the lower end of an upper PC external wall board 12, the lower node 11 is pre-embedded at the upper end of the lower PC external wall board 12, the upper node 5 comprises a steel plate 5-3, an anchoring rib 5-1 and a positioning nut 5-2, the anchoring rib 5-1 is welded at the back of the steel plate 5-3, a through hole is arranged at the middle part of the steel plate 5-3, the positioning nut 5-2 is welded at the back of the steel plate 5-3 and is coaxially arranged with the through hole on the steel plate 5-3, a long screw 6 is matched with the positioning nut 5-2, the lower end of the long screw 6 of the upper node 5 is inserted into the through hole at the front end of the limiting plate 4, and the lower end of the long screw is contacted with, the upper end of a long screw 6 of the lower node 11 penetrates into a through hole of the horizontal part of the angle steel 8; the through hole of the horizontal part of the angle steel 8 is a long slotted hole, and the extending direction of the long slotted hole is the same as the width direction of the PC outer wall-hanging plate 12 at the lower part.
In the specific application process, the connecting structure adopts a mode of post-connection and post-fixation, firstly, a first embedded part and a second embedded part are installed at a designed position and accurately positioned, the first embedded part and the second embedded part are respectively provided with a limiting plate and a fixing device in a matched mode, then an upper node and a lower node are respectively embedded at the upper part and the lower part of the PC external wallboard, the upper node and the lower node are respectively connected with the fixing device and the limiting plate through long screws, the fixing device and the limiting plate are adjustable structures, the long screws are connected with the limiting plate and the fixing device after the PC external wallboard is hoisted, connected and adjusted in place, the limiting plate is welded with the first embedded part, the lower part of the PC wallboard plays a role in supporting and limiting through a T-shaped web plate and the limiting plate, the upper part of the PC wallboard is connected with angle steel through the long screws, and the position of the PC external wallboard is conveniently adjusted through, the number of nodes can be effectively reduced, the installation is simplified, the working efficiency is improved, the design of the long slotted hole can meet the displacement performance of the PC external wallboard under the deformation action between the layers of the frame structure, a certain energy consumption effect is achieved on the structural earthquake resistance, and a certain redundancy is provided for errors generated by the components in the prefabrication and field installation through the installation positions of the long slotted hole.
The concealed connecting structure of the PC external wallboard is suitable for a multi-layer concrete and steel frame structure with the seismic intensity of 8 ℃ or below, has outstanding advantages of being applied to the connection of the prefabricated sandwich heat-insulation external wallboard and the assembled frame structure, and can be specifically designed according to actual engineering in terms of the size and welding line of the connecting piece.
The construction method for installing the PC outer wallboard by adopting the connecting structure specifically comprises the following steps: s1, installing embedded parts, namely installing a first embedded part 2 and a second embedded part 3 in the pouring process of the concrete beam 1, installing an upper node 5 and a lower node 11 in the preparation process of the PC external wall panels 12, installing the upper node 5 and the lower node 11 at the upper end and the lower end of each PC external wall panel 12 respectively, and welding a T-shaped web 7 on the surface of a steel plate of the second embedded part 3 in advance;
s2, installing and fixing devices, wherein the angle steel 8 is fixedly installed in the middle of a vertical plate of the T-shaped web 7 by means of a bolt 9, and a long screw 6 is installed at a node 11 at the lower part of the PC external wallboard 12;
s3, hoisting the PC external wallboard 12 to a designed position according to the design requirement of the PC external wallboard 12, supporting the lower end of a long screw 6 of a lower node 11 of the PC external wallboard 12 on the upper surface of a horizontal plate of a T-shaped web 7 of a corresponding fixing device, enabling the lower end of the long screw 6 to be positioned in a through hole at the front end of a limiting plate 4, adjusting the elevation of the PC external wallboard 12 by adjusting the extending length of the long screw 6 of the lower node 11, aligning an upper node 5 of the PC external wallboard 12 to the fixing device positioned above the upper node, penetrating the long screw 6 at the horizontal part of an angle steel 8 of the corresponding fixing device, and enabling the long screw 6 to be in threaded connection with a positioning nut of the upper node 5 of the PC external wallboard 12;
s4, fixing the PC external wall panel 12, adjusting the long screws 6 of the upper node 5 and the lower node 11 to enable the PC external wall panel 12 to be in place, adjusting the position of the limiting plate 4, welding the limiting plate 4 with the upper surface of the first embedded part 2, and connecting the long screws 6 penetrating through the through holes in the front ends of the limiting plates 4 with the limiting plates 4 in a spot welding mode.
The installation method is realized based on the connection structure, the first embedded part, the second embedded part, the upper node and the lower node are embedded in advance, the field workload is reduced, the embedding precision of the embedded parts is improved, the upper node, the lower node and the fixing device are connected only by long screws in the field hoisting process, the position of the PC externally-hung wallboard can be adjusted by the long screws, the limiting plates and the angle steel, the field operation is facilitated, and the construction efficiency is improved.
Claims (5)
1. The utility model provides a PC externally hung wallboard connection structure which characterized in that: the concrete beam comprises an upper node (5), a lower node (11) and an anchoring device, wherein the upper node (5) is used for connecting the anchoring device with an upper PC (personal computer) external wall panel (12), the lower node (11) is used for connecting the anchoring device with a lower PC external wall panel (12), and the anchoring device is used for connecting the upper node (5) and the lower node (11) with the concrete beam (1).
2. The PC outer wallboard connection structure of claim 1, wherein: the anchoring device comprises a first embedded part (2), a second embedded part (3) and a limiting plate (4), wherein the first embedded part (2) and the second embedded part (3) are identical in structure and comprise steel plates and anchoring ribs, the anchoring ribs are welded to the lower surfaces of the steel plates and embedded into the concrete beam (1), the upper surface of each steel plate of the first embedded part (2) is flush with the top surface of the concrete beam (1), the outer surface of each steel plate of the second embedded part (3) is flush with the outer end surface of the concrete beam (1), the limiting plate (4) is welded to the upper surface of each steel plate of the first embedded part (2), a through hole used for limiting the horizontal motion of an upper node (5) is formed in the front end of the limiting plate (4), and a fixing device is connected to the surface of each steel plate of the second embedded part (3) and used for supporting the upper node (5) and hooking a lower node (.
3. The PC outer wallboard connection structure of claim 2, wherein: the fixing device comprises a T-shaped web (7) and angle steel (8), the T-shaped web (7) is welded on the outer surface of a steel plate of the second embedded part (3), a transverse plate and a vertical plate of the T-shaped web are perpendicular to the surface of the steel plate of the second embedded part (3), a through hole is formed in the middle of the vertical plate of the T-shaped web (7), the angle steel (8) is installed on one side of the vertical plate of the T-shaped web (7) through a bolt (9), and a lower node (11) is hung on the horizontal portion of the angle steel (8).
4. The PC outer wallboard connection structure of claim 3, wherein: the upper node (5) and the lower node (11) are identical in structure and are symmetrically arranged up and down, the upper node (5) is embedded at the lower end of an upper PC (polycarbonate) externally-hung wallboard (12), the lower node (11) is embedded at the upper end of the lower PC externally-hung wallboard (12), the upper node (5) comprises a steel plate (5-3), an anchoring rib (5-1) and a positioning nut (5-2), the anchoring rib (5-1) is welded at the back of the steel plate (5-3), a through hole is formed in the middle of the steel plate (5-3), the positioning nut (5-2) is welded at the back of the steel plate (5-3) and is coaxial with the through hole in the steel plate (5-3), a long screw (6) is arranged in a matched manner with the positioning nut (5-2), the lower end of the long screw (6) of the upper node (5) is inserted into the, The lower end of the connecting rod is in contact with the top surface of a horizontal plate of the T-shaped web plate (7) and is used for supporting the upper node (5) and the upper PC external wallboard (12), and the upper end of a long screw rod (6) of the lower node (11) penetrates into a through hole of the horizontal part of the angle steel (8).
5. The PC outer wallboard connection structure of claim 4, wherein: the through hole of the horizontal part of the angle steel (8) is a long slotted hole, and the extension direction of the long slotted hole is the same as the width direction of the PC outer wallboard (12) at the lower part.
Priority Applications (1)
| Application Number | Priority Date | Filing Date | Title |
|---|---|---|---|
| CN201920548065.8U CN209941906U (en) | 2019-04-22 | 2019-04-22 | PC (polycarbonate) external wallboard connecting structure |
Applications Claiming Priority (1)
| Application Number | Priority Date | Filing Date | Title |
|---|---|---|---|
| CN201920548065.8U CN209941906U (en) | 2019-04-22 | 2019-04-22 | PC (polycarbonate) external wallboard connecting structure |
Publications (1)
| Publication Number | Publication Date |
|---|---|
| CN209941906U true CN209941906U (en) | 2020-01-14 |
Family
ID=69128971
Family Applications (1)
| Application Number | Title | Priority Date | Filing Date |
|---|---|---|---|
| CN201920548065.8U Active CN209941906U (en) | 2019-04-22 | 2019-04-22 | PC (polycarbonate) external wallboard connecting structure |
Country Status (1)
| Country | Link |
|---|---|
| CN (1) | CN209941906U (en) |
Cited By (4)
| Publication number | Priority date | Publication date | Assignee | Title |
|---|---|---|---|---|
| CN110005072A (en) * | 2019-04-22 | 2019-07-12 | 河北省建筑科学研究院有限公司 | PC external wall panel connection structure and installation method of PC external wall panel |
| CN112267977A (en) * | 2020-11-30 | 2021-01-26 | 中国船舶重工集团海装风电股份有限公司 | Novel concrete wind power tower cylinder connecting system |
| CN112282071A (en) * | 2020-09-11 | 2021-01-29 | 中国建筑第八工程局有限公司 | Installation structure and construction method of exterior wall panel |
| CN113846855A (en) * | 2021-10-14 | 2021-12-28 | 上海建工集团股份有限公司 | Prefabricated component hoists connecting piece of taking one's place fast |
-
2019
- 2019-04-22 CN CN201920548065.8U patent/CN209941906U/en active Active
Cited By (6)
| Publication number | Priority date | Publication date | Assignee | Title |
|---|---|---|---|---|
| CN110005072A (en) * | 2019-04-22 | 2019-07-12 | 河北省建筑科学研究院有限公司 | PC external wall panel connection structure and installation method of PC external wall panel |
| CN110005072B (en) * | 2019-04-22 | 2025-05-27 | 河北省建筑科学研究院有限公司 | PC external wall panel connection structure and PC external wall panel installation method |
| CN112282071A (en) * | 2020-09-11 | 2021-01-29 | 中国建筑第八工程局有限公司 | Installation structure and construction method of exterior wall panel |
| CN112282071B (en) * | 2020-09-11 | 2022-08-26 | 中国建筑第八工程局有限公司 | Mounting structure of external wall panel and construction method thereof |
| CN112267977A (en) * | 2020-11-30 | 2021-01-26 | 中国船舶重工集团海装风电股份有限公司 | Novel concrete wind power tower cylinder connecting system |
| CN113846855A (en) * | 2021-10-14 | 2021-12-28 | 上海建工集团股份有限公司 | Prefabricated component hoists connecting piece of taking one's place fast |
Similar Documents
| Publication | Publication Date | Title |
|---|---|---|
| CN110005072B (en) | PC external wall panel connection structure and PC external wall panel installation method | |
| CN209941906U (en) | PC (polycarbonate) external wallboard connecting structure | |
| CN103924710B (en) | Low layer assembled combined wall house Plate Welding node structure | |
| CN105421818A (en) | Embedded steel structure assembling residence | |
| CN111519786A (en) | U-shaped steel-friction energy dissipation node and external wall system for prefabricated external wall panels | |
| CN205296893U (en) | Embedded steel construction assembly house | |
| CN112854570B (en) | Shock attenuation joins externally prefabricated wallboard | |
| CN205296407U (en) | Embedded steel construction assembly house post roof beam connection structure | |
| CN107217758B (en) | Fully-prefabricated load-bearing light steel assembly type composite wallboard and manufacturing method thereof | |
| CN210439507U (en) | ALC externally-hung wallboard steel frame is indulged and is transversely two-step node structure that slides | |
| CN211007158U (en) | Prefabricated self-insulation concrete shear wall system | |
| CN216276295U (en) | Assembled lightweight steel-foam concrete load-bearing composite wall | |
| CN214785158U (en) | A shock-absorbing external prefabricated wall panel | |
| CN213015082U (en) | Prefabricated composite wall panel convenient to installation | |
| CN205875472U (en) | A concrete inside casing partition wall installation node for steel frame | |
| CN205677114U (en) | Installation node for assembled inside casing light partition wall | |
| CN205475877U (en) | Compound outer thermal insulation walling system of assembled self preservation temperature wallboard | |
| CN211114583U (en) | Connecting assembly for PC external wall panel and main body structure | |
| CN211899232U (en) | Prestressed steel pipe truss external wall panel and wall body manufactured and installed using the same | |
| CN204676732U (en) | Concrete hollow or sandwiched plate lightweight steel construction assembling body of wall | |
| CN113585567A (en) | Self-adjusting rotary type prefabricated concrete external wall panel connecting node and construction method | |
| CN219794299U (en) | Prefabricated ALC outer partition wall mounting structure capable of being mounted indoors | |
| CN219952379U (en) | Connecting node of prefabricated concrete combined sandwich heat-insulation externally-hung cross bar plate | |
| CN212866588U (en) | Contain assembled decoration heat preservation integration wallboard of skeleton | |
| CN210134530U (en) | Assembled wallboard system |
Legal Events
| Date | Code | Title | Description |
|---|---|---|---|
| GR01 | Patent grant | ||
| GR01 | Patent grant |