CN209894429U - Traction converter cooling water pipe flow test tool - Google Patents
Traction converter cooling water pipe flow test tool Download PDFInfo
- Publication number
- CN209894429U CN209894429U CN201920679794.7U CN201920679794U CN209894429U CN 209894429 U CN209894429 U CN 209894429U CN 201920679794 U CN201920679794 U CN 201920679794U CN 209894429 U CN209894429 U CN 209894429U
- Authority
- CN
- China
- Prior art keywords
- water
- pipe
- water outlet
- water inlet
- pipeline
- Prior art date
- Legal status (The legal status is an assumption and is not a legal conclusion. Google has not performed a legal analysis and makes no representation as to the accuracy of the status listed.)
- Active
Links
- 239000000498 cooling water Substances 0.000 title claims abstract description 30
- XLYOFNOQVPJJNP-UHFFFAOYSA-N water Substances O XLYOFNOQVPJJNP-UHFFFAOYSA-N 0.000 claims abstract description 225
- 239000000110 cooling liquid Substances 0.000 claims abstract description 21
- 239000002826 coolant Substances 0.000 claims description 3
- 230000005540 biological transmission Effects 0.000 claims description 2
- 238000003466 welding Methods 0.000 abstract description 8
- 238000001816 cooling Methods 0.000 description 2
- 238000005034 decoration Methods 0.000 description 2
- 238000001514 detection method Methods 0.000 description 2
- 239000007788 liquid Substances 0.000 description 2
- 238000000034 method Methods 0.000 description 2
- 238000007789 sealing Methods 0.000 description 2
- 238000005406 washing Methods 0.000 description 2
- 230000009286 beneficial effect Effects 0.000 description 1
- 230000007547 defect Effects 0.000 description 1
- 238000009434 installation Methods 0.000 description 1
- 239000000463 material Substances 0.000 description 1
- 230000035515 penetration Effects 0.000 description 1
- 238000011084 recovery Methods 0.000 description 1
- 238000004088 simulation Methods 0.000 description 1
Images
Landscapes
- Reciprocating Pumps (AREA)
Abstract
The utility model discloses a traction converter cooling water pipe flow test tool, which comprises a booster water pump, wherein a water inlet end pipeline of the booster water pump is connected with a cooling liquid tank, a water outlet end pipeline of the booster water pump is connected with a cooling water pipe, the cooling water pipe comprises a water inlet pipeline and a water outlet pipeline which are arranged side by side from top to bottom, the water inlet pipeline comprises a first water inlet pipe and a second water inlet pipe, the water outlet pipeline comprises a first water outlet pipe and a second water outlet pipe, the water outlet end of the booster water pump is connected with the first water inlet pipe, the water inlet end of the first water inlet pipe is provided with a first water pipe communicated with the water inlet end of the first water, a second water pipe communicated with the second water outlet pipe is arranged on the first water inlet pipe at the rear end of the first water pipe, a third water pipe communicated with the water outlet end of the second water outlet pipe is arranged at the water outlet end of the second water inlet pipe, and the water outlet end of the second water outlet pipe is connected with a cooling liquid tank pipeline; the utility model discloses can inspect out in advance whether condenser tube welding seam intensity satisfies the customer's demand.
Description
Technical Field
The utility model relates to a traction converter cooling water pipe flow test frock belongs to converter pressure-bearing leak hunting technical field.
Background
At present, a cooling water pipe of a traction converter is lack of detection on whether the welding seam strength meets the requirements of the flow rate and the pressure of cooling liquid in the actual operation process, and the cooling liquid is found to leak after being frequently loaded, so that the cooling water pipe needs to be dismantled, and materials and labor are wasted; in the prior art, a cooling water pipe of the traction converter adopts penetration flaw detection, the method can only detect whether a welding seam of the cooling water pipe has defects under the conditions of no pressure and no flow rate, the welding seam which is seemingly intact in actual operation can cause leakage of the welding seam due to water flow pressure, potential risks of vehicle accidents and the reject ratio of products are caused, and the repair caused by the leakage of the cooling water pipe after loading is very troublesome, and the loss is huge.
Disclosure of Invention
For solving the not enough of prior art, the utility model provides a whether traction converter cooling water pipe flow test frock can inspect out cooling water pipe welding seam intensity in advance and satisfy the customer's demand.
The utility model discloses the technical scheme who adopts does:
a traction converter cooling water pipe flow test tool comprises a booster water pump, a cooling liquid tank is connected to a water inlet end pipeline of the booster water pump, a cooling water pipe is connected to a water outlet end pipeline of the booster water pump, the cooling water pipe comprises a water inlet pipeline and a water outlet pipeline which are arranged side by side from top to bottom, the water inlet pipeline comprises a first water inlet pipe and a second water inlet pipe, the water outlet pipeline comprises a first water outlet pipe and a second water outlet pipe, the water outlet end of the booster water pump is connected with the first water inlet pipe, a first water pipe communicated with the water inlet end of the first water outlet pipe is arranged at the water inlet end of the first water inlet pipe, a second water pipe communicated with the second water outlet pipe is arranged on the first water inlet pipe at the rear end of the first water pipe, a third water pipe communicated with the water outlet end of the second water outlet pipe is arranged at the water outlet end of the second water, the water outlet end of the second water outlet pipe is connected with a cooling liquid tank pipeline; a plurality of flow meters are respectively arranged between the first water inlet pipe and the second water inlet pipe and between the first water outlet pipe and the second water outlet pipe; pressure gauges are respectively arranged on the pipeline between the booster water pump and the first water inlet pipe and the pipeline between the second water outlet pipe and the cooling liquid tank.
Preferably, a first switch ball valve and a total flow meter are sequentially arranged on a pipeline between the booster water pump and the cooling water pipe along the water flow direction, and the first switch ball valve and the total flow meter are positioned at the front end of a pressure gauge on the pipeline.
Preferably, a second switch ball valve and a pressure reducing valve are sequentially arranged on the pipeline between the second water outlet pipe and the cooling liquid tank along the water flow direction, and the second switch ball valve and the pressure reducing valve are located at the rear end of a pressure gauge on the pipeline.
Preferably, two of the plurality of flow meters are respectively arranged at the water outlet end of the first water inlet pipe, the water inlet end of the second water inlet pipe, the water outlet end of the first water outlet pipe and the water inlet end of the second water outlet pipe.
The pressure boosting water pump, the switch ball valve II and the pressure reducing valve are controlled to start and stop and the flow of the main flow meter through operation on the display operation screen.
The beneficial effects of the utility model reside in that:
according to pressure and coolant flow under condenser tube practical environment, adopt this experimental frock to condenser tube simulation specific pressure and specific flow's operating condition in order to inspect condenser tube's welding sealing performance, simple and convenient.
Drawings
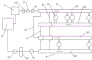
Fig. 1 is a schematic structural view of the present invention;
the main reference numerals in the figures have the following meanings:
1. the water cooling system comprises a booster water pump, 2, a cooling liquid tank, 3, a water inlet pipeline, 4, a water outlet pipeline, 5, water pipes I, 6, water pipes II, 7, water pipes III, 8, a flowmeter, 9, a pressure gauge, 10, switch ball valves I, 11, a total flowmeter, 12, switch ball valves II, 13, a pressure reducing valve, 31, a first water inlet pipe, 32, a second water inlet pipe, 41, a first water outlet pipe, 42 and a second water outlet pipe.
Detailed Description
The present invention will be described in detail with reference to the accompanying drawings and examples.
As shown in fig. 1: the embodiment is a traction converter cooling water pipe flow test tool, which comprises a booster water pump 1, wherein a water inlet end of the booster water pump 1 is connected with a cooling liquid tank 2, a water outlet end of the booster water pump 1 is connected with a cooling water pipe, the cooling water pipe comprises a water inlet pipeline 3 and a water outlet pipeline 4 which are arranged in parallel from top to bottom, the water inlet pipeline 3 comprises a first water inlet pipe 31 and a second water inlet pipe 32, the water outlet pipeline 4 comprises a first water outlet pipe 41 and a second water outlet pipe 42, the water outlet end of the booster water pump 1 is connected with the first water inlet pipe 31, the water inlet end of the first water inlet pipe 31 is provided with a first water pipe 5 communicated with the water inlet end of the first water outlet pipe 41, the first water inlet pipe 31 at the rear end of the first water pipe 5 is provided with a second water pipe 6 communicated with the second water outlet pipe 42, the water outlet end of the second water inlet pipe 32 is, the water outlet end of the booster water pump 1 is connected with the water inlet end of the first water inlet pipe 31, and the water outlet end of the second water outlet pipe 42 is connected with the cooling liquid tank 2 through a pipeline; a plurality of flow meters 8 are respectively arranged between the first water inlet pipe 31 and the second water inlet pipe 32 and between the first water outlet pipe 41 and the second water outlet pipe 42; pressure gauges 9 are respectively arranged on a pipeline between the booster water pump 1 and the first water inlet pipe 31 and a pipeline between the second water outlet pipe 42 and the cooling liquid tank 2.
Referring to fig. 1, a first switch ball valve 10 and a total flow meter 11 are further sequentially arranged on a pipeline between the booster water pump 1 and the cooling water pipe along the water flow direction, and the first switch ball valve 10 and the total flow meter 11 are located at the front end of a pressure gauge 9 on the pipeline.
Referring to fig. 1, in the water flow direction, a second switch ball valve 12 and a pressure reducing valve 13 are further sequentially arranged in the pipeline between the second water outlet pipe 42 and the coolant tank 2, and the second switch ball valve 12 and the pressure reducing valve 13 are located at the rear end of the pressure gauge 9 on the pipeline.
Referring to fig. 1, two of the plurality of flow meters 8 are respectively disposed at the water outlet end of the first water inlet pipe 31, the water inlet end of the second water inlet pipe 32, the water outlet end of the first water outlet pipe 41, and the water inlet end of the second water outlet pipe 42.
This experimental frock still includes the controller, be provided with the display operation screen on the controller, observe flowmeter 8, manometer 9 and total flowmeter 11's transmission data through the display operation screen to through opening of operation control booster water pump 1, switch ball valve 10, two 12 of switch ball valves and relief pressure valve 13 and the flow of total flowmeter 11 on the display operation screen.
When the utility model is actually applied, the booster water pump 1 is controlled by the controller to pump the cooling liquid in the cooling liquid tank 2 into the cooling water pipe at a specific pressure, and the flow of the cooling liquid is set by the general flowmeter 11; the cooling liquid enters the correspondingly connected pipelines through a first water pipe 5, a second water pipe 6 and a third water pipe 7 respectively, and finally flows into the cooling liquid tank 2 through the water outlet end of the second water outlet pipe 42 under the action of the booster water pump 1; observing the numerical values of pressure gauges 9 arranged on a pipeline between the booster water pump 1 and the first water inlet pipe 31 and a pipeline between the second water outlet pipe 42 and the cooling liquid tank 2 on a display operation screen, and if the numerical value deviation of the two pressure gauges 9 is within an allowable range, indicating that the sealing performance of a welding part of the cooling pipeline is normal; if the deviation of the numerical values of the two pressure gauges 9 is large, the numerical values of the plurality of flow meters 8 are respectively arranged between the first water inlet pipe 31 and the second water inlet pipe 32 and between the first water outlet pipe 41 and the second water outlet pipe 42, if the deviation of the numerical values displayed by the flow meters is large, the pipeline of the corresponding installation section of the corresponding flow meter 8 is blocked or leaks, and the test for checking the pipeline is stopped and corresponding processing is carried out.
The utility model discloses after the test finishes, with switch ball valve 10, switch ball valve two 12 are closed, and demolish water pipe two 6 and water pipe three 7, water pipe head department on the delivery port of second inlet tube 32 inserts the washing liquid or inserts the air supply, plug up the water pipe head of water pipe two 7 on first inlet tube 31, the second outlet pipe 42, carry out recovery processing in the water pipe head department of the water pipe three 7 of the delivery port end of second outlet pipe 42 simultaneously, wash and sweep can letting in washing liquid or air supply.
The above description is only a preferred embodiment of the present invention, and it should be noted that, for those skilled in the art, a plurality of improvements and decorations can be made without departing from the principle of the present invention, and these improvements and decorations should also be regarded as the protection scope of the present invention.
Claims (5)
1. The utility model provides a traction converter cooling water pipe flow test frock which characterized in that: comprises a booster water pump (1), wherein a pipeline at the water inlet end of the booster water pump (1) is connected with a coolant tank (2), a pipeline at the water outlet end of the booster water pump (1) is connected with a cooling water pipe, the cooling water pipe comprises a water inlet pipeline (3) and a water outlet pipeline (4) which are arranged from top to bottom in parallel, the water inlet pipeline (3) comprises a first water inlet pipe (31) and a second water inlet pipe (32), the water outlet pipeline (4) comprises a first water outlet pipe (41) and a second water outlet pipe (42), the water outlet end of the booster water pump (1) is connected with the first water inlet pipe (31), the water inlet end of the first water inlet pipe (31) is provided with a first water pipe (5) communicated with the water inlet end of the first water outlet pipe (41), and a second water pipe (6) communicated with the second water outlet pipe (42) is arranged on the first water inlet pipe (31) at the rear end, a water pipe III (7) communicated with the water outlet end of the second water outlet pipe (42) is arranged at the water outlet end of the second water inlet pipe (32), the water outlet end of the booster water pump (1) is connected with the water inlet end of the first water inlet pipe (31), and the water outlet end of the second water outlet pipe (42) is in pipeline connection with the cooling liquid tank (2); a plurality of flow meters (8) are respectively arranged between the first water inlet pipe (31) and the second water inlet pipe (32) and between the first water outlet pipe (41) and the second water outlet pipe (42); pressure gauges (9) are respectively arranged on a pipeline between the booster water pump (1) and the first water inlet pipe (31) and a pipeline between the second water outlet pipe (42) and the cooling liquid tank (2).
2. The traction converter cooling water pipe flow test tool according to claim 1, wherein a first switch ball valve (10) and a total flow meter (11) are further sequentially arranged on a pipeline between the booster water pump (1) and the cooling water pipe along a water flow direction, and the first switch ball valve (10) and the total flow meter (11) are located at the front end of a pressure gauge (9) on the pipeline.
3. The traction converter cooling water pipe flow test tool according to claim 2, wherein a second switch ball valve (12) and a pressure reducing valve (13) are further sequentially arranged on the pipeline between the second water outlet pipe (42) and the cooling liquid tank (2) along the water flow direction, and the second switch ball valve (12) and the pressure reducing valve (13) are located at the rear end of a pressure gauge (9) on the pipeline.
4. The traction converter cooling water pipe flow test tool according to claim 1, wherein two of the plurality of flow meters (8) are respectively arranged at the water outlet end of the first water inlet pipe (31), the water inlet end of the second water inlet pipe (32), the water outlet end of the first water outlet pipe (41) and the water inlet end of the second water outlet pipe (42).
5. The traction converter cooling water pipe flow test tool according to claim 3, further comprising a controller, wherein a display operation screen is arranged on the controller, transmission data of the flow meter (8), the pressure gauge (9) and the total flow meter (11) are observed through the display operation screen, and start and stop of the booster water pump (1), the first switch ball valve (10), the second switch ball valve (12) and the pressure reducing valve (13) and flow of the total flow meter (11) are controlled through operation on the display operation screen.
Priority Applications (1)
| Application Number | Priority Date | Filing Date | Title |
|---|---|---|---|
| CN201920679794.7U CN209894429U (en) | 2019-05-14 | 2019-05-14 | Traction converter cooling water pipe flow test tool |
Applications Claiming Priority (1)
| Application Number | Priority Date | Filing Date | Title |
|---|---|---|---|
| CN201920679794.7U CN209894429U (en) | 2019-05-14 | 2019-05-14 | Traction converter cooling water pipe flow test tool |
Publications (1)
| Publication Number | Publication Date |
|---|---|
| CN209894429U true CN209894429U (en) | 2020-01-03 |
Family
ID=69000735
Family Applications (1)
| Application Number | Title | Priority Date | Filing Date |
|---|---|---|---|
| CN201920679794.7U Active CN209894429U (en) | 2019-05-14 | 2019-05-14 | Traction converter cooling water pipe flow test tool |
Country Status (1)
| Country | Link |
|---|---|
| CN (1) | CN209894429U (en) |
Cited By (1)
| Publication number | Priority date | Publication date | Assignee | Title |
|---|---|---|---|---|
| CN119643177A (en) * | 2024-11-20 | 2025-03-18 | 中车株洲电力机车研究所有限公司 | Cooling system testing device and method for integrated converter |
-
2019
- 2019-05-14 CN CN201920679794.7U patent/CN209894429U/en active Active
Cited By (1)
| Publication number | Priority date | Publication date | Assignee | Title |
|---|---|---|---|---|
| CN119643177A (en) * | 2024-11-20 | 2025-03-18 | 中车株洲电力机车研究所有限公司 | Cooling system testing device and method for integrated converter |
Similar Documents
| Publication | Publication Date | Title |
|---|---|---|
| CN104359661B (en) | universal valve performance test device | |
| CN201803832U (en) | Test device for detecting valve leakage by acoustic emission signal | |
| CN209014221U (en) | Pipeline pressure testing device | |
| CN209894429U (en) | Traction converter cooling water pipe flow test tool | |
| CN202301289U (en) | High-low pressure combined online circulating washing and pressure testing device for hydraulic system | |
| CN209055285U (en) | A kind of experimental rig for examining valve high-low pressure to seal | |
| CN104165739A (en) | Method for testing pressure by adoption of vertical and automatic heat collector flow channel pressure test machine | |
| CN103851339B (en) | The system and method for detection pipe leakage | |
| CN207439669U (en) | A kind of valve Quick-action pressure-testing detection device | |
| CN109297641A (en) | A test device for testing high and low pressure seals of valves | |
| CN104729856A (en) | Cooling water circulation system applicable to high-flow test platform | |
| CN210487184U (en) | Air pressure detection device for U-shaped heat exchange tube | |
| CN205388531U (en) | Large -scale aqueous vapor solenoid valve detecting system that synthesizes | |
| CN111536434A (en) | Pipeline conveying valve and pipeline leakage automatic detection system and leakage detection method | |
| CN204556396U (en) | A kind of quick mounting type pressure testing device | |
| CN207830998U (en) | Liquid conducting pipes leak detection analyzing and positioning simulation system | |
| CN202110046U (en) | Automobile shock absorber liquid storage cylinder leak test system | |
| CN205138731U (en) | Heat exchanger gas tightness detection device | |
| CN110905658A (en) | Pressure diagnosis device and method for high-pressure branch of mobile diesel engine | |
| CN209495811U (en) | A kind of underwater leakage detection equipment of pipe fitting for testing flow-limiting valve performance state | |
| CN221993012U (en) | Exhaust valve test device | |
| CN206378257U (en) | A valve pressure test device | |
| CN203732410U (en) | Hose testing machine | |
| CN220189130U (en) | Valve seal test training platform | |
| CN202305337U (en) | Piping pressure test device |
Legal Events
| Date | Code | Title | Description |
|---|---|---|---|
| GR01 | Patent grant | ||
| GR01 | Patent grant |