CN203267031U - Tire vulcanization preheating device utilizing wasteheat - Google Patents
Tire vulcanization preheating device utilizing wasteheat Download PDFInfo
- Publication number
- CN203267031U CN203267031U CN 201320297637 CN201320297637U CN203267031U CN 203267031 U CN203267031 U CN 203267031U CN 201320297637 CN201320297637 CN 201320297637 CN 201320297637 U CN201320297637 U CN 201320297637U CN 203267031 U CN203267031 U CN 203267031U
- Authority
- CN
- China
- Prior art keywords
- heat
- vulcanization
- preheating device
- insulation layer
- way valve
- Prior art date
- Legal status (The legal status is an assumption and is not a legal conclusion. Google has not performed a legal analysis and makes no representation as to the accuracy of the status listed.)
- Expired - Lifetime
Links
Images
Landscapes
- Heating, Cooling, Or Curing Plastics Or The Like In General (AREA)
Abstract
本实用新型涉及一种余热利用的轮胎硫化预热装置,属于轮胎生产设备领域。设有与硫化机内过热水管路的出口端相连通的两位三通阀,其特征是:两位三通阀的出水端与空气预热箱的热交换管组及蓄热水箱入水口相连通。本实用新型的有益效果是,1.利用硫化余热对未硫化胎坯进行预热,可提高轮胎硫化均匀性,缩短硫化时间;2.硫化预热的热量来自于硫化余热,可降低管路中的热耗散,提高能源利用率。
The utility model relates to a tire vulcanization preheating device utilizing waste heat, which belongs to the field of tire production equipment. There is a two-position three-way valve connected with the outlet end of the superheated water pipeline in the vulcanizer, and its characteristic is: the water outlet end of the two-position three-way valve is connected with the heat exchange tube group of the air preheating box and the water inlet of the hot water storage tank connected. The beneficial effects of the utility model are as follows: 1. Preheating the unvulcanized tire blank by using the vulcanization waste heat can improve the uniformity of tire vulcanization and shorten the vulcanization time; 2. The heat of vulcanization preheating comes from the vulcanization waste heat, which can reduce Heat dissipation, improve energy efficiency.
Description
技术领域 technical field
本实用新型涉及轮胎生产设备领域,详细地讲是一种余热利用的轮胎硫化预热装置。 The utility model relates to the field of tire production equipment, in detail it is a tire vulcanization preheating device utilizing waste heat.
背景技术 Background technique
众所周知,轮胎硫化环节需要消耗大量的热量,而这些热量真正被有效利用的却占很少一部分,绝大部分被耗散在无效的管路循环中,热耗散很大。此外,现有的轮胎硫化工艺大多没有机外预热这一环节,胎坯硫化前只是被放置于储胎架上,待前一条轮胎硫化好后而被直接送于硫化机内,而文献指出(张术宽,用有限元法研究胎坯预热对硫化温度及硫化程度场的影响,橡胶工业,2003年第5卷,305-307),胎坯预热对轮胎硫化具有明显的积极作用,能够提高轮胎硫化均匀性,缩短硫化时间,但绝大多数轮胎厂家对此却不够重视。 As we all know, the tire vulcanization process needs to consume a lot of heat, but only a small part of this heat is actually used effectively, and most of it is dissipated in the ineffective pipeline circulation, and the heat dissipation is very large. In addition, most of the existing tire vulcanization processes do not have the step of preheating outside the machine. (Zhang Shukuan, Using the finite element method to study the influence of green tire preheating on the curing temperature and curing degree field, Rubber Industry, Vol. Improve the uniformity of tire vulcanization and shorten the vulcanization time, but most tire manufacturers do not pay enough attention to this.
发明内容 Contents of the invention
本实用新型目的在于针对现有轮胎硫化工艺中的缺陷,提供一种轮胎硫化预热及装置,利用轮胎硫化余热来对胎坯进行硫化预热,从而降低热耗散,提高能源利用率,同时提高轮胎硫化均匀性,缩短轮胎硫化时间。 The purpose of the utility model is to provide a tire vulcanization preheating and device for the defects in the existing tire vulcanization process, which uses the waste heat of tire vulcanization to vulcanize and preheat the green tire, thereby reducing heat dissipation and improving energy utilization. Improve tire vulcanization uniformity and shorten tire vulcanization time.
本实用新型解决其技术问题所采用的技术方案是:一种余热利用的轮胎硫化预热装置,设有与硫化机内过热水管路的出口端相连通的两位三通阀,其特征是,两位三通阀的出水端与空气预热箱的热交换管组及蓄热水箱入水口相连通。 The technical solution adopted by the utility model to solve the technical problem is: a tire vulcanization preheating device for waste heat utilization, which is provided with a two-position three-way valve connected to the outlet end of the superheated water pipeline in the vulcanizer, and its characteristics are: The water outlet of the two-position three-way valve is connected with the heat exchange tube group of the air preheating box and the water inlet of the heat storage tank.
本实用新型还可通过如下措施来实现:空气预热箱由管组、分隔板、保温层、壳体、管接口、压力传感器、温度传感器组成,保温层与壳体固定连接,分隔板四周与壳体焊接,管组分别穿透分隔板、保温层和壳体,并在穿透处与分隔板、壳体焊接,压力传感器、温度传感器用于实时测量管组内的压力及温度。蓄热水箱由入口阀门,出口阀门和箱体组成,入口阀门的入水口接两位三通阀的出水端,入口阀门的出水口接箱体内腔,箱体的出水口经出口阀门接空气预热箱的热交换管组入水孔。管组由一定数量管子组成,管子沿保温层内壁等间距周向排列。 The utility model can also be realized by the following measures: the air preheating box is composed of a tube group, a partition plate, a thermal insulation layer, a shell, a pipe interface, a pressure sensor, and a temperature sensor, the thermal insulation layer is fixedly connected with the shell, and the partition plate The surrounding is welded with the shell, and the tube group penetrates the partition plate, insulation layer and shell respectively, and is welded with the partition plate and the shell at the penetration point. The pressure sensor and temperature sensor are used to measure the pressure and temperature in the tube group in real time. temperature. The hot water storage tank is composed of an inlet valve, an outlet valve and a tank. The water inlet of the inlet valve is connected to the water outlet of the two-position three-way valve, the water outlet of the inlet valve is connected to the inner cavity of the tank, and the water outlet of the tank is connected to the air through the outlet valve. The heat exchange tubes of the preheating box are assembled into the water holes. The tube group is composed of a certain number of tubes, and the tubes are arranged circumferentially at equal intervals along the inner wall of the insulation layer.
本实用新型的有益效果是,1.利用硫化余热对未硫化胎坯进行预热,可提高轮胎硫化均匀性,缩短硫化时间;2.硫化预热的热量来自于硫化余热,可降低管路中的热耗散,提高能源利用率。 The beneficial effects of the utility model are as follows: 1. Preheating the unvulcanized tire blank by using the vulcanization waste heat can improve the uniformity of tire vulcanization and shorten the vulcanization time; 2. The heat of vulcanization preheating comes from the vulcanization waste heat, which can reduce Heat dissipation, improve energy efficiency.
附图说明 Description of drawings
下面结合附图和实施例对本实用新型进一步说明。 Below in conjunction with accompanying drawing and embodiment the utility model is further described.
图1是本实用新型的空气预热箱结构示图。 Fig. 1 is a structural diagram of the air preheating box of the present utility model.
图2是图1的A-A向剖视图。 Fig. 2 is a sectional view taken along line A-A of Fig. 1 .
图3是本实用新型对轮胎进行硫化预热的原理图。 Fig. 3 is a schematic diagram of the utility model for vulcanizing and preheating tires.
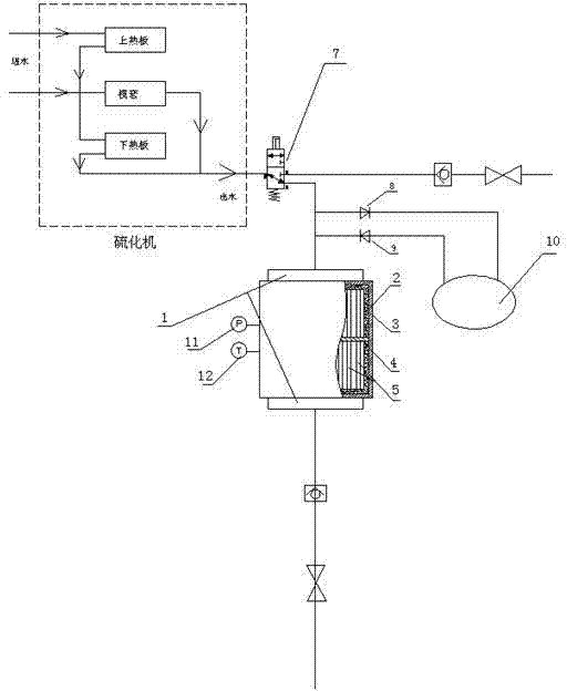
图中 1-管接口,2-壳体,3-保温层,4-分隔板,5-管组,6-轮胎,7-两位三通阀,8-入口阀门,9-出口阀门,10-箱体,11-压力传感器,12-温度传感器。 In the figure, 1-pipe interface, 2-shell, 3-insulation layer, 4-separation plate, 5-pipe group, 6-tire, 7-two-position three-way valve, 8-inlet valve, 9-outlet valve, 10-cabinet, 11-pressure sensor, 12-temperature sensor.
具体实施方式 Detailed ways
在图1、图2、图3中,本实用新型由两位三通阀7、蓄热水箱和空气预热箱构成。空气预热箱包括管组5、分隔板4、保温层3、壳体2、管接口1、压力传感器11、温度传感器12,其中保温层3与壳体2固定连接,分隔板4四周与壳体2焊接,管组5分别穿透分隔板4、保温层3和壳体2,并在穿透处与分隔板4、壳体2焊接。管组5由一定数量管子组成,管子沿保温层3内壁等间距周向排列,排列层数可根据空气预热箱内部空间大小进行调整。本实施例中管子排列层数为两层,管子的直径φ30~φ40,壁厚1~2mm。管子材料为耐高温的合金钢。蓄热水箱由入口阀门8,出口阀门9和箱体10组成,入口阀门8的入水口接两位三通阀7的出水端,入口阀门8的出水口接箱体10内腔,箱体10的出水口经出口阀门9接空气预热箱的热交换管组5入水孔。
In Fig. 1, Fig. 2, Fig. 3, the utility model is made of a two-position three-way valve 7, a heat storage tank and an air preheating tank. The air preheating box includes a tube group 5, a partition plate 4, an insulation layer 3, a casing 2, a pipe interface 1, a
当需要硫化预热装置投入使用时,启动两位三通阀7的控制开关,使硫化预热装置与硫化机内过热水管路的出口端接通,120℃左右的过热水通过空气预热箱的管接口1流入管组5,又通过管接口1从管组5的另一端流出,使空气预热箱内的温度迅速升高,将胎坯放置于空气预热箱中,待预热到80~90℃取出再入硫化机进行硫化,空气预热箱中的温度及管组5管道压力可分别通过温度传感器12和压力传感器11实时测出。蓄热水箱可调节管组5中的过热水流量,进而间接控制空气预热箱中的温度,使空气预热箱处于恒温状态,当空气预热箱内的温度超过80~90℃范围,蓄热水箱的入口阀门8开启,出口阀门9关闭,管路中的过热水一部分流入蓄热水箱的箱体10内,通过管组5的过热水流量减小,空气预热箱内温度逐渐降低;当空气预热箱内温度低于80℃,蓄热水箱的出口阀门9开启,入口阀门8关闭,蓄热水箱箱体10内的过热水流入空气预热箱管组5,这时,管组5内的过热水流量增大,空气预热箱内温度逐渐升高。
When the vulcanization preheating device needs to be put into use, start the control switch of the two-position three-way valve 7 to connect the vulcanization preheating device with the outlet end of the superheated water pipeline in the vulcanizer, and the superheated water at about 120°C is preheated by air The pipe joint 1 of the box flows into the pipe group 5, and then flows out from the other end of the pipe group 5 through the pipe joint 1, so that the temperature in the air preheating box rises rapidly, and the tire blank is placed in the air preheating box, and waits for preheating. Take it out at 80-90°C and then enter the vulcanizing machine for vulcanization. The temperature in the air preheating box and the pressure of the pipe group 5 can be measured in real time by the
Claims (4)
Priority Applications (1)
| Application Number | Priority Date | Filing Date | Title |
|---|---|---|---|
| CN 201320297637 CN203267031U (en) | 2013-05-28 | 2013-05-28 | Tire vulcanization preheating device utilizing wasteheat |
Applications Claiming Priority (1)
| Application Number | Priority Date | Filing Date | Title |
|---|---|---|---|
| CN 201320297637 CN203267031U (en) | 2013-05-28 | 2013-05-28 | Tire vulcanization preheating device utilizing wasteheat |
Publications (1)
| Publication Number | Publication Date |
|---|---|
| CN203267031U true CN203267031U (en) | 2013-11-06 |
Family
ID=49497512
Family Applications (1)
| Application Number | Title | Priority Date | Filing Date |
|---|---|---|---|
| CN 201320297637 Expired - Lifetime CN203267031U (en) | 2013-05-28 | 2013-05-28 | Tire vulcanization preheating device utilizing wasteheat |
Country Status (1)
| Country | Link |
|---|---|
| CN (1) | CN203267031U (en) |
Cited By (3)
| Publication number | Priority date | Publication date | Assignee | Title |
|---|---|---|---|---|
| CN103240824A (en) * | 2013-05-28 | 2013-08-14 | 三角轮胎股份有限公司 | Tire vulcanizing preheating device utilizing waste heat |
| CN106626172A (en) * | 2016-11-30 | 2017-05-10 | 重庆市成吉思机械制造有限公司 | Adjustable tire vulcanization preheating device |
| CN110053202A (en) * | 2019-04-11 | 2019-07-26 | 双钱集团(江苏)轮胎有限公司 | A kind of tyre vulcanization preheating device of UTILIZATION OF VESIDUAL HEAT IN |
-
2013
- 2013-05-28 CN CN 201320297637 patent/CN203267031U/en not_active Expired - Lifetime
Cited By (4)
| Publication number | Priority date | Publication date | Assignee | Title |
|---|---|---|---|---|
| CN103240824A (en) * | 2013-05-28 | 2013-08-14 | 三角轮胎股份有限公司 | Tire vulcanizing preheating device utilizing waste heat |
| CN106626172A (en) * | 2016-11-30 | 2017-05-10 | 重庆市成吉思机械制造有限公司 | Adjustable tire vulcanization preheating device |
| CN106626172B (en) * | 2016-11-30 | 2018-10-02 | 重庆市成吉思机械制造有限公司 | Adjustable tire vulcanizes preheating device |
| CN110053202A (en) * | 2019-04-11 | 2019-07-26 | 双钱集团(江苏)轮胎有限公司 | A kind of tyre vulcanization preheating device of UTILIZATION OF VESIDUAL HEAT IN |
Similar Documents
| Publication | Publication Date | Title |
|---|---|---|
| CN203267031U (en) | Tire vulcanization preheating device utilizing wasteheat | |
| CN204771358U (en) | Prevent tube sheet welding deformation's frock | |
| CN103240824B (en) | The tyre vulcanization preheating device of UTILIZATION OF VESIDUAL HEAT IN | |
| CN204385290U (en) | The air-cooled furnace binding of a kind of tubular type PECVD | |
| CN201962241U (en) | Double-layer heat transmission residual-heat utilization device for coke oven ascending tube | |
| CN203566981U (en) | Thermal insulation system for vulcanizing press | |
| CN202660723U (en) | High temperature and high pressure resistant electric water heater | |
| CN103817925B (en) | A kind of fluoroplastics condenser welding equipment and welding procedure thereof | |
| CN203510550U (en) | Thermotechnical pipeline of vulcanizing machine | |
| CN202630761U (en) | Waste heat utilization device of raw coke oven gas of coke oven | |
| CN202621160U (en) | Dicyandiamide polymerization pot heat transfer device | |
| CN220593783U (en) | Vulcanizer heating structure | |
| CN204864158U (en) | Instantaneous sterilization apparatus of ultra -temperature | |
| CN204935987U (en) | Large Diameter Pipeline engineering pipeline sulfuration blind plate | |
| CN204286027U (en) | Heat exchanger drying unit | |
| CN204894500U (en) | Outer tube seals gas device | |
| CN204450970U (en) | The exhaust steam of rubber inner tube sulfuration utilizes device | |
| CN204471691U (en) | A kind of steam vulcanizing pipeline without boiler | |
| CN204574443U (en) | Split type wall-hanging solar water heater | |
| CN203216123U (en) | Pressure-bearing plastic inner container and solar water heater using same | |
| CN203947012U (en) | A kind of geothermal heating device for sludge drying chamber | |
| CN201433108Y (en) | Forced Cooling Device for Electrode Coat of Polysilicon Reduction Furnace | |
| CN204712329U (en) | A new heating structure for vulcanized pipelines | |
| CN201325139Y (en) | Heating plate used for heavy-duty solid tire vulcanizer | |
| CN211463435U (en) | Energy-saving water system for ink production line |
Legal Events
| Date | Code | Title | Description |
|---|---|---|---|
| C14 | Grant of patent or utility model | ||
| GR01 | Patent grant | ||
| CX01 | Expiry of patent term |
Granted publication date: 20131106 |
|
| CX01 | Expiry of patent term |
