CN203188812U - Penetrating-bar-pouring combined type heat insulation aluminum alloy section bar - Google Patents
Penetrating-bar-pouring combined type heat insulation aluminum alloy section bar Download PDFInfo
- Publication number
- CN203188812U CN203188812U CN 201320128056 CN201320128056U CN203188812U CN 203188812 U CN203188812 U CN 203188812U CN 201320128056 CN201320128056 CN 201320128056 CN 201320128056 U CN201320128056 U CN 201320128056U CN 203188812 U CN203188812 U CN 203188812U
- Authority
- CN
- China
- Prior art keywords
- bar
- aluminium alloy
- alloy extrusions
- heat insulation
- aluminum alloy
- Prior art date
- Legal status (The legal status is an assumption and is not a legal conclusion. Google has not performed a legal analysis and makes no representation as to the accuracy of the status listed.)
- Expired - Fee Related
Links
- 229910000838 Al alloy Inorganic materials 0.000 title claims abstract description 91
- 238000009413 insulation Methods 0.000 title claims abstract description 33
- 229920002635 polyurethane Polymers 0.000 claims abstract description 44
- 239000004814 polyurethane Substances 0.000 claims abstract description 44
- 229920003023 plastic Polymers 0.000 claims abstract description 20
- 239000004033 plastic Substances 0.000 claims abstract description 20
- 238000001125 extrusion Methods 0.000 claims description 59
- 238000000576 coating method Methods 0.000 claims description 17
- 239000011248 coating agent Substances 0.000 claims description 15
- 239000000463 material Substances 0.000 claims description 8
- 238000005507 spraying Methods 0.000 claims description 6
- 238000005516 engineering process Methods 0.000 claims description 5
- 239000000843 powder Substances 0.000 claims description 4
- 230000001680 brushing effect Effects 0.000 claims description 2
- 238000010023 transfer printing Methods 0.000 claims description 2
- 238000001962 electrophoresis Methods 0.000 claims 1
- 230000000149 penetrating effect Effects 0.000 abstract description 6
- 238000004519 manufacturing process Methods 0.000 abstract description 3
- 238000007789 sealing Methods 0.000 abstract description 3
- 238000012545 processing Methods 0.000 abstract description 2
- 239000003292 glue Substances 0.000 abstract 8
- 210000003739 neck Anatomy 0.000 abstract 3
- 230000007797 corrosion Effects 0.000 abstract 1
- 238000005260 corrosion Methods 0.000 abstract 1
- 239000012774 insulation material Substances 0.000 abstract 1
- 238000004321 preservation Methods 0.000 abstract 1
- 229910052782 aluminium Inorganic materials 0.000 description 7
- 238000013461 design Methods 0.000 description 5
- 229910045601 alloy Inorganic materials 0.000 description 4
- 239000000956 alloy Substances 0.000 description 4
- XAGFODPZIPBFFR-UHFFFAOYSA-N aluminium Chemical compound [Al] XAGFODPZIPBFFR-UHFFFAOYSA-N 0.000 description 4
- 239000004411 aluminium Substances 0.000 description 3
- 239000003086 colorant Substances 0.000 description 3
- XLYOFNOQVPJJNP-UHFFFAOYSA-N water Substances O XLYOFNOQVPJJNP-UHFFFAOYSA-N 0.000 description 3
- 238000002203 pretreatment Methods 0.000 description 2
- 239000000853 adhesive Substances 0.000 description 1
- 230000001070 adhesive effect Effects 0.000 description 1
- 230000000712 assembly Effects 0.000 description 1
- 238000000429 assembly Methods 0.000 description 1
- 230000009286 beneficial effect Effects 0.000 description 1
- 238000006243 chemical reaction Methods 0.000 description 1
- 239000002131 composite material Substances 0.000 description 1
- 238000005034 decoration Methods 0.000 description 1
- 230000007812 deficiency Effects 0.000 description 1
- 238000010586 diagram Methods 0.000 description 1
- 230000009977 dual effect Effects 0.000 description 1
- 230000002708 enhancing effect Effects 0.000 description 1
- 239000011159 matrix material Substances 0.000 description 1
- 238000000034 method Methods 0.000 description 1
- 238000012986 modification Methods 0.000 description 1
- 230000004048 modification Effects 0.000 description 1
- 238000002360 preparation method Methods 0.000 description 1
Images
Landscapes
- Wing Frames And Configurations (AREA)
Abstract
The utility model discloses a penetrating-bar-pouring combined type heat insulation aluminum alloy section bar, and belongs to the technical field of energy-saving aluminum alloy section bars. The aluminum alloy section bar comprises an inner side aluminum alloy section bar, an outer side aluminum alloy section bar, a plastic penetrating bar, heat insulation necks, upper-layer polyurethane heat insulation glue and lower-layer polyurethane heat insulation glue. The inner side aluminum alloy section bar and the outer side aluminum alloy section bar are respectively provided with a heat insulation neck, the plastic penetrating bar is connected between the two heat insulation necks, the polyurethane heat insulation glue is formed by the upper-layer polyurethane heat insulation glue and the lower-layer polyurethane heat insulation glue, heat insulation materials between the inner side aluminum alloy section bar and the outer side aluminum alloy section bar sequentially are the lower-layer polyurethane heat insulation glue, the plastic penetrating bar and the upper-layer polyurethane heat insulation glue from bottom to top, and the inner side aluminum alloy section bar and the outer side aluminum alloy section bar are connected into a whole through the plastic penetrating bar and the polyurethane heat insulation glue. The two modes of penetrating bar and pouring are combined for processing, and the penetrating-bar-pouring combined type heat insulation aluminum alloy section bar has the advantages of being firm in combination, good in sealing performance and heat preservation and weather resistant performance, easy to maintain, corrosion resistant, and low in manufacturing cost.
Description
Technical field
The utility model relates to the aluminium alloy extrusions technical field, is specifically related to a kind of bar-cast combined type heat insulated shape bar of aluminum alloy of wearing.
Background technology
Conventional aluminum alloy profile working ability difference and processing cost height, energy-efficient performance is poor.Though the whole heat-insulating and energy-saving of bar penetrating type heat-insulation section bar that existing market is sold, sound insulation value is lower, and is difficult for waterproof.In recent years, also more and more higher to the requirement of architectural design along with improving constantly of people's living standard, can not satisfy the architectural style of current more and more fashion in the conventional chamber with outdoor energy-saving aluminium alloy door and window for color of the same race or pattern.The indoor and outdoors that do not appear in the newspapers at present is the manufacturing technology of color not of the same race or patterned aluminum alloy door and window, and the heat-proof quality of alumium alloy door and window, sealing performance and all await further enhancing with the bond strength of heat-barrier material etc.Therefore, design and a kind ofly new-type can strengthen its sealing, improve heat insulation, sound insulation and waterproof ability, the demand that can satisfy the aluminium alloy extrusions that modern building design requires again is particularly urgent.
Summary of the invention
The purpose of this utility model is at the deficiencies in the prior art part, a kind of bar-cast combined type heat insulated shape bar of aluminum alloy of wearing is provided, when this aluminium alloy extrusions can satisfy external wall design and clashes with the interior decoration requirement, reach the requirement that indoor and outdoor alumium alloy door and window no longer are defined as color of the same race or pattern, and wear bar and cast polyurethane adiabatic gum dual mode Application of composite owing to adopt, possess low cost of manufacture, heat-insulating property height, good seal performance, the water resistance height, excellent properties such as section bar and heat-barrier material bond strength height.
The technical solution of the utility model is:
A kind of bar-cast combined type heat insulated shape bar of aluminum alloy of wearing, this aluminium alloy extrusions comprise that inboard aluminium alloy extrusions 1, outside aluminium alloy extrusions 2, plastics wear bar 3, heat insulation draw-in groove 4, upper strata polyurethane adiabatic gum 5 and lower floor's polyurethane adiabatic gum 6; Inboard aluminium alloy extrusions 1 and outside aluminium alloy extrusions 2 are respectively equipped with and form the cast notch between 4, two heat insulation draw-in grooves 4 of a heat insulation draw-in groove; The polyurethane adiabatic gum is made up of upper strata polyurethane adiabatic gum 5 and lower floor's polyurethane adiabatic gum 6; Heat-barrier material in the middle of the interior outer profile is followed successively by lower floor's polyurethane adiabatic gum 6 from the bottom to top, plastics are worn bar 3 and upper strata polyurethane adiabatic gum 5; Wear bar 3 and the polyurethane adiabatic gum links into an integrated entity inboard aluminium alloy extrusions 1 and outside aluminium alloy extrusions 2 by plastics.
Described inboard aluminium alloy extrusions 1 and outside aluminium alloy extrusions 2 surfaces are with colored coating or pattern.
Described colored coating is the coating of white coating, red coatings, grey coating, brown coating, blue coating and any color.
Described colored coating is the surface that is attached to inboard aluminium alloy extrusions 1 and outside aluminium alloy extrusions 2 by electrostatic powder spraying, hot spraying, electrophoretic techniques, and described pattern is the surface that is attached to inboard aluminium alloy extrusions 1 and outside aluminium alloy extrusions 2 by hot transfer printing, air brushing technology.
The technical scheme that its technical problem that solves the utility model adopts is: one, medial and lateral aluminium alloy extrusions pre-treatment.Two, wear bar.Three, cast.
One, on request inboard aluminium alloy extrusions 1 and outside aluminium alloy extrusions 2 are handled application different colours and pattern, decorative pattern respectively by electrostatic powder spraying.
Two, use plastics or other low Heat Conduction Materials are worn inside and outside aluminium alloy extrusions notch respectively, inside and outside aluminium extruded sections are connected and fixed be one.
Three, the aluminium alloy extrusions after will handling in both sides up and down that plastics are worn bar 3 cast polyurethane adiabatic gum respectively, form the polyurethane adiabatic gum cold bridge that connects inside and outside aluminium alloy extrusions, block the heat-conductive bridges between inner aluminium alloy extrusions and the external aluminium alloy profile, form the polyurethane heat insulated shape bar of aluminum alloy.
The beneficial effects of the utility model are:
The problem that the utility model exists at present domestic heat insulated shape bar of aluminum alloy and designing, because the mode of handling that bar combines with cast polyurethane of wearing was poured into a mould in both sides after the utility model adopted aluminium extruded sections to wear bar with polyurethane adhesive, given the high strength bond power of heat-barrier material and alloy matrix aluminum, make the utility model in conjunction with firm, weather resisteant can be good, anticorrosive and heat insulation, sound insulation, water resistance are all good.
Description of drawings
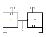
Fig. 1 is the split figure of the alumium alloy door and window of application different colours or pattern.
Wear the bar connection diagram by plastics in the heat insulation draw-in groove of Fig. 2 for interior outer profile.
Fig. 3 is a kind of double-colored heat insulated shape bar of aluminum alloy structural representation of bar-cast combined type of wearing of the utility model.
Among the figure: the inboard aluminium alloy extrusions of 1-; 2-outside aluminium alloy extrusions; The 3-plastics are worn bar; The heat insulation draw-in groove of 4-; 5-upper strata polyurethane adiabatic gum; 6-lower floor polyurethane adiabatic gum.
The specific embodiment
Below in conjunction with accompanying drawing in detail the utility model is described in detail.
Present embodiment is worn bar-cast combined type heat insulated shape bar of aluminum alloy, comprises that inboard aluminium alloy extrusions 1, outside aluminium alloy extrusions 2, plastics wear bar 3, heat insulation draw-in groove 4, upper strata polyurethane adiabatic gum 5 and lower floor's polyurethane adiabatic gum 6; Inboard aluminium alloy extrusions 1 and outside aluminium alloy extrusions 2 are respectively equipped with and form the cast notch between 4, two heat insulation draw-in grooves 4 of a heat insulation draw-in groove; The polyurethane adiabatic gum is made up of upper strata polyurethane adiabatic gum 5 and lower floor's polyurethane adiabatic gum 6; Heat-barrier material in the middle of the interior outer profile is followed successively by lower floor's polyurethane adiabatic gum 6 from the bottom to top, plastics are worn bar 3 and upper strata polyurethane adiabatic gum 5; Wear bar 3 and the polyurethane adiabatic gum links into an integrated entity inboard aluminium alloy extrusions 1 and outside aluminium alloy extrusions 2 by plastics.
The preparation technology of the utility model aluminium alloy extrusions is as follows:
Step 3, cast are handled: the aluminium alloy extrusions after step 2 is handled is distinguished the cast polyurethane adiabatic gum in the both sides up and down that plastics are worn bar 3, obtains wearing bar-cast combined type heat insulated shape bar of aluminum alloy and sees Fig. 3.Form the polyurethane adiabatic gum cold bridge that connects inside and outside aluminium alloy extrusions, block the heat-conductive bridges between inner aluminium alloy extrusions and the external aluminium alloy profile, form polyurethane heat insulated shape bar of aluminum alloy (Fig. 3).Cast polyurethane is handled back section bar good seal performance, and heat insulation, sound insulation, water resistance are good.
Need to prove; above-mentioned explanation and embodiment only are the descriptions that preferred embodiment of the present utility model is carried out; be not that the utility model design and scope are limited; the various modification that the technical solution of the utility model is made, interpolation, conversion, replacement etc. also should belong to protection domain of the present utility model.
Claims (4)
1. wear bar-cast combined type heat insulated shape bar of aluminum alloy for one kind, it is characterized in that: this aluminium alloy extrusions comprises that inboard aluminium alloy extrusions (1), outside aluminium alloy extrusions (2), plastics wear bar (3), heat insulation draw-in groove (4), upper strata polyurethane adiabatic gum (5) and lower floor's polyurethane adiabatic gum (6); Inboard aluminium alloy extrusions (1) and outside aluminium alloy extrusions (2) are respectively equipped with a heat insulation draw-in groove (4), connect plastics between two heat insulation draw-in grooves (4) and wear bar; The polyurethane adiabatic gum is made up of upper strata polyurethane adiabatic gum (5) and lower floor's polyurethane adiabatic gum (6); Heat-barrier material between inboard aluminium alloy extrusions (1) and the outside aluminium alloy extrusions (2) is followed successively by lower floor's polyurethane adiabatic gum (6) from the bottom to top, plastics are worn bar (4) and upper strata polyurethane adiabatic gum (5); Wear bar (3) and the polyurethane adiabatic gum links into an integrated entity inboard aluminium alloy extrusions (1) and outside aluminium alloy extrusions (2) by plastics.
2. bar-cast combined type the heat insulated shape bar of aluminum alloy of wearing according to claim 1 is characterized in that: described inboard aluminium alloy extrusions (1) and outside aluminium alloy extrusions (2) surface are with colored coating or pattern.
3. bar-cast combined type the heat insulated shape bar of aluminum alloy of wearing according to claim 2, it is characterized in that: described colored coating is white coating, red coatings, grey coating, brown coating or blue coating.
4. bar-cast combined type the heat insulated shape bar of aluminum alloy of wearing according to claim 2, it is characterized in that: described colored coating is the surface that is attached to inboard aluminium alloy extrusions and outside aluminium alloy extrusions by electrostatic powder spraying, hot spraying or electrophoresis, and described pattern is the surface that is attached to inboard aluminium alloy extrusions and outside aluminium alloy extrusions by hot transfer printing or air brushing technology.
Priority Applications (1)
| Application Number | Priority Date | Filing Date | Title |
|---|---|---|---|
| CN 201320128056 CN203188812U (en) | 2013-03-20 | 2013-03-20 | Penetrating-bar-pouring combined type heat insulation aluminum alloy section bar |
Applications Claiming Priority (1)
| Application Number | Priority Date | Filing Date | Title |
|---|---|---|---|
| CN 201320128056 CN203188812U (en) | 2013-03-20 | 2013-03-20 | Penetrating-bar-pouring combined type heat insulation aluminum alloy section bar |
Publications (1)
| Publication Number | Publication Date |
|---|---|
| CN203188812U true CN203188812U (en) | 2013-09-11 |
Family
ID=49105678
Family Applications (1)
| Application Number | Title | Priority Date | Filing Date |
|---|---|---|---|
| CN 201320128056 Expired - Fee Related CN203188812U (en) | 2013-03-20 | 2013-03-20 | Penetrating-bar-pouring combined type heat insulation aluminum alloy section bar |
Country Status (1)
| Country | Link |
|---|---|
| CN (1) | CN203188812U (en) |
Cited By (2)
| Publication number | Priority date | Publication date | Assignee | Title |
|---|---|---|---|---|
| CN108756615A (en) * | 2018-07-14 | 2018-11-06 | 武汉宇添星化工材料有限公司 | Single bridge glue-injection heat-insulation aluminium profile structure and heat-insulation aluminum section manufacturing process |
| CN111593999A (en) * | 2020-05-21 | 2020-08-28 | 晋中鑫铭格新材料科技有限公司 | A new type of three-layer composite bonding type energy-saving door and window profile and its production process |
-
2013
- 2013-03-20 CN CN 201320128056 patent/CN203188812U/en not_active Expired - Fee Related
Cited By (2)
| Publication number | Priority date | Publication date | Assignee | Title |
|---|---|---|---|---|
| CN108756615A (en) * | 2018-07-14 | 2018-11-06 | 武汉宇添星化工材料有限公司 | Single bridge glue-injection heat-insulation aluminium profile structure and heat-insulation aluminum section manufacturing process |
| CN111593999A (en) * | 2020-05-21 | 2020-08-28 | 晋中鑫铭格新材料科技有限公司 | A new type of three-layer composite bonding type energy-saving door and window profile and its production process |
Similar Documents
| Publication | Publication Date | Title |
|---|---|---|
| CN103603576A (en) | Insulating broken bridge aluminum alloy profile comprising insulating strips and multiple seals | |
| CN203188812U (en) | Penetrating-bar-pouring combined type heat insulation aluminum alloy section bar | |
| CN201443266U (en) | Through-bridge energy saving and heat insulation window | |
| CN203412475U (en) | Double-wood aluminum door | |
| CN203188789U (en) | Combined type double-color heat insulation aluminum alloy section | |
| CN203188811U (en) | High-heat-resistance double-color heat insulation aluminum alloy section | |
| CN203175278U (en) | Seal type penetrating strip thermal-insulation aluminium alloy section | |
| CN203129854U (en) | Polyurethane casting double-color double-pattern-type and thermal insulating aluminium alloy section | |
| CN203129855U (en) | Novel energy-saving two-tone heat insulation aluminium alloy section | |
| CN104212275B (en) | Waterborne thermal-insulation coating system for building with double-layer structure | |
| CN201857863U (en) | Outswinging casement broken-bridge aluminum alloy window | |
| CN206299284U (en) | A kind of swinging-in casement section bar | |
| CN208330039U (en) | A kind of heat-insulated electrophoretic coating down-sliding aluminum profile of sealing | |
| CN201212326Y (en) | Broken Bridge Aluminum Alloy Profile Using Low Emissivity Cavity Treatment Method | |
| CN204663285U (en) | A kind of Novel photovoltaic sash combination section bar | |
| CN205382829U (en) | Novel flat -open window casement aluminum profile struction | |
| CN203145767U (en) | Steel lining cold-separating structure for metal door | |
| CN203925122U (en) | The plastic door-window section bar of a kind of aluminium | |
| CN103835622B (en) | Aluminium wood compound door and window modelled after an antique | |
| CN203655021U (en) | Heat insulation broken bridge aluminum alloy profile with heat insulation strips and multiple seals | |
| CN202467503U (en) | In-swinging casement aluminum profile for aluminum doors and windows | |
| CN203462913U (en) | Double-wood aluminum window | |
| CN201874405U (en) | Aluminium alloy sliding window of broken bridge | |
| CN202417201U (en) | Aluminum-wood composite lifting and sliding door | |
| CN204850890U (en) | Auxiliary frame for doors and window moulds co - extruded profiles with energy -conserving shaped steel |
Legal Events
| Date | Code | Title | Description |
|---|---|---|---|
| C14 | Grant of patent or utility model | ||
| GR01 | Patent grant | ||
| CF01 | Termination of patent right due to non-payment of annual fee | ||
| CF01 | Termination of patent right due to non-payment of annual fee |
Granted publication date: 20130911 Termination date: 20210320 |