CN203164332U - Transformer DC magnetic bias characteristic testing apparatus - Google Patents
Transformer DC magnetic bias characteristic testing apparatus Download PDFInfo
- Publication number
- CN203164332U CN203164332U CN 201320141617 CN201320141617U CN203164332U CN 203164332 U CN203164332 U CN 203164332U CN 201320141617 CN201320141617 CN 201320141617 CN 201320141617 U CN201320141617 U CN 201320141617U CN 203164332 U CN203164332 U CN 203164332U
- Authority
- CN
- China
- Prior art keywords
- transformer
- test
- magnetic bias
- bias characteristic
- power supply
- Prior art date
- Legal status (The legal status is an assumption and is not a legal conclusion. Google has not performed a legal analysis and makes no representation as to the accuracy of the status listed.)
- Expired - Lifetime
Links
Landscapes
- Testing Electric Properties And Detecting Electric Faults (AREA)
Abstract
本实用新型涉及一种变压器直流偏磁特性试验装置,包括交流电源、中间变压器、试验变压器、信号采集组件、直流电源、试验工控机和试验负载,所述的交流电源、中间变压器、试验变压器、试验负载依次连接,所述的直流电源连接在试验变压器和试验负载之间,所述的信号采集组件与试验变压器连接,所述的试验工控机与信号采集组件连接。与现有技术相比,本实用新型具有准确性高、操作灵活等优点。
The utility model relates to a transformer DC bias characteristic test device, comprising an AC power supply, an intermediate transformer, a test transformer, a signal acquisition component, a DC power supply, a test industrial computer and a test load. The AC power supply, the intermediate transformer, the test transformer, The test loads are connected in sequence, the DC power supply is connected between the test transformer and the test load, the signal acquisition component is connected to the test transformer, and the test industrial computer is connected to the signal acquisition component. Compared with the prior art, the utility model has the advantages of high accuracy, flexible operation and the like.
Description
技术领域technical field
本实用新型涉及一种变压器测试装置,尤其是涉及一种变压器直流偏磁特性试验装置。The utility model relates to a testing device for a transformer, in particular to a testing device for the DC bias magnetic characteristic of a transformer.
背景技术Background technique
太阳磁暴、直流输电、冶金和轨道交通等引起的地电位变化,经输电线路、线圈类设备绕组接地点构成直流回路,使得变压器、互感器等出现直流偏磁现象,造成运行设备噪声增大、振动加剧和局部过热等问题,并使电网谐波增大、损耗增加,对电网运行构成不利影响。Ground potential changes caused by solar magnetic storms, DC transmission, metallurgy and rail transit, etc., form a DC circuit through the grounding points of transmission lines and coil equipment windings, causing DC bias phenomena in transformers, transformers, etc., resulting in increased noise in operating equipment, Vibration intensifies and local overheating and other problems will increase the harmonics and losses of the power grid, which will adversely affect the operation of the power grid.
现有的电力变压器虽然具有一定的耐受直流偏磁的能力,但是对电力变压器在流经规定值的直流电流的情况下的耐受直流偏磁的能力并没有相应的检验装置,因此现有的电力变压器无法完成出厂前的耐受直流偏磁能力的检验,而未经检验的电力变压器在出厂后进入实际工作中时可能会因为耐受直流偏磁能力不足而导致设备故障。Although the existing power transformers have a certain ability to withstand DC bias, there is no corresponding inspection device for the ability of the power transformer to withstand DC bias when a specified value of DC current flows. Therefore, the existing The untested power transformers cannot complete the inspection of the ability to withstand DC bias before leaving the factory, and the power transformers that have not been inspected may cause equipment failure due to insufficient ability to withstand DC bias when they are put into actual work after leaving the factory.
发明内容Contents of the invention
本实用新型的目的就是为了克服上述现有技术存在的缺陷而提供一种准确性高、操作灵活的变压器直流偏磁特性试验装置。The purpose of this utility model is to provide a transformer DC bias magnetic characteristic test device with high accuracy and flexible operation in order to overcome the above-mentioned defects in the prior art.
本实用新型的目的可以通过以下技术方案来实现:The purpose of this utility model can be achieved through the following technical solutions:
一种变压器直流偏磁特性试验装置,包括交流电源、中间变压器、试验变压器、信号采集组件、直流电源、试验工控机和试验负载,所述的交流电源、中间变压器、试验变压器、试验负载依次连接,所述的直流电源连接在试验变压器和试验负载之间,所述的信号采集组件与试验变压器连接,所述的试验工控机与信号采集组件连接。A test device for DC bias magnetic characteristics of a transformer, including an AC power supply, an intermediate transformer, a test transformer, a signal acquisition component, a DC power supply, a test industrial computer, and a test load, and the AC power supply, the intermediate transformer, the test transformer, and the test load are connected in sequence , the DC power supply is connected between the test transformer and the test load, the signal collection component is connected to the test transformer, and the test industrial computer is connected to the signal collection component.
所述的信号采集组件包括振动传感器、光纤测温器和感应线圈。The signal collection component includes a vibration sensor, an optical fiber temperature detector and an induction coil.
所述的试验变压器包括绕组、铁芯和箱壁,所述的振动传感器设在绕组上,所述的光纤测温器设在铁芯上,所述的感应线圈设在箱壁上。The test transformer includes a winding, an iron core and a box wall, the vibration sensor is arranged on the winding, the optical fiber temperature detector is arranged on the iron core, and the induction coil is arranged on the box wall.
所述的直流电源包括相连接的电源电路和可调电阻,该直流电源连接在试验变压器二次侧与试验负载的中性点间。The DC power supply includes a connected power supply circuit and an adjustable resistor, and the DC power supply is connected between the secondary side of the test transformer and the neutral point of the test load.
所述的试验负载为并联电抗器。The test load is a shunt reactor.
与现有技术相比,本实用新型通过在试验变压器绕组、铁芯及箱壁上放置振动传感器、光纤测温器和感应线圈来分析直流偏磁时变压器的振动特性、温度场和漏磁场分布特性,从而获得试验变压器的直流偏磁特性,具有测量准确性高、操作灵活等优点。Compared with the prior art, the utility model analyzes the vibration characteristics, temperature field and leakage magnetic field distribution of the transformer during DC bias by placing vibration sensors, optical fiber temperature detectors and induction coils on the test transformer winding, iron core and box wall characteristics, so as to obtain the DC bias characteristics of the test transformer, which has the advantages of high measurement accuracy and flexible operation.
附图说明Description of drawings
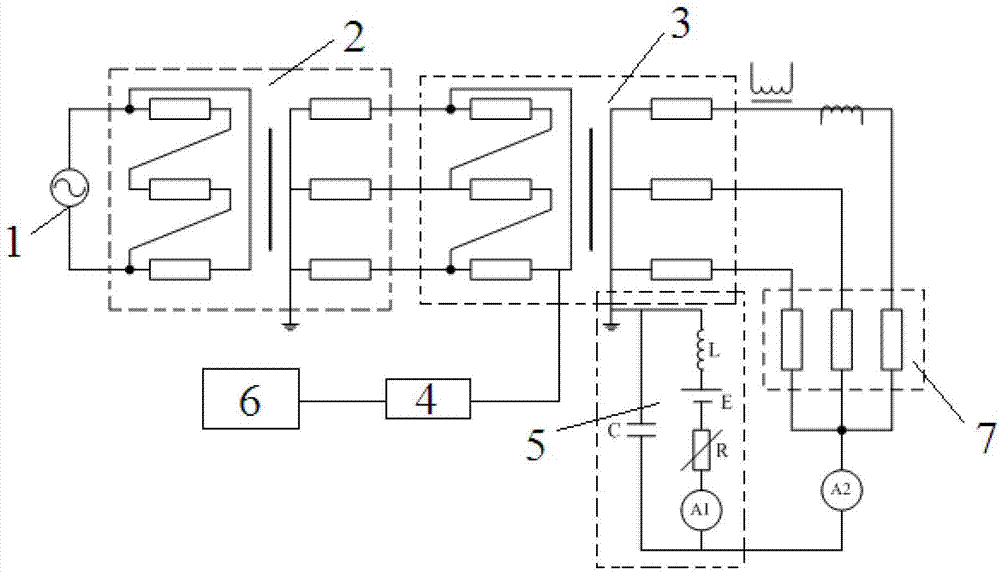
图1为本实用新型的结构示意图。Fig. 1 is the structural representation of the utility model.
具体实施方式Detailed ways
下面结合附图和具体实施例对本实用新型进行详细说明。本实施例以本实用新型技术方案为前提进行实施,给出了详细的实施方式和具体的操作过程,但本实用新型的保护范围不限于下述的实施例。The utility model will be described in detail below in conjunction with the accompanying drawings and specific embodiments. This embodiment is carried out on the premise of the technical solution of the utility model, and the detailed implementation and specific operation process are given, but the protection scope of the utility model is not limited to the following examples.
如图1所示,一种变压器直流偏磁特性试验装置,包括交流电源1、中间变压器2、试验变压器3、信号采集组件4、直流电源5、试验工控机6和试验负载7,所述的交流电源1、中间变压器2、试验变压器3、试验负载7依次连接,所述的直流电源5连接在试验变压器3和试验负载7之间,所述的信号采集组件4与试验变压器3连接,所述的试验工控机6与信号采集组件4连接。所述的试验负载7为并联电抗器。As shown in Figure 1, a transformer DC bias characteristic test device, including AC power supply 1, intermediate transformer 2, test transformer 3, signal acquisition component 4, DC power supply 5, test industrial computer 6 and test load 7, the described The AC power supply 1, the intermediate transformer 2, the test transformer 3, and the test load 7 are connected in sequence, the DC power supply 5 is connected between the test transformer 3 and the test load 7, and the signal acquisition component 4 is connected with the test transformer 3, and the The test industrial computer 6 described above is connected with the signal acquisition component 4. The test load 7 is a shunt reactor.
所述的信号采集组件包括振动传感器、光纤测温器和感应线圈,振动传感器设在试验变压器的绕组上,光纤测温器设在铁芯上,感应线圈设在箱壁上。振动传感器、光纤测温器和感应线圈分别采集试验变压器的振动信号、温度信号和电磁信号,并将信号传输给试验工控机6,试验工控机6分析直流偏磁时变压器的振动特性、温度场和漏磁场分布特性,从而获得试验变压器的直流偏磁特性,并显示在试验工控机上。The signal acquisition component includes a vibration sensor, an optical fiber temperature detector and an induction coil. The vibration sensor is arranged on the winding of the test transformer, the optical fiber temperature detector is arranged on the iron core, and the induction coil is arranged on the box wall. The vibration sensor, optical fiber temperature detector and induction coil respectively collect the vibration signal, temperature signal and electromagnetic signal of the test transformer, and transmit the signal to the test industrial computer 6, and the test industrial computer 6 analyzes the vibration characteristics and temperature field of the transformer during DC bias And leakage magnetic field distribution characteristics, so as to obtain the DC bias magnetic characteristics of the test transformer, and display it on the test industrial computer.
所述的直流电源5包括相连接的电源电路和可调电阻R,电源电路由蓄电池E、电容C和电感L组成。该直流电源5连接在试验变压器3二次侧与试验负载7的中性点间,直流电流通过试验变压器二次侧和并联电抗器的中性点之间的回路注入试验变压器,可通过改变可调电阻R改变注入的直流分量的大小。图中A1、A2为电流表。The DC power supply 5 includes a connected power circuit and an adjustable resistor R, and the power circuit is composed of a storage battery E, a capacitor C and an inductance L. The DC power supply 5 is connected between the secondary side of the test transformer 3 and the neutral point of the test load 7, and the DC current is injected into the test transformer through the loop between the secondary side of the test transformer and the neutral point of the shunt reactor. Adjust the resistor R to change the size of the injected DC component. A1 and A2 in the figure are ammeters.
Claims (5)
Priority Applications (1)
| Application Number | Priority Date | Filing Date | Title |
|---|---|---|---|
| CN 201320141617 CN203164332U (en) | 2013-03-26 | 2013-03-26 | Transformer DC magnetic bias characteristic testing apparatus |
Applications Claiming Priority (1)
| Application Number | Priority Date | Filing Date | Title |
|---|---|---|---|
| CN 201320141617 CN203164332U (en) | 2013-03-26 | 2013-03-26 | Transformer DC magnetic bias characteristic testing apparatus |
Publications (1)
| Publication Number | Publication Date |
|---|---|
| CN203164332U true CN203164332U (en) | 2013-08-28 |
Family
ID=49025509
Family Applications (1)
| Application Number | Title | Priority Date | Filing Date |
|---|---|---|---|
| CN 201320141617 Expired - Lifetime CN203164332U (en) | 2013-03-26 | 2013-03-26 | Transformer DC magnetic bias characteristic testing apparatus |
Country Status (1)
| Country | Link |
|---|---|
| CN (1) | CN203164332U (en) |
Cited By (7)
| Publication number | Priority date | Publication date | Assignee | Title |
|---|---|---|---|---|
| CN104237836A (en) * | 2014-09-05 | 2014-12-24 | 北京铁道工程机电技术研究所有限公司 | Direct-current bias magnetic performance test device for voltage mutual inductor |
| CN104330662A (en) * | 2014-10-23 | 2015-02-04 | 中国南方电网有限责任公司电网技术研究中心 | Testing device and testing method for direct-current magnetic bias of converter transformer |
| CN105450007A (en) * | 2015-12-09 | 2016-03-30 | 中国电力科学研究院 | A power supply for transformer DC bias test |
| CN106019050A (en) * | 2016-05-24 | 2016-10-12 | 山东达驰电气有限公司 | Test circuit and method under DC bias effect of transformers |
| CN107561377A (en) * | 2016-06-30 | 2018-01-09 | 广州西门子变压器有限公司 | The detection method of D.C. magnetic biasing in transformer |
| CN107870270A (en) * | 2016-09-27 | 2018-04-03 | 广州西门子变压器有限公司 | Transformer DC Bias Test Equipment |
| CN113447734A (en) * | 2020-03-25 | 2021-09-28 | 许继集团有限公司 | DC magnetic bias injection test device |
-
2013
- 2013-03-26 CN CN 201320141617 patent/CN203164332U/en not_active Expired - Lifetime
Cited By (10)
| Publication number | Priority date | Publication date | Assignee | Title |
|---|---|---|---|---|
| CN104237836A (en) * | 2014-09-05 | 2014-12-24 | 北京铁道工程机电技术研究所有限公司 | Direct-current bias magnetic performance test device for voltage mutual inductor |
| CN104330662A (en) * | 2014-10-23 | 2015-02-04 | 中国南方电网有限责任公司电网技术研究中心 | Testing device and testing method for direct-current magnetic bias of converter transformer |
| CN104330662B (en) * | 2014-10-23 | 2018-03-23 | 中国南方电网有限责任公司电网技术研究中心 | The experimental rig and method of a kind of converter transformer DC magnetic bias |
| CN105450007A (en) * | 2015-12-09 | 2016-03-30 | 中国电力科学研究院 | A power supply for transformer DC bias test |
| CN106019050A (en) * | 2016-05-24 | 2016-10-12 | 山东达驰电气有限公司 | Test circuit and method under DC bias effect of transformers |
| CN107561377A (en) * | 2016-06-30 | 2018-01-09 | 广州西门子变压器有限公司 | The detection method of D.C. magnetic biasing in transformer |
| CN107870270A (en) * | 2016-09-27 | 2018-04-03 | 广州西门子变压器有限公司 | Transformer DC Bias Test Equipment |
| CN107870270B (en) * | 2016-09-27 | 2023-06-13 | 广州西门子能源变压器有限公司 | DC magnetic bias test equipment for transformer |
| CN113447734A (en) * | 2020-03-25 | 2021-09-28 | 许继集团有限公司 | DC magnetic bias injection test device |
| CN113447734B (en) * | 2020-03-25 | 2024-04-12 | 许继集团有限公司 | DC magnetic bias current injection test device |
Similar Documents
| Publication | Publication Date | Title |
|---|---|---|
| CN203164332U (en) | Transformer DC magnetic bias characteristic testing apparatus | |
| CN106771477B (en) | Large-caliber and high-sensitivity HVDC cable leakage current detection sensor | |
| CN102721897B (en) | Diagnosis method of turn-to-turn short circuit fault of power transformer winding | |
| CN102841258B (en) | Measuring device and method for direct current supply output impedance | |
| CN104748838B (en) | Transformer Winding based on finite element analysis, which loosens, judges system and method | |
| CN107478949A (en) | A kind of deformation of transformer winding inline diagnosis method and system | |
| CN104597425B (en) | A live test platform for GIS electronic transformers | |
| CN204214962U (en) | A kind of charger common-mode noise test circuit and proving installation | |
| CN106526287A (en) | Zero-flux micro-current sensor used for leakage current detection | |
| CN207181589U (en) | It is a kind of to be used for the device being monitored powered to deformation of transformer winding | |
| CN107390081A (en) | It is a kind of to be used for the device and method being monitored powered to deformation of transformer winding | |
| CN102411135A (en) | Device and method for testing electrical fast transient/burst (EFT/B) immunity of electric energy meter | |
| CN202735463U (en) | Power transformer winding interturn short circuit fault diagnosis system | |
| CN105334375A (en) | PT-CT combined device capable of being installed in charged mode | |
| CN102520382A (en) | Method for detecting half-wave current transformation error of current transformer | |
| CN203502481U (en) | Single-magnetic-ring four-coil DC current detection device | |
| CN104142487B (en) | Electrified detecting device for tank type capacitor voltage transformer | |
| CN108872763A (en) | A kind of earth detector and electrical leakage detecting method | |
| CN115711736A (en) | Method and device for detecting equipment state, electronic equipment and storage medium | |
| CN103941146B (en) | A kind of apparatus and method detecting and distinguish each Secondary Winding accuracy rating of 10kV current transformer that do not have a power failure | |
| CN203025253U (en) | Capacitive equipment dielectric loss energized testing device | |
| CN201188127Y (en) | Circuit device for accuracy test of photoelectric current transformers for measurement | |
| CN103558450B (en) | Three mutual inductor on-Line Monitor Device of apparatus for fixing transformer ground current | |
| CN104111027B (en) | Lissajous figure analytical method based transformer power frequency signal sensor system | |
| CN106324378A (en) | Judgment method of direct-current magnetic bias in 110kV three-phase five-column autotransformer |
Legal Events
| Date | Code | Title | Description |
|---|---|---|---|
| C14 | Grant of patent or utility model | ||
| GR01 | Patent grant | ||
| CX01 | Expiry of patent term | ||
| CX01 | Expiry of patent term |
Granted publication date: 20130828 |
