CN203104383U - 用于音频近场支付的高q质带通滤波器 - Google Patents
用于音频近场支付的高q质带通滤波器 Download PDFInfo
- Publication number
- CN203104383U CN203104383U CN 201320062406 CN201320062406U CN203104383U CN 203104383 U CN203104383 U CN 203104383U CN 201320062406 CN201320062406 CN 201320062406 CN 201320062406 U CN201320062406 U CN 201320062406U CN 203104383 U CN203104383 U CN 203104383U
- Authority
- CN
- China
- Prior art keywords
- resistance
- amplifier
- resistor
- pass filter
- band pass
- Prior art date
- Legal status (The legal status is an assumption and is not a legal conclusion. Google has not performed a legal analysis and makes no representation as to the accuracy of the status listed.)
- Expired - Fee Related
Links
- 239000003990 capacitor Substances 0.000 abstract description 18
- 238000005516 engineering process Methods 0.000 description 5
- 238000010586 diagram Methods 0.000 description 4
- 230000003321 amplification Effects 0.000 description 1
- 230000009286 beneficial effect Effects 0.000 description 1
- 230000005540 biological transmission Effects 0.000 description 1
- 230000003139 buffering effect Effects 0.000 description 1
- 238000004891 communication Methods 0.000 description 1
- 238000007599 discharging Methods 0.000 description 1
- 230000005764 inhibitory process Effects 0.000 description 1
- 238000000034 method Methods 0.000 description 1
- 238000003199 nucleic acid amplification method Methods 0.000 description 1
- 230000005236 sound signal Effects 0.000 description 1
Images
Landscapes
- Amplifiers (AREA)
Abstract
本实用新型公开了一种用于音频近场支付的高Q质带通滤波器,包括第一放大器、第二放大器、第一电阻、第二电阻、第三电阻、第四电阻、第五电阻、第六电阻、第七电阻、第一电容、第二电容和第三电容,其中,第一放大器、第一电阻、第二电阻、第三电阻、第一电容和第二电容共同组成第一级普通滤波器其Q值较低;第二放大器、第六电阻、第七电阻和第三电容共同组成第二级反相器,将信号放大数倍,提高整个电路的Q值;第五电阻为反馈电阻,将第二级的部分正反馈引入第一级,所以本实用新型的带通滤波器具有较好的选频特性。本实用新型通过提高电路Q值,使其带宽较窄且选频特性好,并具有较好的抗干扰能力。
Description
技术领域
本实用新型涉及一种带通滤波器,尤其涉及一种用于音频近场支付的高Q质带通滤波器。
背景技术
音频近场支付技术是本申请人提出并申请专利的一种利用近距离音频传输信息以完成支付功能的技术,其利用手机等常规设备自带的音频收发装置实现支付,具有支付快捷、易实施、易普及的优点。音频近场支付技术中,在音频的收、发过程中都需用到带通滤波器,传统的带通滤波器虽然具有不用电感、体积小、重量轻、集成运放的开环电压增益和输入阻抗均很高,输出阻抗又低,构成有源滤波电路后还具有一定的电压放大和缓冲作用等优点,但是因其Q值(即品质因素)无法做的很大,也就导致其通频带宽度无法做的很窄,造成了该滤波器对频率的选择性不是很好,对干扰信号的抑制能力也不是很强。
发明内容
本实用新型的目的就在于为了解决上述问题而提供一种用于音频近场支付的高Q质带通滤波器。
本实用新型通过以下技术方案来实现上述目的:
本实用新型所述用于音频近场支付的高Q质带通滤波器,包括第一放大器、第二放大器、第一电阻、第二电阻、第三电阻、第四电阻、第五电阻、第六电阻、第七电阻、第一电容、第二电容和第三电容,所述第一电阻的第一端分别与所述第二电阻的第一端、所述第五电阻的第二端、所述第一电容的第一端和所述第二电容的第一端连接,所述第二电容的第二端分别与所述第三电阻的第一端和所述第一放大器的负极输入端连接,所述第一电容的第二端分别与所述第三电阻的第二端、所述第一放大器的输出端和所述第四电阻的第一端连接,所述第四电阻的第二端分别与所述第二放大器的负极输入端、所述第六电阻的第一端和所述第三电容的第一端连接,所述第二放大器的正极输入端与所述第七电阻的第一端连接,所述第二放大器的输出端分别与所述第五电阻的第二端、所述第六电阻的第二端和所述第三电容的第二端连接,所述第二电阻的第二端、所述第一放大器的正极输入端和所述第七电阻的第二端相互连接;所述第一电阻的第二端为所述带通滤波器的正极输入端,所述第二放大器的输出端为所述带通滤波器的正极输出端,所述第一放大器的正极输入端同时为所述带通滤波器的负极输入端和负极输出端。
作为优选,所述第一放大器和所述第二放大器均为高输入阻抗型集成运算放大器。
本实用新型的有益效果在于:
本实用新型的第一放大器、第一电阻、第二电阻、第三电阻、第一电容和第二电容共同组成第一级普通滤波器,其Q值较低;第二放大器、第六电阻、第七电阻和第三电容共同组成第二级反相器,将信号放大数倍,提高整个电路的Q值;第五电阻为反馈电阻,将第二级的部分正反馈引入第一级,所以本实用新型的带通滤波器具有较好的选频特性。本实用新型通过提高电路Q值,使其带宽较窄且选频特性好,并具有较好的抗干扰能力。
附图说明
图1是本实用新型所述高Q质带通滤波器的电路图;
图2是本实用新型中音频近场支付系统的系统结构框图;
图3是本实用新型中音频近场支付系统的音频发送器的电路结构框图;
图4是本实用新型中音频近场支付系统的音频接收器的电路结构框图。
具体实施方式
下面结合附图对本实用新型作进一步说明:
如图2、图3和图4所示,音频近场支付技术中的音频近场支付系统包括多个(图2中示出了4个)能够相互通过声音通讯的音频终端,该音频终端可以是手机等移动终端,也可以是支付平台等固定终端。每个音频终端都包括音频发送器和音频接收器,音频发送器包括依次串联的卷积码编码器、调制器、带通滤波器、D/A转换电路、功放器和扬声器,卷积码编码器的输入端输入应用数字数据信号,扬声器输出声音信号用于作为近场支付的信息介质;音频接收器包括依次串联的麦克风、A / D转换电路、带通滤波器、解调器、低通滤波器和卷积码解码器,麦克风的输入端输入由扬声器传输过来的声音信号,卷积码解码器的输出端输出应用数字数据信号。
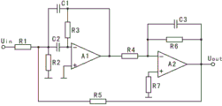
如图1所示,上述带通滤波器包括第一放大器A1、第二放大器A2、第一电阻R1、第二电阻R2、第三电阻R3、第四电阻R4、第五电阻R5、第六电阻R6、第七电阻R7、第一电容C1、第二电容C2和第三电容C3,第一电阻R1的第一端分别与第二电阻R2的第一端、第五电阻R5的第二端、第一电容C1的第一端和第二电容C2的第一端连接,第二电容C2的第二端分别与第三电阻R3的第一端和第一放大器A1的负极输入端连接,第一电容C1的第二端分别与第三电阻R3的第二端、第一放大器A1的输出端和第四电阻R4的第一端连接,第四电阻R4的第二端分别与第二放大器A2的负极输入端、第六电阻R6的第一端和第三电容C3的第一端连接,第二放大器A2的正极输入端与第七电阻R7的第一端连接,第二放大器A2的输出端分别与第五电阻R5的第二端、第六电阻R6的第二端和第三电容C3的第二端连接,第二电阻R2的第二端、第一放大器A1的正极输入端和第七电阻R7的第二端相互连接;第一电阻R1的第二端为所述带通滤波器的正极输入端,第二放大器A2的输出端为所述带通滤波器的正极输出端,第一放大器A1的正极输入端同时为所述带通滤波器的负极输入端和负极输出端;图中第一电阻R1的第二端和第一放大器A1的正极输入端组成所述带通滤波器的输入端Uin,第二放大器A2的输出端和第一放大器A1的正极输入端组成所述带通滤波器的输出端Uout,图中的输入端Uin和输出端Uout均标注在正极。上述第一放大器A1和第二放大器A2均为高输入阻抗型集成运算放大器。
如图1所示,第一放大器A1、第一电阻R1、第二电阻R2、第三电阻R3、第一电容C1和第二电容C2共同组成第一级普通滤波器,其Q值较低;第二放大器A2、第六电阻R6、第七电阻R7和第三电容C3共同组成第二级反相器,将信号放大数倍,提高整个电路的Q值;第五电阻R5为反馈电阻,将第二级的部分正反馈引入第一级,所以本实用新型的带通滤波器具有较好的选频特性和抗干扰能力。
Claims (2)
1.一种用于音频近场支付的高Q质带通滤波器,其特征在于:包括第一放大器、第二放大器、第一电阻、第二电阻、第三电阻、第四电阻、第五电阻、第六电阻、第七电阻、第一电容、第二电容和第三电容,所述第一电阻的第一端分别与所述第二电阻的第一端、所述第五电阻的第二端、所述第一电容的第一端和所述第二电容的第一端连接,所述第二电容的第二端分别与所述第三电阻的第一端和所述第一放大器的负极输入端连接,所述第一电容的第二端分别与所述第三电阻的第二端、所述第一放大器的输出端和所述第四电阻的第一端连接,所述第四电阻的第二端分别与所述第二放大器的负极输入端、所述第六电阻的第一端和所述第三电容的第一端连接,所述第二放大器的正极输入端与所述第七电阻的第一端连接,所述第二放大器的输出端分别与所述第五电阻的第二端、所述第六电阻的第二端和所述第三电容的第二端连接,所述第二电阻的第二端、所述第一放大器的正极输入端和所述第七电阻的第二端相互连接;所述第一电阻的第二端为所述带通滤波器的正极输入端,所述第二放大器的输出端为所述带通滤波器的正极输出端,所述第一放大器的正极输入端同时为所述带通滤波器的负极输入端和负极输出端。
2.根据权利要求1所述的用于音频近场支付的高Q质带通滤波器,其特征在于:所述第一放大器和所述第二放大器均为高输入阻抗型集成运算放大器。
Priority Applications (1)
| Application Number | Priority Date | Filing Date | Title |
|---|---|---|---|
| CN 201320062406 CN203104383U (zh) | 2013-02-04 | 2013-02-04 | 用于音频近场支付的高q质带通滤波器 |
Applications Claiming Priority (1)
| Application Number | Priority Date | Filing Date | Title |
|---|---|---|---|
| CN 201320062406 CN203104383U (zh) | 2013-02-04 | 2013-02-04 | 用于音频近场支付的高q质带通滤波器 |
Publications (1)
| Publication Number | Publication Date |
|---|---|
| CN203104383U true CN203104383U (zh) | 2013-07-31 |
Family
ID=48855757
Family Applications (1)
| Application Number | Title | Priority Date | Filing Date |
|---|---|---|---|
| CN 201320062406 Expired - Fee Related CN203104383U (zh) | 2013-02-04 | 2013-02-04 | 用于音频近场支付的高q质带通滤波器 |
Country Status (1)
| Country | Link |
|---|---|
| CN (1) | CN203104383U (zh) |
Cited By (3)
| Publication number | Priority date | Publication date | Assignee | Title |
|---|---|---|---|---|
| CN103973252A (zh) * | 2013-02-04 | 2014-08-06 | 成都摩宝网络科技有限公司 | 用于音频近场支付的高q质带通滤波器 |
| CN107579722A (zh) * | 2017-09-15 | 2018-01-12 | 新乡学院 | 一种电子通信滤波器 |
| CN110381412A (zh) * | 2019-06-06 | 2019-10-25 | 深圳康佳电子科技有限公司 | 一种实现指向性发声的装置、方法及电子设备 |
-
2013
- 2013-02-04 CN CN 201320062406 patent/CN203104383U/zh not_active Expired - Fee Related
Cited By (3)
| Publication number | Priority date | Publication date | Assignee | Title |
|---|---|---|---|---|
| CN103973252A (zh) * | 2013-02-04 | 2014-08-06 | 成都摩宝网络科技有限公司 | 用于音频近场支付的高q质带通滤波器 |
| CN107579722A (zh) * | 2017-09-15 | 2018-01-12 | 新乡学院 | 一种电子通信滤波器 |
| CN110381412A (zh) * | 2019-06-06 | 2019-10-25 | 深圳康佳电子科技有限公司 | 一种实现指向性发声的装置、方法及电子设备 |
Similar Documents
| Publication | Publication Date | Title |
|---|---|---|
| CN107395145B (zh) | 放大器 | |
| CN102932704A (zh) | 音频发射芯片、音频接收芯片和无线麦克风系统 | |
| CN203104383U (zh) | 用于音频近场支付的高q质带通滤波器 | |
| JP5397307B2 (ja) | 高周波電力増幅器 | |
| CN115833768A (zh) | 电压合成式Doherty功率放大器 | |
| CN105635466A (zh) | 移动通信终端及其音频电路 | |
| US8781139B2 (en) | Speaker system and speaker driving circuit | |
| CN103973252A (zh) | 用于音频近场支付的高q质带通滤波器 | |
| CN202178740U (zh) | 低通滤波器 | |
| CN204206429U (zh) | 音频信号处理系统 | |
| CN203104372U (zh) | 用于音频近场支付的简易二阶带通滤波器 | |
| CN102882610B (zh) | 车载系统及其消除干扰音的方法 | |
| CN105072241A (zh) | 一种对讲系统隔离变压器消侧音电路 | |
| CN204795237U (zh) | 一种对讲系统隔离变压器消侧音电路 | |
| CN203225713U (zh) | 用于音频近场支付的频率可调带通滤波器 | |
| CN102624953A (zh) | 一种消除gsm手机免提电流声的方法及其电路 | |
| CN101964936A (zh) | 用于数字麦克风的处理芯片及其输入电路、数字麦克风 | |
| CN202979266U (zh) | 一种带电池续航能力的蓝牙会议手柄 | |
| CN201252633Y (zh) | 一种耳机 | |
| CN109660211A (zh) | 功率合成和Envelope injection的5G CMOS射频功率放大器 | |
| CN112637438B (zh) | 一种基于单线传输的门禁双端对讲方法和系统 | |
| CN102195576A (zh) | 双模式工作音频放大器 | |
| CN203015067U (zh) | 音频发射芯片、音频接收芯片、便携设备、无线通信系统和无线麦克风系统 | |
| CN216313181U (zh) | 音频录音电路以及无线固话机 | |
| CN205039780U (zh) | 一种带双电源供电的双声道音频放大电路 |
Legal Events
| Date | Code | Title | Description |
|---|---|---|---|
| C14 | Grant of patent or utility model | ||
| GR01 | Patent grant | ||
| C17 | Cessation of patent right | ||
| CF01 | Termination of patent right due to non-payment of annual fee |
Granted publication date: 20130731 Termination date: 20140204 |