CN203102518U - 仓库防火防盗报警装置 - Google Patents

仓库防火防盗报警装置 Download PDF

Info

Publication number
CN203102518U
CN203102518U CN 201220661864 CN201220661864U CN203102518U CN 203102518 U CN203102518 U CN 203102518U CN 201220661864 CN201220661864 CN 201220661864 CN 201220661864 U CN201220661864 U CN 201220661864U CN 203102518 U CN203102518 U CN 203102518U
Authority
CN
China
Prior art keywords
pin
ground connection
resistance
capacitor
power supply
Prior art date
Legal status (The legal status is an assumption and is not a legal conclusion. Google has not performed a legal analysis and makes no representation as to the accuracy of the status listed.)
Expired - Fee Related
Application number
CN 201220661864
Other languages
English (en)
Inventor
安亚刚
卢春艳
孔利利
杜清潭
房康宁
徐溪
周学治
余国军
刘涛涛
郝晨光
Current Assignee (The listed assignees may be inaccurate. Google has not performed a legal analysis and makes no representation or warranty as to the accuracy of the list.)
China University of Mining and Technology Beijing CUMTB
Original Assignee
China University of Mining and Technology Beijing CUMTB
Priority date (The priority date is an assumption and is not a legal conclusion. Google has not performed a legal analysis and makes no representation as to the accuracy of the date listed.)
Filing date
Publication date
Application filed by China University of Mining and Technology Beijing CUMTB filed Critical China University of Mining and Technology Beijing CUMTB
Priority to CN 201220661864 priority Critical patent/CN203102518U/zh
Application granted granted Critical
Publication of CN203102518U publication Critical patent/CN203102518U/zh
Anticipated expiration legal-status Critical
Expired - Fee Related legal-status Critical Current

Links

Images

Landscapes

  • Fire Alarms (AREA)

Abstract

本实用新型涉及一种仓库防火防盗报警装置,该仓库防火防盗报警装置由三部分构成,包括热释电检测模块、烟雾检测模块和报警模块,热释电检测模块主要进行人体检测工作,完成人员入侵检测,热释电检测模块及烟雾检测模块其中的任何一个模块检测到异常都将触发报警模块工作。该仓库防火防盗报警装置不仅电路简单可靠、器件功耗很小,而且价格低廉,使用方便,工作效率较高,有效的保障了仓库的财产安全,具有广泛的实用性。

Description

仓库防火防盗报警装置
技术领域
本实用新型涉及一种热释电及烟雾传感报警装置,尤其是一种仓库防火防盗报警装置。
背景技术
目前,工厂或者公司的仓库多设在宽敞偏僻的地方,人员出入较少,尤其是下班后。因此,仓库发生外部人员进入偷盗的情况屡见不鲜,给工厂及销售商带来重大经济损失。另外,货物本身可能具有的易燃性以及天气等因素也带来了安全隐患,由此酿成的火灾悲剧令人十分痛心。目前,烟雾检测模块中离子感烟探测器、光电感烟探测器等以其技术先进等特点广泛应用于各种消防报警系统中,但是价格较高;现有的一些报警电路采用单片机控制的无线模块实现检测地与主控室的通信,但由于单片机对工作环境要求较高,非常容易受到各种电子设备的电磁干扰,容易出现通信过程中的不可靠问题。
实用新型内容
为了解决现有的报警装置技术上的不足,本实用新型提供一种仓库防火防盗报警装置,该仓库防火防盗报警装置不仅电路简单可靠、器件功耗很小,而且价格低廉,使用方便,工作效率较高,有效的保障了仓库的财产安全,具有广泛的实用性。
本实用新型解决其技术问题所采用的技术方案是:该仓库防火防盗报警装置由三部分构成,包括热释电检测模块、烟雾检测模块和报警模块,热释电检测模块主要进行人体检测工作,具有较高性能的传感信号处理集成电路,完成人员入侵检测,热释电检测模块及烟雾检测模块其中的任何一个模块检测到异常都将触发报警模块工作,蜂鸣器采用高分贝有源报警器,声音响亮,一旦有异常情况将立刻引起值班人员警觉。
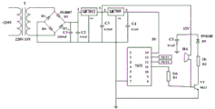
热释电检测模块采用的热释电传感器处理芯片型号为BIS0001,该型号的检测卡共有16个引脚,引脚1与工作选择开关SW1连接,能够使芯片输出连续的检测信号;引脚2与电阻R11连接,为传感器输出端,传感器检测到人员时即输出高电平信号;引脚3、4与电阻R10串连后经电容C6接地,能够调节传感器内部的触发封锁时间;引脚5、6与电阻R9串连后经电容C7接地,能够调节传感器的输出延时时间;引脚7接地;引脚8接5V电源,接地时能够使芯片复位;引脚9通过接电阻R2与电源连接,再经光敏电阻R3接地,用来检测环境照度,若环境较明亮,R3的电阻值会降低,使引脚9的输入低于设定值,从而封锁触发信号,避免热释电传感器处理芯片BIS0001白天产生报警信号,防止仓库工作人员的进出造成误报,夜晚R3阻值升高,使引脚9输入高于设定值则允许触发,使引脚2输出相应的检测信号;引脚10经电阻R4接地;引脚11直接跟5V电源连接,为工作电源正端;引脚12串连接电阻R5、电阻R6、电容C3、电阻R7后,与引脚15连接,引脚15串连接电阻R8、电容C5接地,电容C2与电阻R5并联,电容C4与电阻R7并联,引脚13连接在电阻R5及R6之间,引脚16连接电容C3,引脚12~16为传感器芯片内部耦合放大器的外端结构;引脚14与热释电传感器探头DSG的源极S连接,并通过并联的电阻R1、电容C1接地,引脚14是传感器检测信号输入端,热释电传感器探头DSG漏极D与5V电源相接,门极G接地。烟雾检测模块采用MQ-2型烟雾传感器,该型号的烟雾传感器有6个引脚,引脚1、2、3相连接后与5V电源相接;引脚4与引脚6连接,为传感器检测信号输出端,经接地电阻R1与比较器LM339N的正向输入端相连;滑动变阻器R2一端跟5V电源相接,一端接地,中间抽头与比较器LM339N的负向输入端相接,滑动抽头位于R2中间位置;电阻R3一端与5V电源相接,一端接地;引脚5接地;比较器LM339N的输出即为烟雾传感器的检测信号,比较器LM339N的作用是判断信号,使输出稳定。蜂鸣器报警模块中,二极管D1、D2、D3、D4构成全波桥式整流电路,将交流电压转换为直流电压;变压器一次侧接220V交流电压,二次侧接整流电路,其中二次侧一端接D1阴极,一端接D4阴极,D4阳极接地;稳压芯片LM7812的引脚1接D2阴极,为稳压芯片LM7812输入端,引脚2接地;电解电容C1正极与稳压芯片LM7812的引脚1相接,另一端接地,用于输入信号的低频滤波;C2一端与稳压芯片LM7812的引脚1相接,另一端接地,用于输入信号的高频滤波;稳压芯片LM7812的引脚3输出12V直流电压;稳压芯片LM7805的引脚1接到稳压芯片LM7812的引脚3上,直接由稳压芯片LM7812的输出作为其输入信号,使得电路简单,功耗小;电容C3一端与稳压芯片LM7805的引脚1相接,一端接地,用于信号的滤波;稳压芯片LM7805的引脚2接地,引脚3经过接地电容C4后输出5V直流电压,为本防火防盗报警装置中所有工作电压为5V的装置供电;或门芯片7432共有14个引脚,引脚14接5V电源,引脚7接地,引脚12、13分别接烟雾检测模块的输出端OUT2和热释电检测模块的输出端OUT1,引脚11为此或门的输出端,通过电阻R1接到三极管9013的基极上;通过或门芯片7432的或门功能,热释电检测和烟雾检测两个模块只要一个检测到异常情况就将触发报警;蜂鸣器HA的电源端经接地电容C5接稳压芯片LM7812的引脚3,由12V电压供电,电容C4起过滤信号的作用;蜂鸣器另一端接三极管9013的基极,三极管9013发射极接地,集电极顺次连接R2、二极管D5,二极管D5阴极与12V电源相接,二极管D5起续流的作用,因为蜂鸣器是感性元件,其电流不能突变;三极管9013起开关作用,基极若是高电平则三极管饱和导通,使蜂鸣器发声,若是低电平三极管则截止,蜂鸣器停止发声。
本实用新型的有益效果是,该仓库防火防盗报警装置不仅电路简单可靠、器件功耗很小,而且价格低廉,使用方便,工作效率较高,有效的保障了仓库的财产安全,具有广泛的实用性。
附图说明
下面结合附图和实施例对本实用新型作进一步说明。
图1是本实用新型的热释电检测模块的电路连接示意图。
图2是本实用新型的MQ-2烟雾检测模块的电路连接示意图。
图3是本实用新型的报警模块的电路连接示意图。
具体实施方式
在图中,该仓库防火防盗报警装置由三部分构成,包括热释电检测模块、烟雾检测模块和报警模块,热释电检测模块主要进行人体检测工作,具有较高性能的传感信号处理集成电路,完成人员入侵检测,热释电检测模块及烟雾检测模块其中的任何一个模块检测到异常都将触发报警模块工作,蜂鸣器采用高分贝有源报警器,声音响亮,一旦有异常情况将立刻引起值班人员警觉。
热释电检测模块采用的热释电传感器处理芯片型号为BIS0001,该型号的检测卡共有16个引脚,引脚1与工作选择开关SW1连接,能够使芯片输出连续的检测信号;引脚2与电阻R11连接,为传感器输出端,传感器检测到人员时即输出高电平信号;引脚3、4与电阻R10串连后经电容C6接地,能够调节传感器内部的触发封锁时间;引脚5、6与电阻R9串连后经电容C7接地,能够调节传感器的输出延时时间;引脚7接地;引脚8接5V电源,接地时能够使芯片复位;引脚9通过接电阻R2与电源连接,再经光敏电阻R3接地,用来检测环境照度,若环境较明亮,R3的电阻值会降低,使引脚9的输入低于设定值,从而封锁触发信号,避免热释电传感器处理芯片BIS0001白天产生报警信号,防止仓库工作人员的进出造成误报,夜晚R3阻值升高,使引脚9输入高于设定值则允许触发,使引脚2输出相应的检测信号;引脚10经电阻R4接地;引脚11直接跟5V电源连接,为工作电源正端;引脚12串连接电阻R5、电阻R6、电容C3、电阻R7后,与引脚15连接,引脚15串连接电阻R8、电容C5接地,电容C2与电阻R5并联,电容C4与电阻R7并联,引脚13连接在电阻R5及R6之间,引脚16连接电容C3,引脚12~16为传感器芯片内部耦合放大器的外端结构;引脚14与热释电传感器探头DSG的源极S连接,并通过并联的电阻R1、电容C1接地,引脚14是传感器检测信号输入端,热释电传感器探头DSG漏极D与5V电源相接,门极G接地。
烟雾检测模块采用MQ-2型烟雾传感器,该型号的烟雾传感器有6个引脚,引脚1、2、3相连接后与5V电源相接;引脚4与引脚6连接,为传感器检测信号输出端,经接地电阻R1与比较器LM339N的正向输入端相连;滑动变阻器R2一端跟5V电源相接,一端接地,中间抽头与比较器LM339N的负向输入端相接,滑动抽头位于R2中间位置;电阻R3一端与5V电源相接,一端接地;引脚5接地;比较器LM339N的输出即为烟雾传感器的检测信号,比较器LM339N的作用是判断信号,使输出稳定。
蜂鸣器报警模块中,二极管D1、D2、D3、D4构成全波桥式整流电路,将交流电压转换为直流电压;变压器一次侧接220V交流电压,二次侧接整流电路,其中二次侧一端接D1阴极,一端接D4阴极,D4阳极接地;稳压芯片LM7812的引脚1接D2阴极,为稳压芯片LM7812输入端,引脚2接地;电解电容C1正极与稳压芯片LM7812的引脚1相接,另一端接地,用于输入信号的低频滤波;C2一端与稳压芯片LM7812的引脚1相接,另一端接地,用于输入信号的高频滤波;稳压芯片LM7812的引脚3输出12V直流电压;稳压芯片LM7805的引脚1接到稳压芯片LM7812的引脚3上,直接由稳压芯片LM7812的输出作为其输入信号,使得电路简单,功耗小;电容C3一端与稳压芯片LM7805的引脚1相接,一端接地,用于信号的滤波;稳压芯片LM7805的引脚2接地,引脚3经过接地电容C4后输出5V直流电压,为本防火防盗报警装置中所有工作电压为5V的装置供电;或门芯片7432共有14个引脚,引脚14接5V电源,引脚7接地,引脚12、13分别接烟雾检测模块输出端OUT2和热释电检测模块的输出端OUT1,引脚11为此或门的输出端,通过电阻R1接到三极管9013的基极上;通过或门芯片7432的或门功能,热释电检测和烟雾检测两个模块只要一个检测到异常情况就将触发报警;蜂鸣器HA的电源端经接地电容C5接稳压芯片LM7812的引脚3,由12V电压供电,电容C4起过滤信号的作用;蜂鸣器另一端接三极管9013的基极,三极管9013发射极接地,集电极顺次连接R2、二极管D5,二极管D5阴极与12V电源相接,二极管D5起续流的作用,因为蜂鸣器是感性元件,其电流不能突变;三极管9013起开关作用,基极若是高电平则三极管饱和导通,使蜂鸣器发声,若是低电平三极管则截止,蜂鸣器停止发声。

Claims (3)

1.仓库防火防盗报警装置,包括热释电检测模块、烟雾检测模块和报警模块;其特征是:所述热释电检测模块的热释电传感器处理芯片共有16个引脚,引脚1与工作选择开关SW1连接,引脚2与电阻R11连接,引脚3、4与电阻R10串连后经电容C6接地,引脚5、6与电阻R9串连后经电容C7接地,引脚7接地,引脚8接5V电源,引脚9通过接电阻R2与电源连接,再经光敏电阻R3接地,引脚10经电阻R4接地,引脚11直接跟5V电源连接,引脚12串连接电阻R5、电阻R6、电容C3、电阻R7后,与引脚15连接,引脚15串连接电阻R8、电容C5接地,电容C2与电阻R5并联,电容C4与电阻R7并联,引脚13连接在电阻R5及R6之间,引脚16连接电容C3,引脚14与热释电传感器探头DSG的源极S连接,并通过并联的电阻R1、电容C1接地,热释电传感器探头DSG的漏极D与5V电源相接,门极G接地;烟雾检测模块的烟雾传感器MQ有6个引脚,引脚1、2、3相连接后与5V电源相接,引脚4与引脚6连接,经接地电阻R1与比较器LM339N的正向输入端相连,滑动变阻器R2一端跟5V电源相接,一端接地,中间抽头与比较器LM339N的负向输入端相接,滑动抽头位于R2中间位置,电阻R3一端与5V电源相接,一端接地,引脚5接地;蜂鸣器报警模块中,二极管D1、D2、D3、D4构成全波桥式整流电路,变压器一次侧接220V交流电压,二次侧接整流电路,其中二次侧一端接D1阴极,一端接D4阴极,D4阳极接地,稳压芯片稳压芯片LM7812的引脚1接D2阴极,引脚2接地,电解电容C1正极与稳压芯片LM7812的引脚1相接,另一端接地,C2一端与稳压芯片LM7812的引脚1相接,另一端接地,稳压芯片LM7812的引脚3输出12V直流电压,稳压芯片稳压芯片LM7805的引脚1接到稳压芯片LM7812的引脚3上,电容C3一端与稳压芯片LM7805的引脚1相接,一端接地,稳压芯片LM7805的引脚2接地,引脚3经过接地电容C4后输出5V直流电压,或门芯片7432共有14个引脚,引脚14接5V电源,引脚7接地,引脚12、13分别接烟雾检测模块的输出端OUT2和热释电检测模块的输出端OUT1,引脚11为此或门的输出端,通过电阻R1接到三极管9013的基极上,蜂鸣器HA的电源端经接地电容C5接稳压芯片LM7812的引脚3,蜂鸣器另一端接三极管9013的基极,三极管9013发射极接地,集电极顺次连接电阻R2、二极管D5,二极管D5阴极与12V电源相接。
2.根据权利要求1所述的仓库防火防盗报警装置,其特征在于,所述热释电传感器处理芯片型号为BIS0001。
3.根据权利要求1所述的仓库防火防盗报警装置,其特征在于,所述烟雾传感器的型号为MQ-2。
CN 201220661864 2012-12-05 2012-12-05 仓库防火防盗报警装置 Expired - Fee Related CN203102518U (zh)

Priority Applications (1)

Application Number Priority Date Filing Date Title
CN 201220661864 CN203102518U (zh) 2012-12-05 2012-12-05 仓库防火防盗报警装置

Applications Claiming Priority (1)

Application Number Priority Date Filing Date Title
CN 201220661864 CN203102518U (zh) 2012-12-05 2012-12-05 仓库防火防盗报警装置

Publications (1)

Publication Number Publication Date
CN203102518U true CN203102518U (zh) 2013-07-31

Family

ID=48853903

Family Applications (1)

Application Number Title Priority Date Filing Date
CN 201220661864 Expired - Fee Related CN203102518U (zh) 2012-12-05 2012-12-05 仓库防火防盗报警装置

Country Status (1)

Country Link
CN (1) CN203102518U (zh)

Cited By (2)

* Cited by examiner, † Cited by third party
Publication number Priority date Publication date Assignee Title
CN105513264A (zh) * 2015-11-27 2016-04-20 公安部上海消防研究所 大型物流仓储风险源监控平台
CN107085403A (zh) * 2017-05-19 2017-08-22 蓝思科技(长沙)有限公司 防撞电路及系统

Cited By (3)

* Cited by examiner, † Cited by third party
Publication number Priority date Publication date Assignee Title
CN105513264A (zh) * 2015-11-27 2016-04-20 公安部上海消防研究所 大型物流仓储风险源监控平台
CN107085403A (zh) * 2017-05-19 2017-08-22 蓝思科技(长沙)有限公司 防撞电路及系统
CN107085403B (zh) * 2017-05-19 2019-09-13 蓝思科技(长沙)有限公司 防撞电路及系统

Similar Documents

Publication Publication Date Title
CN203606914U (zh) 一种基于单片机的红外报警器
CN106527263A (zh) 一种太阳能和市电双供电的无线智能监控系统
CN205537980U (zh) 一种红外检测电路
CN204245263U (zh) 基于电场和磁场检测原理的带有报警功能的电力安全帽
CN203102518U (zh) 仓库防火防盗报警装置
CN204480457U (zh) 一种物联网报警系统
CN201845400U (zh) 一种家庭防卫报警装置
CN204288407U (zh) 一种基于单片机控制红外报警系统
CN101546466A (zh) 烟雾感应模块
CN200993661Y (zh) 带电设备声光提醒器
CN203480627U (zh) 一种基于zigbee的双鉴探测报警器
CN106652317A (zh) 一种电子信息智能家居系统
CN201550228U (zh) 一种具有报警功能的可视对讲机
CN205751133U (zh) 一种家庭安全控制装置
CN204360500U (zh) 红外式铁电薄膜声光型警示器
CN103729952A (zh) 一种配电防盗控制器
CN204188701U (zh) 一种配变电线路高压带电报警装置
CN205302059U (zh) 一种智能建筑集成控制管理系统
CN204360499U (zh) 红外探测报警电路
CN203909963U (zh) 计算机防盗报警器
CN202993008U (zh) 一种具有报警功能的太阳能led庭院灯
CN103792434B (zh) 接地电阻监测装置及其监测方法
CN207799849U (zh) 一种物联网智能安防报警系统
CN2373844Y (zh) 双监看家电子狗
CN106297191B (zh) 有限空间内生命安全自动监测及预警系统

Legal Events

Date Code Title Description
C14 Grant of patent or utility model
GR01 Patent grant
C17 Cessation of patent right
CF01 Termination of patent right due to non-payment of annual fee

Granted publication date: 20130731

Termination date: 20131205