CN202876957U - Horizontal centrifuge for separating dregs and seriflux in silk noodle production process - Google Patents
Horizontal centrifuge for separating dregs and seriflux in silk noodle production process Download PDFInfo
- Publication number
- CN202876957U CN202876957U CN 201220545245 CN201220545245U CN202876957U CN 202876957 U CN202876957 U CN 202876957U CN 201220545245 CN201220545245 CN 201220545245 CN 201220545245 U CN201220545245 U CN 201220545245U CN 202876957 U CN202876957 U CN 202876957U
- Authority
- CN
- China
- Prior art keywords
- seriflux
- horizontal centrifuge
- dregs
- cone tank
- conical
- Prior art date
- Legal status (The legal status is an assumption and is not a legal conclusion. Google has not performed a legal analysis and makes no representation as to the accuracy of the status listed.)
- Expired - Fee Related
Links
- 238000004519 manufacturing process Methods 0.000 title claims abstract description 22
- 235000012149 noodles Nutrition 0.000 title abstract 4
- 239000002002 slurry Substances 0.000 claims description 14
- 239000002893 slag Substances 0.000 claims description 13
- 238000005516 engineering process Methods 0.000 claims description 12
- 235000010627 Phaseolus vulgaris Nutrition 0.000 claims description 11
- 244000046052 Phaseolus vulgaris Species 0.000 claims description 11
- 238000000926 separation method Methods 0.000 claims description 9
- 230000005540 biological transmission Effects 0.000 claims description 3
- 239000011440 grout Substances 0.000 claims description 3
- 238000001914 filtration Methods 0.000 abstract description 8
- 238000007599 discharging Methods 0.000 abstract 2
- 238000012423 maintenance Methods 0.000 description 3
- 229920002472 Starch Polymers 0.000 description 2
- 235000019698 starch Nutrition 0.000 description 2
- 239000008107 starch Substances 0.000 description 2
- 230000009286 beneficial effect Effects 0.000 description 1
- 238000010924 continuous production Methods 0.000 description 1
- 239000012535 impurity Substances 0.000 description 1
- 238000009434 installation Methods 0.000 description 1
- 239000007788 liquid Substances 0.000 description 1
- 239000002994 raw material Substances 0.000 description 1
- 239000007787 solid Substances 0.000 description 1
Images
Landscapes
- Centrifugal Separators (AREA)
Abstract
The utility model discloses a horizontal centrifuge for separating dregs and seriflux in a silk noodle production process. The horizontal centrifuge for separating the dregs and the seriflux in the silk noodle production process comprises a rack. A conical barrel is arranged on the rack, the large end of the conical barrel is hinged with a seal cover, a seriflux outlet is arranged on the side wall of the conical barrel, and a dreg discharging port is arranged at the small end of the conical barrel. A feed inlet is arranged on the seal cover, a conical sieve is arranged in the conical barrel, the small end of the conical sieve is communicated with the dreg discharging port, and a rotary shaft is arranged in the conical barrel along the shaft center. A big rotary disc and a small rotary disc are respectively arranged at the position, close to the big end and the small end of the conical barrel, of the rotary shaft. A plurality of agitating rods which incline along the inner wall of the conical sieve are fixedly connected between the big rotary disc and the small rotary disc. A plurality of agitating teeth are distributed on the agitating rods. The horizontal centrifuge for separating the dregs and the seriflux in the silk noodle production process is simple in structure, low in cost, convenient to install and maintain, large in filtering quantity of the dregs and the seriflux, strong in continuous treatment capacity, high in automatic production capacity and capable of effectively improving filtering capacity for the dregs and the seriflux, improving purity of the seriflux, guaranteeing quality of products, and improving production and processing efficiency.
Description
Technical field
The utility model relates to a kind of equipment for separating liquid from solid, is specially slag slurry separation horizontal centrifuge in a kind of bean vermicelli production technology.
Background technology
In the production and processing technology of bean vermicelli owing to contain the impurity such as residue, silt in the starch, need filtering after starch could produce as raw material, to guarantee the quality of product.Existing slag slurry filtering device complex structure, cost is high, and operation maintenance is inconvenient, and filtration yield is less, filters insufficiently, and continuous production capacity is relatively poor, affects production and processing efficient.
The utility model content
The purpose of this utility model provides slag slurry separation horizontal centrifuge in a kind of bean vermicelli production technology, to solve slag slurry filtering device complex structure traditional in the prior art, cost is high, operation maintenance is inconvenient, and filtration yield is less, filter insufficiently, continuously production capacity is relatively poor, affects the problem of production and processing efficient.
For achieving the above object, the technical solution adopted in the utility model is:
Slag slurry separation horizontal centrifuge in a kind of bean vermicelli production technology, include frame, described frame is provided with cone tank, the large end of described cone tank is hinged with seal cover, sidewall is provided with grout outlet, small end is provided with slag-drip opening, described seal cover is provided with charging aperture, it is characterized in that: be provided with that match and that be separated by certain interval conical screen with it in the described cone tank, the small end of described conical screen is communicated with slag-drip opening, be provided with rotating shaft along the axle center in the described cone tank, large at close cone tank respectively in the described rotating shaft, the small end place is installed with greatly, mini-roundabout, described large, be fixedly connected with several between the mini-roundabout along the puddler that the conical screen inwall tilts, be distributed with several stirrer gears on the described puddler.
Horizontal centrifuge is used in the separation of slag slurry in described a kind of bean vermicelli production technology, and it is characterized in that: on the described frame motor is installed, described motor is connected with rotating shaft transmission by differential mechanism.
Horizontal centrifuge is used in the separation of slag slurry in described a kind of bean vermicelli production technology, and it is characterized in that: described cone tank is covered with casing.
The beneficial effects of the utility model are:
The utility model is simple in structure, cost is low, convenient for installation and maintenance, large to the filtration yield of slag slurry, disposal ability is stronger continuously, has higher automated production ability, and adopt several along the puddler design that the conical screen inwall tilts, effectively improved the ability that leaches to residue, silt, improved the purity of slurries, guarantee product quality, promoted production and processing efficient.
Description of drawings
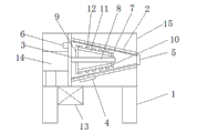
Fig. 1 is structural representation of the present utility model.
The specific embodiment
As shown in Figure 1, slag slurry separation horizontal centrifuge in a kind of bean vermicelli production technology, include frame 1, frame 1 is provided with cone tank 2, the large end of cone tank 2 is hinged with seal cover 3, sidewall is provided with grout outlet 4, small end is provided with slag-drip opening 5, seal cover 3 is provided with charging aperture 6, be provided with that match and that be separated by certain interval conical screen 7 with it in the cone tank 2, the small end of conical screen 7 is communicated with slag-drip opening 5, cone tank 2 is interior to be provided with rotating shaft 8 along the axle center, large at close cone tank 2 respectively in the rotating shaft 8, the small end place is installed with greatly, mini-roundabout 9,10, large, mini-roundabout 9, be fixedly connected with several between 10 along the puddler 11 that conical screen 7 inwalls tilt, be distributed with several stirrer gears 12 on the puddler 11.
Motor 13 is installed on the frame 1, and motor 13 is in transmission connection by differential mechanism 14 and rotating shaft 8.Cone tank 2 is covered with casing 15.
Claims (3)
1. the slag slurry separates and uses horizontal centrifuge in the bean vermicelli production technology, include frame, described frame is provided with cone tank, the large end of described cone tank is hinged with seal cover, sidewall is provided with grout outlet, small end is provided with slag-drip opening, described seal cover is provided with charging aperture, it is characterized in that: be provided with that match and that be separated by certain interval conical screen with it in the described cone tank, the small end of described conical screen is communicated with slag-drip opening, be provided with rotating shaft along the axle center in the described cone tank, large at close cone tank respectively in the described rotating shaft, the small end place is installed with greatly, mini-roundabout, described large, be fixedly connected with several between the mini-roundabout along the puddler that the conical screen inwall tilts, be distributed with several stirrer gears on the described puddler.
2. horizontal centrifuge is used in the separation of slag slurry in a kind of bean vermicelli production technology according to claim 1, and it is characterized in that: on the described frame motor is installed, described motor is connected with rotating shaft transmission by differential mechanism.
3. horizontal centrifuge is used in the separation of slag slurry in a kind of bean vermicelli production technology according to claim 1, and it is characterized in that: described cone tank is covered with casing.
Priority Applications (1)
| Application Number | Priority Date | Filing Date | Title |
|---|---|---|---|
| CN 201220545245 CN202876957U (en) | 2012-10-23 | 2012-10-23 | Horizontal centrifuge for separating dregs and seriflux in silk noodle production process |
Applications Claiming Priority (1)
| Application Number | Priority Date | Filing Date | Title |
|---|---|---|---|
| CN 201220545245 CN202876957U (en) | 2012-10-23 | 2012-10-23 | Horizontal centrifuge for separating dregs and seriflux in silk noodle production process |
Publications (1)
| Publication Number | Publication Date |
|---|---|
| CN202876957U true CN202876957U (en) | 2013-04-17 |
Family
ID=48068423
Family Applications (1)
| Application Number | Title | Priority Date | Filing Date |
|---|---|---|---|
| CN 201220545245 Expired - Fee Related CN202876957U (en) | 2012-10-23 | 2012-10-23 | Horizontal centrifuge for separating dregs and seriflux in silk noodle production process |
Country Status (1)
| Country | Link |
|---|---|
| CN (1) | CN202876957U (en) |
Cited By (2)
| Publication number | Priority date | Publication date | Assignee | Title |
|---|---|---|---|---|
| CN113117570A (en) * | 2021-06-16 | 2021-07-16 | 湖南创瑾科技有限公司 | Horizontal continuous vacuum stirring equipment for processing thermal interface material |
| CN118987827A (en) * | 2024-10-25 | 2024-11-22 | 江苏卓正环保科技有限公司 | Dust filtering treatment device and filtering method |
-
2012
- 2012-10-23 CN CN 201220545245 patent/CN202876957U/en not_active Expired - Fee Related
Cited By (2)
| Publication number | Priority date | Publication date | Assignee | Title |
|---|---|---|---|---|
| CN113117570A (en) * | 2021-06-16 | 2021-07-16 | 湖南创瑾科技有限公司 | Horizontal continuous vacuum stirring equipment for processing thermal interface material |
| CN118987827A (en) * | 2024-10-25 | 2024-11-22 | 江苏卓正环保科技有限公司 | Dust filtering treatment device and filtering method |
Similar Documents
| Publication | Publication Date | Title |
|---|---|---|
| CN210145660U (en) | Multistage filtering device | |
| CN205850403U (en) | A kind of filtration system | |
| CN202876957U (en) | Horizontal centrifuge for separating dregs and seriflux in silk noodle production process | |
| CN206762408U (en) | A kind of multistage equipment for separating liquid from solid for Chemical Manufacture | |
| CN108744710A (en) | A kind of mechanical transmission-type centrifugal filtration knockout drum | |
| CN202700665U (en) | Vertical coal slime centrifugal machine | |
| CN203458878U (en) | Solid-liquid separator for producing microbial agent | |
| CN203853084U (en) | Solid granule filtering device of reaction kettle | |
| CN202893645U (en) | Drum-type medicinal material rinsing device | |
| CN205216355U (en) | Revolving stage filter | |
| CN220180230U (en) | Grain and oil purifying equipment capable of being fully squeezed | |
| CN202621312U (en) | Vertical type siphon scraper lower portion discharging centrifuge | |
| CN207401596U (en) | A kind of monosodium glutamate centrifugal separator for being easy to thorough discharging | |
| CN204996584U (en) | Scraper formula orange juice centrifuge | |
| CN204429507U (en) | Drainage feeder on horizontal screw unloading filter centrifugal machine | |
| CN203061293U (en) | Horizontal-type spiral discharging and filtering centrifuge with vacuum suction function | |
| CN204981708U (en) | Separator that industrialization of glossy ganoderma spore polysaccharide was drawed | |
| CN105524180B (en) | Starch separation dewaterer | |
| CN204485440U (en) | Cassava starch dregs liquid secondary separation device | |
| CN202078970U (en) | Novel centrifugal solid-liquid separator | |
| CN201441855U (en) | Wheat lees separator | |
| CN205199380U (en) | Cloudy washing liquid production of woman is with allotment jar | |
| CN202823642U (en) | Horizontal centrifugal machine with scraper for discharging slurries | |
| CN206414819U (en) | With multigroup rotary filter press equipment of centrifugal distribution | |
| CN210711485U (en) | Making wine filtration equipment |
Legal Events
| Date | Code | Title | Description |
|---|---|---|---|
| C14 | Grant of patent or utility model | ||
| GR01 | Patent grant | ||
| CF01 | Termination of patent right due to non-payment of annual fee |
Granted publication date: 20130417 Termination date: 20151023 |
|
| EXPY | Termination of patent right or utility model |