CN202808767U - Cooling device for steaming wine - Google Patents
Cooling device for steaming wine Download PDFInfo
- Publication number
- CN202808767U CN202808767U CN2012204533868U CN201220453386U CN202808767U CN 202808767 U CN202808767 U CN 202808767U CN 2012204533868 U CN2012204533868 U CN 2012204533868U CN 201220453386 U CN201220453386 U CN 201220453386U CN 202808767 U CN202808767 U CN 202808767U
- Authority
- CN
- China
- Prior art keywords
- stainless steel
- pipe
- refrigerating unit
- wine
- adopts
- Prior art date
- Legal status (The legal status is an assumption and is not a legal conclusion. Google has not performed a legal analysis and makes no representation as to the accuracy of the status listed.)
- Expired - Fee Related
Links
- 238000010025 steaming Methods 0.000 title claims abstract description 14
- 238000001816 cooling Methods 0.000 title abstract 4
- 229910001220 stainless steel Inorganic materials 0.000 claims abstract description 15
- 239000010935 stainless steel Substances 0.000 claims abstract description 15
- XLYOFNOQVPJJNP-UHFFFAOYSA-N water Substances O XLYOFNOQVPJJNP-UHFFFAOYSA-N 0.000 claims abstract description 11
- 239000000463 material Substances 0.000 claims abstract description 9
- 238000009413 insulation Methods 0.000 claims abstract description 5
- 230000008676 import Effects 0.000 claims description 5
- 238000004519 manufacturing process Methods 0.000 abstract description 3
- 239000000446 fuel Substances 0.000 abstract description 2
- 230000005494 condensation Effects 0.000 abstract 2
- 238000009833 condensation Methods 0.000 abstract 2
- 239000004576 sand Substances 0.000 abstract 1
- 238000007789 sealing Methods 0.000 abstract 1
- XAGFODPZIPBFFR-UHFFFAOYSA-N aluminium Chemical compound [Al] XAGFODPZIPBFFR-UHFFFAOYSA-N 0.000 description 2
- 229910052782 aluminium Inorganic materials 0.000 description 2
- 238000005516 engineering process Methods 0.000 description 2
- TWNQGVIAIRXVLR-UHFFFAOYSA-N oxo(oxoalumanyloxy)alumane Chemical compound O=[Al]O[Al]=O TWNQGVIAIRXVLR-UHFFFAOYSA-N 0.000 description 2
- 208000027418 Wounds and injury Diseases 0.000 description 1
- 239000002253 acid Substances 0.000 description 1
- 239000004411 aluminium Substances 0.000 description 1
- 230000009286 beneficial effect Effects 0.000 description 1
- 238000013124 brewing process Methods 0.000 description 1
- 230000006378 damage Effects 0.000 description 1
- 238000005265 energy consumption Methods 0.000 description 1
- 208000014674 injury Diseases 0.000 description 1
- 238000000034 method Methods 0.000 description 1
- 239000000203 mixture Substances 0.000 description 1
- 238000011514 vinification Methods 0.000 description 1
Images
Abstract
The utility model discloses a cooling device for steaming wine. The device mainly comprises an ice cylinder, a condenser, a steam-through pipe joint, a hot water pipe outlet, a condensation pipe, a wine outlet pipe and a cold water pipe inlet, wherein the ice cylinder is made from a double-layer stainless steel material; thermal insulation sand is arranged in the double-layer structure; the condensation pipe adopts an inner-outer dual-pipe structure and is made from a stainless steel material; the steam-through pipe joint adopts an inner-outer dual-pipe structure and is made from a stainless steel material; and a sealing water tank is formed between the inner layer and outer layer. The cooling device disclosed by the utility model has a simple structure and is convenient to use; and compared with the existing cooling device, labor can be saved by 80%, fuel can be saved by over 60%, thus, the wine yield is high, and the production efficiency is obviously improved.
Description
Technical field
The utility model relates to a kind of refrigerating unit, relates in particular to a kind of refrigerating unit for steaming wine, belongs to the Brewing equipment technical field.
Background technology
In wine-making technology, the time of wine brewing, energy consumption, quality and efficient, directly depend on the refrigerating unit in the Brewing equipment, existing refrigerating unit adopts aluminium to make, and the prolong in the condenser adopts the single tube structure, and its shortcoming is: because aluminum appliance acid and alkali-resistance not, be not durable, keep away unavoidable aluminum oxide in the wine brewing process and enter in the liquor, thereby affected the quality of wine, and the people has drunk the liquor that contains the aluminum oxide composition health has also been had great injury, the yield of liquor is low, and production efficiency is poor.
The utility model content
The purpose of this utility model is in order to overcome problems of the prior art, thereby provides a kind of harmless, the refrigerating unit that is used for steaming wine that the yield of liquor is high.
In order to achieve the above object, the utility model adopts following technical scheme:
A kind of refrigerating unit for steaming wine mainly comprises ice cylinder, condenser, crosses steam pipe connect, hot water pipe import and export, prolong, wine outlet duct and cold water pipe import, and described ice cylinder adopts the double-layer stainless steel material to make, and it is husky to be provided with insulation in bilayer structure; Described prolong adopts inside and outside twin-tube type structure to be made by stainless steel; The described steam pipe connect of crossing adopts inside and outside twin-tube type structure to be made by stainless steel, forms sealed cistern between the inside and outside bilayer.
Described ice cylinder is circular.
Described condenser is circular.
Described excessively steam pipe connect material is stainless steel.
Described prolong quantity is more than two.
Adopt the beneficial effect of technique scheme to be:
The utility model is simple in structure, and is easy to use, compares with existing refrigerating unit, can save manually 80%, and fuel saving is more than 60%, thereby the yield of liquor is high, thereby so that production efficiency be significantly increased.
Description of drawings
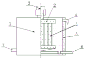
Fig. 1 is the structural representation that the utility model is used to steam the refrigerating unit of wine.
Fig. 2 is the structural representation that the utility model is used for steaming the refrigerating unit ice cylinder of wine.
Fig. 3 is the vertical view of Fig. 2.
Fig. 4 is the structural representation that the utility model is used for steaming the refrigerating unit condenser of wine.
Fig. 5 is the vertical view of Fig. 4.
Among the figure: 1-ice cylinder, 2-condenser, 3-cross steam pipe connect, the outlet of 4-hot-water line, 5-prolong, 6-wine outlet duct, the import of 7-cold water pipe, husky, the 9-sealed cistern of 8-insulation.
Embodiment
A kind of refrigerating unit for steaming wine, mainly comprise ice cylinder 1, condenser 2, excessively steam pipe connect 3, hot-water line outlet 4, prolong 5, wine outlet duct 6 and cold water pipe import 7, described ice cylinder 1 adopts the double-layer stainless steel material to make, and is provided with insulation husky 8 in bilayer structure; Described prolong 5 adopts inside and outside twin-tube type structure to be made by stainless steel; The described steam pipe connect 3 of crossing adopts inside and outside twin-tube type structure to be made by stainless steel, forms sealed cistern 9 between the inside and outside bilayer.
Described ice cylinder 1 is circular.
Described condenser 2 is circular.
Described excessively steam pipe connect 3 materials are stainless steel.
Described prolong 5 quantity are more than two.
Claims (1)
1. refrigerating unit that be used for to steam wine, mainly comprise ice cylinder (1), condenser (2), excessively steam pipe connect (3), hot-water line outlet (4), prolong (5), wine outlet duct (6) and cold water pipe import (7), it is characterized in that: described ice cylinder (1) adopts the double-layer stainless steel material to make, and is provided with insulation husky (8) in bilayer structure; Described prolong (5) adopts inside and outside twin-tube type structure to be made by stainless steel; The described steam pipe connect (3) of crossing adopts inside and outside twin-tube type structure to be made by stainless steel, forms sealed cistern (9) between the inside and outside bilayer.
2. the refrigerating unit for steaming wine according to claim 1, it is characterized in that: described ice cylinder (1) is for circular.
3. the refrigerating unit for steaming wine according to claim 1, it is characterized in that: described condenser (2) is for circular.
4. the refrigerating unit for steaming wine according to claim 1 is characterized in that: the refrigerating unit for steaming wine according to claim 1 is characterized in that described to cross steam pipe connect (3) material be stainless steel.
5. the refrigerating unit for steaming wine according to claim 1, it is characterized in that: described prolong (5) quantity is more than two.
Priority Applications (1)
| Application Number | Priority Date | Filing Date | Title |
|---|---|---|---|
| CN2012204533868U CN202808767U (en) | 2012-09-07 | 2012-09-07 | Cooling device for steaming wine |
Applications Claiming Priority (1)
| Application Number | Priority Date | Filing Date | Title |
|---|---|---|---|
| CN2012204533868U CN202808767U (en) | 2012-09-07 | 2012-09-07 | Cooling device for steaming wine |
Publications (1)
| Publication Number | Publication Date |
|---|---|
| CN202808767U true CN202808767U (en) | 2013-03-20 |
Family
ID=47867683
Family Applications (1)
| Application Number | Title | Priority Date | Filing Date |
|---|---|---|---|
| CN2012204533868U Expired - Fee Related CN202808767U (en) | 2012-09-07 | 2012-09-07 | Cooling device for steaming wine |
Country Status (1)
| Country | Link |
|---|---|
| CN (1) | CN202808767U (en) |
Cited By (1)
| Publication number | Priority date | Publication date | Assignee | Title |
|---|---|---|---|---|
| CN107384721A (en) * | 2017-09-02 | 2017-11-24 | 湖南博雅智能装备股份有限公司 | One kind cooling water termostat and cleaning system and its technique |
-
2012
- 2012-09-07 CN CN2012204533868U patent/CN202808767U/en not_active Expired - Fee Related
Cited By (1)
| Publication number | Priority date | Publication date | Assignee | Title |
|---|---|---|---|---|
| CN107384721A (en) * | 2017-09-02 | 2017-11-24 | 湖南博雅智能装备股份有限公司 | One kind cooling water termostat and cleaning system and its technique |
Similar Documents
| Publication | Publication Date | Title |
|---|---|---|
| CN204091728U (en) | Heat quantity reclaiming type energy-saving drinking machine | |
| CN202808767U (en) | Cooling device for steaming wine | |
| CN203719206U (en) | Water tank for solar water heater | |
| CN102393105A (en) | Evaporator for refrigeration equipment | |
| CN206073433U (en) | A kind of efficient electric heater for ship | |
| CN202786213U (en) | Wine-steaming device | |
| CN202648218U (en) | Vacuum insulation water tank for solar water heater | |
| CN209672595U (en) | Superconducting liquid heat conduction furnace and heating system including the heat conduction furnace | |
| CN201772642U (en) | Instant Wall Mounted Pressurized Solar Water Heater | |
| CN203653416U (en) | Kiln cooling device | |
| CN204648707U (en) | A kind of wall-hanging solar heat exchanger | |
| CN204854021U (en) | Solar energy component | |
| CN206959411U (en) | One kind energy-conservation ice machine evaporator | |
| CN206771768U (en) | All-in-one formula domestic type solar water heater with two bearing insulated water boxes | |
| CN202852972U (en) | Hot water supply system | |
| CN204404850U (en) | A kind of hot water pipe interchanger | |
| CN204555380U (en) | A kind of Solar Enercy Fission Geyser | |
| CN201889183U (en) | Vacuum pipeline temperature reduction circulation device | |
| CN202589290U (en) | Refrigeration hot-water integral system for kitchen | |
| CN201335561Y (en) | Bicirculating integrated header | |
| CN202625861U (en) | Reduction furnace bell gas curtain heat-insulating and energy-saving structure | |
| CN204188038U (en) | A kind of heat exchange apparatus for rediator | |
| CN202547163U (en) | Outdoor water tank of unpressurized balcony solar water heater | |
| CN205398586U (en) | Beer brewing equipment | |
| CN201987341U (en) | Insulation direct drinking quick heat energy saving water dispenser |
Legal Events
| Date | Code | Title | Description |
|---|---|---|---|
| C14 | Grant of patent or utility model | ||
| GR01 | Patent grant | ||
| C17 | Cessation of patent right | ||
| CF01 | Termination of patent right due to non-payment of annual fee |
Granted publication date: 20130320 Termination date: 20130907 |