CN202796545U - Switch cabinet grounding switch and lower door interlocking mechanism - Google Patents
Switch cabinet grounding switch and lower door interlocking mechanism Download PDFInfo
- Publication number
- CN202796545U CN202796545U CN 201220356683 CN201220356683U CN202796545U CN 202796545 U CN202796545 U CN 202796545U CN 201220356683 CN201220356683 CN 201220356683 CN 201220356683 U CN201220356683 U CN 201220356683U CN 202796545 U CN202796545 U CN 202796545U
- Authority
- CN
- China
- Prior art keywords
- lower door
- switch
- cabinet
- shaft head
- interlocking
- Prior art date
- Legal status (The legal status is an assumption and is not a legal conclusion. Google has not performed a legal analysis and makes no representation as to the accuracy of the status listed.)
- Expired - Lifetime
Links
- 230000007246 mechanism Effects 0.000 title claims abstract description 11
- 238000003780 insertion Methods 0.000 claims description 4
- 230000037431 insertion Effects 0.000 claims description 4
- 238000002955 isolation Methods 0.000 claims description 4
- 238000000034 method Methods 0.000 claims description 4
- 230000000903 blocking effect Effects 0.000 claims description 3
- 230000005540 biological transmission Effects 0.000 abstract description 2
- 238000009434 installation Methods 0.000 abstract description 2
- 238000012423 maintenance Methods 0.000 description 4
- 230000007547 defect Effects 0.000 description 1
- 230000001681 protective effect Effects 0.000 description 1
Images
Landscapes
- Patch Boards (AREA)
Abstract
本实用新型涉及一种开关柜的部件结构,具体是一种开关柜接地开关与下门联锁机构。该机构包括有柜体,柜体中部安装有接地开关,柜体下部设置有熔断器室,熔断器室前端设置下门;接地开关的操作轴前端是能够与操作手柄插接配合的轴头;轴头上连接有一个可随轴头旋转的联锁盘,联锁盘边缘铰接有连杆,连杆下端与锁销铰接;联锁盘的转动能够通过连杆驱动锁销在导向座上垂直移动;当下门处于关闭状态时,锁销的上、下移动能够抽出或插入下门顶框上的锁孔。本实用新型结构简单、传动环节少、安装和调试方便、动作可靠性高。
The utility model relates to a component structure of a switch cabinet, in particular to an interlocking mechanism for a ground switch and a lower door of a switch cabinet. The mechanism includes a cabinet, a grounding switch is installed in the middle of the cabinet, a fuse room is provided at the lower part of the cabinet, and a lower door is provided at the front end of the fuse room; the front end of the operating shaft of the grounding switch is a shaft head that can be plugged and matched with the operating handle; The shaft head is connected with an interlocking disk that can rotate with the shaft head, the edge of the interlocking disk is hinged with a connecting rod, and the lower end of the connecting rod is hinged with the lock pin; the rotation of the interlocking disk can drive the locking pin vertically on the guide seat through the connecting rod. Movement; when the lower door is in the closed state, the up and down movement of the lock pin can be drawn out or inserted into the lock hole on the top frame of the lower door. The utility model has the advantages of simple structure, few transmission links, convenient installation and debugging, and high action reliability.
Description
技术领域 technical field
本实用新型涉及一种开关柜的部件结构,具体是一种开关柜接地开关与下门联锁机构。 The utility model relates to a component structure of a switch cabinet, in particular to an interlocking mechanism for a ground switch and a lower door of a switch cabinet.
背景技术 Background technique
在普通开关柜的柜体下部通常设置有由下门封闭的熔断器室,用来安装熔断器等保护元件。在对熔断器室内的元件进行检修时,一方面需要将安装在柜体中部的接地开关操作至接地位置,以保证检修过程的安全性,即接地开关未处于接地位置时不允许打开下门进行检修;另一方面在未检修完成并关闭下门时不允许对接地开关进行操作,以保障检修人员的安全。上述的安全规程通常需要设置接地开关与下门的联锁机构来保证,现有的联锁机构大多存在着结构复杂、操作不便、联锁可靠性差等缺陷,无法满足较高的安全操作要求。 A fuse room closed by a lower door is usually provided in the lower part of the ordinary switchgear cabinet, which is used to install protective components such as fuses. When overhauling the components in the fuse room, on the one hand, it is necessary to operate the grounding switch installed in the middle of the cabinet to the grounding position to ensure the safety of the maintenance process, that is, it is not allowed to open the lower door when the grounding switch is not in the grounding position. Maintenance; on the other hand, it is not allowed to operate the grounding switch when the maintenance is not completed and the lower door is closed, so as to ensure the safety of the maintenance personnel. The above-mentioned safety regulations usually need to be guaranteed by an interlock mechanism between the grounding switch and the lower door. Most of the existing interlock mechanisms have defects such as complex structure, inconvenient operation, and poor interlock reliability, and cannot meet high safety operation requirements.
发明内容 Contents of the invention
本实用新型所要解决的技术问题是,提供一种结构简单、操作方便、联锁可靠的开关柜接地开关与下门联锁机构。 The technical problem to be solved by the utility model is to provide an interlocking mechanism for the grounding switch and the lower door of the switch cabinet with simple structure, convenient operation and reliable interlocking.
本实用新型的开关柜接地开关与下门联锁机构包括有开关柜的柜体,柜体中部安装有接地开关,柜体下部设置有熔断器室,熔断器室前端设置下门;所述接地开关的操作轴水平纵向设置,操作轴的前端是能够与操作手柄插接配合的轴头;所述轴头位于下门的顶框上方,轴头上连接有一个可随轴头旋转的联锁盘,联锁盘边缘铰接有一个连杆,连杆下端与一个锁销铰接;所述锁销竖直插在一个导向座上的导向孔中,联锁盘的转动能够通过连杆驱动锁销在导向座上垂直移动;接地开关操作轴转动至接地或隔离位置时,分别带动锁销向上或向下移动;当下门处于关闭状态时,锁销的上、下移动能够抽出或插入下门顶框上的锁孔。 The switch cabinet grounding switch and the lower door interlocking mechanism of the present invention includes a switch cabinet cabinet body, a grounding switch is installed in the middle of the cabinet body, a fuse room is arranged at the lower part of the cabinet body, and a lower door is arranged at the front end of the fuse room; The operating shaft of the switch is arranged horizontally and vertically, and the front end of the operating shaft is a shaft head that can be plugged and matched with the operating handle; the shaft head is located above the top frame of the lower door, and an interlock that can rotate with the shaft head is connected to the shaft head There is a connecting rod hinged on the edge of the interlocking disc, and the lower end of the connecting rod is hinged with a locking pin; the locking pin is vertically inserted into a guide hole on a guide seat, and the rotation of the interlocking disc can drive the locking pin through the connecting rod. Move vertically on the guide seat; when the grounding switch operating shaft rotates to the grounding or isolation position, it drives the lock pin to move up or down respectively; when the lower door is closed, the upward and downward movement of the lock pin can be pulled out or inserted into the top of the lower door keyhole on the frame.
所述操作轴的轴头前方设置有一个联锁板,联锁板中部铰接在柜体上并可左右摆动,联锁板上部在摆动过程中可阻挡或打开轴头正前方的手柄插入位置;所述联锁板与柜体之间设置有弹簧,当下门打开时弹簧力使联锁板摆动至阻挡轴头正前方的位置;所述下门顶框内侧设置有一个导斜面,当下门关闭时所述导斜面能够驱动联锁板下段,使联锁板摆动至打开轴头正前方的位置。 An interlocking plate is arranged in front of the shaft head of the operating shaft, the middle part of the interlocking plate is hinged on the cabinet body and can swing left and right, and the upper part of the interlocking plate can block or open the handle insertion position directly in front of the shaft head during the swing process; A spring is arranged between the interlocking plate and the cabinet body. When the lower door is opened, the spring force causes the interlocking plate to swing to the position directly in front of the blocking shaft head; a guide inclined surface is arranged on the inner side of the top frame of the lower door, and the lower door is closed. At this time, the guide inclined surface can drive the lower section of the interlocking plate, so that the interlocking plate can swing to the position directly in front of the opening shaft head.
本实用新型结构简单、传动环节少、安装和调试方便、动作可靠性高。 The utility model has the advantages of simple structure, few transmission links, convenient installation and debugging, and high action reliability.
附图说明 Description of drawings
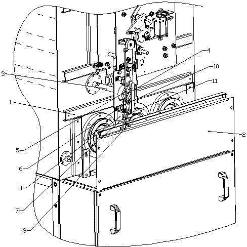
图1是本实用新型的结构示意图; Fig. 1 is a structural representation of the utility model;
图2是下门内侧的结构示意图。 Figure 2 is a schematic structural view of the inner side of the lower door.
具体实施方式 Detailed ways
如图所示,该开关柜接地开关与下门联锁机构包括有开关柜的柜体1,柜体中部安装有接地开关,柜体下部设置有熔断器室,熔断器室前端设置下门2;所述接地开关的操作轴3水平纵向设置,操作轴的前端是能够与操作手柄插接配合的轴头4;所述轴头位于下门2的顶框上方,轴头4上连接有一个可随轴头旋转的联锁盘5,联锁盘边缘铰接有一个连杆6,连杆6下端与一个锁销7铰接;所述锁销7竖直插在一个导向座8上的导向孔中,联锁盘5的转动能够通过连杆6驱动锁销7在导向座8上垂直移动;接地开关的操作轴3转动至接地或隔离位置时,分别带动锁销7向上或向下移动;当下门2处于关闭状态时,锁销7的上、下移动能够抽出或插入下门2顶框上的锁孔9,实现下门的解锁或闭锁。即,当接地开关操作至隔离位置时,锁销下移,将下门闭锁,无法打开;只有当接地开关操作至接地位置时,锁销上移,下门解锁,才能将下门打开。 As shown in the figure, the interlock mechanism between the grounding switch and the lower door of the switchgear includes a cabinet body 1 of the switchgear body, a grounding switch is installed in the middle of the cabinet body, a fuse room is arranged at the lower part of the cabinet body, and a lower door 2 is arranged at the front end of the fuse room The operating shaft 3 of the grounding switch is arranged vertically and horizontally, and the front end of the operating shaft is a shaft head 4 that can be plugged and matched with the operating handle; the shaft head is located above the top frame of the lower door 2, and the shaft head 4 is connected to a The interlocking disc 5 that can rotate with the shaft head has a connecting rod 6 hinged on the edge of the interlocking disc, and the lower end of the connecting rod 6 is hinged with a lock pin 7; the lock pin 7 is vertically inserted into a guide hole on a guide seat 8 Among them, the rotation of the interlocking plate 5 can drive the locking pin 7 to move vertically on the guide seat 8 through the connecting rod 6; when the operating shaft 3 of the grounding switch is rotated to the grounding or isolation position, it drives the locking pin 7 to move up or down; When the lower door 2 was in the closed state, the up and down movement of the lock pin 7 could be extracted or inserted into the lock hole 9 on the top frame of the lower door 2 to realize unlocking or locking of the lower door. That is, when the grounding switch is operated to the isolation position, the lock pin moves down, locking the lower door and cannot be opened; only when the grounding switch is operated to the grounding position, the lock pin moves up and the lower door is unlocked, can the lower door be opened.
操作轴3的轴头4前方设置有一个联锁板10,联锁板10中部铰接在柜体1上并可左右摆动,联锁板10上部在摆动过程中可阻挡或打开轴头正前方的手柄插入位置;联锁板10与柜体1之间设置有弹簧11,当下门2打开时弹簧力使联锁板10摆动至阻挡轴头正前方的位置,即下门打开时,轴头正前方的手柄插入位置被阻挡,不能插入手柄对接地开关进行操作;所述下门2顶框内侧设置有一个导斜面12(如图2),当下门2关闭时所述导斜面12能够驱动联锁板10下段,使联锁板摆动至打开轴头正前方的位置,即下门关闭时,才能将手柄插入轴头对接地开关进行操作。
An interlocking
Claims (2)
Priority Applications (1)
| Application Number | Priority Date | Filing Date | Title |
|---|---|---|---|
| CN 201220356683 CN202796545U (en) | 2012-07-23 | 2012-07-23 | Switch cabinet grounding switch and lower door interlocking mechanism |
Applications Claiming Priority (1)
| Application Number | Priority Date | Filing Date | Title |
|---|---|---|---|
| CN 201220356683 CN202796545U (en) | 2012-07-23 | 2012-07-23 | Switch cabinet grounding switch and lower door interlocking mechanism |
Publications (1)
| Publication Number | Publication Date |
|---|---|
| CN202796545U true CN202796545U (en) | 2013-03-13 |
Family
ID=47823755
Family Applications (1)
| Application Number | Title | Priority Date | Filing Date |
|---|---|---|---|
| CN 201220356683 Expired - Lifetime CN202796545U (en) | 2012-07-23 | 2012-07-23 | Switch cabinet grounding switch and lower door interlocking mechanism |
Country Status (1)
| Country | Link |
|---|---|
| CN (1) | CN202796545U (en) |
Cited By (3)
| Publication number | Priority date | Publication date | Assignee | Title |
|---|---|---|---|---|
| CN102768911A (en) * | 2012-07-23 | 2012-11-07 | 江苏大全长江电器股份有限公司 | Switchgear grounding switch and lower door interlocking mechanism |
| CN104409249A (en) * | 2014-10-28 | 2015-03-11 | 洛阳龙羽电气设备有限公司 | Linkage switch of high-voltage breaker cabinet for box type transformer station |
| EP3048624A1 (en) * | 2015-01-22 | 2016-07-27 | LSIS Co., Ltd. | Interlock device of ring main unit |
-
2012
- 2012-07-23 CN CN 201220356683 patent/CN202796545U/en not_active Expired - Lifetime
Cited By (7)
| Publication number | Priority date | Publication date | Assignee | Title |
|---|---|---|---|---|
| CN102768911A (en) * | 2012-07-23 | 2012-11-07 | 江苏大全长江电器股份有限公司 | Switchgear grounding switch and lower door interlocking mechanism |
| CN104409249A (en) * | 2014-10-28 | 2015-03-11 | 洛阳龙羽电气设备有限公司 | Linkage switch of high-voltage breaker cabinet for box type transformer station |
| EP3048624A1 (en) * | 2015-01-22 | 2016-07-27 | LSIS Co., Ltd. | Interlock device of ring main unit |
| US20160217942A1 (en) * | 2015-01-22 | 2016-07-28 | Lsis Co., Ltd. | Interlock device of ring main unit |
| CN105826101A (en) * | 2015-01-22 | 2016-08-03 | Ls产电株式会社 | Interlock device of ring main unit |
| US9620304B2 (en) | 2015-01-22 | 2017-04-11 | Lsis Co., Ltd. | Interlock device of ring main unit |
| CN105826101B (en) * | 2015-01-22 | 2018-02-23 | Ls产电株式会社 | The interlock of ring main unit |
Similar Documents
| Publication | Publication Date | Title |
|---|---|---|
| CN101705758A (en) | Free-swing handle structure for safe | |
| CN201610676U (en) | Mechanical locking device for cabinet door of frequency converter | |
| CN202094009U (en) | Anti-misoperation interlocking device for switchgear door | |
| CN202796545U (en) | Switch cabinet grounding switch and lower door interlocking mechanism | |
| CN207098419U (en) | A kind of shutter mechanism of switch cabinet | |
| CN102768911A (en) | Switchgear grounding switch and lower door interlocking mechanism | |
| CN106315363B (en) | A safety window device for elevator car roof | |
| CN105257093B (en) | A kind of Manual unlocking device of sliding door | |
| CN103227430B (en) | Interlocking mechanism for door closing operation of switch cabinet | |
| CN101210465B (en) | Pushing bar lock | |
| CN105449568B (en) | A kind of interlock of switch cabinet shutter and middle door | |
| CN205140808U (en) | Interlock is operated with ground connection to looped netowrk cabinet | |
| CN204012384U (en) | Middle-placed switch cabinet valve locking mechanism | |
| CN203321137U (en) | Locking device of sliding door | |
| CN203179729U (en) | Interlocking mechanism of grounding switch and cable chamber door of switch cabinet | |
| CN207677285U (en) | Switchgear | |
| CN207367820U (en) | A kind of middle-placed switch cabinet door-plate interlock with ground protection | |
| CN204400410U (en) | Elevator Room door lock and elevator device thereof | |
| CN204558298U (en) | The operating system of isolating switch and earthed switch | |
| CN204728879U (en) | A kind of plate-turning door manual-operating mechanism | |
| CN204792539U (en) | Interlock of isolator and earthing switch and circuit breaker | |
| CN204947438U (en) | High voltage switchgear fire-resistant arc lever gear door device | |
| CN203813300U (en) | Switch cabinet valve device | |
| CN103093984B (en) | Switchgear earthing switch and cable room door interlocking mechanism | |
| CN101235689B (en) | Emergent door lock trigger mechanism |
Legal Events
| Date | Code | Title | Description |
|---|---|---|---|
| C14 | Grant of patent or utility model | ||
| GR01 | Patent grant | ||
| CX01 | Expiry of patent term |
Granted publication date: 20130313 |
|
| CX01 | Expiry of patent term |
