CN202708339U - 一种电解车间金属管道穿墙防水构造 - Google Patents

一种电解车间金属管道穿墙防水构造 Download PDF

Info

Publication number
CN202708339U
CN202708339U CN 201220302985 CN201220302985U CN202708339U CN 202708339 U CN202708339 U CN 202708339U CN 201220302985 CN201220302985 CN 201220302985 CN 201220302985 U CN201220302985 U CN 201220302985U CN 202708339 U CN202708339 U CN 202708339U
Authority
CN
China
Prior art keywords
steel plate
purlin
wall
fixed
metope
Prior art date
Legal status (The legal status is an assumption and is not a legal conclusion. Google has not performed a legal analysis and makes no representation as to the accuracy of the status listed.)
Expired - Lifetime
Application number
CN 201220302985
Other languages
English (en)
Inventor
吴刚
金宝杰
Current Assignee (The listed assignees may be inaccurate. Google has not performed a legal analysis and makes no representation or warranty as to the accuracy of the list.)
Shenyang Aluminum and Magnesium Engineering and Research Institute Co Ltd
Original Assignee
Shenyang Aluminum and Magnesium Engineering and Research Institute Co Ltd
Priority date (The priority date is an assumption and is not a legal conclusion. Google has not performed a legal analysis and makes no representation as to the accuracy of the date listed.)
Filing date
Publication date
Application filed by Shenyang Aluminum and Magnesium Engineering and Research Institute Co Ltd filed Critical Shenyang Aluminum and Magnesium Engineering and Research Institute Co Ltd
Priority to CN 201220302985 priority Critical patent/CN202708339U/zh
Application granted granted Critical
Publication of CN202708339U publication Critical patent/CN202708339U/zh
Anticipated expiration legal-status Critical
Expired - Lifetime legal-status Critical Current

Links

Images

Landscapes

  • Building Environments (AREA)

Abstract

本实用新型涉及一种金属管道穿墙防水构造,包括压型钢板墙面,在压型钢板墙面上设有预留洞口,预留洞口内设有带两个钢板预留洞的钢板,钢板预留洞内设有金属管道,钢板与金属管道上的自带钢板焊接,钢板上部设在檩条与压型钢板墙面之间,钢板上部、檩条与压型钢板墙面通过自攻螺丝固定,预留洞口下方的压型钢板墙面通过自攻螺丝与檩条固定,钢板下部通过自攻螺丝与檩条固定,泛水板的一端设在钢板下部与檩条之间,泛水板的另一端与压型钢板墙面固定,钢板预留洞上方三面焊接第二钢板。本实用新型不仅可以完全解决进水问题,而且施工简单、经济、方便维护、表面美观,成本低廉、使用寿命长。

Description

一种电解车间金属管道穿墙防水构造
技术领域
本实用新型涉及种金属管道穿墙防水构造,尤其涉及一种电解铝生产厂中的电解车间防止室外雨、雪水流入车间内的电解车间金属管道穿墙防水构造。 
背景技术
随着电解铝技术的不断进步和产能的提高,厂房的跨度和高度也逐渐增大。钢结构厂房逐步代替原有的钢筋砼结构厂房。在电解车间中,每个电解槽的金属进料管和净化烟管都要从室外穿过压型钢板墙体进入到室内。如果在管道与墙体间缝隙没有防水结构,雨水和雪水就会顺着管道进入室内,并流到电解槽上发生短路引起重大事故。因为压型钢板表面有波纹,切割圆形洞口边缘不平整,采用传统的防水措施或在外侧用特殊防水材料封堵效果均不理想,而且寿命短,不美观,成本也高。而有的洞口处理节点又较复杂,不切实际,同样造成节点处理的不成功,而影响生产。 
发明内容
本实用新型就是为了解决上述技术问题,而提供一种电解车间金属管道穿墙防水构造,目的是提高防水效果,延长使用寿命,降低成本,施工方便。 
为了达到上述目的,本实用新型是这样实现的:一种电解车间金属管道穿墙防水构造,包括压型钢板墙面,在压型钢板墙面上设有预留洞口,预留洞口内设有带两个钢板预留洞的钢板,钢板预留洞内设有金属管道,钢板与金属管道上的自带钢板焊接,钢板上部设在檩条与压型钢板墙面之间,钢板上部、檩条与压型钢板墙面通过自攻螺丝固定,预留洞口下方的压型钢板墙面通过自攻螺丝与檩条固定,钢板下部通过自攻螺丝与檩条固定,泛水板的一端设在钢板下部与檩条之间,泛水板的另一端与压型钢板墙面固定,钢板预留洞上方三面焊接第二钢板。 
第二钢板与压型钢板墙面和钢板之间的缝隙或孔洞处设置密封胶。 
两个钢板预留洞之间的钢板通过自攻螺丝与檩条固定。 
预留洞口为矩形。 
压型钢板墙面在设置檩条的一侧设有密封胶条。 
泛水板与压型钢板墙面和檩条之间设置密封胶条。 
本实用新型的优点效果: 
本实用新型不仅可以完全解决进水问题,而且施工简单、经济、方便维护、表面美观,成本低廉、使用寿命长。
附图说明
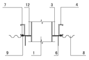
图1 是实用新型主视面结构示意图。 
图2是图1a-a剖视结构示意图。 
图3是图1b-b剖视结构示意图。 
图中、1、金属管道; 2、预留洞口;3、钢板;4、檩条;5、密封胶;6、钢板; 7、密封胶条; 8、压型钢板墙面;9、自攻螺丝;10、泛水板;11、钢板预留洞;12、自带钢板。 
具体实施方式
下面结合附图对本实用新型实施方式作进一步说明,但本实用新型的保护范围不受实施图例所限。 
如图1-3所示本实用新型一种电解车间金属管道穿墙防水构造,包括压型钢板墙面8,在压型钢板墙面8上设有预留洞口2,预留洞口2内设有带两个钢板预留洞11的钢板3,钢板预留洞11内设有金属管道1,钢板3与金属管道1上的自带钢板12焊接,钢板3上部设在檩条4与压型钢板墙面8之间,钢板3上部、檩条4与压型钢板墙面8通过自攻螺丝9固定,预留洞口2下方的压型钢板墙面8通过自攻螺丝9与檩条4固定,钢板3下部通过自攻螺丝9与檩条4固定,泛水板10的一端设在钢板3下部与檩条4之间,泛水板10的另一端与压型钢板墙面8固定,钢板预留洞11上方三面焊接第二钢板6,第二钢板6与压型钢板墙面8和钢板3之间的缝隙或孔洞处设置密封胶5,两个钢板预留洞11之间的钢板3通过自攻螺丝9与檩条4固定,预留洞口2为矩形,压型钢板墙面8在设置檩条4的一侧设有密封胶条7,泛水板10与压型钢板墙面8和檩条4之间设置密封胶条7。 
钢板3表面应平整并要与第二钢板6焊接牢固。钢板3与连接在金属管道1上的管道自带钢板12焊接时,要求焊缝密实平整,不留漏点。安装工作要与压型钢板墙体施工同时进行。焊接结束后,将钢板3及管道自带钢板12表面除锈,刷防锈漆两遍。面漆涂刷可见相应工程中相关要求。 

Claims (6)

1. 一种电解车间金属管道穿墙防水构造,包括压型钢板墙面,其特征在于在压型钢板墙面上设有预留洞口,预留洞口内设有带两个钢板预留洞的钢板,钢板预留洞内设有金属管道,钢板与金属管道上的自带钢板焊接,钢板上部设在檩条与压型钢板墙面之间,钢板上部、檩条与压型钢板墙面通过自攻螺丝固定,预留洞口下方的压型钢板墙面通过自攻螺丝与檩条固定,钢板下部通过自攻螺丝与檩条固定,泛水板的一端设在钢板下部与檩条之间,泛水板的另一端与压型钢板墙面固定,钢板预留洞上方三面焊接第二钢板。
2.根据权利要求1所述的一种电解车间金属管道穿墙防水构造,其特征在于第二钢板与压型钢板墙面和钢板之间的缝隙或孔洞处设置密封胶。
3.根据权利要求1所述的一种电解车间金属管道穿墙防水构造,其特征在于两个钢板预留洞之间的钢板通过自攻螺丝与檩条固定。
4.根据权利要求1所述的一种电解车间金属管道穿墙防水构造,其特征在于预留洞口为矩形。
5.根据权利要求1所述的一种电解车间金属管道穿墙防水构造,其特征在于压型钢板墙面在设置檩条的一侧设有密封胶条。
6.根据权利要求1所述的一种电解车间金属管道穿墙防水构造,其特征在于泛水板与压型钢板墙面和檩条之间设置密封胶条。
CN 201220302985 2012-06-27 2012-06-27 一种电解车间金属管道穿墙防水构造 Expired - Lifetime CN202708339U (zh)

Priority Applications (1)

Application Number Priority Date Filing Date Title
CN 201220302985 CN202708339U (zh) 2012-06-27 2012-06-27 一种电解车间金属管道穿墙防水构造

Applications Claiming Priority (1)

Application Number Priority Date Filing Date Title
CN 201220302985 CN202708339U (zh) 2012-06-27 2012-06-27 一种电解车间金属管道穿墙防水构造

Publications (1)

Publication Number Publication Date
CN202708339U true CN202708339U (zh) 2013-01-30

Family

ID=47588645

Family Applications (1)

Application Number Title Priority Date Filing Date
CN 201220302985 Expired - Lifetime CN202708339U (zh) 2012-06-27 2012-06-27 一种电解车间金属管道穿墙防水构造

Country Status (1)

Country Link
CN (1) CN202708339U (zh)

Cited By (2)

* Cited by examiner, † Cited by third party
Publication number Priority date Publication date Assignee Title
CN103615602A (zh) * 2013-11-26 2014-03-05 国家电网公司 一种穿墙管套结构
CN106051316A (zh) * 2016-06-28 2016-10-26 中冶天工集团天津有限公司 一种管道穿水池的施工方法

Cited By (2)

* Cited by examiner, † Cited by third party
Publication number Priority date Publication date Assignee Title
CN103615602A (zh) * 2013-11-26 2014-03-05 国家电网公司 一种穿墙管套结构
CN106051316A (zh) * 2016-06-28 2016-10-26 中冶天工集团天津有限公司 一种管道穿水池的施工方法

Similar Documents

Publication Publication Date Title
CN205206106U (zh) 开缝石材幕墙系统
CN105525712B (zh) 开缝石材幕墙系统
CN203669179U (zh) 一种钢结构厂房纵横跨处钢屋面的节点构造
CN104594570A (zh) 一种曲立缝金属屋面板体系
CN103758221A (zh) 汽车坡道屋面变形缝构造
CN202708339U (zh) 一种电解车间金属管道穿墙防水构造
CN201952948U (zh) 一种新型面板
CN203701307U (zh) 汽车坡道屋面变形缝构造
CN202090526U (zh) 一种女儿墙顶刚性防水组合件
CN207934351U (zh) 直立锁边金属屋面的管道防水结构
CN202302338U (zh) 电解车间金属管道穿墙防水构造
CN202299188U (zh) 用于桁架结构的太阳能光伏玻璃安装结构
CN202401889U (zh) 内排水开放式铝板幕墙窗台系统
CN207700562U (zh) 光伏屋面排水系统
CN103485424A (zh) 一种隐藏式高低跨变形缝及其防水构造
CN206204992U (zh) 一种预制综合管廊节间可拆式防水节点构造
CN204139467U (zh) 一种蓄水采光顶系统
CN211666100U (zh) 一种新型伸缩缝处双天沟结构
CN201121368Y (zh) 电解车间金属管道穿金属墙板防水构造
CN104594568B (zh) 异形曲面中空透明板屋面系统施工方法
CN203569757U (zh) 开放式石材幕墙防水构造
CN203755468U (zh) 一种型材拼装的多层防水结构
CN210530091U (zh) 一种压型钢板双坡屋脊防水结构
CN202214908U (zh) 一种屋面采光带防水设计结构
CN205171856U (zh) 一种檐口女儿墙新型节点装置

Legal Events

Date Code Title Description
C14 Grant of patent or utility model
GR01 Patent grant
CX01 Expiry of patent term

Granted publication date: 20130130

CX01 Expiry of patent term