CN202643379U - Concentrated water recycling system of reverse osmosis water making device - Google Patents
Concentrated water recycling system of reverse osmosis water making device Download PDFInfo
- Publication number
- CN202643379U CN202643379U CN 201220180919 CN201220180919U CN202643379U CN 202643379 U CN202643379 U CN 202643379U CN 201220180919 CN201220180919 CN 201220180919 CN 201220180919 U CN201220180919 U CN 201220180919U CN 202643379 U CN202643379 U CN 202643379U
- Authority
- CN
- China
- Prior art keywords
- water
- water tank
- reverse osmosis
- pipeline
- concentrated
- Prior art date
- Legal status (The legal status is an assumption and is not a legal conclusion. Google has not performed a legal analysis and makes no representation as to the accuracy of the status listed.)
- Expired - Lifetime
Links
- XLYOFNOQVPJJNP-UHFFFAOYSA-N water Substances O XLYOFNOQVPJJNP-UHFFFAOYSA-N 0.000 title claims abstract description 173
- 238000001223 reverse osmosis Methods 0.000 title claims abstract description 45
- 238000004064 recycling Methods 0.000 title claims abstract description 14
- 239000008399 tap water Substances 0.000 claims abstract description 22
- 235000020679 tap water Nutrition 0.000 claims abstract description 22
- ZAMOUSCENKQFHK-UHFFFAOYSA-N Chlorine atom Chemical compound [Cl] ZAMOUSCENKQFHK-UHFFFAOYSA-N 0.000 abstract description 11
- 229910052801 chlorine Inorganic materials 0.000 abstract description 11
- 239000000460 chlorine Substances 0.000 abstract description 11
- 238000004519 manufacturing process Methods 0.000 abstract description 2
- 239000000498 cooling water Substances 0.000 abstract 1
- 239000002826 coolant Substances 0.000 description 5
- 238000005516 engineering process Methods 0.000 description 2
- 239000000126 substance Substances 0.000 description 2
- 239000002699 waste material Substances 0.000 description 2
- 230000007423 decrease Effects 0.000 description 1
- 238000007599 discharging Methods 0.000 description 1
- 238000009533 lab test Methods 0.000 description 1
- 230000004048 modification Effects 0.000 description 1
- 238000012986 modification Methods 0.000 description 1
- 238000012857 repacking Methods 0.000 description 1
Images
Landscapes
- Separation Using Semi-Permeable Membranes (AREA)
Abstract
The utility model relates to a reverse osmosis water making device, and particularly relates to a concentrated water recycling system of a reverse osmosis water making device. The concentrated water recycling system comprises a reverse osmosis unit, a middle water tank, a concentrated water tank, a tap water tank, a valve, a water meter and a water pump; the tap water box is connected with a municipal administration tap water pipe, and the water outlet end of the tap water tank is connected with the reverse osmosis unit through a pipeline; a water generation outlet of the reverse osmosis unit is connected with the middle water tank, and a concentrated water outlet is connected with the concentrated water tank through the pipeline; a water outlet of the concentrated water tank is further connected with the middle water tank, and a concentrated water outlet of the reverse osmosis unit is connected with the concentrated water tank through the pipeline; and a water outlet of the concentrated water tank is further connected with the tap water tank through the pipeline, and the other water outlet of the concentrated water box is connected with a water pump through the pipeline. The technical problems that concentrated water generated by reverse osmosis in the conventional system is directly discharged and is severely wasted can be mainly solved; the concentrated water part is recycled to the tap water tank according to water inlet chlorine of water quality and an electrical conductivity in water production, and the other part of the concentrated water of the concentrated water box is used as cooling water of the equipment, so that the tap water of the municipal administration can be saved, and the energy recycle efficiency is improved.
Description
Technical field
The utility model relates to reverse osmosis water producing device, particularly a kind of dense water recycling system of reverse osmosis water producing device.
Background technology
Intermediate water tank is directly advanced by the reverse osmosis water of reverse osmosis unit production in the municipal tap water, and the dense water that its reverse osmosis unit produces directly discharges.The ratio that the reverse osmosis unit produces water and dense water is 3 to 1.Namely per hour the reverse osmosis unit produces 30 tons of water, and concentrated water discharge per hour is 10 tons so.No matter the dense water that municipal tap water quality, reverse osmosis produce all is directly discharging, waste extremely serious.
The utility model content
The purpose of this utility model is to provide a kind of dense water recycling system of reverse osmosis water producing device, mainly solving the dense water that reverse osmosis produces in the existing system all is directly to discharge, waste extremely serious technical problem, it is according to water inlet chlorine root and the product electrical conductivity of water of water quality, dense water section is recovered to city water tank, and another part be recovered to the dense water of dense water tank will be as the water coolant of equipment, save the municipal tap water to reach, improve the purpose that the energy is used efficient again.
For achieving the above object, the utility model is to realize like this.
A kind of dense water recycling system of reverse osmosis water producing device is characterized in that: it comprises reverse osmosis unit, intermediate water tank, dense water tank, city water tank, valve, water meter and water pump; Described city water tank is connected with the municipal tap water pipe, its water side connects the reverse osmosis unit by pipeline; The product water out of this reverse osmosis unit connects intermediate water tank, its dense water out connects dense water tank by pipeline, this dense water tank one water outlet by pipeline further connect back city water tank, another water outlet connects water pump by pipeline.
The dense water recycling system of described reverse osmosis water producing device is characterized in that: be equipped with valve on the pipeline between described city water tank and the reverse osmosis unit, between reverse osmosis unit and the intermediate water tank, between reverse osmosis unit and the dense water tank, between dense water tank and the city water tank.
The dense water recycling system of described reverse osmosis water producing device is characterized in that: between described dense water tank and the city water tank, be equipped with water meter on the pipeline of water pump water outlet end.
The utility model is compared with existing mechanism, has following advantage.
The utility model is by the repacking of pipeline, install valve and water meter additional, water inlet chlorine root and product electrical conductivity of water according to water quality, dense water section is recovered to city water tank, and another part be recovered to the dense water of dense water tank will be as the water coolant of equipment, save the municipal tap water to reach, improve the purpose that the energy is used efficient again.
Description of drawings
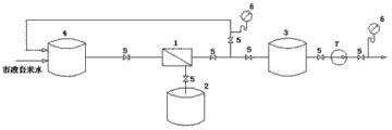
Fig. 1 is structural representation of the present utility model.
Embodiment
See also Fig. 1, the utility model discloses a kind of dense water recycling system of reverse osmosis water producing device.As shown in the figure: it comprises reverse osmosis unit 1, intermediate water tank 2, dense water tank 3, city water tank 4, valve 5, water meter 6 and water pump 7; Described city water tank 4 is connected with the municipal tap water pipe, its water side connects reverse osmosis unit 1 by pipeline; The product water out of this reverse osmosis unit 1 connects intermediate water tank 2, its dense water out connects dense water tank 3 by pipeline, and these dense water tank 3 one water outlets further connect back city water tank 4, another water outlet by pipeline connection water pump 7 by pipeline.
Be equipped with valve 5 on the pipeline between described city water tank 4 and the reverse osmosis unit 1, between reverse osmosis unit 1 and the intermediate water tank 2, between reverse osmosis unit 1 and the dense water tank 3, between dense water tank 3 and the city water tank 4.Between described dense water tank 3 and the city water tank 4, be equipped with water meter 6 on the pipeline of water pump 7 water sides.
When the utility model uses, according to the actually operating experience, be municipal tap water chlorine root less than below the 80mg/L, in the enough situations of water coolant, namely all be recovered to city water tank.
During operation, the chlorine root of chemical examination municipal tap water chlorine root and city water tank, chemical examination municipal tap water chlorine root namely can be recovered to city water tank with dense water according to the water coolant service condition at 80mg/L, and the chlorine root of city water tank can temporarily stop to reclaim more than 160mg/L.Because the water inlet chlorine root of reverse osmosis unit is higher, can increase the number of times of matting.City water tank so the chlorine root of city water tank can pursue along with increasing of flooding quantity the decline of section, advance dense water according to result of laboratory test owing to constantly advancing tap water again.In the municipal tap water under normal circumstances, general city water tank all is continuously to use in the situation of dense water and tap water mixing.
The utility model according to municipal tap water chlorine root in a year when being no more than 160mg/L through recycling, and partially recycled dense water to dense water tank will be saved the municipal tap water to reach as the water coolant of equipment, improve the purpose of energy-saving and emission-reduction.
Being preferred embodiment of the present utility model only in sum, is not to limit practical range of the present utility model.Be that all equivalences of doing according to the content of the utility model claim change and modification, all should be technology category of the present utility model.
Claims (3)
1. the dense water recycling system of a reverse osmosis water producing device, it is characterized in that: it comprises reverse osmosis unit (1), intermediate water tank (2), dense water tank (3), city water tank (4), valve (5), water meter (6) and water pump (7); Described city water tank (4) is connected with the municipal tap water pipe, its water side connects reverse osmosis unit (1) by pipeline; The product water out of this reverse osmosis unit (1) connects intermediate water tank (2), its dense water out connects dense water tank (3) by pipeline, these dense water tank (3) one water outlets by pipeline further connect back city water tank (4), another water outlet connects water pump (7) by pipeline.
2. the dense water recycling system of reverse osmosis water producing device according to claim 1 is characterized in that: be equipped with valve (5) on the pipeline between described city water tank (4) and the reverse osmosis unit (1), between reverse osmosis unit (1) and the intermediate water tank (2), between reverse osmosis unit (1) and the dense water tank (3), between dense water tank (3) and the city water tank (4).
3. the dense water recycling system of reverse osmosis water producing device according to claim 1 and 2 is characterized in that: between described dense water tank (3) and the city water tank (4), be equipped with water meter (6) on the pipeline of water pump (7) water side.
Priority Applications (1)
| Application Number | Priority Date | Filing Date | Title |
|---|---|---|---|
| CN 201220180919 CN202643379U (en) | 2012-04-26 | 2012-04-26 | Concentrated water recycling system of reverse osmosis water making device |
Applications Claiming Priority (1)
| Application Number | Priority Date | Filing Date | Title |
|---|---|---|---|
| CN 201220180919 CN202643379U (en) | 2012-04-26 | 2012-04-26 | Concentrated water recycling system of reverse osmosis water making device |
Publications (1)
| Publication Number | Publication Date |
|---|---|
| CN202643379U true CN202643379U (en) | 2013-01-02 |
Family
ID=47412516
Family Applications (1)
| Application Number | Title | Priority Date | Filing Date |
|---|---|---|---|
| CN 201220180919 Expired - Lifetime CN202643379U (en) | 2012-04-26 | 2012-04-26 | Concentrated water recycling system of reverse osmosis water making device |
Country Status (1)
| Country | Link |
|---|---|
| CN (1) | CN202643379U (en) |
Cited By (2)
| Publication number | Priority date | Publication date | Assignee | Title |
|---|---|---|---|---|
| CN105948173A (en) * | 2016-05-12 | 2016-09-21 | 广东顺德工业设计研究院(广东顺德创新设计研究院) | RO (reverse osmosis) water purification system and control method thereof |
| CN109368891A (en) * | 2018-11-01 | 2019-02-22 | 重庆众泰汽车工业有限公司 | A kind of concentrated water recycling concentration and discharge utilize technique |
-
2012
- 2012-04-26 CN CN 201220180919 patent/CN202643379U/en not_active Expired - Lifetime
Cited By (2)
| Publication number | Priority date | Publication date | Assignee | Title |
|---|---|---|---|---|
| CN105948173A (en) * | 2016-05-12 | 2016-09-21 | 广东顺德工业设计研究院(广东顺德创新设计研究院) | RO (reverse osmosis) water purification system and control method thereof |
| CN109368891A (en) * | 2018-11-01 | 2019-02-22 | 重庆众泰汽车工业有限公司 | A kind of concentrated water recycling concentration and discharge utilize technique |
Similar Documents
| Publication | Publication Date | Title |
|---|---|---|
| CN202643379U (en) | Concentrated water recycling system of reverse osmosis water making device | |
| CN201354770Y (en) | Cooling water circulation device for pumps | |
| CN202063751U (en) | Wastewater recycling device for water purifier | |
| CN203540348U (en) | Novel pure water system negative pressure dosing device | |
| CN203144184U (en) | Water purifier | |
| CN201884930U (en) | Drain recovery device for high-pressure steam pipeline | |
| CN202360417U (en) | Water supply device of improved water-ring vacuum pump | |
| CN202089789U (en) | Industrial cooling water recovery system | |
| CN201596467U (en) | Reverse osmosis unit concentrated water reuse system | |
| CN203043794U (en) | Naphthalene removal and exhaust gas emission device of sulphonating kettle | |
| CN201465721U (en) | Air transformer water cooling system with the function of utilizing afterheat | |
| CN203342423U (en) | Pipeline system of blowdown collection tank | |
| CN202778281U (en) | Reverse osmosis machine concentrated water recycling device in high-density interconnection circuit board process | |
| CN202542969U (en) | Reverse osmosis pure water device | |
| CN203021313U (en) | System for recycling waste water after ink production | |
| CN220622061U (en) | Hydropower station oil-water-gas system | |
| CN202253585U (en) | Water inlet pipeline system for water feeding pump of boiler | |
| CN203158581U (en) | Discharged water recycling device for water jetting tank | |
| CN201588726U (en) | A decomposing circulating water power generation device | |
| CN203701200U (en) | Cooling water saving system for fans and speed reducers | |
| CN203030192U (en) | Multiple-rotor energy conversion device | |
| CN102071727B (en) | Reuse technology for photovoltaic ultrapure water wastewater and dual-pipeline water supply device | |
| CN201892446U (en) | Special water cooler for machine oil production systems | |
| CN203389652U (en) | Fine halogenation reaction tank | |
| CN202315866U (en) | Cooling water recycling system |
Legal Events
| Date | Code | Title | Description |
|---|---|---|---|
| C14 | Grant of patent or utility model | ||
| GR01 | Patent grant | ||
| CX01 | Expiry of patent term |
Granted publication date: 20130102 |
|
| CX01 | Expiry of patent term |