CN202495734U - Overcurrent protection device for distribution box - Google Patents
Overcurrent protection device for distribution box Download PDFInfo
- Publication number
- CN202495734U CN202495734U CN2012201423635U CN201220142363U CN202495734U CN 202495734 U CN202495734 U CN 202495734U CN 2012201423635 U CN2012201423635 U CN 2012201423635U CN 201220142363 U CN201220142363 U CN 201220142363U CN 202495734 U CN202495734 U CN 202495734U
- Authority
- CN
- China
- Prior art keywords
- overcurrent protection
- control unit
- power supply
- distribution box
- overcurrent
- Prior art date
- Legal status (The legal status is an assumption and is not a legal conclusion. Google has not performed a legal analysis and makes no representation as to the accuracy of the status listed.)
- Expired - Fee Related
Links
- 230000001681 protective effect Effects 0.000 claims description 9
- 230000000694 effects Effects 0.000 abstract 1
- 230000002349 favourable effect Effects 0.000 abstract 1
- 238000005516 engineering process Methods 0.000 description 2
- 239000013256 coordination polymer Substances 0.000 description 1
- 238000009429 electrical wiring Methods 0.000 description 1
- 239000004744 fabric Substances 0.000 description 1
- 230000006870 function Effects 0.000 description 1
- 238000009434 installation Methods 0.000 description 1
- 230000001788 irregular Effects 0.000 description 1
- 239000002184 metal Substances 0.000 description 1
- 238000000034 method Methods 0.000 description 1
- 238000007789 sealing Methods 0.000 description 1
Images
Landscapes
- Emergency Protection Circuit Devices (AREA)
Abstract
The utility model discloses an overcurrent protection device for a distribution box. The overcurrent protection device comprises a hall sensor (1) used for detecting a current value of a weak-current cable, a control unit (2) used for controlling a power supply of the weak-current equipment, and a power supply output module (3) used for supplying power to the weak-current equipment, wherein an output end of the hall sensor (1) is connected with the control unit (2), and the control unit (2) is connected with a control end of the power supply output module (3). The overcurrent protection device has the advantages of favorable lightning protection performance, good protection effect of weak-current equipment, simple operation and low cost.
Description
Technical field
The utility model relates to the distribution box field, is specifically related to a kind of overcurrent protective device that is used for distribution box.
Background technology
Distribution box is an electric control field line terminal sink devices commonly used; Can switchgear, measuring instrument, protection electrical equipment and auxiliary equipment be assembled in the sealing that constitutes distribution box or the semiclosed metal cabinet or on the screen width of cloth by the electrical wiring requirement through distribution box; Constitute low-voltage distribution equipment, the personnel that maintain easily safeguard equipment, interface, the circuit of inside.Can connect or divide deenergizing by manual or automatic switch during the general normal operation of distribution box; Then cut off circuit or warning when fault or irregular operating by protection electrical equipment; Can borrow measuring instrument can show operating various parameter; Also can adjust, point out or send signal, be widely used at present building in light current, forceful electric power wiring installation and various generating institute, distribution substation and the electric substation departing from normal operating conditions to some electric parameter.
For southern area, thunderstorm weather is more relatively at present.When thunderstorm weather, in case thunder and lightning takes place, then lightning surge possibly cause the inner various weak current equipments of distribution box to be broken by thunder and lightning along the cable intrusion distribution box, causes economic loss of user.
Summary of the invention
The technical problem that the utility model will solve provides a kind of lightning protection good electrical property, weak current equipment is protected the overcurrent protective device that is used for distribution box effective, that use is simple, with low cost.
For solving the problems of the technologies described above, the technical scheme that the utility model adopts is:
A kind of overcurrent protective device that is used for distribution box; Comprise the Hall element, the control unit that is used to control the weak current equipment power supply that are used to detect light current cable current value, be used to the power supply output module that weak current equipment provides power supply; The output of said Hall element links to each other with control unit, and said control unit links to each other with the control end of power supply output module.
Further improvement as technique scheme:
Said control unit comprises and is used for when the current value of said Hall element output surpasses preset critical the overcurrent protection number of times being added 1 overcurrent protection counter and the count value memory that is used to store the overcurrent protection number of times that said overcurrent protection counter links to each other with the count value memory.
Said control unit also comprises the overcurrent protection number of times display module that is used to show said overcurrent protection number of times, and said overcurrent protection number of times display module links to each other with said control unit.
The utlity model has following advantage:
The overcurrent protective device that the utility model is used for distribution box comprises the Hall element, the control unit that is used to control the weak current equipment power supply that are used to detect light current cable current value, is used to the power supply output module that weak current equipment provides power supply; The output of Hall element links to each other with control unit; Control unit links to each other with the control end of power supply output module; Hall element detects light current cable current value and exports to control unit through the electric current variation; Control unit is controlled the power supply output module and in real time weak current equipment is broken off when current value is too high; Thereby weak current equipment is protected, prevents that weak current equipment from being broken by thunder and lightning, have the protection of lightning protection good electrical property, weak current equipment effective, use advantage simple, with low cost.
Description of drawings
In order to be illustrated more clearly in the utility model embodiment or technical scheme of the prior art; To do to introduce simply to the accompanying drawing of required use in embodiment or the description of the Prior Art below; Obviously, the accompanying drawing in describing below only is some embodiment of the utility model, for those of ordinary skills; Under the prerequisite of not paying creative work, can also obtain other accompanying drawing according to these accompanying drawings.
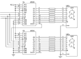
Fig. 1 is the frame structure sketch map of the utility model embodiment.
Fig. 2 is the circuit theory sketch map of overcurrent protection number of times display module among the utility model embodiment.
Marginal data: 1, Hall element; 2, control unit; 21, overcurrent protection counter; 22, count value memory; 23, overcurrent protection number of times display module; 3, power supply output module.
Embodiment
Below in conjunction with accompanying drawing the preferred embodiments of the present invention are set forth in detail, thereby protection scope of the present invention is made more explicit defining so that advantage of the present invention and characteristic can be easier to it will be appreciated by those skilled in the art that.
As shown in Figure 1; The overcurrent protective device that is used for distribution box of present embodiment comprises the Hall element 1, the control unit 2 that is used to control the weak current equipment power supply that are used to detect light current cable current value, is used to the power supply output module 3 that weak current equipment provides power supply; The output of Hall element 1 links to each other with control unit 2, and control unit 2 links to each other with the control end of power supply output module 3.
The control unit 2 of present embodiment comprises and is used for when the current value of Hall element 1 output surpasses preset critical the overcurrent protection number of times being added 1 overcurrent protection counter 21 and the count value memory 22 that is used to store the overcurrent protection number of times that overcurrent protection counter 21 links to each other with count value memory 22.
The control unit 2 of present embodiment also comprises the overcurrent protection number of times display module 23 that is used to show the overcurrent protection number of times, and overcurrent protection number of times display module 23 links to each other with control unit 2.
In the present embodiment; Hall element 1 employing Honeywell SS41F transducer is realized; Control unit 2 adopts the nuc140le3a chip microcontroller, and overcurrent protection counter 21 realizes that based on the inner interrupt function of nuc140le3a single-chip microcomputer count value memory 22 is realized based on NAND FLASH memory; 23 of overcurrent protection number of times display modules adopt the LED charactron to realize, power supply output module 3 adopts reverse-blocking tetrode thyristor to realize.
As shown in Figure 2, the overcurrent protection number of times display module of present embodiment 23 adopts two LED charactrons of LED1 and LED2 to realize, two 6B595 of front-end driven chip employing, its CP port link to each other with control unit 2 respectively.
The course of work of present embodiment is following:
1) Hall element 1 detects light current cable current value, and exports to control unit 2.
2) control unit 2 compares light current cable current value with preset critical value 10A; If light current cable current value is greater than 10A; Then control power supply output module 3 immediately and close the power supply of weak current equipment (modulator-demodulator, router etc.); Simultaneously the overcurrent protection number of times is added 1, and on overcurrent protection number of times display module 23, the overcurrent protection number of times is shown.
3) after light current cable current value returns to normal value, control unit 2 is controlled the power supply that power supply output module 3 is opened weak current equipment (modulator-demodulator, router etc.) immediately, and weak current equipment begins to recover operate as normal.
The above is merely the preferred implementation of the utility model, and the protection range of the utility model is not limited in above-mentioned execution mode, and every technical scheme that belongs to the utility model principle all belongs to the protection range of the utility model.For a person skilled in the art, some improvement and the retouching under the prerequisite of the principle that does not break away from the utility model, carried out, these improvement and retouching also should be regarded as the protection range of the utility model.
Claims (3)
1. overcurrent protective device that is used for distribution box; It is characterized in that: comprise the Hall element (1), the control unit (2) that is used to control the weak current equipment power supply that are used to detect light current cable current value, be used to the power supply output module (3) that weak current equipment provides power supply; The output of said Hall element (1) links to each other with control unit (2), and said control unit (2) links to each other with the control end of power supply output module (3).
2. the overcurrent protective device that is used for distribution box according to claim 1; It is characterized in that: said control unit (2) comprises the count value memory (22) that is used for that when the current value of said Hall element (1) output surpasses preset critical the overcurrent protection number of times added 1 overcurrent protection counter (21) and is used to store the overcurrent protection number of times, and said overcurrent protection counter (21) links to each other with count value memory (22).
3. the overcurrent protective device that is used for distribution box according to claim 2; It is characterized in that: said control unit (2) also comprises the overcurrent protection number of times display module (23) that is used to show said overcurrent protection number of times, and said overcurrent protection number of times display module (23) links to each other with said control unit (2).
Priority Applications (1)
| Application Number | Priority Date | Filing Date | Title |
|---|---|---|---|
| CN2012201423635U CN202495734U (en) | 2012-04-07 | 2012-04-07 | Overcurrent protection device for distribution box |
Applications Claiming Priority (1)
| Application Number | Priority Date | Filing Date | Title |
|---|---|---|---|
| CN2012201423635U CN202495734U (en) | 2012-04-07 | 2012-04-07 | Overcurrent protection device for distribution box |
Publications (1)
| Publication Number | Publication Date |
|---|---|
| CN202495734U true CN202495734U (en) | 2012-10-17 |
Family
ID=47001946
Family Applications (1)
| Application Number | Title | Priority Date | Filing Date |
|---|---|---|---|
| CN2012201423635U Expired - Fee Related CN202495734U (en) | 2012-04-07 | 2012-04-07 | Overcurrent protection device for distribution box |
Country Status (1)
| Country | Link |
|---|---|
| CN (1) | CN202495734U (en) |
Cited By (2)
| Publication number | Priority date | Publication date | Assignee | Title |
|---|---|---|---|---|
| CN103532090A (en) * | 2013-10-30 | 2014-01-22 | 沈阳君威新能科技有限公司 | Multilevel, online and adjustable overcurrent protection module |
| CN104953488A (en) * | 2015-07-10 | 2015-09-30 | 成都振中电气有限公司 | Whole set of lightning protection type electrical distribution box |
-
2012
- 2012-04-07 CN CN2012201423635U patent/CN202495734U/en not_active Expired - Fee Related
Cited By (3)
| Publication number | Priority date | Publication date | Assignee | Title |
|---|---|---|---|---|
| CN103532090A (en) * | 2013-10-30 | 2014-01-22 | 沈阳君威新能科技有限公司 | Multilevel, online and adjustable overcurrent protection module |
| CN103532090B (en) * | 2013-10-30 | 2016-02-17 | 沈阳君威新能科技有限公司 | Overcurrent protection module that multistage in-line is adjustable |
| CN104953488A (en) * | 2015-07-10 | 2015-09-30 | 成都振中电气有限公司 | Whole set of lightning protection type electrical distribution box |
Similar Documents
| Publication | Publication Date | Title |
|---|---|---|
| CN103872658A (en) | Multifunctional self-recovery over-voltage and under-voltage protector | |
| CN201594732U (en) | Lightning-protection anti-interference filter | |
| CN108767817B (en) | Temporary power utilization fault alarm device for construction site | |
| CN202495734U (en) | Overcurrent protection device for distribution box | |
| CN109842102A (en) | A kind of overload short circuit protection circuit and device | |
| CN202495693U (en) | Distribution box with automatic heat-radiation function | |
| CN204425271U (en) | There is the photovoltaic supervising device of arc-detection function | |
| CN206878459U (en) | A kind of electric-power metering comprehensive protection device | |
| CN106132050A (en) | Intelligent road-lamp with residual current protecting controls chopper | |
| CN209448418U (en) | A kind of overload short circuit protection circuit and device | |
| CN206790091U (en) | A kind of SPD back-up protection devices with intellectual monitoring function | |
| CN206697889U (en) | A kind of port case for bus duct | |
| CN206564572U (en) | A kind of photovoltaic generation header box | |
| CN202797949U (en) | Three-phase fixed-value surge suppressor | |
| CN203300962U (en) | Intelligent protective high-voltage charge control metering cabinet for power grid | |
| CN204068223U (en) | Integrated protection and monitoring device | |
| CN202633933U (en) | Surge protector circuit of low-voltage power supply | |
| CN204595476U (en) | A kind of can the electric prospection apparatus of Intelligent adjustment | |
| CN201903131U (en) | Energy-saving multifunctional protector for air conditioner in machine room | |
| CN203850824U (en) | Multifunctional self-recovery over-voltage and under-voltage protector | |
| CN203617706U (en) | Multifunctional surge protector | |
| CN205753338U (en) | A kind of Novel intelligent current-limiting protection device | |
| CN207200723U (en) | A kind of intelligent RS485 hubs | |
| CN201048275Y (en) | Household electrical appliance protector for preventing lighting strike and overvoltage | |
| CN201430382Y (en) | Lightning protection distribution box |
Legal Events
| Date | Code | Title | Description |
|---|---|---|---|
| C14 | Grant of patent or utility model | ||
| GR01 | Patent grant | ||
| C17 | Cessation of patent right | ||
| CF01 | Termination of patent right due to non-payment of annual fee |
Granted publication date: 20121017 Termination date: 20130407 |