CN202416499U - 一种简易双浮球阀台盆废水利用马桶水箱 - Google Patents
一种简易双浮球阀台盆废水利用马桶水箱 Download PDFInfo
- Publication number
- CN202416499U CN202416499U CN2011205293195U CN201120529319U CN202416499U CN 202416499 U CN202416499 U CN 202416499U CN 2011205293195 U CN2011205293195 U CN 2011205293195U CN 201120529319 U CN201120529319 U CN 201120529319U CN 202416499 U CN202416499 U CN 202416499U
- Authority
- CN
- China
- Prior art keywords
- water
- float valve
- water tank
- counter basin
- pipe
- Prior art date
- Legal status (The legal status is an assumption and is not a legal conclusion. Google has not performed a legal analysis and makes no representation as to the accuracy of the status listed.)
- Expired - Fee Related
Links
- XLYOFNOQVPJJNP-UHFFFAOYSA-N water Substances O XLYOFNOQVPJJNP-UHFFFAOYSA-N 0.000 title claims abstract description 75
- 239000002351 wastewater Substances 0.000 title claims abstract description 44
- 239000008399 tap water Substances 0.000 claims abstract description 16
- 235000020679 tap water Nutrition 0.000 claims abstract description 16
- 238000011084 recovery Methods 0.000 claims abstract description 14
- 238000002347 injection Methods 0.000 claims abstract 6
- 239000007924 injection Substances 0.000 claims abstract 6
- 238000011010 flushing procedure Methods 0.000 abstract 2
- 230000005540 biological transmission Effects 0.000 description 6
- 239000007788 liquid Substances 0.000 description 5
- 238000005516 engineering process Methods 0.000 description 3
- 230000000694 effects Effects 0.000 description 2
- 230000009286 beneficial effect Effects 0.000 description 1
- 238000004140 cleaning Methods 0.000 description 1
- 239000004519 grease Substances 0.000 description 1
- JEGUKCSWCFPDGT-UHFFFAOYSA-N h2o hydrate Chemical compound O.O JEGUKCSWCFPDGT-UHFFFAOYSA-N 0.000 description 1
- 238000004519 manufacturing process Methods 0.000 description 1
- 239000010865 sewage Substances 0.000 description 1
- 239000000344 soap Substances 0.000 description 1
- 210000004243 sweat Anatomy 0.000 description 1
- 238000005406 washing Methods 0.000 description 1
- 239000002699 waste material Substances 0.000 description 1
Images
Landscapes
- Sanitary Device For Flush Toilet (AREA)
Abstract
本实用新型提供一种简易双浮球阀台盆废水利用马桶水箱,包括箱体,冲水开关,冲水启动臂与联动臂、球塞,溢流管,联动臂上的导向固定装置以及与箱体连接的自来水供水管,自来水供水管水箱端设有注水口、浮球阀,废水浮球及浮臂组件,还设有卡子位于废水浮球及浮臂组件上端,所述溢流管与水箱出水口相连,溢流管末端设有溢流口,还包括与箱体连接的台盆废水回收管,台盆废水回收管水箱端设有注水口、浮球阀,废水浮球及浮臂组件,所述溢流口低于台盆废水回收管的注水口。本实用新型结构简单,使用简便,相对于普通马桶水箱,仅增加了一个浮球阀与进水管。
Description
技术领域
本实用新型涉及一种马桶水箱,尤其涉及一种简易双浮球阀台盆废水利用马桶水箱。
背景技术
水资源的节约与再利用是绿色建筑领域的重要发展方向,如何最大程度的利用生活废水成为绿色建筑研究的重要内容之一。
台盆废水是生活中相对干净的废水,仅有掺有少量的肥皂、汗液、毛发与油脂等,不易造成水管堵塞。
在洗手间中,台盆与马桶或便盆是必备的设备,一方面马桶或便盆需要消耗大量清洁自来水,另一方面台盆中的水经简单洗漱后即被流放,放弃了对其的二次使用,收集台盆废水冲洗马桶或便盆则是一种有效的节水措施。
发明内容
为解决上述技术问题,本实用新型提供一种能够有效节水,且结构简单的简易双浮球阀台盆废水利用马桶水箱。
本实用新型解决上述技术问题的技术方案是:包括箱体,冲水开关,冲水启动臂与联动臂、球塞,溢流管,联动臂上的导向固定装置以及与箱体连接的自来水供水管,自来水供水管水箱端设有注水口、浮球阀,废水浮球及浮臂组件,还设有卡子位于废水浮球及浮臂组件上端,溢流管末端设有溢流口,还包括与箱体连接的台盆废水回收管,台盆废水回收管水箱端设有注水口、浮球阀,废水浮球及浮臂组件,所述溢流口低于台盆废水回收管的注水口。
本实用新型的有益效果在于:相对已有的台盆水回收装置,本实用新型结构简单,成本增量非常少;其次,相对于普通马桶水箱,仅增加了一个浮球阀与进水管,加工难度低,生产成本增加几乎可忽略不计,再次,当水箱充满时,废水可通过溢流管流出,不必设置过大的水箱,在一定程度上达到废水回收利用与室内空间占用的平衡。
附图说明
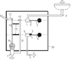
图1为本实用新型的结构示意图。
具体实施方式
如图1所示,本实用新型包括箱体18,与箱体18连接的台盆废水回收管4、自来水供水管9,冲水装置,溢流管11,所述冲水装置由箱体18上的冲水开关12,冲水启动臂13与联动臂14、球塞16连接组成,球塞16位于箱体18底部,其与水箱出水口17相连,所述台盆废水回收管4水箱端设有注水口2及浮球阀1,废水浮球及浮臂组件3,自来水供水管9水箱端均设有注水口7及浮球阀5,废水浮球及浮臂组件8,自来水供水管9水箱端还设有卡子6位于废水浮球及浮臂组件8上端,所述自来水供水管9的注水口7位于水箱18底部,高于球塞16位置,所述台盆废水回收管4的注水口2位于水箱18上部,所述溢流管11与水箱出水口17相连,溢流管11末端设有溢流口10,其位置低于台盆废水回收管4的注水口2,在联动臂14上装有导向固定装置15。
当仅有自来水供应时,自来水通过自来水供水管9的注水口7充入箱体18,由浮球阀5与浮球与浮臂8来控制,当液面涨到图1下部虚线位置时,即约一半的储水量时,停止注入自来水,如果此时再没有其他注水进入箱体18,则相当于普通马桶水箱。
当台盆废水管4有水注入水箱时,卡子6将阻止废水浮球与浮臂8继续因为浮力上升,进而可继续由水注水口2向水箱注水。当水位上升至图1的上部虚线位置时,由于台盆废水浮球阀1与废水浮球与浮臂组件3的作用,停止注水动作。至此,水箱中被自来水与台盆废水的混合水所注满。
当使用时,按下冲水开关12,此动作被冲水启动臂13与联动臂14所传动,球塞16被提起,水由水箱出水口17冲出,达到冲洗马桶或者便盆的效果。
当水箱处于满液状态时,按下冲水开关12,液面将下降至图1所示下部虚线位置。如果使用台盆洗漱,其废水将通过台盆废水回收管4回收至箱体18中。如果回收水量超过1所示上部虚线位置时,过量废水将通过溢流口10与溢流管11流出,以防止过量水膨出水箱。
当水箱处于非满液状态时,按下冲水开关12,液面也将下降至图1所示下部虚线位置。如果此时冲洗效果不佳,则可再按下冲水开关12,利用下部虚线位置以下的水量冲洗马桶或便盆。之后,自来水又将通过自来水供水管9的浮球阀5自动补满下部虚线位置以下的水量。
Claims (1)
1.一种简易双浮球阀台盆废水利用马桶水箱,包括箱体,冲水开关,冲水启动臂与联动臂,球塞,溢流管,联动臂上的导向固定装置以及与箱体连接的自来水供水管,自来水供水管水箱端设有注水口、浮球阀,废水浮球及浮臂组件,还设有卡子位于废水浮球及浮臂组件上端,溢流管末端设有溢流口,其特征在于:还包括与箱体连接的台盆废水回收管,台盆废水回收管水箱端设有注水口、浮球阀,废水浮球及浮臂组件,所述溢流口低于台盆废水回收管的注水口。
Priority Applications (1)
| Application Number | Priority Date | Filing Date | Title |
|---|---|---|---|
| CN2011205293195U CN202416499U (zh) | 2011-12-17 | 2011-12-17 | 一种简易双浮球阀台盆废水利用马桶水箱 |
Applications Claiming Priority (1)
| Application Number | Priority Date | Filing Date | Title |
|---|---|---|---|
| CN2011205293195U CN202416499U (zh) | 2011-12-17 | 2011-12-17 | 一种简易双浮球阀台盆废水利用马桶水箱 |
Publications (1)
| Publication Number | Publication Date |
|---|---|
| CN202416499U true CN202416499U (zh) | 2012-09-05 |
Family
ID=46741278
Family Applications (1)
| Application Number | Title | Priority Date | Filing Date |
|---|---|---|---|
| CN2011205293195U Expired - Fee Related CN202416499U (zh) | 2011-12-17 | 2011-12-17 | 一种简易双浮球阀台盆废水利用马桶水箱 |
Country Status (1)
| Country | Link |
|---|---|
| CN (1) | CN202416499U (zh) |
Cited By (4)
| Publication number | Priority date | Publication date | Assignee | Title |
|---|---|---|---|---|
| CN106320467A (zh) * | 2016-07-08 | 2017-01-11 | 王振铎 | 洗手池节水装置 |
| CN107905292A (zh) * | 2017-11-28 | 2018-04-13 | 凌海峰 | 一种医疗器具清洗装置 |
| CN109440858A (zh) * | 2018-12-26 | 2019-03-08 | 王以彬 | 一种全自动废水回收利用装置 |
| CN113931262A (zh) * | 2021-11-03 | 2022-01-14 | 张晓超 | 住宅生活废水生物净化自动回收利用系统 |
-
2011
- 2011-12-17 CN CN2011205293195U patent/CN202416499U/zh not_active Expired - Fee Related
Cited By (5)
| Publication number | Priority date | Publication date | Assignee | Title |
|---|---|---|---|---|
| CN106320467A (zh) * | 2016-07-08 | 2017-01-11 | 王振铎 | 洗手池节水装置 |
| CN107905292A (zh) * | 2017-11-28 | 2018-04-13 | 凌海峰 | 一种医疗器具清洗装置 |
| CN109440858A (zh) * | 2018-12-26 | 2019-03-08 | 王以彬 | 一种全自动废水回收利用装置 |
| CN113931262A (zh) * | 2021-11-03 | 2022-01-14 | 张晓超 | 住宅生活废水生物净化自动回收利用系统 |
| CN113931262B (zh) * | 2021-11-03 | 2024-03-08 | 张晓超 | 住宅生活废水生物净化自动回收利用系统 |
Similar Documents
| Publication | Publication Date | Title |
|---|---|---|
| CN202416499U (zh) | 一种简易双浮球阀台盆废水利用马桶水箱 | |
| CN201045201Y (zh) | 家庭废水利用装置 | |
| CN206346259U (zh) | 一种适于学校卫生间使用的废水回收利用装置 | |
| CN203866913U (zh) | 一种生活废水再利用节水装置 | |
| CN202073145U (zh) | 一种家庭节水装置 | |
| CN207176823U (zh) | 楼栋节能排水系统 | |
| CN202164667U (zh) | 一种多层住宅节水装置 | |
| CN203160341U (zh) | 一种卫生间给排水系统 | |
| CN204940401U (zh) | 一种跨楼层中水回收利用系统 | |
| CN201148649Y (zh) | 家用节水装置 | |
| CN202176005U (zh) | 双缸储水座便器 | |
| CN201305920Y (zh) | 简易废水循环利用装置 | |
| CN202831112U (zh) | 洗脸盆水节水系统 | |
| CN206646589U (zh) | 一种生活废水回收系统 | |
| CN204326181U (zh) | 一种新型家庭节水装置 | |
| CN201901910U (zh) | 生活废水二次利用装置 | |
| CN203939094U (zh) | 一种家庭废水循环装置 | |
| CN202689156U (zh) | 节水型马桶 | |
| CN201010967Y (zh) | 脚踏式废水冲厕装置 | |
| CN203049710U (zh) | 生活废水自动回收利用系统 | |
| CN202718200U (zh) | 一种废水利用马桶水箱 | |
| CN213417979U (zh) | 一种附加式卫生间节水装置 | |
| CN201746894U (zh) | 一种用洗漱水冲洗厕所的废水利用系统 | |
| CN201474018U (zh) | 家庭废水利用装置 | |
| CN202298782U (zh) | 一种卫生间用水二次利用节水箱 |
Legal Events
| Date | Code | Title | Description |
|---|---|---|---|
| C14 | Grant of patent or utility model | ||
| GR01 | Patent grant | ||
| CF01 | Termination of patent right due to non-payment of annual fee |
Granted publication date: 20120905 Termination date: 20141217 |
|
| EXPY | Termination of patent right or utility model |