CN202232109U - Elliptic gear-elliptic bevel gear wide-narrow row separately transplanting mechanism for high-speeding rice transplanting machine - Google Patents
Elliptic gear-elliptic bevel gear wide-narrow row separately transplanting mechanism for high-speeding rice transplanting machine Download PDFInfo
- Publication number
- CN202232109U CN202232109U CN2011202550915U CN201120255091U CN202232109U CN 202232109 U CN202232109 U CN 202232109U CN 2011202550915 U CN2011202550915 U CN 2011202550915U CN 201120255091 U CN201120255091 U CN 201120255091U CN 202232109 U CN202232109 U CN 202232109U
- Authority
- CN
- China
- Prior art keywords
- elliptical
- gear
- gears
- planetary
- central
- Prior art date
- Legal status (The legal status is an assumption and is not a legal conclusion. Google has not performed a legal analysis and makes no representation as to the accuracy of the status listed.)
- Expired - Lifetime
Links
Images
Landscapes
- Transplanting Machines (AREA)
Abstract
本实用新型公开了一种高速插秧机椭圆齿轮—椭圆锥齿轮宽窄行分插机构。中心轴两轴端固定有内部传动结构相同的左、右齿轮箱,中心椭圆齿轮通过牙嵌式法兰固定在链轮箱上,且与中间椭圆齿轮啮合,带动与中间椭圆齿轮同轴安装的中间椭圆锥齿轮转动,而中间椭圆锥齿轮与行星椭圆锥齿轮啮合,行星轴伸出齿轮箱的一端固定有栽植臂部件,栽植臂的绝对运动为行星椭圆锥齿轮相对齿轮箱的空间非匀速转动和齿轮箱相对中心轴的圆周运动的合成运动。所述的中间轴与中心轴相平行,而行星轴与中间轴之间的轴交角为不等于90度的一个小角,使得栽植臂上的秧针在取秧后,其插秧点相对于取秧点向左或向右偏移相应距离,实现宽窄行插秧的农艺要求。
The utility model discloses an elliptical gear-elliptical bevel gear wide and narrow row splitting mechanism for a high-speed rice transplanter. The two shaft ends of the central shaft are fixed with left and right gear boxes with the same internal transmission structure. The central oval gear is fixed on the sprocket box through the tooth-embedded flange, and meshes with the middle oval gear to drive the gear box coaxially installed with the middle oval gear. The middle elliptical bevel gear rotates, and the middle elliptical bevel gear meshes with the planetary elliptical bevel gear. The planting arm part is fixed at one end of the planetary shaft protruding from the gearbox. The absolute movement of the planting arm is the non-uniform rotation of the planetary elliptical bevel gear relative to the space of the gearbox. The resultant motion of the circular motion of the gearbox relative to the central axis. The intermediate axis is parallel to the central axis, and the intersecting angle between the planetary axis and the intermediate axis is a small angle not equal to 90 degrees, so that after the seedling needle on the planting arm takes seedlings, its transplanting point is relative to the seedling picking point. The point is shifted to the left or right by the corresponding distance to realize the agronomic requirements of wide and narrow row transplanting.
Description
技术领域 technical field
本实用新型涉及农业机械,尤其涉及一种高速插秧机椭圆齿轮—椭圆锥齿轮宽窄行分插机构。 The utility model relates to agricultural machinery, in particular to an elliptical gear-elliptical bevel gear wide and narrow row splitting mechanism for a high-speed rice transplanter.
背景技术 Background technique
宽窄行插秧是指水稻插秧机的行间距实行一宽一窄的种植方式,这种种植方式利用作物边际优势的增产原理,通过调整插秧的行间距,改善植株间通风、透光度,减轻病害,增加叶面积指数,延长叶片寿命,加速干物质积累,从而达到优质高产、节本增效的目的。 Wide and narrow row transplanting means that the row spacing of the rice transplanter is one wide and one narrow. This planting method uses the principle of crop marginal advantage to increase production. By adjusting the row spacing of transplanting, the ventilation and light transmittance between plants can be improved, and diseases can be reduced. , increase the leaf area index, prolong the life of the leaves, accelerate the accumulation of dry matter, so as to achieve the purpose of high quality, high yield, cost saving and efficiency increase.
分插机构是插秧机上实现取秧、植入田中、使秧苗成行种植的部件。以往公开的分插机构专利文献,齿轮盒中的行星齿轮传动系中,中心轴、中间轴和行星轴多为平行布置,栽植臂上秧针在垂直于中心轴和地面的平面内运动,在现有秧箱取秧口等距分布的前提下,分插机构秧针的轨迹只能实现秧苗的等行距栽植,而不能满足秧苗宽窄行栽植的要求。 The separate transplanting mechanism is a component on the rice transplanter that realizes taking seedlings, implanting them in the field, and planting the seedlings in rows. In the patent documents of the splitting mechanism published in the past, in the planetary gear transmission system in the gear box, the central shaft, the intermediate shaft and the planetary shaft are mostly arranged in parallel, and the needles on the planting arm move in a plane perpendicular to the central shaft and the ground. Under the premise that the seedling openings of the existing seedling boxes are equidistantly distributed, the trajectory of the seedling needles of the separate transplanting mechanism can only realize the equidistant planting of the seedlings, but cannot meet the requirements of planting the seedlings in wide and narrow rows.
发明内容 Contents of the invention
本实用新型的目的是提供一种高速插秧机椭圆齿轮—椭圆锥齿轮宽窄行分插机构,采用椭圆齿轮、椭圆锥齿轮实现宽窄行插秧的要求,通过调节行星椭圆锥齿轮轴与中间椭圆锥齿轮轴之间的轴交角,优化相关机构参数,可以设计出满足不同机型、不同宽窄行农艺要求的宽窄行分插机构。 The purpose of this utility model is to provide a high-speed rice transplanter elliptical gear-elliptical bevel gear wide and narrow row splitting mechanism, using elliptical gear and elliptical bevel gear to realize the requirements of wide and narrow row transplanting, by adjusting the axis of the planetary elliptical bevel gear and the middle elliptical bevel gear By optimizing the intersecting angle between the axes and optimizing the relevant mechanism parameters, it is possible to design a wide and narrow row insertion mechanism that meets the agronomic requirements of different models and different width and narrow rows.
为了达到上述目的,本实用新型采用的技术方案是: In order to achieve the above object, the technical scheme that the utility model adopts is:
本实用新型包括在链轮箱内的动力由安装在主动链轮轴上的主动链轮经链条传递到中心链轮上,中心链轮固接在中心轴上,中心轴两轴端分别固定有内部传动结构相同的左、右齿轮箱,伸出左、右齿轮箱外的左上、左下、右上和右下的行星轴上分别装有结构相同的左上、左下、右上和右下栽植臂部件。 The power contained in the sprocket box of the utility model is transmitted to the center sprocket by the drive sprocket installed on the drive sprocket shaft through the chain, the center sprocket is fixedly connected to the center shaft, and the two shaft ends of the center shaft are respectively fixed with inner sprockets. The left and right gear boxes with the same transmission structure, the upper left, lower left, upper right and lower right planetary shafts extending out of the left and right gear boxes are respectively equipped with upper left, lower left, upper right and lower right planting arm parts with the same structure.
在左齿轮箱内的左中心椭圆齿轮空套在中心轴的一端,通过左牙嵌式法兰与链轮箱的一端固定联接,左中心椭圆齿轮分别与固装在左上、左下中间轴上的左上、左下中间椭圆齿轮相啮合,分别带动与左上、左下中间椭圆齿轮同轴安装的左上、左下中间椭圆锥齿轮转动,左上、左下中间椭圆锥齿轮分别与固装在左上、左下行星轴上的左上、左下行星椭圆锥齿轮相啮合,左上、左下行星轴伸出左齿轮箱的一端固定有左上、左下栽植臂,左上、左下栽植臂的绝对运动为左上、左下行星椭圆锥齿轮相对左齿轮箱的非匀速转动和左齿轮箱绕中心轴的圆周运动的合成运动。 The left central elliptical gear in the left gear box is vacantly sleeved on one end of the central shaft, and is fixedly connected with one end of the sprocket box through the left tooth embedded flange. The upper left and lower left middle elliptical gears mesh with each other to drive the upper left and lower left middle elliptical bevel gears coaxially installed with the upper left and lower left middle elliptical gears to rotate respectively. The upper left and lower left planetary elliptical bevel gears mesh with each other, and the upper left and lower left planetary shafts protrude from the end of the left gearbox to fix the upper left and lower left planting arms. The absolute movement of the upper left and lower left planting arms is that the upper left and lower left planetary elliptical bevel gears are relative to the left gearbox The synthetic motion of the non-uniform rotation and the circular motion of the left gearbox around the central axis.
在右齿轮箱内的右中心椭圆齿轮空套在中心轴的另一端,通过右牙嵌式法兰与链轮箱的另一端固定联接,右中心椭圆齿轮分别与固装在右上、右下中间轴上的右上、右下中间椭圆齿轮相啮合,分别带动与右上、右下中间椭圆齿轮同轴安装的右上、右下中间椭圆锥齿轮转动,右上、右下中间椭圆锥齿轮分别与固装在右上、右下行星轴上的右上、右下行星椭圆锥齿轮相啮合,右上、右下行星轴伸出右齿轮箱的一端固定有右上、右下栽植臂,右上、右下栽植臂的绝对运动为右上、右下行星椭圆锥齿轮相对右齿轮箱的非匀速转动和右齿轮箱绕中心轴的圆周运动的合成运动。 The right central elliptical gear in the right gear box is idling on the other end of the central shaft, and is fixedly connected with the other end of the sprocket box through the right tooth embedded flange. The upper right and lower right middle elliptical gears on the shaft mesh with each other to drive the upper right and lower right middle elliptical bevel gears coaxially installed with the upper right and lower right middle elliptical gears to rotate respectively. The upper right and lower right planetary elliptical bevel gears on the upper right and lower right planetary shafts are meshed, and the upper right and lower right planetary shafts protrude from one end of the right gearbox to fix the upper right and lower right planting arms, and the absolute movement of the upper right and lower right planting arms It is the composite motion of the non-uniform rotation of the right upper and lower right planetary elliptical bevel gears relative to the right gear box and the circular motion of the right gear box around the central axis.
所述的左、右齿轮箱内的左、右中心椭圆齿轮,左上、左下、右上、右下中间椭圆锥齿轮和左上、左下、右上、右下行星椭圆锥齿轮三轴齿轮行星系的三轴轴心的相对位置成直线形排列。 The left and right central elliptical gears in the left and right gearboxes, the upper left, lower left, upper right, and lower right middle elliptical bevel gears and the upper left, lower left, upper right, and lower right planetary elliptical bevel gears are the three axes of the planetary system. The relative positions of the axes are arranged in a straight line.
所述的左上、左下、右上、右下中间轴与中心轴平行,左上、左下、右上、右下行星轴与左上、左下、右上、右下中间轴的轴交角为不等于90度的 角,根据相应的宽窄行行距农艺要求调节设计,使得左上、左下、右上、右下栽植臂上的秧针在取秧后,其插秧点相对于取秧点向左或向右偏移相应距离,从而实现所插秧苗行距宽窄分布。 The upper left, lower left, upper right, and lower right intermediate axes are parallel to the central axis, and the intersecting angles between the upper left, lower left, upper right, and lower right planetary axes and the upper left, lower left, upper right, and lower right intermediate axes are not equal to 90 degrees Adjust the design according to the corresponding wide and narrow row spacing agronomic requirements, so that after the seedling needles on the upper left, lower left, upper right, and lower right planting arms are taken, the transplanting point will be offset to the left or right by the corresponding distance relative to the taking point , so as to realize the wide and narrow distribution of the row spacing of the transplanted rice seedlings.
所述的左、右齿轮箱内的左、右中心椭圆齿轮,左上、左下、右上、右下中间椭圆齿轮都是正齿椭圆齿轮。 The left and right central elliptical gears in the left and right gear boxes, the upper left, lower left, upper right, and lower right middle elliptical gears are all spur elliptical gears .
所述的左、右中心椭圆齿轮,左上、左下、右上、右下中间椭圆齿轮是几何参数完全相同的正齿椭圆齿轮;左上、左下、右上、右下中间椭圆锥齿轮,左、右行星椭圆锥齿轮是齿轮几何参数完全相同的椭圆锥齿轮。 The left and right central elliptical gears, the upper left, lower left, upper right, and lower right middle elliptical gears are spur elliptical gears with identical geometric parameters; Bevel gears are elliptical bevel gears with identical geometric parameters.
本实用新型具有的有益效果是: The beneficial effect that the utility model has is:
固定在中心轴上的左、右齿轮箱内设置相互啮合的左、右中心椭圆齿轮、左、右中间椭圆齿轮,同轴安装的左、右中间椭圆齿轮、左、右中间椭圆锥齿轮,相互啮合的左、右中间椭圆锥齿轮、左、右行星椭圆锥齿轮,左、右行星椭圆锥齿轮与左、右中间椭圆锥齿轮之间的轴交角为不等于90度的一个小角,使得栽植臂秧针在取秧后,其插秧点相对于取秧点向左或向右偏移相应距离,使得所插秧苗行距成宽窄变化,实现宽窄行插秧的农艺要求,改变轴交角的大小,该分插机构可以满足不同的宽窄行农艺要求。 The left and right gear boxes fixed on the central shaft are provided with left and right central elliptical gears, left and right middle elliptical gears, coaxially installed left and right middle elliptical gears, left and right middle elliptical bevel gears, mutually meshing The meshing left and right middle elliptical bevel gears, left and right planetary elliptical bevel gears, the axis intersection angle between the left and right planetary elliptical bevel gears and the left and right middle elliptical bevel gears is a small angle not equal to 90 degrees , so that after the seedling needle of the planting arm takes the seedlings, the transplanting point is shifted to the left or right by the corresponding distance relative to the seedling picking point, so that the row spacing of the transplanted seedlings is changed into width and narrowness, and the agronomic requirements of wide and narrow row transplanting are realized, and the axis angle can be changed. The size of the extension and insertion mechanism can meet the agronomic requirements of different width and narrow rows.
附图说明 Description of drawings
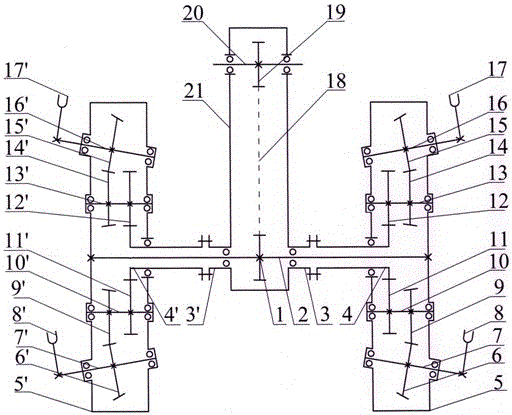
图1是本实用新型的机构示意图。 Fig. 1 is a schematic diagram of the mechanism of the utility model.
图2是本实用新型的传动齿轮结构图,图中角表示行星椭圆锥齿轮和中间椭圆锥齿轮之间的轴交角。 Fig. 2 is the structural diagram of transmission gear of the present utility model, among the figure Angle represents the shaft intersection angle between the planetary elliptical bevel gear and the intermediate elliptical bevel gear.
图3是本实用新型的栽植臂内部结构图。 Fig. 3 is a diagram of the internal structure of the planting arm of the present invention.
图4是图2的A向视图,表示本实用新型的传动齿轮布置图。 Fig. 4 is a view from the direction A of Fig. 2, showing the layout of the transmission gear of the present utility model.
图5是本实用新型安装在同一链轮箱上左右一对分插机构形成的在插秧机前进方向插秧轨迹推秧点距离大于秧门间距的原理示意图。 Fig. 5 is a schematic diagram of the principle of the utility model installed on the same sprocket box with a pair of sub-transplanting mechanisms on the left and right in the forward direction of the rice transplanter. the
图6是本实用新型安装在相邻链轮箱上相邻的两个分插机构形成的在插秧机前进方向插秧轨迹推秧点距离小于秧门间距的原理示意图。 Fig. 6 is a schematic diagram of the principle that the distance between the pushing points of the seedling trajectory in the forward direction of the rice transplanter is less than the distance between the seedling doors formed by the two adjacent sub-planting mechanisms installed on the adjacent sprocket box of the utility model.
图中:1.中心链轮,2.中心轴,3.右牙嵌式法兰,3'.左牙嵌式法兰,4.右中心椭圆齿轮,4'.左中心椭圆齿轮,5.右齿轮箱,5'.左齿轮箱,6.右下行星椭圆锥齿轮,6'.左下行星椭圆锥齿轮,7.右下行星轴,7'.左下行星轴,8.右下栽植臂,8'.左下栽植臂,9.右下中间椭圆锥齿轮,9'.左下中间椭圆锥齿轮,10.右下中间轴,10'.左下中间轴,11.右下中间椭圆齿轮,11'.左下中间椭圆齿轮,12.右上中间椭圆齿轮,12'.左上中间椭圆齿轮,13.右上中间轴,13'左上中间轴,14.右上中间椭圆锥齿轮,14'.左上中间椭圆锥齿轮,15.右上行星椭圆锥齿轮,15'.左上行星椭圆锥齿轮,16.右上行星轴,16'.左上行星轴,17.右上栽植臂,17'.左上栽植臂,18.链轮,19.主动链轮,20.主动链轮轴,21.链轮箱,22.凸轮,23.拨叉,24.推秧杆,25.弹簧,26.秧门,27.前进方向插秧轨迹,28.地面。 In the figure: 1. Central sprocket, 2. Central shaft, 3. Right toothed flange, 3'. Left toothed flange, 4. Right central elliptical gear, 4'. Left central elliptical gear, 5. Right gearbox, 5'. Left gearbox, 6. Lower right planetary elliptical bevel gear, 6'. Left lower planetary elliptical bevel gear, 7. Right lower planetary shaft, 7'. Left lower planetary shaft, 8. Right lower planting arm, 8'. Lower left planting arm, 9. Lower right middle elliptical bevel gear, 9'. Left lower middle elliptical bevel gear, 10. Right lower middle shaft, 10'. Left lower middle shaft, 11. Right lower middle elliptical gear, 11'. Lower left middle elliptical gear, 12. Upper right middle elliptical gear, 12'. Upper left middle elliptical gear, 13. Upper right middle shaft, 13' Upper left middle shaft, 14. Upper right middle elliptical bevel gear, 14'. Upper left middle middle elliptical bevel gear, 15 .Upper right planetary elliptical bevel gear, 15'.Left upper planetary elliptical bevel gear, 16.Right upper planetary shaft, 16'.Left upper planetary shaft, 17.Right upper planting arm, 17'.Left upper planting arm, 18.Sprocket, 19.Drive Sprocket, 20. driving sprocket shaft, 21. sprocket box, 22. cam, 23. shift fork, 24. pushing away seedling bar, 25. spring, 26. seedling door, 27. forward direction rice transplanting track, 28. ground.
具体实施方式 Detailed ways
下面结合附图和实施例对本实用新型作进一步说明。 Below in conjunction with accompanying drawing and embodiment the utility model is further described.
如图1、图2、图3所示,本实用新型包括在链轮箱21内的动力由安装在主动链轮轴20上的主动链轮19经链条18传递到中心链轮1上,中心链轮1固接在中心轴2上,中心轴2两轴端分别固定有内部传动结构相同的左、右齿轮箱5'、5,伸出左、右齿轮箱5'、5外的左上、左下、右上和右下的行星轴上分别装有结构相同的左上、左下、右上和右下栽植臂部件。
As shown in Fig. 1, Fig. 2 and Fig. 3, the power included in the
在左齿轮箱5'内的左中心椭圆齿轮4'空套在中心轴的一端,通过左牙嵌式法兰3'与链轮箱21的一端固定联接,左中心椭圆齿轮4'分别与固装在左上、左下中间轴13'、10'上的左上、左下中间椭圆齿轮12'、11'相啮合,分别带动与左上、左下中间椭圆齿轮12'、11'同轴安装的左上、左下中间椭圆锥齿轮14'、9'转动,左上、左下中间椭圆锥齿轮14'、9'分别与固装在左上、左下行星轴16'、7'上的左上、左下行星椭圆锥齿轮15'、6'相啮合,左上、左下行星轴16'、7'伸出左齿轮箱5'的一端固定有左上、左下栽植臂17'、8',左上、左下栽植臂17'、8'的绝对运动为左上、左下行星椭圆锥齿轮15'、6'相对左齿轮箱5'的非匀速转动和左齿轮箱5'绕中心轴2的圆周运动的合成运动。
The left center oval gear 4' in the left gear box 5' is vacantly sleeved on one end of the central shaft, and is fixedly connected with one end of the
在右齿轮箱5内的右中心椭圆齿轮4空套在中心轴的另一端,通过右牙嵌式法兰3与链轮箱21的另一端固定联接,右中心椭圆齿轮4分别与固装在右上、右下中间轴13、10上的右上、右下中间椭圆齿轮12、11相啮合,分别带动与右上、右下中间椭圆齿轮12、11同轴安装的右上、右下中间椭圆锥齿轮14、9转动,右上、右下中间椭圆锥齿轮14、9分别与固装在右上、右下行星轴16、7上的右上、右下行星椭圆锥齿轮15、6相啮合,右上、右下行星轴16、7伸出右齿轮箱5的一端固定有右上、右下栽植臂8、17,右上、右下栽植臂17、8的绝对运动为右上、右下行星椭圆锥齿轮15、6相对右齿轮箱5的非匀速转动和右齿轮箱5绕中心轴2的圆周运动的合成运动。
The right
所述的左、右齿轮箱5'、5内的左、右中心椭圆齿轮4'、4,左上、左下、右上、右下中间椭圆锥齿轮14'、9'、14、9和左上、左下、右上、右下行星椭圆锥齿轮15'、6'、15、6三轴齿轮行星系的三轴轴心的相对位置成直线形排列。图4中仅表示右传动箱的三轴轴心的相对位置成直线形排列。
The left and right center oval gears 4', 4 in the left and
所述的左上、左下、右上、右下中间轴13'、10'、13、10与中心轴2平行,左上、左下、右上、右下行星轴16'、7'、16、7与左上、左下、右上、右下中间轴13'、10'、13、10的轴交角为不等于90度的角,根据相应的宽窄行行距农艺要求调节设计,使得左上、左下、右上、右下栽植臂17'、8'、17、8上的秧针在取秧后,其插秧点相对于取秧点向左或向右偏移相应距离,从而实现所插秧苗行距宽窄分布。图2中仅表示右传动箱的轴交角。
The upper left, lower left, upper right, lower right
所述的左、右齿轮箱5'、5内的左、右中心椭圆齿轮4'、4,左上、左下、右上、右下中间椭圆齿轮12'、11'、12、11都是正齿椭圆齿轮。 The left and right central oval gears 4', 4 in the left and
所述的左、右中心椭圆齿轮4、4',左上、左下、右上、右下中间椭圆齿轮12'、11'、12、11是几何参数完全相同的正齿椭圆齿轮;左上、左下、右上、右下中间椭圆锥齿轮14'、9'14、9,左、右行星椭圆锥齿轮15'、6'、15、6是齿轮几何参数完全相同的椭圆锥齿轮。
The left and right central
如图2、图4所示,以右齿轮箱5内的齿轮为例说明左、右行星椭圆锥齿轮6、6',15、15'与左、右中间椭圆锥齿轮9、9',14、14'之间的安装关系,右行星轴7、16与右中间轴10、13之间的轴交角,并不等于常见的锥齿轮之间90度的轴交角,而是一个小角,也即右行星椭圆锥齿轮6、15与右中间椭圆锥齿轮9、14大端面之间的轴交角为不等于90度的一个小角,本实用新型也正是利用这个特点设计分插机构的空间插秧轨迹。通过调节右行星椭圆锥齿轮6、15和右中间椭圆锥齿轮9、14之间的轴交角可以形成不同的宽窄行秧针尖点运动轨迹,如图5所示,为安装在同一链轮箱上左右一对分插机构形成的轨迹27,取秧点间的距离小于插秧点间的距离,取秧点即在秧门26处,插秧点即插秧轨迹27与地面28的交点;图6所示为安装在相邻链轮箱上相邻的两个分插机构形成的轨迹27,取秧点距离大于插秧点距离。
As shown in Figure 2 and Figure 4, take the gears in the
本实用新型的工作原理是: The working principle of the utility model is:
分插机构动力由插秧机链轮箱21内的主动链轮19经链条18传递到中心链轮1上,带动中心轴2转动,中心轴2带动左、右齿轮箱5、5'转动,左、右齿轮箱5、5'内,空套在中心轴2上与链轮箱21固定的左、右中心椭圆齿轮4、4'与左、右中间椭圆齿轮11、11',12、12'啮合,左、右中间椭圆锥齿轮9、9',14、14'与左、右中间椭圆齿轮11、11',12、12'同轴安装,且与左、右行星椭圆锥齿轮6、6',15、5'啮合,左、右行星椭圆锥齿轮6、6',15、15'与左、右中间椭圆锥齿轮9、9',14、14'之间的轴交角为不等于90度的一个小角。当左、右行星椭圆锥齿轮6、6',15、15'随左、右行星轴7、7',16、16'相对左、右齿轮箱5、5'转动时,带动左、右栽植臂8、8',17、17'转动,由于左、右行星椭圆锥齿轮6、6',15、15'与左、右中间椭圆锥齿轮9、9',14、14'之间的轴交角并不等于90度,因此左、右栽植臂8、8',17、17'的转动平面与左、右齿轮箱5、5'的转动平面不是平行平面,成的夹角,这样左、右栽植臂8、8',17、17'上的秧针在取秧后,其插秧点相对于取秧点向左或向右偏移相应距离。左、右栽植臂8、8',17、17'的转动使左、右拨叉23围绕固定的左、右凸轮22(固定在左、右齿轮箱5、5'上)摆动,在取秧前左、右拨叉23经过左、右凸轮22的上升段而抬起,将左、右推秧杆24提高至最高点,同时压缩推秧弹簧25;在取秧到插秧前,左、右拨叉23处于左、右凸轮22的最高位置保持段;当秧爪到达插秧位置,左、右拨叉23转至左、右凸轮22缺口,推秧弹簧25回位推动推秧杆24向下快速运动,将秧苗推入土中。从而顺序完成了水稻秧苗的取秧、插秧动作,实现水稻秧苗的机械化宽窄行移栽。
The power of the splitting mechanism is transmitted to the central sprocket 1 by the driving
上述具体实施方式用来解释说明本实用新型,而不是对本实用新型进行限制,在本实用新型的精神和权利要求的保护范围内,对本实用新型作出的任何修改和改变,都落入本实用新型的保护范围。 The above-mentioned specific embodiments are used to explain the utility model, rather than to limit the utility model. Within the spirit of the utility model and the scope of protection of the claims, any modifications and changes made to the utility model fall into the scope of the utility model. scope of protection.
Claims (5)
Priority Applications (1)
| Application Number | Priority Date | Filing Date | Title |
|---|---|---|---|
| CN2011202550915U CN202232109U (en) | 2011-07-19 | 2011-07-19 | Elliptic gear-elliptic bevel gear wide-narrow row separately transplanting mechanism for high-speeding rice transplanting machine |
Applications Claiming Priority (1)
| Application Number | Priority Date | Filing Date | Title |
|---|---|---|---|
| CN2011202550915U CN202232109U (en) | 2011-07-19 | 2011-07-19 | Elliptic gear-elliptic bevel gear wide-narrow row separately transplanting mechanism for high-speeding rice transplanting machine |
Publications (1)
| Publication Number | Publication Date |
|---|---|
| CN202232109U true CN202232109U (en) | 2012-05-30 |
Family
ID=46093443
Family Applications (1)
| Application Number | Title | Priority Date | Filing Date |
|---|---|---|---|
| CN2011202550915U Expired - Lifetime CN202232109U (en) | 2011-07-19 | 2011-07-19 | Elliptic gear-elliptic bevel gear wide-narrow row separately transplanting mechanism for high-speeding rice transplanting machine |
Country Status (1)
| Country | Link |
|---|---|
| CN (1) | CN202232109U (en) |
Cited By (1)
| Publication number | Priority date | Publication date | Assignee | Title |
|---|---|---|---|---|
| CN102301857A (en) * | 2011-07-19 | 2012-01-04 | 浙江理工大学 | Elliptic gear-elliptic bevel gear wide/narrow row alternated transplanting mechanism of high-speed seedling planting machine |
-
2011
- 2011-07-19 CN CN2011202550915U patent/CN202232109U/en not_active Expired - Lifetime
Cited By (1)
| Publication number | Priority date | Publication date | Assignee | Title |
|---|---|---|---|---|
| CN102301857A (en) * | 2011-07-19 | 2012-01-04 | 浙江理工大学 | Elliptic gear-elliptic bevel gear wide/narrow row alternated transplanting mechanism of high-speed seedling planting machine |
Similar Documents
| Publication | Publication Date | Title |
|---|---|---|
| CN101861773B (en) | Planet wheel and shaft staggered elliptical skew gear transmission transplanting mechanism | |
| CN102239764B (en) | Elliptical bevel gear-elliptical gear wide-narrow row transplanting mechanism of high-speed rice transplanter | |
| CN103004346B (en) | Wide and narrow row pot seedling transplant mechanism with non-cone gear | |
| CN102986348A (en) | Transplanting mechanism of non-bevel gear wheel planetary system of travelling wide and narrow row spacing rice transplanter | |
| CN202617670U (en) | Non-conical bevel gear wide and narrow row spacing transplanting mechanism for high speed seedling planting machine | |
| CN201733596U (en) | Oval bevel wheel transmission transplanting mechanism with staggered planet wheel shafts | |
| CN102640602A (en) | Non-conical bevel-gear hybrid transmission wide-row and narrow-row transplanting mechanism for walking type rice transplanting machine | |
| CN102301857B (en) | Elliptic gear-elliptic bevel gear wide/narrow row alternated transplanting mechanism of high-speed seedling planting machine | |
| CN203378250U (en) | Two-stage conjugate non-conical bevel gear wide and narrow row spacing transplanting mechanism of high-speed transplanter | |
| CN202232109U (en) | Elliptic gear-elliptic bevel gear wide-narrow row separately transplanting mechanism for high-speeding rice transplanting machine | |
| CN102640603B (en) | Eccentric-non-conical bevel-gear wide-row and narrow-row transplanting mechanism for walking type rice transplanting machine | |
| CN202565724U (en) | High-order denaturation ellipse bevel gear wide and narrow row spacing transplanting mechanism of high-speed rice transplanter | |
| CN102282947A (en) | Elliptic bevel gear-cylindrical gear wide-and-narrow-row separate transplanting mechanism of high-speed rice seedling transplanting machine | |
| CN202979646U (en) | Non-cone gear planet system sub-transplanting mechanism of walking-type wide-narrow row rice seedling transplanter | |
| CN102308695B (en) | High-speed transplanter cylindrical gear-elliptical cone-shaped gear wide/narrow row transplanting mechanism | |
| CN203105097U (en) | Non-bevel gear wheel pot seedling wide and narrow row spacing transplanting mechanism | |
| CN102239765B (en) | Oval bevel gear planetary system separating-planting mechanism for high-speed wide/narrow row seedling planting machine | |
| CN103404280B (en) | High-speed transplanter special shape gear wide-narrow row transplanting mechanism | |
| CN202697227U (en) | Eccentric and non-conical bevel gear wide and narrow row spacing transplanting mechanism of walking type rice transplanter | |
| CN202617668U (en) | Wide-row and narrow-row transplanting mechanism with eccentric-noncircular bevel gears for high-speed rice transplanting machine | |
| CN202617667U (en) | High-level variable elliptic bevel gear wide-narrow-row transplanting mechanism of walking-type transplanter | |
| CN201947648U (en) | Planet wheel and axle staggered eccentric gear drive transplanting mechanism | |
| CN102124848A (en) | Eccentric-noncircular gears drive separating-planting mechanism with staggered planetary wheel axles | |
| CN102640608A (en) | Wide- and narrow-row transplanting mechanism with bevel crossed-elliptic bevel gears for high-speed transplanter | |
| CN202210950U (en) | Elliptical bevel gear-elliptical gear wide-narrow row separate-transplanting mechanism of high-speed transplanter |
Legal Events
| Date | Code | Title | Description |
|---|---|---|---|
| C14 | Grant of patent or utility model | ||
| GR01 | Patent grant | ||
| AV01 | Patent right actively abandoned |
Granted publication date: 20120530 Effective date of abandoning: 20130306 |
|
| RGAV | Abandon patent right to avoid regrant |










