CN201648620U - An embedded spinning adjustable filament tension control device - Google Patents

An embedded spinning adjustable filament tension control device Download PDF

Info

Publication number
CN201648620U
CN201648620U CN2009202290291U CN200920229029U CN201648620U CN 201648620 U CN201648620 U CN 201648620U CN 2009202290291 U CN2009202290291 U CN 2009202290291U CN 200920229029 U CN200920229029 U CN 200920229029U CN 201648620 U CN201648620 U CN 201648620U
Authority
CN
China
Prior art keywords
tension
disc
tension control
spring
control device
Prior art date
Legal status (The legal status is an assumption and is not a legal conclusion. Google has not performed a legal analysis and makes no representation as to the accuracy of the status listed.)
Expired - Fee Related
Application number
CN2009202290291U
Other languages
Chinese (zh)
Inventor
徐卫林
陈军
叶汶祥
Current Assignee (The listed assignees may be inaccurate. Google has not performed a legal analysis and makes no representation or warranty as to the accuracy of the list.)
Wuhan University of Science and Technology WHUST
Original Assignee
Wuhan University of Science and Technology WHUST
Priority date (The priority date is an assumption and is not a legal conclusion. Google has not performed a legal analysis and makes no representation as to the accuracy of the date listed.)
Filing date
Publication date
Application filed by Wuhan University of Science and Technology WHUST filed Critical Wuhan University of Science and Technology WHUST
Priority to CN2009202290291U priority Critical patent/CN201648620U/en
Application granted granted Critical
Publication of CN201648620U publication Critical patent/CN201648620U/en
Anticipated expiration legal-status Critical
Expired - Fee Related legal-status Critical Current

Links

Images

Landscapes

  • Tension Adjustment In Filamentary Materials (AREA)

Abstract

本实用新型涉及一种嵌入式纺纱可调长丝张力控制装置,安装在环锭细纱机摇架上,适用于棉、毛以及麻纺系统。它是由可调张力控制装置由机座、连杆,张力盘,隔距块,弹簧,弹簧套和张力控制螺母组成。长丝分别从张力盘的盘片之间通过,张力控制螺母和弹簧可控制张力盘盘片对长丝的压力,从而控制长丝张力,两根长丝张力控制准确;同时可通过更换格距块准确调整长丝的间距,从而实现了嵌入式复合纺纱要求的长丝准确、均匀一致喂入,另外,本实用新型定位装置的使用不改变原细纱机结构,安装和拆卸非常方便。

Figure 200920229029

The utility model relates to an embedded spinning adjustable filament tension control device, which is installed on the cradle of a ring spinning frame and is suitable for cotton, wool and hemp spinning systems. It is composed of an adjustable tension control device consisting of a base, a connecting rod, a tension disc, a spacer, a spring, a spring sleeve and a tension control nut. The filaments pass between the disks of the tension disc respectively. The tension control nut and spring can control the pressure of the tension disc on the filaments, thereby controlling the tension of the filaments. The tension of the two filaments can be controlled accurately; The spacing of the filaments can be adjusted accurately by one block, so that the filaments required by the embedded composite spinning can be fed accurately and uniformly. In addition, the positioning device of the utility model does not change the structure of the original spinning frame, and the installation and disassembly are very convenient.

Figure 200920229029

Description

The adjustable thread-tension control device of a kind of embedded spinning
Technical field
The utility model relates to a kind of adjustable thread-tension control device of embedded spinning, belongs to textile processing field.
Background technology
Chinese patent publication number CN101492843, open day on July 29th, 2009, invention and created name is a kind of positioning spinning method of embedded system, this application case discloses a kind of on the drafter of ring throstle, two staple fibre rove from the roving bobbin unwinding is got off carry out drawing-off through the parallel draw zone that enters of guide loudspeaker respectively; Two threads converge with two rove yarns respectively at preceding jaw place from the feeding of front roller rear end; Two rove yarns and two threads through drawing-off enter twist triangle zone twisting after the jaw output in the past, are wound on spun yarn bobbin resultant yarn then, and are different with two threads relative positions according to two rove yarns, form the yarn of various structures.This method not only can be applicable to linen-cotton lousiness spinning field, realize the spinning of ultra-high count yarn, and can realize that the raw material that the traditional ring spinning yarn is difficult to utilize can spin, have resource optimization and make full use of, shorten work flow, reduce the advantage of aspects such as energy resource consumption and consumption of raw materials.In the spinning method that this application case is provided, when two threads tension variation of feeding, the structure that can cause spinning the yarn of processing changes, and therefore needs the tension stability of two threads of feeding, could guarantee the Stability Analysis of Structures of the yarn processed.And the guide wire apparatus that used fine spining machine adopts in the present plant produced can't guarantee to feed the tension stability of long filament, thereby influences yarn quality.
Summary of the invention
At above-mentioned existing problems, the long filament feeding unit that provides a kind of thread-tension controlled is provided the utility model purpose, and its technical solution is:
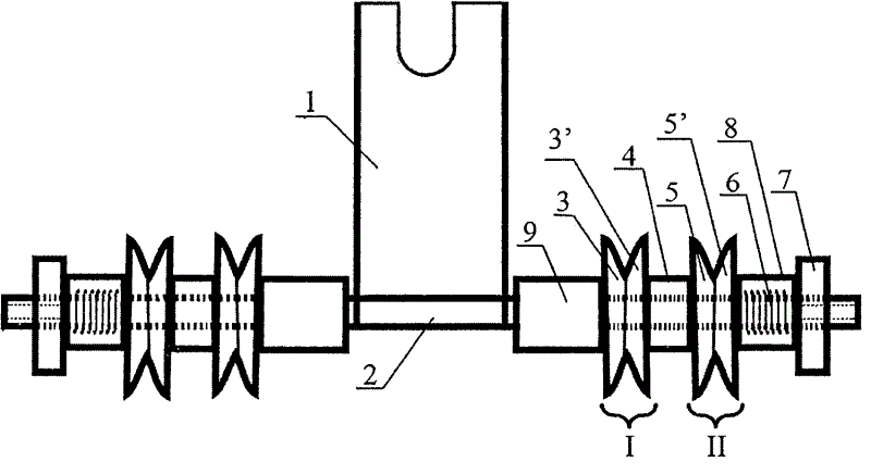
Adjustable tension control device is by support 1, connecting rod 2, tension pulley I, spacing block 4, tension pulley II, spring 6, spring housing 8 and Tension Control nut 7 are formed, and wherein, are symmetrically arranged with fixedly spacer block 9 on the connecting rod 2, connecting rod 2 symmetries are installed on the support 1, tension pulley I is by left disc 3, right disc 3 ' constitutes, and left disc 3 and right disc 3 ' are placed in opposite directions, and tension pulley II is by left disc 5, right disc 5 ', left side disc 5 and right disc 5 ' are placed in opposite directions, tension pulley I, spacing block 4, tension pulley II, spring 6 arrange according to the order of sequence and movable set on connecting rod 2, the end of connecting rod 2 is provided with Tension Control nut 7, spring housing 8 kinks are on spring 6.Spacing block 4 is positioned between the left disc 5 of the right disc 3 ' of tension pulley I and tension pulley II.Spring 6 is positioned between the right disc 5 ' and Tension Control nut 7 of tension pulley II.Spring housing 8 is a flexible body.
Owing to adopted above technical scheme, during adjustable thread-tension control device work of the present utility model, long filament passes through between the tension pulley disc, can regulate thread-tension by the accent Tension Control nut that rises, and two threads Tension Control are accurate; Can accurately adjust the spacing of long filament apart from piece by changing lattice simultaneously, thereby the long filament of having realized the embedded composite spinning requirement is accurate, the uniformity feeding, in addition, the use of the utility model positioner does not change former fine spining machine structure, mounts and dismounts very convenient.
Description of drawings
Fig. 1 is a structural representation of the present utility model
The specific embodiment
Below in conjunction with accompanying drawing the adjustable thread-tension control device of embedded composite spinning of the present utility model is described in further detail.
See accompanying drawing
The adjustable thread-tension control device of the adjustable thread-tension control device of embedded spinning of the present utility model is by support 1, connecting rod 2, tension pulley I, spacing block 4, tension pulley II, spring 6, spring housing 8 and Tension Control nut 7 are formed, wherein, be symmetrically arranged with fixedly spacer block 9 on the connecting rod 2, connecting rod 2 symmetries are installed on the support 1, and support 1 can be installed on the reel cage of drafter.Tension pulley I is made of left disc 3, right disc 3 ', left side disc 3 and right disc 3 ' are placed in opposite directions, tension pulley II is by left disc 5, right disc 5 ', left side disc 5 and right disc 5 ' are placed in opposite directions, tension pulley I, spacing block 4, tension pulley II, spring 6 arrange according to the order of sequence and movable set on connecting rod 2, the end of connecting rod 2 is provided with Tension Control nut 7, and spring housing 8 kinks are on spring 6.Spacing block 4 is positioned between the left disc 5 of the right disc 3 ' of tension pulley I and tension pulley II, and spacing block 4 can be processed into different width according to technological requirement, thereby adjusts the spacings of two feeding long filaments.Spring 6 is positioned between the right disc 5 ' and Tension Control nut 7 of tension pulley II, rotate on the screw thread of connecting rod 2 by Tension Control nut 7, Tension Control nut 7 is compressed and trip spring 6, make the left disc 3 of tension pulley I, the left disc 5 of right disc 3 ' and tension pulley II, right disc 5 ' compresses and unclamps, two threads of feeding are respectively from the left disc 3 of tension pulley I, between the right disc 3 ' and the left disc 5 of tension pulley II, pass through between the right disc 5 ', left disc 3 as tension pulley I, the left disc 5 of right disc 3 ' and tension pulley II, right disc 5 ' compresses and when unclamping, thread-tension is controlled.Spring housing 8 is made by flexible materials such as rubber, plastics, and spring housing 8 can guarantee that flyings do not drop on the spring 6 in company with spring 6 compressions and elongation distortion together.

Claims (4)

1.一种嵌入式纺纱可调长丝张力控制装置,其特征在于:可调张力控制装置由机座(1)、连杆(2),张力盘I,隔距块(4),张力盘II,弹簧(6),弹簧套(8)和张力控制螺母(7)组成,其中,连杆(2)上对称设置有固定隔块(9),连杆(2)对称安装在机座(1)上,张力盘I由左盘片(3)、右盘片(3’)构成,左盘片(3)和右盘片(3’)相向放置,张力盘II由左盘片(5)、右盘片(5’),左盘片(5)和右盘片(5’)相向放置,张力盘I、隔距块(4)、张力盘II、弹簧(6)按序排列并活动套装在连杆(2)上,连杆(2)的端部设置张力控制螺母(7),弹簧套(8)活套在弹簧(6)上。1. An embedded spinning adjustable filament tension control device is characterized in that: the adjustable tension control device consists of support (1), connecting rod (2), tension disc 1, distance block (4), tension Disc II, spring (6), spring sleeve (8) and tension control nut (7), wherein the connecting rod (2) is symmetrically provided with a fixed spacer (9), and the connecting rod (2) is symmetrically installed on the machine base (1), the tension disk I is composed of the left disk (3) and the right disk (3'), the left disk (3) and the right disk (3') are placed opposite to each other, and the tension disk II is composed of the left disk ( 5), the right disc (5'), the left disc (5) and the right disc (5') are placed opposite to each other, and the tension disc I, spacer (4), tension disc II and spring (6) are arranged in sequence And movably sleeved on the connecting rod (2), the end of the connecting rod (2) is provided with a tension control nut (7), and the spring sleeve (8) is looped on the spring (6). 2.根据权利要求1所述的一种嵌入式纺纱可调长丝张力控制装置,其特征在于:隔距块(4)位于张力盘I的右盘片(3’)和张力盘II的左盘片(5)之间。2. An embedded spinning adjustable filament tension control device according to claim 1, characterized in that: the spacer (4) is located on the right disk (3') of tension disk I and the right disk (3') of tension disk II. Between the left disc (5). 3.根据权利要求1所述的一种嵌入式纺纱可调长丝张力控制装置,其特征在于:弹簧(6)位于张力盘II的右盘片(5’)和张力控制螺母(7)之间。3. An embedded spinning adjustable filament tension control device according to claim 1, characterized in that: the spring (6) is located on the right disc (5') of the tension disc II and the tension control nut (7) between. 4.根据权利要求1所述的一种嵌入式纺纱可调长丝张力控制装置,其特征在于弹簧套(8)为柔性体。 4. An embedded spinning adjustable filament tension control device according to claim 1, characterized in that the spring sleeve (8) is a flexible body. the
CN2009202290291U 2009-10-26 2009-10-26 An embedded spinning adjustable filament tension control device Expired - Fee Related CN201648620U (en)

Priority Applications (1)

Application Number Priority Date Filing Date Title
CN2009202290291U CN201648620U (en) 2009-10-26 2009-10-26 An embedded spinning adjustable filament tension control device

Applications Claiming Priority (1)

Application Number Priority Date Filing Date Title
CN2009202290291U CN201648620U (en) 2009-10-26 2009-10-26 An embedded spinning adjustable filament tension control device

Publications (1)

Publication Number Publication Date
CN201648620U true CN201648620U (en) 2010-11-24

Family

ID=43113849

Family Applications (1)

Application Number Title Priority Date Filing Date
CN2009202290291U Expired - Fee Related CN201648620U (en) 2009-10-26 2009-10-26 An embedded spinning adjustable filament tension control device

Country Status (1)

Country Link
CN (1) CN201648620U (en)

Cited By (6)

* Cited by examiner, † Cited by third party
Publication number Priority date Publication date Assignee Title
CN102071503A (en) * 2011-03-04 2011-05-25 上海市毛麻纺织科学技术研究所 Filament tension control device for filament short-fiber composite spinning
CN102296389A (en) * 2011-08-23 2011-12-28 东华大学 Composite spinning device and spinning method for covering rigid fiber filaments with chemical fiber filaments
CN108975010A (en) * 2018-08-30 2018-12-11 金杯电工衡阳电缆有限公司 Colored tape pay-off device with colour band breakthrough auto-alarm function
CN109518331A (en) * 2018-12-27 2019-03-26 山东宏业纺织股份有限公司 A kind of covering yarn process units and its production method
CN110282169A (en) * 2019-05-27 2019-09-27 江苏亿之博实业有限公司 Polypropylene filament yarn processing production line and its working method
CN110683424A (en) * 2019-09-30 2020-01-14 神马实业股份有限公司 Uneven stress eliminating device for textile tows

Cited By (6)

* Cited by examiner, † Cited by third party
Publication number Priority date Publication date Assignee Title
CN102071503A (en) * 2011-03-04 2011-05-25 上海市毛麻纺织科学技术研究所 Filament tension control device for filament short-fiber composite spinning
CN102296389A (en) * 2011-08-23 2011-12-28 东华大学 Composite spinning device and spinning method for covering rigid fiber filaments with chemical fiber filaments
CN108975010A (en) * 2018-08-30 2018-12-11 金杯电工衡阳电缆有限公司 Colored tape pay-off device with colour band breakthrough auto-alarm function
CN109518331A (en) * 2018-12-27 2019-03-26 山东宏业纺织股份有限公司 A kind of covering yarn process units and its production method
CN110282169A (en) * 2019-05-27 2019-09-27 江苏亿之博实业有限公司 Polypropylene filament yarn processing production line and its working method
CN110683424A (en) * 2019-09-30 2020-01-14 神马实业股份有限公司 Uneven stress eliminating device for textile tows

Similar Documents

Publication Publication Date Title
CN201648620U (en) An embedded spinning adjustable filament tension control device
CN201506876U (en) A spinning frame active filament feeding roving creel
CN201148496Y (en) Ball warp beaming machine with multi-flection tension ring pressure device
CN201250311Y (en) Core spun yarn device
CN109137153B (en) A continuous twisting device for yarn
CN107974743B (en) Air cladding yarn machine capable of producing inelastic cladding yarn
CN103938314B (en) The spun yarn even device of a kind of 3 mutual wrapped types and method
CN102808262B (en) Front overfeeding composite spinning device, process and application
CN202139361U (en) Control device capable of changing forming of spinning sections of ring spinning
CN203429314U (en) Wire guiding device applicable to ring spinning core spun yarns
CN102336349A (en) Single-cake double-silk spinning cake forming method for embedded spinning technology
CN201506877U (en) A System Positioning Device for Embedded Spinning
CN204661908U (en) A kind of position and the adjustable bell mouth arrangement of spacing
CN102071503A (en) Filament tension control device for filament short-fiber composite spinning
CN201424534Y (en) Spinning section tension control device
CN201512628U (en) A kind of spinning frame double-drum type filament feeding roving creel
CN202265654U (en) Adjustable device for filament location and silk guide control for embedded spinning
CN201506878U (en) A Filament Positioning Active Feeding Device for Embedded Composite Spinning
CN117661172A (en) Yarn feeding device for vortex spinning machine and control method thereof
CN102704131A (en) Composite filament spreader capable of re-spreading and bundling for asymmetric filament spreading and bunch division, method and application thereof
CN201305683Y (en) Back region finishing device of ring spinning frame
CN221854884U (en) A wire feeding tension control device for a twisting machine
CN113512792A (en) Preparation method of high-performance composite yarn
CN209836412U (en) Device for controlling fibers by disc-shaped structure in drafting and winding area of ring spinning frame
CN203420022U (en) Spinning and winding machine

Legal Events

Date Code Title Description
C14 Grant of patent or utility model
GR01 Patent grant
C17 Cessation of patent right
CF01 Termination of patent right due to non-payment of annual fee

Granted publication date: 20101124

Termination date: 20131026