CN114976259A - Riveting and assembling mechanism for lithium battery cover - Google Patents

Riveting and assembling mechanism for lithium battery cover Download PDF

Info

Publication number
CN114976259A
CN114976259A CN202210559448.1A CN202210559448A CN114976259A CN 114976259 A CN114976259 A CN 114976259A CN 202210559448 A CN202210559448 A CN 202210559448A CN 114976259 A CN114976259 A CN 114976259A
Authority
CN
China
Prior art keywords
die base
matched
lithium battery
riveting
battery cover
Prior art date
Legal status (The legal status is an assumption and is not a legal conclusion. Google has not performed a legal analysis and makes no representation as to the accuracy of the status listed.)
Granted
Application number
CN202210559448.1A
Other languages
Chinese (zh)
Other versions
CN114976259B (en
Inventor
梅金磊
段保印
范红鹏
Current Assignee (The listed assignees may be inaccurate. Google has not performed a legal analysis and makes no representation or warranty as to the accuracy of the list.)
Suzhou Appreciate Intelligent Technology Co Ltd
Original Assignee
Suzhou Appreciate Intelligent Technology Co Ltd
Priority date (The priority date is an assumption and is not a legal conclusion. Google has not performed a legal analysis and makes no representation as to the accuracy of the date listed.)
Filing date
Publication date
Application filed by Suzhou Appreciate Intelligent Technology Co Ltd filed Critical Suzhou Appreciate Intelligent Technology Co Ltd
Priority to CN202210559448.1A priority Critical patent/CN114976259B/en
Publication of CN114976259A publication Critical patent/CN114976259A/en
Application granted granted Critical
Publication of CN114976259B publication Critical patent/CN114976259B/en
Active legal-status Critical Current
Anticipated expiration legal-status Critical

Links

Images

Classifications

    • HELECTRICITY
    • H01ELECTRIC ELEMENTS
    • H01MPROCESSES OR MEANS, e.g. BATTERIES, FOR THE DIRECT CONVERSION OF CHEMICAL ENERGY INTO ELECTRICAL ENERGY
    • H01M10/00Secondary cells; Manufacture thereof
    • H01M10/05Accumulators with non-aqueous electrolyte
    • H01M10/052Li-accumulators
    • HELECTRICITY
    • H01ELECTRIC ELEMENTS
    • H01MPROCESSES OR MEANS, e.g. BATTERIES, FOR THE DIRECT CONVERSION OF CHEMICAL ENERGY INTO ELECTRICAL ENERGY
    • H01M10/00Secondary cells; Manufacture thereof
    • H01M10/05Accumulators with non-aqueous electrolyte
    • H01M10/058Construction or manufacture
    • HELECTRICITY
    • H01ELECTRIC ELEMENTS
    • H01MPROCESSES OR MEANS, e.g. BATTERIES, FOR THE DIRECT CONVERSION OF CHEMICAL ENERGY INTO ELECTRICAL ENERGY
    • H01M50/00Constructional details or processes of manufacture of the non-active parts of electrochemical cells other than fuel cells, e.g. hybrid cells
    • H01M50/10Primary casings; Jackets or wrappings
    • H01M50/147Lids or covers
    • YGENERAL TAGGING OF NEW TECHNOLOGICAL DEVELOPMENTS; GENERAL TAGGING OF CROSS-SECTIONAL TECHNOLOGIES SPANNING OVER SEVERAL SECTIONS OF THE IPC; TECHNICAL SUBJECTS COVERED BY FORMER USPC CROSS-REFERENCE ART COLLECTIONS [XRACs] AND DIGESTS
    • Y02TECHNOLOGIES OR APPLICATIONS FOR MITIGATION OR ADAPTATION AGAINST CLIMATE CHANGE
    • Y02EREDUCTION OF GREENHOUSE GAS [GHG] EMISSIONS, RELATED TO ENERGY GENERATION, TRANSMISSION OR DISTRIBUTION
    • Y02E60/00Enabling technologies; Technologies with a potential or indirect contribution to GHG emissions mitigation
    • Y02E60/10Energy storage using batteries

Landscapes

  • Chemical & Material Sciences (AREA)
  • Chemical Kinetics & Catalysis (AREA)
  • Electrochemistry (AREA)
  • General Chemical & Material Sciences (AREA)
  • Engineering & Computer Science (AREA)
  • Manufacturing & Machinery (AREA)
  • Battery Electrode And Active Subsutance (AREA)
  • Sealing Battery Cases Or Jackets (AREA)

Abstract

本公开提供了一种锂电池盖铆压组装机构,包括机架,机架上设置有下模座、上模座、第一驱动机构及挡料组件,上模座位于下模座的上方,下模座上设置有第一支撑柱,上模座上设置有与第一支撑柱相对应的第一压柱,挡料组件能够对沿下模座与上模座之间穿过进行输送的治具进行阻挡定位,第一驱动机构能够驱动下模座上下运动以使下模座与上模座进行合模和开模,随着下模座与上模座合模,第一支撑柱与第一压柱能够对放置在治具上的产品进行铆压加工。本公开操作方便、快捷,劳动强度低,节省了人力,精度高,安全性和可靠性高,提高了生产效率和产能,便于产品的自动化连线生产,降低了成本等。

Figure 202210559448

The present disclosure provides a riveting and pressing assembly mechanism for a lithium battery cover, comprising a frame, a lower die base, an upper die base, a first driving mechanism and a material blocking component are arranged on the frame, and the upper die base is located above the lower die base, The lower die base is provided with a first support column, and the upper die base is provided with a first pressure column corresponding to the first support column. The jig is blocked and positioned, and the first drive mechanism can drive the lower mold base to move up and down to make the lower mold base and the upper mold base to close and open the mold. The first pressing column can perform riveting processing on the product placed on the fixture. The present disclosure is convenient and fast in operation, low in labor intensity, saves manpower, high in precision, high in safety and reliability, improves production efficiency and productivity, facilitates automated production of products, and reduces costs.

Figure 202210559448

Description

Riveting and assembling mechanism for lithium battery cover
Technical Field
The utility model relates to a lithium battery cover processing equipment especially relates to a lithium battery cover riveting equipment mechanism.
Background
At present, the application of lithium cell is more and more extensive, and lithium cell lid needs to carry out the riveting equipment to some spare parts on the lithium cell lid in process of production, for example with riveting connection such as positive post, negative pole post on the lithium cell lid. However, the traditional mode is manual single-station single-sheet riveting, the angle of manual material taking and placing is not well controlled, the operation is inconvenient, the occupied manpower is large, the efficiency is low, the precision is low, the safety and the reliability are low, the productivity is low, the cost is high, and the like.
Disclosure of Invention
The utility model aims at providing a lithium cell lid riveting equipment mechanism can solve at least one among the above-mentioned technical problem, and this disclosed technical scheme is as follows:
the utility model provides a lithium battery cover riveting equipment mechanism, which comprises a frame, be provided with the die holder in the frame, the upper die base, a drive mechanism and fender material subassembly, the upper die base is located the top of die holder, be provided with first support column on the die holder, be provided with the first compression leg corresponding with first support column on the upper die base, it can block the location to passing the tool of carrying between along die holder and the upper die base to keep off the material subassembly, a drive mechanism can drive the die holder up-and-down motion so that die holder and upper die base carry out compound die and die sinking, along with die holder and upper die base compound die, first support column and first compression leg can carry out the riveting to the product of placing on the tool.
In some embodiments, the upper die base is provided with a first stripper plate, a first elastic piece is arranged between the upper die base and the first stripper plate, the upper end of the first elastic piece is matched with the upper die base, the lower end of the first elastic piece is matched with the first stripper plate, and the first stripper plate can move up and down and compress the first elastic piece simultaneously.
In some embodiments, the rack is provided with a stroke detection assembly matched with the up-and-down movement of the lower die holder and a first detection assembly for detecting the jig.
In some embodiments, the first driving mechanism is an electric cylinder, and the output end of the first driving mechanism is connected with a pressure sensor which is connected with the lower die holder.
In some embodiments, the material blocking assembly comprises a first support, the first support is provided with a first connecting seat and a second driving mechanism for driving the first connecting seat to move up and down, and the first connecting seat is provided with a first catch wheel.
In some embodiments, a lower die plate and a first guide pillar are arranged on the lower die base, the first support pillar is arranged on the lower die plate, the first guide pillar is arranged in the vertical direction, a first guide hole in sliding connection with the first guide pillar is arranged on the lower die plate, a second elastic part is arranged between the lower die plate and the lower die base, the upper end of the second elastic part is matched with the lower die plate, the lower end of the second elastic part is matched with the lower die base, and a second guide hole matched with the first guide pillar is arranged on the upper die base.
In some embodiments, a second stripper plate is arranged on the lower template, a third elastic element is arranged between the second stripper plate and the lower template, the upper end of the third elastic element is matched with the second stripper plate, the lower end of the third elastic element is matched with the lower template, and the second stripper plate can move up and down and compress the third elastic element at the same time.
In some embodiments, a second guide rod is arranged on the lower template and arranged in the vertical direction, the top of the second guide rod is fixedly connected with the second stripper plate, a second limiting part is arranged at the bottom of the second guide rod, a third guide hole in sliding connection with the second guide rod is arranged on the lower template, the upper end of the third elastic element is pressed on the second stripper plate, the lower end of the third elastic element is pressed on the lower template, and the lower template and the second guide rod can slide relatively and compress the third elastic element simultaneously.
In some embodiments, the lower die holder is provided with a first top pillar matched with the first support pillar, the first top pillar is arranged along the vertical direction, the lower die plate is provided with a first through hole matched with the first top pillar, and the first support pillar is provided with a second through hole matched with the first top pillar.
In some embodiments, a second guide pillar for matching with a jig is arranged on the lower template, a third guide pillar for matching with the jig is arranged on the upper die holder, the second guide pillar and the third guide pillar are arranged in the vertical direction, and a third through hole for matching with the second guide pillar is arranged on the second stripper plate.
The beneficial effects of this disclosure are: corresponding conveyor will place the tool of lithium battery lid product and carry to between die holder and the upper die base, it blocks the material subassembly and blocks the location to the tool, then first actuating mechanism drive die holder upward movement, make die holder and upper die base carry out the compound die, along with die holder and upper die base compound die, first support column cooperatees with first compression leg, the completion is to the riveting processing of placing the product on the tool, after the die sinking, corresponding conveyor exports the tool again, this operation is repeated constantly, thereby realize the automatic riveting equipment of lithium battery lid, for example, with the anodal post that the lithium battery covered, riveting connection such as negative pole post, convenient operation, and is swift, low in labor strength, the manpower is saved, the precision is high, security and reliability are high, production efficiency and productivity have been improved, be convenient for the automatic on-line production of product, the cost is reduced etc.
In addition, in the technical solutions of the present disclosure, the technical solutions can be implemented by adopting conventional means in the art, unless otherwise specified.
Drawings
In order to more clearly illustrate the embodiments of the present disclosure or the technical solutions in the prior art, the drawings needed to be used in the description of the embodiments or the prior art will be briefly described below, and it is obvious that the drawings in the following description are some embodiments of the present disclosure, and other drawings can be obtained by those skilled in the art without creative efforts.
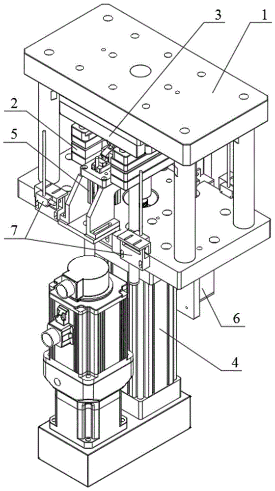
Fig. 1 is a schematic structural diagram of a lithium battery cover riveting and assembling mechanism according to an embodiment of the disclosure.
Fig. 2 is a schematic structural diagram of a lithium battery cover riveting and assembling mechanism according to an embodiment of the disclosure.
Fig. 3 is a schematic structural view of a lower die holder according to an embodiment of the present disclosure.
FIG. 4 is a partial cross-sectional view of a lower die holder according to one embodiment of the present disclosure.
Fig. 5 is a schematic structural diagram of an upper die holder according to an embodiment of the disclosure.
Fig. 6 is a partial cross-sectional view of an upper die base of an embodiment of the present disclosure.
Fig. 7 is a schematic structural diagram of a striker assembly according to an embodiment of the disclosure.
The reference numerals in the drawings indicate that the machine frame 1, the lower die holder 2, the first support column 21, the second through hole 211, the lower die plate 22, the first guide hole 221, the second guide column 222, the first through hole 223, the third guide hole 224, the first guide column 23, the second elastic member 24, the first support column 25, the second stripper plate 26, the third through hole 261, the second guide rod 27, the second limiting portion 271, the third elastic member 28, the third guide rod 29, the upper die holder 3, the first pressing column 31, the first stripper plate 32, the fourth guide hole 321, the first guide rod 33, the first limiting portion 331, the first sleeve 332, the first elastic member 34, the second guide hole 35, the third guide column 36, the first mounting block 37, the first driving mechanism 4, the pressure sensor 41, the first stopping assembly 5, the first bracket 51, the first connecting seat 52, the second driving mechanism 53, the first stopping wheel 54, the stroke detecting assembly 6, and the first detecting assembly 7.
Detailed Description
In order to make the objects, technical solutions and advantages of the present disclosure more clearly understood, the present disclosure is further described in detail below with reference to the accompanying drawings and embodiments. It is to be understood that the specific embodiments described herein are merely illustrative of some, but not all embodiments of the disclosure, and are not to be construed as limiting the disclosure. All other embodiments, which can be derived by a person skilled in the art from the embodiments disclosed herein without making any creative effort, shall fall within the protection scope of the present disclosure.
In the description of the present disclosure, it is to be noted that the terms "center", "upper", "lower", "left", "right", "front", "rear", "vertical", "horizontal", "inner", "outer", "both ends", "both sides", "bottom", "top", and the like indicate orientations or positional relationships based on those shown in the drawings, and are only for convenience of description and simplification of description, but do not indicate or imply that the elements referred to must have a specific orientation or be constructed and operated in a specific orientation, and thus, should not be construed as limiting the present disclosure. Furthermore, the terms "first," "second," "upper," "lower," "primary," "secondary," and the like are used for descriptive purposes only and may be used for purposes of simplicity in more clearly distinguishing between various components and not to indicate or imply relative importance.
In the description of the present disclosure, it should be noted that, unless otherwise explicitly stated or limited, the terms "mounted," "connected," and "connected" are used in a broad sense and can be, for example, fixedly connected, detachably connected, integrally connected, mechanically connected, electrically connected, directly connected, indirectly connected through an intermediate medium, or connected through the inside of two elements. The specific meaning of the above terms in the present disclosure can be understood in specific instances by those of ordinary skill in the art.
Referring to fig. 1 ~ 7 shown, schematically show according to this disclosure lithium battery lid riveting equipment mechanism, including frame 1, be provided with die holder 2 in the frame 1, upper die base 3, first actuating mechanism 4 and keep off material subassembly 5, upper die base 3 is located the top of die holder 2, die holder 2 and the corresponding cooperation of upper die base 3, be provided with first support column 21 on the die holder 2, be provided with the first compression leg 31 corresponding with first support column 21 on the upper die base 3, 2 up-and-down motion of first actuating mechanism 4 drive die holder, make die holder 2 and upper die base 3 carry out compound die and die sinking. The number, arrangement and the like of the first support columns 21 and the first pressing columns 31 are determined according to actual conditions such as specific products and the number of primary riveting products.
In the use, corresponding conveyor carries the tool of placing the lithium battery lid product to between die holder 2 and the upper die base 3, it blocks the location to the tool earlier to keep off material subassembly 5, then 2 upward motions of first actuating mechanism 4 drive die holder, make die holder 2 and upper die base 3 carry out the compound die, along with die holder 2 and 3 compound dies of upper die base, first support column 21 cooperatees with first compression leg 31, accomplish the riveting processing to the product of placing on the tool, after the die sinking, corresponding conveyor exports the tool again, this operation is constantly repeated, thereby realize the automatic riveting equipment of lithium battery lid, for example with the anodal post on the lithium battery lid, riveting such as negative pole is connected. Along with the compound die of lower bolster 2 and upper die base 3, first support column 21 cooperatees with first compression leg 31, can carry out the pre-compaction to the product earlier, then carries out the riveting, and is more stable, reliable.
The first driving mechanism 4 can adopt a cylinder, an oil cylinder, an electric cylinder, a linear module and the like. First actuating mechanism 4 is the electric cylinder, and first actuating mechanism 4's output is connected with pressure sensor 41, and pressure sensor 41 is connected with die holder 2, and the precision is higher, and the motion is more stable, reliable, and control is more convenient etc.
The rack 1 is provided with a stroke detection assembly 6 matched with the up-and-down movement of the lower die holder 2, so that the movement of the lower die holder 2 can be controlled more accurately. The stroke detection assembly 6 can adopt a grating ruler, one end of a first connecting rod is connected with the lower die holder 2, the other end of the first connecting rod is connected with a reading head of the grating ruler, and the stroke detection assembly is simple in structure, convenient to operate, and more stable and reliable. The travel detection assembly 6 may also employ other suitable detection elements known in the art, such as travel switches.
Be provided with first detection component 7 that is used for detection tool on the frame 1, for example photoelectric switch, infrared sensor etc. first detection component 7's quantity, arrange etc. and decide according to specific circumstances, for example can set up two first detection component 7 at feed end and discharge end symmetry respectively. In the use, when only detecting that there is the tool between die holder 2 and the upper die base 3, feedback signal gives control system again, and control system controls the motion of first actuating mechanism 4 drive die holder 2 again to prevent not having the material to carry out the pneumatics and damaging equipment etc. safer, reliable.
Keep off material subassembly 5 and include first support 51, be provided with first connecting seat 52 and the second actuating mechanism 53 of the first connecting seat 52 up-and-down motion of drive on the first support 51, be provided with first fender wheel 54 on the first connecting seat 52, keep off material subassembly 5 package and set up the discharge end at die holder 2 and upper die base 3, the first connecting seat 52 up-and-down motion of second actuating mechanism 53 drive for first fender wheel 54 on the first connecting seat 52 can block the location to the tool, prevent that the tool from falling out etc.. The second driving mechanism 53 can adopt a cylinder, an oil cylinder, an electric cylinder, a linear module and the like, for example, the cylinder is adopted, and the structure is simple and compact, the installation and the maintenance are convenient, and the safety, the environmental protection and the like are realized. The first catch wheel 54 may be an elastic member or a flexible member, which can buffer and protect, reduce damage and noise, and the first connecting seat 52 may be provided with a rotating shaft rotatably connected to the first catch wheel 54.
The upper die base 3 is provided with a first stripper plate 32, a first elastic part 34 is arranged between the upper die base 3 and the first stripper plate 32, the upper end of the first elastic part 34 is matched with the upper die base 3, the lower end of the first elastic part 34 is matched with the first stripper plate 32, and the number and the arrangement of the first elastic parts 34 are determined according to specific conditions. When the mold is closed, the first stripper plate 32 is forced to move upwards, the first elastic piece 34 is compressed, and when the mold is opened, the first elastic piece 34 can push the first stripper plate 32 to automatically move downwards to reset, so that the stripping is facilitated.
The upper die holder 3 is provided with a first guide rod 33, the first guide rod 33 is arranged in the vertical direction, the top of the first guide rod 33 is fixedly connected with the upper die holder 3, for example, the first guide rod is in threaded connection with the upper die holder 3, the bottom of the first guide rod 33 is provided with a first limiting portion 331, the first stripper plate 32 is provided with a fourth guide hole 321 in sliding connection with the first guide rod 33, the lower end of the first elastic element 34 is pressed against the first stripper plate 32, the upper end of the first elastic element 34 is pressed against the upper die holder 3, the bottom of the first stripper plate 32 is matched with the first limiting portion 331, and the first stripper plate 32 can slide up and down along the first guide rod 33 and compress the first elastic element 34. The number and arrangement of the first guide rods 33 are determined according to specific conditions, the first guide rods 33 may be screws with smooth sections, the first limiting portions 331 are heads of the screws, the first elastic members 34 may be springs, groove bodies matched with the first elastic members 34 may be respectively arranged on the first stripper plate 32 and the upper die holder 3, and the first elastic members 34 may also be sleeved on the first guide rods 33. In addition, the first guide rod 33 is not needed, and the first elastic member 34 is fixedly connected to the first stripper plate 32 and the upper die holder 3, respectively.
The fourth guiding hole 321 may further include a first shaft sleeve 332, such as a linear bearing, a guiding sleeve, etc., which is engaged with the first guiding rod 33, so that the movement is more stable and reliable.
Still be provided with the first installation piece 37 of fixed first compression leg 31 on the upper die base 3, be provided with on the first flitch 32 and dodge the groove with first installation piece 37 matched with, it is more convenient to operate etc..
Be provided with lower bolster 22 and first guide pillar 23 on the lower bolster 2, first support column 21 sets up on lower bolster 22, first guide pillar 23 sets up along vertical direction, be provided with on the lower bolster 22 with first guide hole 221 of first guide pillar 23 sliding connection, be provided with second elastic component 24 between lower bolster 22 and the lower bolster 2, the upper end and the lower bolster 22 of second elastic component 24 cooperate, the lower extreme and the lower bolster 2 of second elastic component 24 cooperate, be provided with on the upper die base 3 with first guide hole 35 of first guide pillar 23 matched with, second elastic component 24 has effects such as buffer protection. The number and arrangement of the first guide posts 23 and the second elastic members 24 may be determined according to specific conditions, and the lower die holder 2 and the lower die plate 22 may be connected by referring to the structure of the first elastic members 34 and the first guide rods 33.
The lower die plate 22 is provided with a second stripper plate 26, a third elastic element 28 is arranged between the second stripper plate 26 and the lower die plate 22, the upper end of the third elastic element 28 is matched with the second stripper plate 26, the lower end of the third elastic element 28 is matched with the lower die plate 22, and the number and the arrangement of the third elastic elements 28 are determined according to specific conditions. When the mold is closed, the first elastic element 34 is compressed, and when the mold is opened, the third elastic element 28 can push the second stripper plate 26 to automatically move upwards to reset, so that the stripping is convenient.
The lower die plate 22 is provided with a second guide rod 27, the second guide rod 27 is arranged along the vertical direction, the top of the second guide rod 27 is fixedly connected with the second stripper plate 26, the bottom of the second guide rod 27 is provided with a second limiting part 271, the lower die plate 22 is provided with a third guide hole 224 in sliding connection with the second guide rod 27, the upper end of the third elastic element 28 is pressed against the second stripper plate 26, the lower end of the third elastic element 28 is pressed against the lower die plate 22, and the lower die plate 22 and the second guide rod 27 can slide relatively and compress the third elastic element 28 simultaneously. The second guide rod 27 can penetrate through the lower die holder 2, a through hole matched with the second guide rod 27 is formed in the lower die holder 2, and the second limiting portion 271 is matched with the bottom of the lower die holder 2. The number and arrangement of the second guide rods 27 are determined according to specific conditions, the third elastic members 28 may be springs, grooves matched with the third elastic members 28 may be respectively formed on the second stripper plate 26 and the lower die plate 22, and the third elastic members 28 may also be sleeved on the second guide rods 27. In addition, the second guide rod 27 may not be used, and the third elastic member 28 may be fixedly connected to the second stripper plate 26 and the lower die plate 22, respectively.
Be provided with on the lower bolster 2 with first support column 21 matched with first fore-set 25, first fore-set 25 and first support column 21 one-to-one, first fore-set 25 sets up along vertical direction, is provided with on the lower bolster 22 with first fore-set 25 matched with first through-hole 223, be provided with on the first support column 21 with first fore-set 25 matched with second through-hole 211. When the die is closed, the first supporting column 21 firstly supports against the product, and then the first supporting column 25 penetrates through the first through hole 223 and the second through hole 211 to be matched with the first pressing column 31, so that the product is more convenient to pre-press and rivet-press, and the like, and the die is more stable and reliable.
The lower template 22 is provided with a second guide post 222 used for being matched with a jig, the upper die base 3 is provided with a third guide post 36 used for being matched with the jig, the second guide post 222 and the third guide post 36 are arranged along the vertical direction, the second stripper plate 26 is provided with a third through hole 261 matched with the second guide post 222, and the number, arrangement and the like of the second guide post 222 and the third guide post 36 are determined according to specific conditions, so that the lower die base is more stable and reliable.
The lower die holder 2 can be further provided with a third guide rod 29, the third guide rod 29 is arranged in the vertical direction, the number and the arrangement of the third guide rods 29 are determined according to specific conditions, and the frame 1 is provided with a guide hole matched with the third guide rod 29, so that the lower die holder 2 can be ensured to move up and down more stably.
Compared with the prior art, the advantage of this disclosure has: the automatic riveting assembly of the lithium battery cover is realized, for example, the positive pole, the negative pole and the like on the lithium battery cover are connected in a riveting manner, the operation is convenient and rapid, the labor intensity is low, the labor is saved, the structure is compact, stable and reliable, the precision is high, the safety, the stability and the reliability are high, the production efficiency and the productivity are improved, the automatic online production of products is facilitated, and the cost is reduced.
The foregoing is directed to embodiments of the present disclosure, which are provided for illustration only and not for limitation, and it is understood that modifications and substitutions may be made by those skilled in the art without departing from the spirit of the disclosure and all such modifications and substitutions are to be considered within the scope of the appended claims. In this case all the details may be replaced with equivalent elements, and the materials, shapes and dimensions may be any.

Claims (10)

1.锂电池盖铆压组装机构,其特征在于,包括机架(1),所述机架(1)上设置有下模座(2)、上模座(3)、第一驱动机构(4)及挡料组件(5),所述上模座(3)位于所述下模座(2)的上方,所述下模座(2)上设置有第一支撑柱(21),所述上模座(3)上设置有与所述第一支撑柱(21)相对应的第一压柱(31),所述挡料组件(4)能够对沿所述下模座(2)与所述上模座(3)之间穿过进行输送的治具进行阻挡定位,所述第一驱动机构(4)能够驱动所述下模座(2)上下运动以使所述下模座(2)与所述上模座(3)进行合模和开模,随着所述下模座(2)与所述上模座(3)合模,所述第一支撑柱(21)与所述第一压柱(31)能够对放置在治具上的产品进行铆压加工。1. Lithium battery cover riveting and pressing assembly mechanism, characterized in that it comprises a frame (1), and the frame (1) is provided with a lower die base (2), an upper die base (3), a first drive mechanism ( 4) and the stopper assembly (5), the upper die base (3) is located above the lower die base (2), and the lower die base (2) is provided with a first support column (21), so The upper die base (3) is provided with a first pressing column (31) corresponding to the first support column (21), and the material stopper assembly (4) can be aligned along the lower die base (2) Blocking and positioning between the upper die holder (3) and the conveying jig, the first driving mechanism (4) can drive the lower die holder (2) to move up and down to make the lower die holder (2) move up and down. (2) Clamping and opening the mold with the upper mold base (3), and the first support column (21) as the lower mold base (2) and the upper mold base (3) are closed. The products placed on the jig can be riveted and pressed together with the first pressing column (31). 2.根据权利要求1所述的锂电池盖铆压组装机构,其特征在于,所述上模座(3)设置有第一脱料板(32),所述上模座(3)与所述第一脱料板(32)之间设置有第一弹性件(34),所述第一弹性件(34)的上端与所述上模座(3)相配合,所述第一弹性件(34)的下端与所述第一脱料板(32)相配合,所述第一脱料板(32)能够上下移动且同时压缩所述第一弹性件(34)。2. The lithium battery cover riveting and pressing assembly mechanism according to claim 1, characterized in that, the upper mold base (3) is provided with a first stripper plate (32), and the upper mold base (3) is connected to the upper mold base (3). A first elastic member (34) is arranged between the first stripping plates (32), the upper end of the first elastic member (34) is matched with the upper die base (3), and the first elastic member The lower end of the (34) is matched with the first stripping plate (32), and the first stripping plate (32) can move up and down while compressing the first elastic member (34). 3.根据权利要求1所述的锂电池盖铆压组装机构,其特征在于,所述机架(1)上设置有与所述下模座(2)上下运动相配合的行程检测组件(6)及用于检测治具的第一检测组件(7)。3. The lithium battery cover riveting and pressing assembly mechanism according to claim 1, characterized in that, the frame (1) is provided with a stroke detection component (6) that is matched with the up and down movement of the lower die base (2). ) and a first detection component (7) for detecting the jig. 4.根据权利要求1所述的锂电池盖铆压组装机构,其特征在于,所述第一驱动机构(4)为电缸,所述第一驱动机构(4)的输出端与压力传感器(41)连接,所述压力传感器(41)与所述下模座(2)连接。4. The lithium battery cover riveting assembly mechanism according to claim 1, wherein the first driving mechanism (4) is an electric cylinder, and the output end of the first driving mechanism (4) is connected to a pressure sensor ( 41) is connected, and the pressure sensor (41) is connected with the lower die holder (2). 5.根据权利要求1所述的锂电池盖铆压组装机构,其特征在于,所述挡料组件(5)包括第一支架(51),所述第一支架(51)上设置有第一连接座(52)及驱动所述第一连接座(52)上下运动的第二驱动机构(53),所述第一连接座(52)上设置有第一挡轮(54)。5. The lithium battery cover riveting assembly mechanism according to claim 1, characterized in that, the material blocking assembly (5) comprises a first bracket (51), and a first bracket (51) is provided with a first bracket (51). A connecting seat (52) and a second driving mechanism (53) for driving the first connecting seat (52) to move up and down, and a first blocking wheel (54) is arranged on the first connecting seat (52). 6.根据权利要求1至5中任一权利要求所述的锂电池盖铆压组装机构,其特征在于,所述下模座(2)上设置有下模板(22)及第一导柱(23),所述第一支撑柱(21)设置在所述下模板(22)上,所述第一导柱(23)沿竖直方向设置,所述下模板(22)上设置有与所述第一导柱(23)滑动连接的第一导孔(221),所述下模板(22)与所述下模座(2)之间设置有第二弹性件(24),所述第二弹性件(24)的上端与所述下模板(22)相配合,所述第二弹性件(24)的下端与所述下模座(2)相配合,所述上模座(3)上设置有与所述第一导柱(23)相配合的第二导孔(35)。6. The riveting and pressing assembly mechanism for a lithium battery cover according to any one of claims 1 to 5, wherein a lower template (22) and a first guide post ( 23), the first support column (21) is arranged on the lower template (22), the first guide column (23) is arranged in the vertical direction, and the lower template (22) is provided with a The first guide hole (221) in which the first guide post (23) is slidably connected, a second elastic member (24) is arranged between the lower template (22) and the lower mold base (2), and the first The upper ends of the two elastic pieces (24) are matched with the lower template (22), the lower ends of the second elastic pieces (24) are matched with the lower die base (2), and the upper die base (3) A second guide hole (35) matched with the first guide post (23) is provided on the upper part. 7.根据权利要求6所述的锂电池盖铆压组装机构,其特征在于,所述下模板(22)上设置有第二脱料板(26),所述第二脱料板(26)与所述下模板(22)之间设置有第三弹性件(28),所述第三弹性件(28)的上端与所述第二脱料板(26)相配合,所述第三弹性件(28)的下端与所述下模板(22)相配合,所述第二脱料板(26)能够上下移动且同时压缩所述第三弹性件(28)。7. The lithium battery cover riveting assembly mechanism according to claim 6, wherein a second stripping plate (26) is provided on the lower template (22), and the second stripping plate (26) A third elastic member (28) is arranged between the lower template (22), the upper end of the third elastic member (28) is matched with the second stripping plate (26), and the third elastic member (28) cooperates with the second stripping plate (26). The lower end of the piece (28) is matched with the lower template (22), and the second stripper plate (26) can move up and down while compressing the third elastic piece (28). 8.根据权利要求7所述的锂电池盖铆压组装机构,其特征在于,所述下模板(22)上设置有第二导杆(27),所述第二导杆(27)沿竖直方向设置,所述第二导杆(27)的顶部与所述第二脱料板(26)固定连接,所述第二导杆(27)的底部设置有第二限位部(271),所述下模板(22)上设置有与所述第二导杆(27)滑动连接的第三导孔(224),所述第三弹性件(28)的上端压靠在所述第二脱料板(26)上,所述第三弹性件(28)的下端压靠在所述下模板(22)上,所述下模板(22)与所述第二导杆(27)能够相对滑动且同时压缩所述第三弹性件(28)。8 . The riveting and pressing assembly mechanism for a lithium battery cover according to claim 7 , wherein a second guide rod ( 27 ) is provided on the lower template ( 22 ), and the second guide rod ( 27 ) extends vertically. Set in a straight direction, the top of the second guide rod (27) is fixedly connected with the second stripper plate (26), and the bottom of the second guide rod (27) is provided with a second limit portion (271) , the lower template (22) is provided with a third guide hole (224) slidably connected with the second guide rod (27), and the upper end of the third elastic member (28) is pressed against the second guide rod (27). On the stripper plate (26), the lower end of the third elastic member (28) is pressed against the lower template (22), and the lower template (22) and the second guide rod (27) can be opposed to each other Slide and compress the third elastic member (28) at the same time. 9.根据权利要求8所述的锂电池盖铆压组装机构,其特征在于,所述下模座(2)上设置有与所述第一支撑柱(21)相配合的第一顶柱(25),所述第一顶柱(25)沿竖向方向设置,所述下模板(22)上设置有与所述第一顶柱(25)相配合的第一通孔(223),所述第一支撑柱(21)上设置有与所述第一顶柱(25)相配合的第二通孔(211)。9 . The riveting and pressing assembly mechanism for a lithium battery cover according to claim 8 , wherein the lower die base ( 2 ) is provided with a first top column ( 25), the first top post (25) is arranged in the vertical direction, and the lower template (22) is provided with a first through hole (223) matched with the first top post (25), so The first support column (21) is provided with a second through hole (211) matched with the first top column (25). 10.根据权利要求9所述的锂电池盖铆压组装机构,其特征在于,所述下模板(22)上设置有用于与治具相配合的第二导柱(222),所述上模座(3)上设置有用于与治具相配合的第三导柱(36),所述第二导柱(222)和所述第三导柱(36)沿竖直方向设置,所述第二脱料板(26)上设置有与所述第二导柱(222)相配合的第三通孔(261)。10 . The riveting and pressing assembly mechanism for a lithium battery cover according to claim 9 , wherein the lower template ( 22 ) is provided with a second guide post ( 222 ) for matching with a jig, and the upper mold The seat (3) is provided with a third guide post (36) for matching with the fixture, the second guide post (222) and the third guide post (36) are arranged in the vertical direction, the The second stripper plate (26) is provided with a third through hole (261) matched with the second guide post (222).
CN202210559448.1A 2022-05-19 2022-05-19 Lithium battery cover riveting assembly mechanism Active CN114976259B (en)

Priority Applications (1)

Application Number Priority Date Filing Date Title
CN202210559448.1A CN114976259B (en) 2022-05-19 2022-05-19 Lithium battery cover riveting assembly mechanism

Applications Claiming Priority (1)

Application Number Priority Date Filing Date Title
CN202210559448.1A CN114976259B (en) 2022-05-19 2022-05-19 Lithium battery cover riveting assembly mechanism

Publications (2)

Publication Number Publication Date
CN114976259A true CN114976259A (en) 2022-08-30
CN114976259B CN114976259B (en) 2025-11-18

Family

ID=82985861

Family Applications (1)

Application Number Title Priority Date Filing Date
CN202210559448.1A Active CN114976259B (en) 2022-05-19 2022-05-19 Lithium battery cover riveting assembly mechanism

Country Status (1)

Country Link
CN (1) CN114976259B (en)

Cited By (1)

* Cited by examiner, † Cited by third party
Publication number Priority date Publication date Assignee Title
CN116618572A (en) * 2023-07-25 2023-08-22 深圳市森宝智能装备有限公司 Automatic riveting and pressing integrated equipment for square battery cover plate and riveting and pressing system thereof

Citations (9)

* Cited by examiner, † Cited by third party
Publication number Priority date Publication date Assignee Title
US3504519A (en) * 1967-04-26 1970-04-07 Helfer & Co Kg Feinwerkbau Riveting tool for use with mandrel-equipped blind rivets
CN103752756A (en) * 2013-12-30 2014-04-30 漳州永裕隆精密五金有限公司 Device and method for forming and processing fixed seat plate of transmission motor
CN203830569U (en) * 2014-03-31 2014-09-17 深圳市鸿海波精密机械有限公司 Sectionalized riveting die
CN204737408U (en) * 2015-05-14 2015-11-04 东莞市冠佳电子设备有限公司 Unloading mechanism of band wire formula charger automatic testing riveting radium carving production line
US20160141595A1 (en) * 2014-11-14 2016-05-19 Saft Groupe Sa Method for sealing off an orifice of a storage cell container and container sealed off by this method
CN106955934A (en) * 2017-05-24 2017-07-18 海口全盛汽车配件有限公司 A kind of quick riveting die of Teflon bushing
CN110303085A (en) * 2019-07-25 2019-10-08 广东天倬智能装备科技有限公司 A kind of application method for the mold and the mold that sheet material rivets
CN113231545A (en) * 2021-05-25 2021-08-10 东莞市卓尔达模具有限公司 Progressive die with automatic riveting function
CN214290425U (en) * 2020-12-28 2021-09-28 上海柘电金属科技有限公司 Self-discharging rivet-free riveting die

Patent Citations (9)

* Cited by examiner, † Cited by third party
Publication number Priority date Publication date Assignee Title
US3504519A (en) * 1967-04-26 1970-04-07 Helfer & Co Kg Feinwerkbau Riveting tool for use with mandrel-equipped blind rivets
CN103752756A (en) * 2013-12-30 2014-04-30 漳州永裕隆精密五金有限公司 Device and method for forming and processing fixed seat plate of transmission motor
CN203830569U (en) * 2014-03-31 2014-09-17 深圳市鸿海波精密机械有限公司 Sectionalized riveting die
US20160141595A1 (en) * 2014-11-14 2016-05-19 Saft Groupe Sa Method for sealing off an orifice of a storage cell container and container sealed off by this method
CN204737408U (en) * 2015-05-14 2015-11-04 东莞市冠佳电子设备有限公司 Unloading mechanism of band wire formula charger automatic testing riveting radium carving production line
CN106955934A (en) * 2017-05-24 2017-07-18 海口全盛汽车配件有限公司 A kind of quick riveting die of Teflon bushing
CN110303085A (en) * 2019-07-25 2019-10-08 广东天倬智能装备科技有限公司 A kind of application method for the mold and the mold that sheet material rivets
CN214290425U (en) * 2020-12-28 2021-09-28 上海柘电金属科技有限公司 Self-discharging rivet-free riveting die
CN113231545A (en) * 2021-05-25 2021-08-10 东莞市卓尔达模具有限公司 Progressive die with automatic riveting function

Cited By (2)

* Cited by examiner, † Cited by third party
Publication number Priority date Publication date Assignee Title
CN116618572A (en) * 2023-07-25 2023-08-22 深圳市森宝智能装备有限公司 Automatic riveting and pressing integrated equipment for square battery cover plate and riveting and pressing system thereof
CN116618572B (en) * 2023-07-25 2023-10-13 深圳市森宝智能装备有限公司 Automatic riveting and pressing integrated equipment for square battery cover plate and riveting and pressing system thereof

Also Published As

Publication number Publication date
CN114976259B (en) 2025-11-18

Similar Documents

Publication Publication Date Title
CN114976259A (en) Riveting and assembling mechanism for lithium battery cover
CN110957521A (en) Square cell module regular compression baler
CN211464476U (en) High-efficient stamping equipment
CN109434430B (en) Automatic assembly tool for motor rotor cap
CN110883199A (en) Square tube punching mechanism for luggage pull rod
CN219292642U (en) Effectual screw of fixed is taken lead
CN219074189U (en) A stamping die with automatic demoulding
CN214866920U (en) Triode equipment auxiliary die
CN215845503U (en) Notch riveting mechanism
CN215600445U (en) Lithium battery cover plate pre-pressing device
CN214444511U (en) Drilling and rivet pressing equipment
CN212146144U (en) A closing device for tool to lock assembly
CN212703885U (en) Pressure forming machine
CN211045618U (en) Regular baling press that compresses tightly of square electricity core module
CN109531943B (en) Automatic cutting equipment of injection molding
CN209304726U (en) A kind of stamping die of mechanical equipment
CN202087706U (en) Connection machine
CN221414634U (en) Sensor shell stamping die
CN220659848U (en) Automatic spring piece mounting equipment
CN222725304U (en) A battery terminal stamping die with convenient positioning
CN217344317U (en) Preliminary equipment mechanism of sealing washer
CN220636376U (en) Motor housing end cover punching equipment
CN221392810U (en) Full-automatic hot press
CN221581770U (en) Duplex position kludge
CN112371819A (en) Sheet metal part dimpling device

Legal Events

Date Code Title Description
PB01 Publication
PB01 Publication
SE01 Entry into force of request for substantive examination
SE01 Entry into force of request for substantive examination
GR01 Patent grant