CN112902611A - A kind of benzocaine production system and production technology - Google Patents

A kind of benzocaine production system and production technology Download PDF

Info

Publication number
CN112902611A
CN112902611A CN202110115598.9A CN202110115598A CN112902611A CN 112902611 A CN112902611 A CN 112902611A CN 202110115598 A CN202110115598 A CN 202110115598A CN 112902611 A CN112902611 A CN 112902611A
Authority
CN
China
Prior art keywords
drying
benzocaine
cavity
heating
production system
Prior art date
Legal status (The legal status is an assumption and is not a legal conclusion. Google has not performed a legal analysis and makes no representation as to the accuracy of the status listed.)
Pending
Application number
CN202110115598.9A
Other languages
Chinese (zh)
Inventor
刘敏
沈佳美
Current Assignee (The listed assignees may be inaccurate. Google has not performed a legal analysis and makes no representation or warranty as to the accuracy of the list.)
Changzhou Feida New Material Technology Co ltd
Original Assignee
Changzhou Feida New Material Technology Co ltd
Priority date (The priority date is an assumption and is not a legal conclusion. Google has not performed a legal analysis and makes no representation as to the accuracy of the date listed.)
Filing date
Publication date
Application filed by Changzhou Feida New Material Technology Co ltd filed Critical Changzhou Feida New Material Technology Co ltd
Priority to CN202110115598.9A priority Critical patent/CN112902611A/en
Publication of CN112902611A publication Critical patent/CN112902611A/en
Pending legal-status Critical Current

Links

Images

Classifications

    • FMECHANICAL ENGINEERING; LIGHTING; HEATING; WEAPONS; BLASTING
    • F26DRYING
    • F26BDRYING SOLID MATERIALS OR OBJECTS BY REMOVING LIQUID THEREFROM
    • F26B11/00Machines or apparatus for drying solid materials or objects with movement which is non-progressive
    • F26B11/12Machines or apparatus for drying solid materials or objects with movement which is non-progressive in stationary drums or other mainly-closed receptacles with moving stirring devices
    • F26B11/16Machines or apparatus for drying solid materials or objects with movement which is non-progressive in stationary drums or other mainly-closed receptacles with moving stirring devices the stirring device moving in a vertical or steeply-inclined plane
    • F26B21/50
    • FMECHANICAL ENGINEERING; LIGHTING; HEATING; WEAPONS; BLASTING
    • F26DRYING
    • F26BDRYING SOLID MATERIALS OR OBJECTS BY REMOVING LIQUID THEREFROM
    • F26B23/00Heating arrangements
    • F26B23/10Heating arrangements using tubes or passages containing heated fluids, e.g. acting as radiative elements; Closed-loop systems
    • FMECHANICAL ENGINEERING; LIGHTING; HEATING; WEAPONS; BLASTING
    • F26DRYING
    • F26BDRYING SOLID MATERIALS OR OBJECTS BY REMOVING LIQUID THEREFROM
    • F26B25/00Details of general application not covered by group F26B21/00 or F26B23/00
    • F26B25/005Treatment of dryer exhaust gases
    • FMECHANICAL ENGINEERING; LIGHTING; HEATING; WEAPONS; BLASTING
    • F26DRYING
    • F26BDRYING SOLID MATERIALS OR OBJECTS BY REMOVING LIQUID THEREFROM
    • F26B25/00Details of general application not covered by group F26B21/00 or F26B23/00
    • F26B25/04Agitating, stirring, or scraping devices
    • FMECHANICAL ENGINEERING; LIGHTING; HEATING; WEAPONS; BLASTING
    • F26DRYING
    • F26BDRYING SOLID MATERIALS OR OBJECTS BY REMOVING LIQUID THEREFROM
    • F26B25/00Details of general application not covered by group F26B21/00 or F26B23/00
    • F26B25/06Chambers, containers, or receptacles
    • F26B25/08Parts thereof
    • F26B25/12Walls or sides; Doors

Landscapes

  • Engineering & Computer Science (AREA)
  • Mechanical Engineering (AREA)
  • General Engineering & Computer Science (AREA)
  • Chemical & Material Sciences (AREA)
  • Combustion & Propulsion (AREA)
  • Life Sciences & Earth Sciences (AREA)
  • Sustainable Development (AREA)
  • Drying Of Solid Materials (AREA)

Abstract

一种苯佐卡因生产系统及生产工艺,包括干燥箱以及支撑架,所述支撑架顶端设置干燥箱,所述干燥箱内置干燥空腔,所述干燥空腔顶端设置进料口,所述干燥空腔底端设置出料口,所述进料口以及出料口远离干燥箱一端设置盖板,所述干燥空腔侧壁设置夹套,所述干燥箱位于夹套顶端设置加热出口,所述干燥箱位于夹套底端设置加热进口,所述干燥空腔内转动设置搅拌杆,所述搅拌杆表面均布搅拌棒,所述支撑架左侧设置驱动电机以及联轴器,所述驱动电机输出端与联轴器连接,所述搅拌杆右端伸出干燥箱与联轴器连接,通过冷凝器、热气出口以及加气室的设置,干燥时产生的废气以及苯佐卡因不会扩散到空气中,从而减少了环境的污染。

Figure 202110115598

A benzocaine production system and production process, comprising a drying box and a support frame, a drying box is arranged at the top of the support frame, a drying cavity is built in the drying box, a feeding port is arranged at the top of the drying cavity, and the A discharge port is set at the bottom end of the drying cavity, a cover plate is set at one end of the feed port and the discharge port away from the drying box, a jacket is set on the side wall of the drying cavity, and a heating outlet is set at the top of the jacket. The drying box is provided with a heating inlet at the bottom end of the jacket, a stirring rod is rotated in the drying cavity, and stirring rods are evenly distributed on the surface of the stirring rod, and a drive motor and a coupling are provided on the left side of the support frame. The output end of the drive motor is connected to the coupling, and the right end of the stirring rod extends out of the drying box and is connected to the coupling. Through the setting of the condenser, the hot air outlet and the air filling chamber, the exhaust gas and benzocaine generated during drying will not be released. Diffuse into the air, thereby reducing environmental pollution.

Figure 202110115598

Description

Benzocaine production system and production process
Technical Field
The invention relates to the technical field of benzocaine production systems, in particular to a benzocaine production system and a production process.
Background
Ethyl p-aminobenzoate, also known as benzocaine, is an organic compound having the chemical formula C9H11NO 2. It is colorless rhombohedral crystal, and odorless and tasteless. Is easily soluble in alcohol, ether and chloroform, can be dissolved in oleum Armeniacae amarum, oleum Olivarum and dilute acid, and is hardly soluble in water. It is clinically used for relieving pain and itching of wound surfaces, ulcer surfaces, burns, skin chapping and hemorrhoids. The existing benzocaine needs to be dried in the production process, but the existing drying equipment is not thorough in drying, so that the production effect is low, and meanwhile, waste gas generated by drying can be directly discharged into the air to cause environmental pollution.
Disclosure of Invention
Technical problem to be solved
Aiming at the defects of the prior art, the invention provides a production system and a production process of benzocaine with small environmental pollution.
(II) technical scheme
In order to achieve the purpose, the invention provides the following technical scheme: a benzocaine production system comprises a drying box and a support frame, wherein the top end of the support frame is provided with the drying box, a drying cavity is arranged in the drying box, the top end of the drying cavity is provided with a feeding hole, the bottom end of the drying cavity is provided with a discharging hole, one end of the feeding hole and the discharging hole, which is far away from the drying box, is provided with a cover plate, the side wall of the drying cavity is provided with a jacket, the top end of the drying box, which is positioned at the jacket, is provided with a heating inlet, a stirring rod is rotationally arranged in the drying cavity, stirring rods are uniformly distributed on the surface of the stirring rod, the left side of the support frame is provided with a driving motor and a coupler, the output end of the driving motor is connected with the coupler, the right end of the stirring rod extends, the spray head is communicated with the heating cavity, the left side of the support frame is provided with a condenser, an air filling chamber and an air pump, the input end of the air pump is connected with the air filling chamber, the output end of the air pump is communicated with the heating cavity, the top end of the side wall of the right side of the drying cavity is provided with a hot air outlet, the hot air outlet is connected with the condenser through a pipeline, the other end of the condenser is communicated with the air filling chamber, and the interior of the air filling.
In order to prevent benzocaine in the dry cavity from entering the pipeline, the invention has the improvement that a filter screen is arranged in the hot air outlet.
In order to facilitate the supplement of gas for the gas adding chamber and prevent dry waste gas from being discharged into the external environment, the improvement of the invention is that the side wall of the gas adding chamber is provided with a one-way valve.
In order to facilitate the improvement of the sealing performance of the feed inlet and the discharge outlet, the invention has the improvement that one side of the cover plate is respectively hinged with the side walls of the feed inlet and the discharge outlet, and the other end of the cover plate is respectively connected with the side walls of the feed inlet and the discharge outlet through threaded nails.
In order to facilitate the observation of the drying process, the invention has the improvement that the front end of the drying box is provided with an observation window.
In order to conveniently control the temperature in the drying process, the invention has the improvement that the front end of the drying box is provided with a thermometer.
In order to facilitate the control of the driving motor to reversely rotate at intervals of one end, the invention has the improvement that the driving motor adopts a servo motor, a time relay is arranged at the top end of the driving motor, and the time relay is electrically connected with the driving motor.
The invention further provides a production process of benzocaine, which comprises the following steps:
step 1, filling a heating medium into the jacket through the heating inlet and the heating outlet so as to preheat the drying cavity, and then adding benzocaine into the drying cavity through the feeding hole by an operator.
Step 2, operating personnel control driving motor work and drive puddler and puddler rotation and stir benzocaine, and operating personnel control air pump and heater work simultaneously, spray steam in to the dry cavity through the shower nozzle to blow the benzocaine in the dry cavity into the suspended state, convenient drying, steam carries out further heating to benzocaine simultaneously.
And 3, condensing the water vapor in the waste gas by the waste gas generated by drying through a condenser, and then circularly heating and drying the waste gas in the air-entrapping chamber, thereby reducing the pollution to the environment.
(III) advantageous effects
Compared with the prior art, the invention provides a benzocaine production system and a production process, and the system has the following beneficial effects:
this benzocaine production system, through the setting of clamp cover, stirring rod and shower nozzle, can say benzocaine stirring through the rotation of stirring rod, thereby the temperature of hot medium promotion dry cavity is filled in the clamp cover, sprays steam through the shower nozzle to say benzocaine in the dry cavity and blow into the suspended state, the heating of being convenient for, steam is convenient for further dry benzocaine simultaneously, and drying effect is good. Through the arrangement of the condenser, the hot air outlet and the air adding chamber, waste gas and benzocaine generated in the drying process can not be diffused into the air, so that the environmental pollution is reduced.
Drawings
FIG. 1 is a schematic structural view of the present invention;
FIG. 2 is a front view of the present invention;
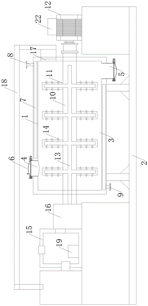
in the figure: 1. a drying oven; 2. a support frame; 3. drying the cavity; 4. a feed inlet; 5. a discharge port; 6. a cover plate; 7. a jacket; 8. a heating outlet; 9. heating the inlet; 10. a stirring rod; 11. a stirring rod; 12. a drive motor; 13. heating the cavity; 14. a spray head; 15. a gas adding chamber; 16. an air pump; 17. a hot gas outlet; 18. a pipeline; 19. a heater; 20. an observation window; 21. a thermometer; 22. a time relay.
Detailed Description
The technical solutions in the embodiments of the present invention will be clearly and completely described below with reference to the drawings in the embodiments of the present invention, and it is obvious that the described embodiments are only a part of the embodiments of the present invention, and not all of the embodiments. All other embodiments, which can be derived by a person skilled in the art from the embodiments given herein without making any creative effort, shall fall within the protection scope of the present invention.
Referring to fig. 1-2, a benzocaine production system comprises a drying oven 1 and a support frame 2, wherein the top end of the support frame 2 is provided with the drying oven 1, the drying oven 1 is internally provided with a drying cavity 3, the top end of the drying cavity 3 is provided with a feed inlet 4, the bottom end of the drying cavity 3 is provided with a discharge outlet 5, one ends of the feed inlet 4 and the discharge outlet 5, which are far away from the drying oven 1, are provided with a cover plate 6, the side wall of the drying cavity 3 is provided with a jacket 7, the drying oven 1 is positioned at the top end of the jacket 7 and provided with a heating outlet 8, the bottom end of the drying oven 1, which is positioned at the jacket 7, is provided with a heating inlet 9, a stirring rod 10 is rotatably arranged in the drying cavity 3, stirring rods 11 are uniformly distributed on the surface of the stirring rod 10, the left side of the support, puddler 10 and 11 built-in heating cavities 13 of puddler, 11 surperficial equipartition shower nozzles 14 of puddler, shower nozzle 14 and heating cavity 13 intercommunication, 2 left sides of support frame set up condenser, air entrainment room 15 and air pump 16, the 16 input of air pump is connected with air entrainment room 15, 16 outputs of air pump and heating cavity 13 intercommunication, 3 right side lateral wall tops of dry cavity set up hot gas outlet 17, hot gas outlet 17 passes through pipeline 18 and is connected with the condenser, the condenser other end and 15 intercommunications of air entrainment room, set up heater 19 in the air entrainment room 15.
The hot air outlet 17 is internally provided with a filter screen, so that benzocaine in the drying cavity 3 can be prevented from entering the pipeline 18.
The lateral wall of the air adding chamber 15 is provided with a one-way valve, so that the air adding chamber 15 is supplemented with air conveniently, and meanwhile, dry waste gas is prevented from being discharged into the external environment.
Apron 6 one side is articulated with feed inlet 4 and 5 lateral walls of discharge gate respectively, and 6 other ends of apron pass through the screw with feed inlet 4 and 5 lateral walls of discharge gate respectively and are connected, are convenient for promote the leakproofness of feed inlet 4 and discharge gate 5.
The front end of the drying box 1 is provided with an observation window 20, so that the drying process can be observed conveniently.
The front end of the drying box 1 is provided with a thermometer 21, so that the temperature in the drying process can be conveniently controlled.
The driving motor 12 adopts a servo motor, a time relay 22 is arranged at the top end of the driving motor 12, and the time relay 22 is electrically connected with the driving motor 12, so that the driving motor 12 can be controlled to rotate reversely at intervals of a period of time.
The specific operation flow is as follows, and the production process of the benzocaine comprises the following steps:
step 1, filling a heating medium into the jacket 7 through the heating inlet 9 and the heating outlet 8 to preheat the drying cavity 3, and then adding benzocaine into the drying cavity 3 through the feeding hole 4 by an operator.
Step 2, the operator controls the driving motor 12 to work to drive the stirring rod 10 and the stirring rod 11 to rotate to stir the benzocaine, and simultaneously, the operator controls the air pump 16 and the heater 19 to work to spray hot air into the drying cavity 3 through the spray head 14, so that the benzocaine in the drying cavity 3 is blown into a suspension state, drying is facilitated, and meanwhile, the hot air further heats the benzocaine.
And 3, condensing the water vapor in the waste gas generated by drying through a condenser, and then entering a gas adding chamber 15 for cyclic heating and drying, thereby reducing the pollution to the environment.
The electrical components presented in the document are all electrically connected with an external master controller and 220V mains, and the master controller can be a conventional known device controlled by a computer or the like.
Although embodiments of the present invention have been shown and described, it will be appreciated by those skilled in the art that changes, modifications, substitutions and alterations can be made in these embodiments without departing from the principles and spirit of the invention, the scope of which is defined in the appended claims and their equivalents.

Claims (8)

1. The utility model provides a benzocaine production system, includes drying cabinet (1) and support frame (2), its characterized in that: the drying device is characterized in that a drying box (1) is arranged at the top end of a support frame (2), a drying cavity (3) is arranged in the drying box (1), a feeding hole (4) is formed in the top end of the drying cavity (3), a discharging hole (5) is formed in the bottom end of the drying cavity (3), a cover plate (6) is arranged at one end, away from the drying box (1), of the feeding hole (4) and the discharging hole (5), a jacket (7) is arranged on the side wall of the drying cavity (3), a heating outlet (8) is formed in the top end, located at the jacket (7), of the drying box (1), a heating inlet (9) is formed in the bottom end, located at the jacket (7), of the drying cavity (3), stirring rods (10) are rotatably arranged, stirring rods (11) are uniformly distributed on the surfaces of the stirring rods (10), a driving motor (12) and a coupler are, the utility model discloses a drying cabinet, including support frame (2), puddler (10), stirring rod (10) right-hand member stretch out drying cabinet (1) and coupling joint, puddler (10) and puddler (11) built-in heating cavity (13), puddler (11) surface equipartition shower nozzle (14), shower nozzle (14) and heating cavity (13) intercommunication, support frame (2) left side sets up condenser, air entrainment room (15) and air pump (16), air pump (16) input is connected with air entrainment room (15), air pump (16) output and heating cavity (13) intercommunication, drying cavity (3) right side lateral wall top sets up steam outlet (17), steam outlet (17) are through pipeline (18) and condenser intercommunication, the condenser with air entrainment room (15) intercommunication, set up heater (19) in air entrainment room (15).
2. A benzocaine production system according to claim 1, characterized in that: the hot gas outlet (17) is internally provided with a filter screen.
3. A benzocaine production system according to claim 1, characterized in that: the side wall of the air adding chamber (15) is provided with a one-way valve.
4. A benzocaine production system according to claim 1, characterized in that: one side of the cover plate (6) is hinged with the side walls of the feed inlet (4) and the discharge outlet (5), and the other end of the cover plate (6) is connected with the side walls of the feed inlet (4) and the discharge outlet (5) through threaded screws.
5. A benzocaine production system according to claim 1, characterized in that: an observation window (20) is arranged at the front end of the drying box (1).
6. A benzocaine production system according to claim 1, characterized in that: a thermometer (21) is arranged at the front end of the drying box (1).
7. A benzocaine production system according to claim 1, characterized in that: the driving motor (12) adopts a servo motor, a time relay (22) is arranged at the top end of the driving motor (12), and the time relay (22) is electrically connected with the driving motor (12).
8. A process for producing benzocaine, comprising:
step 1, filling a heating medium into a jacket (7) through a heating inlet (9) and a heating outlet (8) so as to preheat a drying cavity (3), and then adding benzocaine into the drying cavity (3) through a feeding hole (4) by an operator;
step 2, an operator controls a driving motor (12) to work to drive a stirring rod (10) and a stirring rod (11) to rotate to stir the benzocaine, controls an air pump (16) and a heater (19) to work simultaneously, and sprays hot air into the drying cavity (3) through a spray head (14), so that the benzocaine in the drying cavity (3) is blown into a suspension state, drying is facilitated, and meanwhile the benzocaine is further heated by the hot air;
and 3, condensing the water vapor in the waste gas by the waste gas generated by drying through a condenser, and then entering a gas adding chamber (15) for cyclic heating and drying, thereby reducing the pollution to the environment.
CN202110115598.9A 2021-01-28 2021-01-28 A kind of benzocaine production system and production technology Pending CN112902611A (en)

Priority Applications (1)

Application Number Priority Date Filing Date Title
CN202110115598.9A CN112902611A (en) 2021-01-28 2021-01-28 A kind of benzocaine production system and production technology

Applications Claiming Priority (1)

Application Number Priority Date Filing Date Title
CN202110115598.9A CN112902611A (en) 2021-01-28 2021-01-28 A kind of benzocaine production system and production technology

Publications (1)

Publication Number Publication Date
CN112902611A true CN112902611A (en) 2021-06-04

Family

ID=76119419

Family Applications (1)

Application Number Title Priority Date Filing Date
CN202110115598.9A Pending CN112902611A (en) 2021-01-28 2021-01-28 A kind of benzocaine production system and production technology

Country Status (1)

Country Link
CN (1) CN112902611A (en)

Cited By (1)

* Cited by examiner, † Cited by third party
Publication number Priority date Publication date Assignee Title
CN116878231A (en) * 2023-07-03 2023-10-13 嘉兴乐威电子科技有限公司 Conveying integrated dehumidifying dryer

Citations (5)

* Cited by examiner, † Cited by third party
Publication number Priority date Publication date Assignee Title
CN206247794U (en) * 2016-11-13 2017-06-13 大连广鑫环保装备科技开发有限公司 A kind of material drying device
CN208887299U (en) * 2018-08-24 2019-05-21 无锡市南泉化工成套设备有限公司 A kind of rake type drier
CN209181437U (en) * 2018-12-04 2019-07-30 山东土木启生物科技有限公司 A kind of microbial bacterial agent low temperature drying device
CN209763662U (en) * 2019-04-16 2019-12-10 义乌市悦源环境科技有限公司 Even agitating unit of high-efficient drying-machine
CN209828702U (en) * 2019-04-03 2019-12-24 江西省鑫盛钨业有限公司 Exhaust treatment device is used in processing of ammonium paratungstate

Patent Citations (5)

* Cited by examiner, † Cited by third party
Publication number Priority date Publication date Assignee Title
CN206247794U (en) * 2016-11-13 2017-06-13 大连广鑫环保装备科技开发有限公司 A kind of material drying device
CN208887299U (en) * 2018-08-24 2019-05-21 无锡市南泉化工成套设备有限公司 A kind of rake type drier
CN209181437U (en) * 2018-12-04 2019-07-30 山东土木启生物科技有限公司 A kind of microbial bacterial agent low temperature drying device
CN209828702U (en) * 2019-04-03 2019-12-24 江西省鑫盛钨业有限公司 Exhaust treatment device is used in processing of ammonium paratungstate
CN209763662U (en) * 2019-04-16 2019-12-10 义乌市悦源环境科技有限公司 Even agitating unit of high-efficient drying-machine

Cited By (2)

* Cited by examiner, † Cited by third party
Publication number Priority date Publication date Assignee Title
CN116878231A (en) * 2023-07-03 2023-10-13 嘉兴乐威电子科技有限公司 Conveying integrated dehumidifying dryer
CN116878231B (en) * 2023-07-03 2025-07-29 嘉兴乐威电子科技有限公司 Conveying integrated type dehumidifying dryer

Similar Documents

Publication Publication Date Title
CN206488578U (en) A kind of moveable food factory material stirring drying equipment
CN206269525U (en) A kind of agricultural byproducts baking box
CN112014301B (en) Waterproof experimental spray box for projecting light
CN112902611A (en) A kind of benzocaine production system and production technology
CN208458384U (en) A kind of efficient rice paper drying unit
CN220250539U (en) Easy-to-clean grain drying device
CN209537496U (en) A multifunctional solid-state fermentation device
CN218688341U (en) Fertilizer mixer capable of drying
CN217911077U (en) Paint spraying device is used in processing of changeover plug external member
CN216384834U (en) Energy-saving circulating oven
CN214861228U (en) A new type of drying tower
CN108709380A (en) A kind of sugaring drying unit
CN209230194U (en) A kind of efficient Chinese medicine drying equipment
CN222313658U (en) Oven for pulping in paper industry
CN216367960U (en) Be used for ultraviolet absorbent production with decoloration edulcoration filter pressing device
CN223125826U (en) A device for controlling humidity of finished cigar tobacco leaves
CN217844568U (en) A drying equipment for aquatic products feed processing
CN222175133U (en) An intelligent mold water channel cleaning machine
CN115615141A (en) System and method for efficiently and rapidly sterilizing and drying crude drug powder
CN210992001U (en) A medical device disinfection device
CN217248719U (en) A kind of graphene metal powder mixing device
CN218566091U (en) Dry agitating unit of sodium acetate
CN223504829U (en) Waste alcohol dehydration tower
CN216634819U (en) Concrete prefabricated part curing means
CN219283847U (en) Drying device is used in phosphogypsum mortar production

Legal Events

Date Code Title Description
PB01 Publication
PB01 Publication
SE01 Entry into force of request for substantive examination
SE01 Entry into force of request for substantive examination
WD01 Invention patent application deemed withdrawn after publication

Application publication date: 20210604

WD01 Invention patent application deemed withdrawn after publication