CN112525404A - Ball pin assembly torsion test marking device and test method - Google Patents

Ball pin assembly torsion test marking device and test method Download PDF

Info

Publication number
CN112525404A
CN112525404A CN202011544734.8A CN202011544734A CN112525404A CN 112525404 A CN112525404 A CN 112525404A CN 202011544734 A CN202011544734 A CN 202011544734A CN 112525404 A CN112525404 A CN 112525404A
Authority
CN
China
Prior art keywords
ball
ball pin
pin assembly
platform
hole
Prior art date
Legal status (The legal status is an assumption and is not a legal conclusion. Google has not performed a legal analysis and makes no representation as to the accuracy of the status listed.)
Pending
Application number
CN202011544734.8A
Other languages
Chinese (zh)
Inventor
傅宇
孙立胜
高鹏
Current Assignee (The listed assignees may be inaccurate. Google has not performed a legal analysis and makes no representation or warranty as to the accuracy of the list.)
Yantai Chenyu Auto Parts Co ltd
Original Assignee
Yantai Chenyu Auto Parts Co ltd
Priority date (The priority date is an assumption and is not a legal conclusion. Google has not performed a legal analysis and makes no representation as to the accuracy of the date listed.)
Filing date
Publication date
Application filed by Yantai Chenyu Auto Parts Co ltd filed Critical Yantai Chenyu Auto Parts Co ltd
Priority to CN202011544734.8A priority Critical patent/CN112525404A/en
Publication of CN112525404A publication Critical patent/CN112525404A/en
Pending legal-status Critical Current

Links

Images

Classifications

    • GPHYSICS
    • G01MEASURING; TESTING
    • G01LMEASURING FORCE, STRESS, TORQUE, WORK, MECHANICAL POWER, MECHANICAL EFFICIENCY, OR FLUID PRESSURE
    • G01L5/00Apparatus for, or methods of, measuring force, work, mechanical power, or torque, specially adapted for specific purposes
    • BPERFORMING OPERATIONS; TRANSPORTING
    • B41PRINTING; LINING MACHINES; TYPEWRITERS; STAMPS
    • B41JTYPEWRITERS; SELECTIVE PRINTING MECHANISMS, i.e. MECHANISMS PRINTING OTHERWISE THAN FROM A FORME; CORRECTION OF TYPOGRAPHICAL ERRORS
    • B41J3/00Typewriters or selective printing or marking mechanisms characterised by the purpose for which they are constructed
    • B41J3/407Typewriters or selective printing or marking mechanisms characterised by the purpose for which they are constructed for marking on special material
    • B41J3/4073Printing on three-dimensional objects not being in sheet or web form, e.g. spherical or cubic objects
    • GPHYSICS
    • G01MEASURING; TESTING
    • G01BMEASURING LENGTH, THICKNESS OR SIMILAR LINEAR DIMENSIONS; MEASURING ANGLES; MEASURING AREAS; MEASURING IRREGULARITIES OF SURFACES OR CONTOURS
    • G01B11/00Measuring arrangements characterised by the use of optical techniques
    • G01B11/26Measuring arrangements characterised by the use of optical techniques for measuring angles or tapers; for testing the alignment of axes
    • G01B11/27Measuring arrangements characterised by the use of optical techniques for measuring angles or tapers; for testing the alignment of axes for testing the alignment of axes

Landscapes

  • Physics & Mathematics (AREA)
  • General Physics & Mathematics (AREA)
  • Engineering & Computer Science (AREA)
  • Manufacturing & Machinery (AREA)
  • Testing Of Devices, Machine Parts, Or Other Structures Thereof (AREA)

Abstract

本发明涉及一种球销总成扭力测试打标装置及测试方法,属于球销扭力测试技术领域,包括平台、安装在平台上方作用于关节轴承外套的限位预紧机构和安装在平台下方作用于球销的动力部,所述球销与动力部之间通过扭矩仪连接,所述限位预紧机构采用夹紧机构作用于关节轴承外套以模拟关节轴承外套安装时的预紧状态,用以解决现有技术种球销总成的球销扭力检测技术不成熟,扭力检测效率低以及检测精度差的技术问题。

Figure 202011544734

The invention relates to a ball-pin assembly torsion test and marking device and a test method, belonging to the technical field of ball-pin torsion test. In the power part of the ball pin, the ball pin and the power part are connected by a torque meter, and the limit pre-tightening mechanism adopts a clamping mechanism to act on the joint bearing shell to simulate the pre-tightening state of the joint bearing shell when it is installed. In order to solve the technical problems that the ball pin torsion force detection technology of the ball pin assembly in the prior art is immature, the torsion force detection efficiency is low and the detection accuracy is poor.

Figure 202011544734

Description

Ball pin assembly torsion test marking device and test method
Technical Field
The invention relates to a ball pin assembly torsion test marking device and a ball pin assembly torsion test marking method, and belongs to the technical field of ball pin torsion tests.
Background
The ball pin is a widely applied part in automobile transmission, the part connected with the ball pin allows a certain range of torsional oscillation, and the ball pin assembly generally comprises the ball pin and a joint bearing outer sleeve which is in running fit with the ball pin. In the prior art, lubricating grease is filled after the ball pin and the joint bearing outer sleeve are assembled, a finished product has certain requirements on the torsion of a ball pin assembly when being delivered from a factory, when the ball pin assembly is in an installation and use state, the torsion of the ball pin cannot be too low, the torsion is too low and is easy to pre-tighten, the torsion is not high, if the torsion is higher than 500N, the abrasion between the ball pin assembly and the joint bearing outer sleeve is easily caused, the service life of the ball pin assembly is shortened, the traditional detection of the torsion of the ball pin assembly cannot simulate the installation state of the ball pin assembly, the joint bearing outer sleeve is in interference fit with an external structure when the ball pin assembly is installed, once the ball pin assembly is installed, the joint bearing outer sleeve cannot be disassembled forcibly disassembled, the disassembly is easy to damage, the joint bearing outer sleeve is generally roughly detected manually, the joint bearing outer sleeve is fixed, the rotation torsion of the ball pin is estimated, and therefore the detection, the detection efficiency is low, the accuracy is poor, and the service life of the ball pin assembly is prolonged seriously.
Disclosure of Invention
The invention provides a ball pin assembly torsion test marking device and a ball pin assembly torsion test marking method aiming at the defects in the prior art and aims to solve the technical problems that the ball pin torsion detection technology of the ball pin assembly in the prior art is immature, the torsion detection efficiency is low and the detection precision is poor.
The technical scheme for solving the technical problems is as follows: the utility model provides a ball round pin assembly torsion test beats mark device, includes the platform, installs the spacing pretension mechanism that acts on joint bearing overcoat above the platform and installs the power portion that acts on the ball round pin below the platform, be connected through the torquemeter between ball round pin and the power portion, spacing pretension mechanism adopts clamping mechanism to act on the pretension state when joint bearing overcoat is installed in order to simulate joint bearing overcoat.
On the basis of the technical scheme, the invention can be further improved as follows.
Furthermore, spacing pretension mechanism includes that clamping mechanism and drive clamping mechanism press from both sides tightly and loosen the power component of action, clamping mechanism includes fixed clamp splice and activity clamp splice, fixed clamp splice is installed on the platform, install power component on the activity clamp splice, the one side that activity clamp splice and fixed clamp splice are relative all sets up the hole of pretightening of semicircle poroid, and the round hole diameter of constituteing under two pretension hole compression states of this fixed clamp splice and activity clamp splice equals the external diameter under the joint bearing overcoat pretension state.
Further, the platform is provided with a mounting hole for the ball pin to pass through, the bottom surface of the fixed clamping block is provided with a supporting plate, the supporting plate is provided with a semicircular hole, and the diameter of the semicircular hole is smaller than that of the joint bearing outer sleeve and larger than that of the ball pin.
Further, the power element adopts an air cylinder which is fixedly arranged on the platform through a left vertical plate, an air cylinder rod of the air cylinder penetrates through the left vertical plate and then is detachably arranged with the movable clamping block, the fixed clamping block is fixedly arranged on the platform through a right vertical plate, and a pre-tightening hole of the fixed clamping block is coaxial with a mounting hole in the platform.
Furthermore, a connecting block is installed at the end part of a cylinder rod of the cylinder, the end part of the connecting block is arranged to be T-shaped, a limit groove matched with the T-shaped end part of the connecting block in an inserting mode is arranged on one side face, away from the pre-tightening hole, of the movable clamping block, a horizontal guide rod is arranged on the fixed clamping block, and the guide rod penetrates through the movable clamping block and then is installed with the movable clamping block in a sliding mode.
Further, the power part comprises a motor and a speed reducer, the motor is connected with the speed reducer, a power output shaft of the speed reducer is connected with a torque meter shaft, the torque meter is also connected with a ball pin shaft, and the motor, the speed reducer and the torque meter are all arranged on a connecting frame on the bottom surface of the platform.
Further, left side riser and right riser all set up to the L type, and all set up a plurality of triangle-shaped floor.
Furthermore, a support is arranged in the mounting hole of the platform, and a bearing is arranged between the support and the rod part of the ball pin.
The laser marking machine further comprises a marking machine, the machine head of the marking machine and the pre-tightened ball pin holes are located on a uniform horizontal plane, a laser sensor is installed on the right vertical plate, and the laser emission direction of the laser sensor is collinear with the axis of the ball pin hole at the marking position.
A test method of a ball pin assembly torsion test marking device comprises the following steps: s1, vertically inserting the ball pin assembly into the mounting hole of the platform, so that the bottom surface of the joint bearing outer sleeve is placed on the supporting plate of the fixed clamping block, and the side surface of the joint bearing outer sleeve leans against the pre-tightening hole of the fixed clamping block; s2, starting the air cylinder to drive the movable clamping block to move to clamp the joint bearing outer sleeve to reach a pre-tightening state; s3, starting the motor, acting on the ball pin after speed change of the speed reducer, slowly increasing the torque force of the motor until the ball pin and the joint bearing outer sleeve rotate relatively, and recording the torque force as T by the torque meter; s4, if T is more than 500N, the torsion of the ball pin assembly is unqualified, and if T is less than or equal to 500N, the torsion of the ball pin assembly is qualified; and S5, testing qualified ball pin assemblies to mark, sensing whether the axes of the pin holes are collinear by the laser sensors, if so, starting the marking machine to mark, if not, starting the motor to drive the ball pins to rotate until the emission directions of the laser sensors are collinear with the axes of the pin holes, and then starting the marking machine to mark.
The invention has the beneficial effects that: the limiting pre-tightening mechanism is adopted to compress the joint bearing outer sleeve of the ball pin assembly to achieve a pre-tightening state during actual installation, so that the working condition of the ball pin during actual working is simulated, the torsion test performed under the condition is closer to the actual torsion value of the ball pin assembly, the test precision is improved, the power part and the torque meter are combined, the result can be conveniently and rapidly read, and the detection efficiency is greatly improved; the fixed clamping block is arranged to pre-position the joint bearing outer sleeve of the ball pin assembly, and the movable clamping block is arranged to clamp the joint bearing outer sleeve of the ball pin assembly to enable the joint bearing outer sleeve to be pre-tightened to reach a simulated installation state, so that the limitation that the installation state of the ball pin assembly cannot be simulated in a test state in the prior art is solved; the cylinder and the connecting block are adopted, so that the requirement on the levelness of the cylinder and the guide rod is lowered, and the guide rod is used for providing a guiding function for the movable clamping block; the speed reducer and the motor are adopted to act together, so that slow force application is facilitated, and the accuracy of test data is improved; through setting up laser sensor, detect the position in ball round pin pinhole, be convenient for beat mark operation on next step.
Drawings
FIG. 1 is a front view of the present invention;
FIG. 2 is a left side view of the present invention;
FIG. 3 is a top view of the present invention;
FIG. 4 is a perspective view of the present invention;
FIG. 5 is a perspective view of the movable clamp block;
fig. 6 is a perspective view of the fixed clamp block.
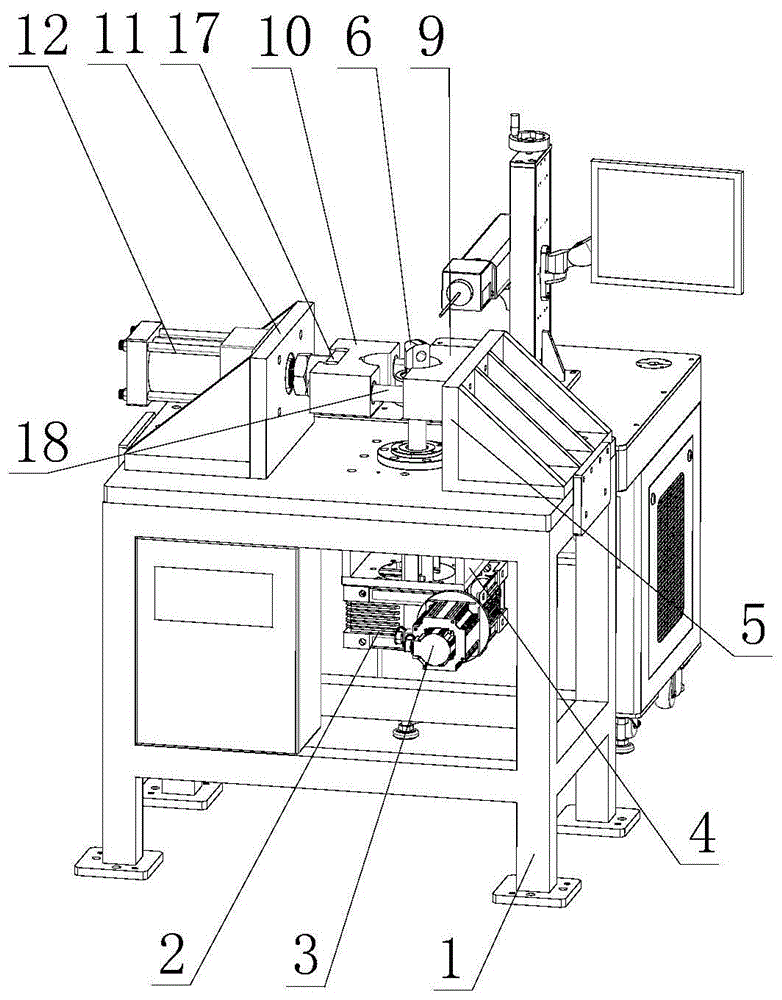
In the figure, 1, a rack, 2, a speed reducer, 3, a motor, 4, a connecting frame, 5, a right vertical plate, 6, a ball pin, 7, a machine head, 8, a marking machine, 9, a fixed clamping block, 10, a movable clamping block, 11, a left vertical plate, 12, an air cylinder, 13, a platform, 14, a joint bearing sleeve, 15, a support, 16, a torque meter, 17, a connecting block, 18, a guide rod, 19, a limiting groove, 20, a through hole, 21, a pre-tightening hole and 22, a supporting plate are arranged.
Detailed Description
The principles and features of this invention are described below in conjunction with the following drawings, which are set forth by way of illustration only and are not intended to limit the scope of the invention.
A ball pin assembly torsion test marking device comprises a ball pin 6 and a joint bearing outer sleeve 14 which is rotatably installed outside the ball pin 6, when the ball pin assembly is installed on equipment and is in a normal working state, due to the fact that pretightening force exists in interference installation, the ball pin assembly can rotate when a certain torsion value is required to be reached, the tested target is the rotary ox torsion value of the joint bearing outer sleeve 14, the ball pin assembly torsion test marking device comprises a platform 13, a limiting pretightening mechanism which is installed above the platform 13 and acts on the joint bearing outer sleeve 14, and a power part which is installed below the platform 13 and acts on the ball pin 6, a rack 1 is installed at the bottom of the platform 13, and the ball pin 6 is connected with the power part through a tor. The platform 13 is provided with a mounting hole for the ball pin 6 to pass through, a support 15 is mounted in the mounting hole of the platform 13, a bearing is mounted between the support 15 and the rod part of the ball pin 6, the ball pin 6 and the platform 13 are rotatably mounted, and the support provides support for the ball pin 6. The power portion includes motor 3 and speed reducer 2, motor 3 and speed reducer 2 are connected, the power output shaft and the 16 hub connections of torque meter of speed reducer 2, and torque meter 16 still is connected with ball round pin 6 hub connections simultaneously, motor 3, speed reducer 2 and torque meter 16 are all installed on link 4 of platform 13 bottom surface, through adopting speed reducer 2 and the 3 combined action of motor, are convenient for slowly apply force, and then improve the accuracy nature of test data.
The limiting pre-tightening mechanism acts on the joint bearing outer sleeve 14 by adopting a clamping mechanism to simulate the pre-tightening state of the joint bearing outer sleeve 14 during installation, the joint bearing outer sleeve 14 of the ball pin assembly is pressed by adopting the limiting pre-tightening mechanism to reach the pre-tightening state during actual installation, the working condition of the ball pin 6 during actual working is simulated, the torsion test performed under the condition is closer to the actual torsion value of the ball pin assembly, the test precision is improved, the power part and the torquer 16 are combined, the result can be conveniently and rapidly read, the detection efficiency is greatly improved, the limiting pre-tightening mechanism comprises a clamping mechanism and a power element for driving the clamping mechanism to clamp and loosen, the clamping mechanism comprises a fixed clamping block 9 and a movable clamping block 10, the fixed clamping block 9 is installed on the platform 13, and a supporting plate 22 is installed on the bottom surface of the fixed clamping block 9, the supporting plate 22 is provided with a semicircular hole, the diameter of the semicircular hole is smaller than that of the spherical pin outer sleeve 14 and larger than that of the spherical pin 6, a power element is installed on the movable clamping block 10, the semicircular hole-shaped pre-tightening holes 21 are formed in the opposite surfaces of the movable clamping block 10 and the fixed clamping block 9, the diameter of a circular hole formed by the two pre-tightening holes 21 of the fixed clamping block 9 and the movable clamping block 10 in a pressing state is equal to the outer diameter of the spherical pin outer sleeve 14 in a pre-tightening state, the spherical pin outer sleeve 14 of the spherical pin assembly is pre-positioned by arranging the fixed clamping block 9, the spherical pin outer sleeve 14 of the spherical pin assembly is clamped by the movable clamping block 10, so that the pre-tightening of the spherical pin assembly can reach a simulated installation state, and the limitation that the test state in the prior art can not simulate. The power element adopts an air cylinder 12, the air cylinder 12 is fixedly arranged on a platform 13 through a left vertical plate 11, an air cylinder rod of the air cylinder 12 penetrates through the left vertical plate 11 and then is detachably arranged with a movable clamping block 10, the fixed clamping block 9 is fixedly arranged on the platform 13 through a right vertical plate 5, and a pre-tightening hole 21 of the fixed clamping block 9 is coaxial with a mounting hole on the platform 13. The end part of a cylinder rod of the cylinder 12 is provided with a connecting block 17, the end part of the connecting block 17 is arranged in a T shape, one side surface of the movable clamping block 10, which is far away from a pre-tightening hole 21, is provided with a limiting groove 19 which is matched with the T-shaped end part of the connecting block 17 in an inserting manner, the fixed clamping block 9 is provided with a horizontal guide rod 18, the fixed clamping block 9 and the movable clamping block 10 are both provided with through holes 20 for the guide rod to pass through, the guide rod 18 is arranged with the movable clamping block 10 in a sliding manner after penetrating through the movable clamping block 10, the requirements on the levelness of the cylinder 13 and the guide rod 18 are reduced by adopting the cylinder 12 and the connecting block 17, and. Left side riser 11 and right riser 5 all set up to the L type, and all set up a plurality of triangle-shaped floor, play the reinforcing effect.
Still include marking machine 8, the aircraft nose 7 of this marking machine 8 is in unified horizontal plane with the 6 pinhole of ball round pin after the pretension on, install laser sensor (not shown in the figure) on the right side riser 5, this laser sensor's laser emission direction and the 6 pinhole axes collineations of ball round pin of marking the position, through setting up laser sensor, detect the position in 6 pinholes of ball round pin, be convenient for mark operation on next step.
A test method of a ball pin assembly torsion test marking device comprises the following steps: s1, vertically inserting the ball pin assembly into the mounting hole of the platform 13, so that the bottom surface of the joint bearing outer sleeve 14 is placed on the supporting plate 22 of the fixed clamping block 9, and the side surface of the joint bearing outer sleeve leans against the pre-tightening hole 21 of the fixed clamping block 9; s2, starting the air cylinder 12 to drive the movable clamping block 10 to move to clamp the knuckle bearing outer sleeve 14 to reach a pre-tightening state; s3, starting the motor 3, acting on the ball pin 6 after speed change of the speed reducer 2, slowly increasing the torque force of the motor 3 until the ball pin 6 and the knuckle bearing outer sleeve 14 rotate relatively, and recording the torque force as T by the torque meter 16; s4, if T is more than 500N, the torsion of the ball pin assembly is unqualified, and if T is less than or equal to 500N, the torsion of the ball pin assembly is qualified; and S5, marking the qualified ball pin assembly, sensing whether the axes of the pin holes are collinear by the laser sensor, if so, starting the marking machine 8 to mark, if not, starting the motor 3 to drive the ball pin 6 to rotate until the emission direction of the laser sensor is collinear with the axes of the pin holes, and then starting the marking machine 8 to mark.
The above description is only for the purpose of illustrating the preferred embodiments of the present invention and is not to be construed as limiting the invention, and any modifications, equivalents, improvements and the like that fall within the spirit and principle of the present invention are intended to be included therein.

Claims (10)

1.一种球销总成扭力测试打标装置,其特征在于:包括平台、安装在平台上方作用于关节轴承外套的限位预紧机构和安装在平台下方作用于球销的动力部,所述球销与动力部之间通过扭矩仪连接,所述限位预紧机构采用夹紧机构作用于关节轴承外套以模拟关节轴承外套安装时的预紧状态。1. A ball-pin assembly torsion testing and marking device is characterized in that: comprising a platform, a limit pre-tightening mechanism installed on the top of the platform and acting on the outer sleeve of the joint bearing and a power part installed on the bottom of the platform and acting on the ball pin, so The ball pin and the power part are connected by a torque meter, and the limit pre-tightening mechanism adopts a clamping mechanism to act on the joint bearing shell to simulate the pre-tightening state when the joint bearing shell is installed. 2.根据权利要求1所述的一种球销总成扭力测试打标装置,其特征在于:所述限位预紧机构包括夹紧机构以及驱动夹紧机构夹紧和松开动作的动力元件,所述夹紧机构包括固定夹块和活动夹块,所述固定夹块安装在平台上,所述活动夹块上安装动力元件,所述活动夹块和固定夹块相对的一面均设置半圆孔状的预紧孔,该固定夹块和活动夹块的两个预紧孔压紧状态下组成的圆孔直径等于关节轴承外套预紧状态下的外径。2 . The ball and pin assembly torsion test and marking device according to claim 1 , wherein the limit pre-tightening mechanism comprises a clamping mechanism and a power element that drives the clamping and loosening actions of the clamping mechanism. 3 . , the clamping mechanism includes a fixed clamp block and a movable clamp block, the fixed clamp block is installed on the platform, a power element is installed on the movable clamp block, and the opposite sides of the movable clamp block and the fixed clamp block are provided with semicircles The hole-shaped pre-tightening hole, the diameter of the circular hole formed by the two pre-tightening holes of the fixed clamping block and the movable clamping block in the compressed state is equal to the outer diameter of the joint bearing jacket in the pre-tightening state. 3.根据权利要求2所述的一种球销总成扭力测试打标装置,其特征在于:所述平台上设置供球销穿过的安装孔,所述固定夹块底面安装托板,该托板设置半圆孔,该半圆孔的直径小于关节轴承外套的直径,大于球销的直径。3. The ball pin assembly torsion test and marking device according to claim 2, wherein the platform is provided with a mounting hole for the ball pin to pass through, the bottom surface of the fixed clip is installed with a pallet, the The support plate is provided with a semicircular hole, and the diameter of the semicircular hole is smaller than the diameter of the joint bearing shell and larger than the diameter of the ball pin. 4.根据权利要求2所述的一种球销总成扭力测试打标装置,其特征在于:所述动力元件采用气缸,该气缸通过左立板固定安装在平台上,气缸的气缸杆穿过左立板后与活动夹块可拆卸安装,所述固定夹块通过右立板固定安装在平台上,所述固定夹块的预紧孔与平台上的安装孔同轴。4. A ball-pin assembly torsion test and marking device according to claim 2, characterized in that: the power element adopts a cylinder, the cylinder is fixedly installed on the platform through the left vertical plate, and the cylinder rod of the cylinder passes through The left vertical plate is detachably installed with the movable clamp block, the fixed clamp block is fixedly installed on the platform through the right vertical plate, and the pre-tightening hole of the fixed clamp block is coaxial with the installation hole on the platform. 5.根据权利要求4所述的一种球销总成扭力测试打标装置,其特征在于:所述气缸的气缸杆端部安装连接块,该连接块端部设置为T型,所述活动夹块远离预紧孔的一侧面设置与连接块的T型端部插入配合的限位槽,所述固定夹块上设置水平的导杆,该导杆穿透活动夹块后与活动夹块滑动安装。5. A ball pin assembly torsion test and marking device according to claim 4, characterized in that: a connecting block is installed at the end of the cylinder rod of the cylinder, and the end of the connecting block is set to be T-shaped, and the movable The side of the clamping block away from the pre-tightening hole is provided with a limit groove that is inserted and matched with the T-shaped end of the connecting block, and a horizontal guide rod is set on the fixed clamping block, and the guide rod penetrates the movable clamping block and is connected to the movable clamping block. Sliding installation. 6.根据权利要求5所述的一种球销总成扭力测试打标装置,其特征在于:所述动力部包括电机和减速机,所述电机和减速机连接,所述减速机的动力输出轴与扭矩仪轴连接,同时扭矩仪还与球销轴连接,所述电机、减速机和扭矩仪均安装在平台底面的连接架上。6 . The ball pin assembly torsion test and marking device according to claim 5 , wherein the power part comprises a motor and a reducer, the motor and the reducer are connected, and the power output of the reducer is 6 . The shaft is connected with the torque meter shaft, and the torque meter is also connected with the ball pin shaft. The motor, the reducer and the torque meter are all installed on the connecting frame on the bottom surface of the platform. 7.根据权利要求4所述的一种球销总成扭力测试打标装置,其特征在于:所述左立板和右立板均设置为L型,且均设置若干个三角形肋板。7 . The ball-pin assembly torsion test and marking device according to claim 4 , wherein the left vertical plate and the right vertical plate are both L-shaped, and each is provided with several triangular rib plates. 8 . 8.根据权利要求4所述的一种球销总成扭力测试打标装置,其特征在于:所述平台的安装孔内安装支座,该支座与球销的杆部之间安装轴承。8 . The ball pin assembly torsion test and marking device according to claim 4 , wherein a support is installed in the mounting hole of the platform, and a bearing is installed between the support and the rod portion of the ball pin. 9 . 9.根据权利要求1-8任一所述的一种球销总成扭力测试打标装置,其特征在于:还包括打标机,该打标机的机头与预紧后的球销销孔处于统一水平面上,所述右立板上安装激光传感器,该激光传感器的激光发射方向与打标位置的球销销孔轴线共线。9. A ball pin assembly torque test marking device according to any one of claims 1-8, characterized in that it further comprises a marking machine, the head of the marking machine and the preloaded ball pin The holes are on a uniform horizontal plane, a laser sensor is installed on the right vertical plate, and the laser emission direction of the laser sensor is collinear with the axis of the ball pin hole at the marking position. 10.一种球销总成扭力测试打标装置的测试方法,采用上述权利要求1-8任一所述的一种球销总成扭力测试打标装置,其特征在于:该测试方法步骤为:S1:将球销总成竖直插入平台的安装孔内,使关节轴承外套的底面放置在固定夹块的托板上,侧面靠在固定夹块的预紧孔上;S2:启动气缸,驱动活动夹块运动至夹紧关节轴承外套,达到预紧状态;S3:启动电机,经过减速机变速后作用于球销,缓慢增加电机的扭力,直至球销与关节轴承外套相对转动为止,扭矩仪记录此时的扭力为T;S4:若T>500N,则球销总成扭力不合格,若T≤500N,则球销总成扭力合格;S5:测试合格的球销总成进行打标,激光传感器感应销孔轴线是否共线,如若共线,则启动打标机进行打标,不共线,则启动电机带动球销旋转至激光传感器的发射方向与销孔轴线共线,然后启动打标机进行打标作业。10. A test method for a ball and pin assembly torsion test and marking device, adopting a ball and pin assembly torsion test and marking device according to any one of the above claims 1-8, it is characterized in that: the test method steps are: : S1: Insert the ball pin assembly vertically into the mounting hole of the platform, so that the bottom surface of the joint bearing jacket is placed on the support plate of the fixed clamp block, and the side is against the preload hole of the fixed clamp block; S2: Start the cylinder, Drive the movable clamping block to move to clamp the joint bearing casing to reach the pre-tightening state; S3: start the motor, act on the ball pin after the speed reducer, and slowly increase the torque of the motor until the ball pin and the joint bearing casing rotate relative to each other, the torque The instrument records the torque at this time as T; S4: If T>500N, the ball and pin assembly is unqualified; if T≤500N, the ball and pin assembly is qualified; S5: The ball and pin assembly that has passed the test is marked , The laser sensor senses whether the axis of the pin hole is collinear, if it is collinear, start the marking machine for marking, if not, start the motor to drive the ball pin to rotate until the emission direction of the laser sensor is collinear with the axis of the pin hole, and then start The marking machine performs the marking operation.
CN202011544734.8A 2020-12-24 2020-12-24 Ball pin assembly torsion test marking device and test method Pending CN112525404A (en)

Priority Applications (1)

Application Number Priority Date Filing Date Title
CN202011544734.8A CN112525404A (en) 2020-12-24 2020-12-24 Ball pin assembly torsion test marking device and test method

Applications Claiming Priority (1)

Application Number Priority Date Filing Date Title
CN202011544734.8A CN112525404A (en) 2020-12-24 2020-12-24 Ball pin assembly torsion test marking device and test method

Publications (1)

Publication Number Publication Date
CN112525404A true CN112525404A (en) 2021-03-19

Family

ID=74976059

Family Applications (1)

Application Number Title Priority Date Filing Date
CN202011544734.8A Pending CN112525404A (en) 2020-12-24 2020-12-24 Ball pin assembly torsion test marking device and test method

Country Status (1)

Country Link
CN (1) CN112525404A (en)

Cited By (2)

* Cited by examiner, † Cited by third party
Publication number Priority date Publication date Assignee Title
CN113884297A (en) * 2021-09-30 2022-01-04 江阴市富尔肯液压件制造有限公司 Testing machine for centripetal torque force of joint bearing
CN114812951A (en) * 2022-06-29 2022-07-29 常州市天钧复合新材料有限公司 Lunch box sealing detection device

Citations (7)

* Cited by examiner, † Cited by third party
Publication number Priority date Publication date Assignee Title
KR101447573B1 (en) * 2013-04-16 2014-10-07 설동규 Torque Measuring Device for Tapered Roller Bearings
CN104236777A (en) * 2014-09-05 2014-12-24 绍兴金江机械有限公司 Testing device for rotating torque and swing torque of ball joint type ball pin
CN207231922U (en) * 2017-06-12 2018-04-13 上海托展机电设备有限公司 A kind of torque test equipment
CN208606951U (en) * 2018-08-20 2019-03-15 苏州科技大学 A kind of equipment for testing sensor survey
CN209027712U (en) * 2018-11-30 2019-06-25 宁波无边橡塑有限公司 Ball pin torque test device on swing arm assembly
CN111721459A (en) * 2020-08-03 2020-09-29 肇庆市艾特易仪器设备有限公司 Automatic Torque Tester
CN213688758U (en) * 2020-12-24 2021-07-13 烟台辰宇汽车部件有限公司 Ball round pin assembly torsion test marks mark device

Patent Citations (7)

* Cited by examiner, † Cited by third party
Publication number Priority date Publication date Assignee Title
KR101447573B1 (en) * 2013-04-16 2014-10-07 설동규 Torque Measuring Device for Tapered Roller Bearings
CN104236777A (en) * 2014-09-05 2014-12-24 绍兴金江机械有限公司 Testing device for rotating torque and swing torque of ball joint type ball pin
CN207231922U (en) * 2017-06-12 2018-04-13 上海托展机电设备有限公司 A kind of torque test equipment
CN208606951U (en) * 2018-08-20 2019-03-15 苏州科技大学 A kind of equipment for testing sensor survey
CN209027712U (en) * 2018-11-30 2019-06-25 宁波无边橡塑有限公司 Ball pin torque test device on swing arm assembly
CN111721459A (en) * 2020-08-03 2020-09-29 肇庆市艾特易仪器设备有限公司 Automatic Torque Tester
CN213688758U (en) * 2020-12-24 2021-07-13 烟台辰宇汽车部件有限公司 Ball round pin assembly torsion test marks mark device

Cited By (4)

* Cited by examiner, † Cited by third party
Publication number Priority date Publication date Assignee Title
CN113884297A (en) * 2021-09-30 2022-01-04 江阴市富尔肯液压件制造有限公司 Testing machine for centripetal torque force of joint bearing
CN113884297B (en) * 2021-09-30 2023-09-19 江阴市富尔肯液压件制造有限公司 Centripetal torsion testing machine for joint bearing
CN114812951A (en) * 2022-06-29 2022-07-29 常州市天钧复合新材料有限公司 Lunch box sealing detection device
CN114812951B (en) * 2022-06-29 2022-09-16 常州市天钧复合新材料有限公司 Lunch box sealing detection device

Similar Documents

Publication Publication Date Title
CN112525404A (en) Ball pin assembly torsion test marking device and test method
CN206300848U (en) Tensile torsion compound fretting fatigue test equipment
CN102338679A (en) Torsion testing apparatus
US20220316992A1 (en) Loading system and test equipment for automobile chassis simulation road test
CN106840927A (en) Tension-torsion is combined fretting fatigue testing equipment and test method
CN213688758U (en) Ball round pin assembly torsion test marks mark device
CN110470427B (en) A kind of dynamic calibration device and method of torque wrench angle display value
CN117782432A (en) Dynamic balance comprehensive test system for automobile front axle assembly
CN112033678A (en) Bearing simulation loading test device and method
CN109975015B (en) Dynamic detection device for large-torque coupler
CN112198111A (en) Reciprocating type rotating connection structure friction coefficient measuring device
CN116164959B (en) Torsion test stand and use method thereof
CN119413610A (en) A test fixture and test method for loading a fixed shaft of a differential case
CN213364552U (en) Reciprocating type rotating connection structure friction coefficient measuring device
CN218895873U (en) Force testing device
CN113607358B (en) High-frequency firing pin spring fatigue test device and test method
CN112797114B (en) A flywheel ring gear assembly for engineering machinery and assembly method
CN117288411B (en) Transmission shaft deflection detection method and equipment
CN111521409A (en) Life testing device
CN223449679U (en) Cell compression test device
CN114590420A (en) Vertical take-off and landing aircraft nacelle parameter testing device
CN116067651B (en) A test method for an in-situ equivalent test system based on ball friction and motion
CN211784276U (en) Automatic center distance adjusting and measuring device for chain abrasion test bed
CN222748272U (en) Transmission belt testing tool
CN120102147B (en) Unmanned helicopter automatic inclinator bearing testing machine

Legal Events

Date Code Title Description
PB01 Publication
PB01 Publication
SE01 Entry into force of request for substantive examination
SE01 Entry into force of request for substantive examination