CN112304708A - 一种污染土壤取样装置 - Google Patents

一种污染土壤取样装置 Download PDF

Info

Publication number
CN112304708A
CN112304708A CN202011472416.5A CN202011472416A CN112304708A CN 112304708 A CN112304708 A CN 112304708A CN 202011472416 A CN202011472416 A CN 202011472416A CN 112304708 A CN112304708 A CN 112304708A
Authority
CN
China
Prior art keywords
sampling
plate
driven gear
rotating
box
Prior art date
Legal status (The legal status is an assumption and is not a legal conclusion. Google has not performed a legal analysis and makes no representation as to the accuracy of the status listed.)
Granted
Application number
CN202011472416.5A
Other languages
English (en)
Other versions
CN112304708B (zh
Inventor
王仲勋
Current Assignee (The listed assignees may be inaccurate. Google has not performed a legal analysis and makes no representation or warranty as to the accuracy of the list.)
Shandong Yishan Environmental Technology Co ltd
Original Assignee
Yantai Vocational College
Priority date (The priority date is an assumption and is not a legal conclusion. Google has not performed a legal analysis and makes no representation as to the accuracy of the date listed.)
Filing date
Publication date
Application filed by Yantai Vocational College filed Critical Yantai Vocational College
Priority to CN202011472416.5A priority Critical patent/CN112304708B/zh
Publication of CN112304708A publication Critical patent/CN112304708A/zh
Application granted granted Critical
Publication of CN112304708B publication Critical patent/CN112304708B/zh
Active legal-status Critical Current
Anticipated expiration legal-status Critical

Links

Images

Classifications

    • GPHYSICS
    • G01MEASURING; TESTING
    • G01NINVESTIGATING OR ANALYSING MATERIALS BY DETERMINING THEIR CHEMICAL OR PHYSICAL PROPERTIES
    • G01N1/00Sampling; Preparing specimens for investigation
    • G01N1/02Devices for withdrawing samples
    • G01N1/10Devices for withdrawing samples in the liquid or fluent state
    • G01N1/14Suction devices, e.g. pumps; Ejector devices
    • BPERFORMING OPERATIONS; TRANSPORTING
    • B64AIRCRAFT; AVIATION; COSMONAUTICS
    • B64CAEROPLANES; HELICOPTERS
    • B64C39/00Aircraft not otherwise provided for
    • B64C39/02Aircraft not otherwise provided for characterised by special use
    • BPERFORMING OPERATIONS; TRANSPORTING
    • B64AIRCRAFT; AVIATION; COSMONAUTICS
    • B64DEQUIPMENT FOR FITTING IN OR TO AIRCRAFT; FLIGHT SUITS; PARACHUTES; ARRANGEMENT OR MOUNTING OF POWER PLANTS OR PROPULSION TRANSMISSIONS IN AIRCRAFT
    • B64D47/00Equipment not otherwise provided for
    • GPHYSICS
    • G01MEASURING; TESTING
    • G01NINVESTIGATING OR ANALYSING MATERIALS BY DETERMINING THEIR CHEMICAL OR PHYSICAL PROPERTIES
    • G01N1/00Sampling; Preparing specimens for investigation
    • G01N1/02Devices for withdrawing samples
    • G01N1/10Devices for withdrawing samples in the liquid or fluent state
    • G01N2001/1006Dispersed solids
    • G01N2001/1012Suspensions
    • G01N2001/1025Liquid suspensions; Slurries; Mud; Sludge
    • GPHYSICS
    • G01MEASURING; TESTING
    • G01NINVESTIGATING OR ANALYSING MATERIALS BY DETERMINING THEIR CHEMICAL OR PHYSICAL PROPERTIES
    • G01N1/00Sampling; Preparing specimens for investigation
    • G01N1/02Devices for withdrawing samples
    • G01N1/10Devices for withdrawing samples in the liquid or fluent state
    • G01N2001/1031Sampling from special places
    • GPHYSICS
    • G01MEASURING; TESTING
    • G01NINVESTIGATING OR ANALYSING MATERIALS BY DETERMINING THEIR CHEMICAL OR PHYSICAL PROPERTIES
    • G01N1/00Sampling; Preparing specimens for investigation
    • G01N1/02Devices for withdrawing samples
    • G01N1/10Devices for withdrawing samples in the liquid or fluent state
    • G01N1/14Suction devices, e.g. pumps; Ejector devices
    • G01N2001/1418Depression, aspiration
    • YGENERAL TAGGING OF NEW TECHNOLOGICAL DEVELOPMENTS; GENERAL TAGGING OF CROSS-SECTIONAL TECHNOLOGIES SPANNING OVER SEVERAL SECTIONS OF THE IPC; TECHNICAL SUBJECTS COVERED BY FORMER USPC CROSS-REFERENCE ART COLLECTIONS [XRACs] AND DIGESTS
    • Y02TECHNOLOGIES OR APPLICATIONS FOR MITIGATION OR ADAPTATION AGAINST CLIMATE CHANGE
    • Y02ATECHNOLOGIES FOR ADAPTATION TO CLIMATE CHANGE
    • Y02A50/00TECHNOLOGIES FOR ADAPTATION TO CLIMATE CHANGE in human health protection, e.g. against extreme weather
    • Y02A50/20Air quality improvement or preservation, e.g. vehicle emission control or emission reduction by using catalytic converters

Landscapes

  • Engineering & Computer Science (AREA)
  • Aviation & Aerospace Engineering (AREA)
  • Life Sciences & Earth Sciences (AREA)
  • Hydrology & Water Resources (AREA)
  • Physics & Mathematics (AREA)
  • Health & Medical Sciences (AREA)
  • Chemical & Material Sciences (AREA)
  • Analytical Chemistry (AREA)
  • Biochemistry (AREA)
  • General Health & Medical Sciences (AREA)
  • General Physics & Mathematics (AREA)
  • Immunology (AREA)
  • Pathology (AREA)
  • Sampling And Sample Adjustment (AREA)

Abstract

一种污染土壤取样装置,属于污泥处理领域,包括缓冲气垫,缓冲气垫上方设有采样箱,所述采样箱顶部设有顶板,所述顶板上固定无人机,所述采样箱内设有驱动机构,所述驱动机构连接有转动块,所述转动块上连接有取样管,所述取样管顶部设有按压板,所述按压板与固定套之间设有第一弹簧,在顶板底部设有第二电动缸。本发明借助无人机可飞至淤泥浅滩上方,并借助缓冲气垫降落在淤泥上,利用多级伸缩结构,可实现取样管的取样,借助旋转电机及旋转盘设计可选择不同取样内管进行土壤取样,并针对于淤泥容易堵塞管口的问题,借助负压进行淤泥的吸入以完成土壤取样工作。

Description

一种污染土壤取样装置
技术领域
本发明涉及污泥处理领域,具体地说是污染土壤取样装置。
背景技术
土壤重金属污染检测的主要步骤:在进行污染场地土壤环境调查项目时,进行土壤样品采样以后,样品要进入实验室进行检测,使土壤样品中的重金属元素溶解到酸溶液中,上机测试得到检测数据,再经过数据处理得到土壤样品中的重金属含量,进而可以对土壤样品是否受到重金属污染以及污染程度如何进行评价,其中,最为重要的就是土壤的取样,土壤取样的质量也关乎着整个检测结果的精度。
但是目前市场上的取样装置结构复杂,不适合乱排工业废水的淤泥浅滩使用,上述地形人们容易下陷进去,且目前取样装置在进行多次取样时,取样结果容易收到前次取样的影响,有效的隔离有利于调查的准确性,所以需要一种既能适应于淤泥浅滩又能又能防止交叉污染土壤取样样品的装置。
发明内容
针对现有技术中提及的问题,本发明提供一种污染土壤取样装置,可以避免上述问题的发生。
本发明解决其技术问题所采取的技术方案是:
一种污染土壤取样装置,包括一缓冲气垫,所述缓冲气垫上方设有采样箱,所述采样箱顶部设有顶板,所述顶板上固定无人机,所述采样箱内设有驱动机构,所述驱动机构连接有转动块,所述转动块上连接有第一电动缸,所述第一电动缸端部设有固定套,所述固定套内滑动配合有取样管,所述取样管顶部设有按压板,所述按压板与固定套之间设有第一弹簧,在顶板底部设有第二电动缸。
进一步的,所述取样管内部设有一旋转电机,所述旋转电机上转动连接有旋转盘,所述旋转盘中部设有一滑轨,所述滑轨上滑动配合有多个滑块,所述滑块上连接有取样内管,在滑轨底部设有一限位滑板,所述限位滑板沿取样内管外壁滑动,所述限位滑板与滑块之间设有复位弹簧,在取样内管外壁上设有齿条,在取样管内壁上安装有一驱动电机,所述驱动电机的输出轴连接有一转动盘,所述转动盘上安装有半圆形齿圈,所述半圆形齿圈与齿条相啮合。
进一步的,在取样管底部设有出管孔,所述出管孔两侧设有刮泥机构,所述刮泥机构包括一固定块,所述固定块上设有一竖直板,所述竖直板上设有一通孔,所述通孔内滑动配合有抽拉外管,所述竖直板上转动连接有调节旋钮,所述调节旋钮使得抽拉外管定位于通孔内的一处,所述抽拉外管内滑动配合有抽拉内杆,所述抽拉内杆底部设有刮泥板,所述刮泥板与竖直板之间设有推动弹簧。
进一步的,所述取样内管包括取样内管本体,所述取样内管本体内滑动配合有负压板,所述负压板连接有取样电动缸。
进一步的,所述取样内管包括取样内管本体,所述取样内管本体内滑动配合有负压板,所述取样内管本体底部设有一取样电机,所述驱动电机连接有一绕线轮,所述绕线轮上缠绕有钢丝绳,所述钢丝绳连接有负压板。
进一步的,所述取样内管本体内设有一内板,所述内板上设有一穿孔,所述钢丝绳可穿过穿孔后一端连接有绕线轮,另一端连接有负压板。
进一步的,所述采样箱包括下箱、中箱及上箱,其中上箱与下箱通过中箱相连接,所述驱动机构包括内齿圈,所述下箱内壁上固定连接有一内齿圈,所述内齿圈上啮合有第一从动齿轮、第二从动齿轮与第三从动齿轮,所述第一从动齿轮、第二从动齿轮与第三从动齿轮中部配合安装有中心齿轮,所述中心齿轮的转轴连接有转动电机。
进一步的,在下箱底部设有一转动盘,所述转动盘上转动连接有转动板,所述转动板上安装有第一转轴、第二转轴与第三转轴,所述第一转轴上转动连接有第一从动齿轮,第二转轴上转动连接有第二从动齿轮,第三转轴上转动连接有第三从动齿轮,所述第一转轴、第二转轴与第三转轴上各连接有一转动块。
进一步的,所述缓冲气垫顶部设有一安装槽,所述安装槽底部设有一铁板,所述采样箱上设有导向板,所述采样箱在导向板作用下插入安装槽中,在采样箱底部设有多个导向孔,所述导向孔内滑动配合有导向杆,所述导向杆底部设有电磁铁,所述电磁铁与下箱之间设有减震弹簧,所述电磁铁与铁板相配合。
本发明的有益效果是:本发明借助无人机可飞至淤泥浅滩上方,并借助缓冲气垫降落在淤泥上,利用多级伸缩结构,可实现取样管的取样,借助旋转电机及旋转盘设计可选择不同取样内管进行土壤取样,并针对于淤泥容易堵塞管口的问题,借助负压进行淤泥的吸入以完成土壤取样工作。
附图说明
图1为本发明的结构示意图;
图2为驱动机构的结构示意图;
图3为图1中A处的局部放大图;
图4为取样管的剖视图;
图5为取样内管的第一实施例的剖视图;
图6为取样内管的第二实施例的剖视图;
图7为图4中B处的局部放大图。
具体实施方式
下面将结合本发明实施例中的附图,对实施例中的技术方案进行清楚、完整地描述。显然,所描述的实施例仅仅是本发明的一部分实施例,而不是全部的实施例。基于本发明的实施例,本领域普通技术人员在没有作出创造性劳动前提下所获得的所有其他实施例,都属于本发明保护的范围。在本发明的描述中,需要理解的是,术语“中心”、“纵向”、“横向”、“前”、“后”、“左”、“右”、“竖直”、“水平”、“顶”、“底”、“内”、“外”等指示的方位或位置关系为基于附图所示的方位或位置关系,仅是为了便于描述本发明和简化描述,而不是指示或暗示所指的装置或元件必须具有特定的方位、以特定的方位构造和操作,因此不能理解为对本发明保护范围的限制。
如图1至图7所示,一种污染土壤取样装置,包括一缓冲气垫1,所述缓冲气垫上方设有采样箱2,所述采样箱顶部设有顶板3,所述顶板3上固定无人机4,借助无人机可实现整个设备的升空。
至少一个实施例中,所述采样箱包括下箱21、中箱22及上箱23,其中上箱与下箱通过中箱相连接。所述下箱内设有驱动机构,所述驱动机构连接有转动块51,所述转动块上连接有第一电动缸52,所述第一电动缸端部设有固定套53,所述固定套内滑动配合有取样管6,所述取样管顶部设有按压板54,所述按压板与固定套之间设有第一弹簧55,在顶板底部设有第二电动缸56,所述按压板在第一电动缸带动下可移动至第二电动缸底部,使得第二电动缸的伸缩杆端部与按压板顶部相接触,从而第二电动缸的伸缩杆伸出时可使得取样管沿着固定套竖直往下移动以插入至土壤中。
至少一个实施例中,所述驱动机构包括内齿圈211,所述下箱内壁上固定连接有一内齿圈211,所述内齿圈上啮合有第一从动齿轮213、第二从动齿轮214与第三从动齿轮215,所述第一从动齿轮213、第二从动齿轮214与第三从动齿轮215中部配合安装有中心齿轮212,所述中心齿轮的转轴217连接有转动电机,通过转动电机的转动能够带动中心齿轮的转动,因中心齿轮与第一从动齿轮213、第二从动齿轮214与第三从动齿轮215相啮合,所述第一从动齿轮213、第二从动齿轮214与第三从动齿轮215也随之发生转动。
进一步的,在下箱底部设有一转动盘,所述转动盘上转动连接有转动板,所述转动板上安装有第一转轴、第二转轴与第三转轴,所述第一转轴上转动连接有第一从动齿轮,第二转轴上转动连接有第二从动齿轮,第三转轴上转动连接有第三从动齿轮,所述第一转轴、第二转轴与第三转轴上各连接有一转动块51。
至少一个实施例中,所述缓冲气垫1顶部设有一安装槽11,所述安装槽底部设有一铁板12,所述下箱上设有导向板16,所述下箱在导向板作用下可插入安装槽中,在下箱底部设有多个导向孔,所述导向孔内滑动配合有导向杆14,所述导向杆底部设有电磁铁13,所述电磁铁与下箱之间设有减震弹簧15。当无人机下落至淤泥浅滩中时,利用该缓冲气垫可降低对设备的影响,而当采样完成时,因淤泥的黏着性较强,通过电磁铁断电,可实现设备与缓冲气垫的脱离,方便设备升空。
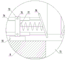
至少一个实施例中,参见图4,所述取样管6内部设有一旋转电机61,所述旋转电机上转动连接有旋转盘62,所述旋转盘中部设有一滑轨63,所述滑轨上滑动配合有多个滑块65,所述滑块上连接有取样内管66,在滑轨底部设有一限位滑板64,所述限位滑板可沿取样内管外壁滑动,所述限位滑板与滑块之间设有复位弹簧68,在取样内管外壁上还设有齿条67,与之配合的是,在取样管内壁上安装有一驱动电机,所述驱动电机的输出轴610连接有一转动盘69,所述转动盘上安装有半圆形齿圈611,所述半圆形齿圈可与齿条相啮合,从而带动取样内管竖直往下移动至伸出取样管底部的出管孔71外。而当转动盘转动至没有半圆形齿圈的部分靠近齿条时,取样内管可在复位弹簧作用下,恢复至初始位置。
工作方式,旋转电机的转动可使得旋转盘转动,通过旋转盘的转动可更换不同的取样内管与该半圆形齿圈相啮合,从而一个取样管可进行多次土壤取样,因为采用不同的取样内管,彼此之间的土壤样品均不受对方干扰。
进一步的,参见图7,所述出管孔两侧设有刮泥机构。
所述刮泥机构包括一固定块72,所述固定块上设有一竖直板73,所述竖直板上设有一通孔,所述通孔内滑动配合有抽拉外管74,所述竖直板上转动连接有调节旋钮75,所述调节旋钮使得抽拉外管定位于通孔内的一处,所述抽拉外管内滑动配合有抽拉内杆,所述抽拉内杆底部设有刮泥板76,所述刮泥板与竖直板之间设有推动弹簧77,在推动弹簧作用下,刮泥板与取样内管外壁相接触,可用于刮除取样内管外壁上附着的泥土。
至少一个实施例中,所述取样内管包括取样内管本体661,所述取样内管本体内滑动配合有负压板662,所述负压板连接有取样电动缸663,当取样内管进行泥土取样时,首先借助第二电动缸56实现取样管的一级升降,然后借助齿条67与半圆形齿圈611实现取样内管的二级升降,然后取样电动缸动作使得负压板靠近取样内管口,此时泥土填充满取样内管口,然后取样电动缸回缩,使得负压板远离取样内管口,因为此时取样内管处于淤泥中,淤泥具有一定粘性,可在负压作用下吸附至取样内管中,而不会出现取样管口被泥土封堵,无法获得较多土壤样品的问题。
在某些实施例中,参见图 6,所述取样内管包括取样内管本体661,所述取样内管本体内滑动配合有负压板662,所述取样内管本体底部设有一取样电机,所述驱动电机连接有一绕线轮665,所述绕线轮上缠绕有钢丝绳666,所述钢丝绳连接有负压板。
进一步的,所述取样内管本体内设有一内板663,所述内板上设有一穿孔664,所述钢丝绳可穿过穿孔后一端连接有绕线轮,另一端连接有负压板。
除说明书所述的技术特征外,均为本专业技术人员的已知技术。

Claims (9)

1.一种污染土壤取样装置,其特征在于,包括一缓冲气垫,所述缓冲气垫上方设有采样箱,所述采样箱顶部设有顶板,所述顶板上固定无人机,所述采样箱内设有驱动机构,所述驱动机构连接有转动块,所述转动块上连接有第一电动缸,所述第一电动缸端部设有固定套,所述固定套内滑动配合有取样管,所述取样管顶部设有按压板,所述按压板与固定套之间设有第一弹簧,在顶板底部设有第二电动缸。
2.根据权利要求1所述的污染土壤取样装置,其特征在于,所述取样管内部设有一旋转电机,所述旋转电机上转动连接有旋转盘,所述旋转盘中部设有一滑轨,所述滑轨上滑动配合有多个滑块,所述滑块上连接有取样内管,在滑轨底部设有一限位滑板,所述限位滑板沿取样内管外壁滑动,所述限位滑板与滑块之间设有复位弹簧,在取样内管外壁上设有齿条,在取样管内壁上安装有一驱动电机,所述驱动电机的输出轴连接有一转动盘,所述转动盘上安装有半圆形齿圈,所述半圆形齿圈与齿条相啮合。
3.根据权利要求2所述的污染土壤取样装置,其特征在于,在取样管底部设有出管孔,所述出管孔两侧设有刮泥机构,所述刮泥机构包括一固定块,所述固定块上设有一竖直板,所述竖直板上设有一通孔,所述通孔内滑动配合有抽拉外管,所述竖直板上转动连接有调节旋钮,所述调节旋钮使得抽拉外管定位于通孔内的一处,所述抽拉外管内滑动配合有抽拉内杆,所述抽拉内杆底部设有刮泥板,所述刮泥板与竖直板之间设有推动弹簧。
4.根据权利要求2或3所述的污染土壤取样装置,其特征在于,所述取样内管包括取样内管本体,所述取样内管本体内滑动配合有负压板,所述负压板连接有取样电动缸。
5.根据权利要求2或3所述的污染土壤取样装置,其特征在于,所述取样内管包括取样内管本体,所述取样内管本体内滑动配合有负压板,所述取样内管本体底部设有一取样电机,所述驱动电机连接有一绕线轮,所述绕线轮上缠绕有钢丝绳,所述钢丝绳连接有负压板。
6.根据权利要求5所述的污染土壤取样装置,其特征在于,所述取样内管本体内设有一内板,所述内板上设有一穿孔,所述钢丝绳可穿过穿孔后一端连接有绕线轮,另一端连接有负压板。
7.根据权利要求1所述的污染土壤取样装置,其特征在于,所述采样箱包括下箱、中箱及上箱,其中上箱与下箱通过中箱相连接,所述驱动机构包括内齿圈,所述下箱内壁上固定连接有一内齿圈,所述内齿圈上啮合有第一从动齿轮、第二从动齿轮与第三从动齿轮,所述第一从动齿轮、第二从动齿轮与第三从动齿轮中部配合安装有中心齿轮,所述中心齿轮的转轴连接有转动电机。
8.根据权利要求7所述的污染土壤取样装置,其特征在于,在下箱底部设有一转动盘,所述转动盘上转动连接有转动板,所述转动板上安装有第一转轴、第二转轴与第三转轴,所述第一转轴上转动连接有第一从动齿轮,第二转轴上转动连接有第二从动齿轮,第三转轴上转动连接有第三从动齿轮,所述第一转轴、第二转轴与第三转轴上各连接有一转动块。
9.根据权利要求4所述的污染土壤取样装置,其特征在于,所述缓冲气垫顶部设有一安装槽,所述安装槽底部设有一铁板,所述采样箱上设有导向板,所述采样箱在导向板作用下插入安装槽中,在采样箱底部设有多个导向孔,所述导向孔内滑动配合有导向杆,所述导向杆底部设有电磁铁,所述电磁铁与下箱之间设有减震弹簧,所述电磁铁与铁板相配合。
CN202011472416.5A 2020-12-15 2020-12-15 一种污染土壤取样装置 Active CN112304708B (zh)

Priority Applications (1)

Application Number Priority Date Filing Date Title
CN202011472416.5A CN112304708B (zh) 2020-12-15 2020-12-15 一种污染土壤取样装置

Applications Claiming Priority (1)

Application Number Priority Date Filing Date Title
CN202011472416.5A CN112304708B (zh) 2020-12-15 2020-12-15 一种污染土壤取样装置

Publications (2)

Publication Number Publication Date
CN112304708A true CN112304708A (zh) 2021-02-02
CN112304708B CN112304708B (zh) 2022-05-17

Family

ID=74486839

Family Applications (1)

Application Number Title Priority Date Filing Date
CN202011472416.5A Active CN112304708B (zh) 2020-12-15 2020-12-15 一种污染土壤取样装置

Country Status (1)

Country Link
CN (1) CN112304708B (zh)

Cited By (5)

* Cited by examiner, † Cited by third party
Publication number Priority date Publication date Assignee Title
CN112816254A (zh) * 2021-02-24 2021-05-18 王晨奇 一种土壤污染治理修复检验用土壤采样装置
CN113686611A (zh) * 2021-09-16 2021-11-23 王磊 一种环境检测用淤泥取样装置
CN115583353A (zh) * 2022-09-16 2023-01-10 张云逸 一种用于淤泥测量的无人机
CN116678684A (zh) * 2023-06-06 2023-09-01 中通盛华(山东)检测集团有限公司 一种大气污染监测取样装置
CN117232890A (zh) * 2023-11-07 2023-12-15 北京建工环境修复股份有限公司 一种土壤污染治理用无人机采样装置

Citations (11)

* Cited by examiner, † Cited by third party
Publication number Priority date Publication date Assignee Title
CN105936336A (zh) * 2016-05-27 2016-09-14 合肥德秦人居环境科技有限公司 一种广阔水面水样采集空水陆三用多旋翼无人机
CN207019927U (zh) * 2017-05-23 2018-02-16 广东惠利通检测技术有限公司 一种土壤检测采样收集车
CN108583886A (zh) * 2018-06-22 2018-09-28 永春福源建材科技有限公司 一种用于河水检样的无人机
CN209051590U (zh) * 2018-08-16 2019-07-02 重庆市亿飞智联科技有限公司 一种湿地水质和土壤取样无人机
CN209673407U (zh) * 2019-02-12 2019-11-22 四川省地质调查院 一种土壤采样装置
CN110608921A (zh) * 2019-10-11 2019-12-24 自然资源部第二海洋研究所 一种海洋深水钻探取样设备
CN210293801U (zh) * 2019-07-26 2020-04-10 数字鹰电子(湖北)有限公司 一种新型环境监测无人机取样装置
CN111024449A (zh) * 2019-12-26 2020-04-17 温州大学 一种无人机水体采样设备
CN111204522A (zh) * 2019-12-19 2020-05-29 南京蹑波物联网科技有限公司 一种农业环境信息采集装置及使用方法
CN111289289A (zh) * 2020-03-20 2020-06-16 四川农业大学 一种多功能采集土壤样品设备
CN111609814A (zh) * 2020-06-02 2020-09-01 惠安建设监理有限公司 应用于建设监理的项目进度辅助机器人及监理检测方法

Patent Citations (11)

* Cited by examiner, † Cited by third party
Publication number Priority date Publication date Assignee Title
CN105936336A (zh) * 2016-05-27 2016-09-14 合肥德秦人居环境科技有限公司 一种广阔水面水样采集空水陆三用多旋翼无人机
CN207019927U (zh) * 2017-05-23 2018-02-16 广东惠利通检测技术有限公司 一种土壤检测采样收集车
CN108583886A (zh) * 2018-06-22 2018-09-28 永春福源建材科技有限公司 一种用于河水检样的无人机
CN209051590U (zh) * 2018-08-16 2019-07-02 重庆市亿飞智联科技有限公司 一种湿地水质和土壤取样无人机
CN209673407U (zh) * 2019-02-12 2019-11-22 四川省地质调查院 一种土壤采样装置
CN210293801U (zh) * 2019-07-26 2020-04-10 数字鹰电子(湖北)有限公司 一种新型环境监测无人机取样装置
CN110608921A (zh) * 2019-10-11 2019-12-24 自然资源部第二海洋研究所 一种海洋深水钻探取样设备
CN111204522A (zh) * 2019-12-19 2020-05-29 南京蹑波物联网科技有限公司 一种农业环境信息采集装置及使用方法
CN111024449A (zh) * 2019-12-26 2020-04-17 温州大学 一种无人机水体采样设备
CN111289289A (zh) * 2020-03-20 2020-06-16 四川农业大学 一种多功能采集土壤样品设备
CN111609814A (zh) * 2020-06-02 2020-09-01 惠安建设监理有限公司 应用于建设监理的项目进度辅助机器人及监理检测方法

Cited By (8)

* Cited by examiner, † Cited by third party
Publication number Priority date Publication date Assignee Title
CN112816254A (zh) * 2021-02-24 2021-05-18 王晨奇 一种土壤污染治理修复检验用土壤采样装置
CN112816254B (zh) * 2021-02-24 2022-12-09 中化学土木工程有限公司 一种土壤污染治理修复检验用土壤采样装置
CN113686611A (zh) * 2021-09-16 2021-11-23 王磊 一种环境检测用淤泥取样装置
CN113686611B (zh) * 2021-09-16 2023-12-08 中化学土木工程有限公司 一种环境检测用淤泥取样装置
CN115583353A (zh) * 2022-09-16 2023-01-10 张云逸 一种用于淤泥测量的无人机
CN116678684A (zh) * 2023-06-06 2023-09-01 中通盛华(山东)检测集团有限公司 一种大气污染监测取样装置
CN117232890A (zh) * 2023-11-07 2023-12-15 北京建工环境修复股份有限公司 一种土壤污染治理用无人机采样装置
CN117232890B (zh) * 2023-11-07 2024-01-19 北京建工环境修复股份有限公司 一种土壤污染治理用无人机采样装置

Also Published As

Publication number Publication date
CN112304708B (zh) 2022-05-17

Similar Documents

Publication Publication Date Title
CN112304708B (zh) 一种污染土壤取样装置
CN218180339U (zh) 一种土壤有机质含量检测装置
CN118294201A (zh) 一种地质勘探用取样装置
CN211179152U (zh) 一种具有多点同时取样功能的废水采集器
CN221764962U (zh) 一种取样装置及水质检测设备
CN116165358A (zh) 一种河道多元化生态系统用的水质化验平台
CN109596387B (zh) 一种煤矿探测用便携式采样装置
CN109605475A (zh) 一种会计凭证打孔机
CN209894527U (zh) 一种环境工程用便携式污染土壤取样装置
CN211652143U (zh) 一种土壤污染物检测的采集装置
CN212539710U (zh) 一种基于土壤氮测量的采样装置
CN208026502U (zh) 一种生理实验用取样装置
CN216916221U (zh) 一种水环境重金属在线监测装置
CN117030319A (zh) 一种用于土壤健康检测用采样装置
CN220467400U (zh) 一种水质采样装置
CN212300981U (zh) 一种水域环境监测用采水装置
CN212844497U (zh) 一种环境检测用水样提取器
CN116124502A (zh) 一种立式取样钻孔机
CN210647725U (zh) 一种集土壤检测和土壤修复于一体的实验车
CN115290376A (zh) 一种土壤微生物样品智能采集设备
CN102636369A (zh) 一种煤炭采样头
CN209707152U (zh) 一种水利监测多功能河床取样器
CN221925720U (zh) 一种分体式总磷在线自动监测仪
CN215296730U (zh) 一种土壤污染检查用取样装置
CN223062421U (zh) 一种地质岩心钻探用冲洗液收集装置

Legal Events

Date Code Title Description
PB01 Publication
PB01 Publication
SE01 Entry into force of request for substantive examination
SE01 Entry into force of request for substantive examination
GR01 Patent grant
GR01 Patent grant
TR01 Transfer of patent right

Effective date of registration: 20240119

Address after: 230000 floor 1, building 2, phase I, e-commerce Park, Jinggang Road, Shushan Economic Development Zone, Hefei City, Anhui Province

Patentee after: Dragon totem Technology (Hefei) Co.,Ltd.

Address before: 264003 Binhai Middle Road 2018, Yantai High-tech Zone, Shandong Province

Patentee before: YANTAI VOCATIONAL College

TR01 Transfer of patent right
TR01 Transfer of patent right

Effective date of registration: 20240527

Address after: No. 206 Tengfei Road, Tengzhou Economic Development Zone, Zaozhuang City, Shandong Province, 277500 (registered production and business location)

Patentee after: Shandong Yishan Environmental Technology Co.,Ltd.

Country or region after: China

Address before: 230000 floor 1, building 2, phase I, e-commerce Park, Jinggang Road, Shushan Economic Development Zone, Hefei City, Anhui Province

Patentee before: Dragon totem Technology (Hefei) Co.,Ltd.

Country or region before: China

TR01 Transfer of patent right