CN112282935B - A diesel engine with protective mechanism for agricultural machinery - Google Patents

A diesel engine with protective mechanism for agricultural machinery Download PDF

Info

Publication number
CN112282935B
CN112282935B CN202011130812.XA CN202011130812A CN112282935B CN 112282935 B CN112282935 B CN 112282935B CN 202011130812 A CN202011130812 A CN 202011130812A CN 112282935 B CN112282935 B CN 112282935B
Authority
CN
China
Prior art keywords
plate
sound
spring
diesel engine
auxiliary
Prior art date
Legal status (The legal status is an assumption and is not a legal conclusion. Google has not performed a legal analysis and makes no representation as to the accuracy of the status listed.)
Active
Application number
CN202011130812.XA
Other languages
Chinese (zh)
Other versions
CN112282935A (en
Inventor
芮志英
Current Assignee (The listed assignees may be inaccurate. Google has not performed a legal analysis and makes no representation or warranty as to the accuracy of the list.)
Anhui Tianwo Heavy Industry Machinery Co ltd
Original Assignee
Anhui Tianwo Heavy Industry Machinery Co ltd
Priority date (The priority date is an assumption and is not a legal conclusion. Google has not performed a legal analysis and makes no representation as to the accuracy of the date listed.)
Filing date
Publication date
Application filed by Anhui Tianwo Heavy Industry Machinery Co ltd filed Critical Anhui Tianwo Heavy Industry Machinery Co ltd
Priority to CN202011130812.XA priority Critical patent/CN112282935B/en
Publication of CN112282935A publication Critical patent/CN112282935A/en
Application granted granted Critical
Publication of CN112282935B publication Critical patent/CN112282935B/en
Active legal-status Critical Current
Anticipated expiration legal-status Critical

Links

Images

Classifications

    • FMECHANICAL ENGINEERING; LIGHTING; HEATING; WEAPONS; BLASTING
    • F02COMBUSTION ENGINES; HOT-GAS OR COMBUSTION-PRODUCT ENGINE PLANTS
    • F02BINTERNAL-COMBUSTION PISTON ENGINES; COMBUSTION ENGINES IN GENERAL
    • F02B77/00Component parts, details or accessories, not otherwise provided for
    • F02B77/11Thermal or acoustic insulation
    • F02B77/13Acoustic insulation
    • FMECHANICAL ENGINEERING; LIGHTING; HEATING; WEAPONS; BLASTING
    • F01MACHINES OR ENGINES IN GENERAL; ENGINE PLANTS IN GENERAL; STEAM ENGINES
    • F01NGAS-FLOW SILENCERS OR EXHAUST APPARATUS FOR MACHINES OR ENGINES IN GENERAL; GAS-FLOW SILENCERS OR EXHAUST APPARATUS FOR INTERNAL-COMBUSTION ENGINES
    • F01N13/00Exhaust or silencing apparatus characterised by constructional features
    • F01N13/009Exhaust or silencing apparatus characterised by constructional features having two or more separate purifying devices arranged in series
    • F01N13/0097Exhaust or silencing apparatus characterised by constructional features having two or more separate purifying devices arranged in series the purifying devices are arranged in a single housing
    • FMECHANICAL ENGINEERING; LIGHTING; HEATING; WEAPONS; BLASTING
    • F01MACHINES OR ENGINES IN GENERAL; ENGINE PLANTS IN GENERAL; STEAM ENGINES
    • F01NGAS-FLOW SILENCERS OR EXHAUST APPARATUS FOR MACHINES OR ENGINES IN GENERAL; GAS-FLOW SILENCERS OR EXHAUST APPARATUS FOR INTERNAL-COMBUSTION ENGINES
    • F01N13/00Exhaust or silencing apparatus characterised by constructional features
    • F01N13/18Construction facilitating manufacture, assembly, or disassembly
    • FMECHANICAL ENGINEERING; LIGHTING; HEATING; WEAPONS; BLASTING
    • F01MACHINES OR ENGINES IN GENERAL; ENGINE PLANTS IN GENERAL; STEAM ENGINES
    • F01NGAS-FLOW SILENCERS OR EXHAUST APPARATUS FOR MACHINES OR ENGINES IN GENERAL; GAS-FLOW SILENCERS OR EXHAUST APPARATUS FOR INTERNAL-COMBUSTION ENGINES
    • F01N13/00Exhaust or silencing apparatus characterised by constructional features
    • F01N13/18Construction facilitating manufacture, assembly, or disassembly
    • F01N13/1805Fixing exhaust manifolds, exhaust pipes or pipe sections to each other, to engine or to vehicle body
    • F01N13/1827Sealings specially adapted for exhaust systems
    • FMECHANICAL ENGINEERING; LIGHTING; HEATING; WEAPONS; BLASTING
    • F01MACHINES OR ENGINES IN GENERAL; ENGINE PLANTS IN GENERAL; STEAM ENGINES
    • F01PCOOLING OF MACHINES OR ENGINES IN GENERAL; COOLING OF INTERNAL-COMBUSTION ENGINES
    • F01P5/00Pumping cooling-air or liquid coolants
    • F01P5/02Pumping cooling-air; Arrangements of cooling-air pumps, e.g. fans or blowers
    • FMECHANICAL ENGINEERING; LIGHTING; HEATING; WEAPONS; BLASTING
    • F01MACHINES OR ENGINES IN GENERAL; ENGINE PLANTS IN GENERAL; STEAM ENGINES
    • F01PCOOLING OF MACHINES OR ENGINES IN GENERAL; COOLING OF INTERNAL-COMBUSTION ENGINES
    • F01P5/00Pumping cooling-air or liquid coolants
    • F01P5/02Pumping cooling-air; Arrangements of cooling-air pumps, e.g. fans or blowers
    • F01P5/04Pump-driving arrangements
    • FMECHANICAL ENGINEERING; LIGHTING; HEATING; WEAPONS; BLASTING
    • F03MACHINES OR ENGINES FOR LIQUIDS; WIND, SPRING, OR WEIGHT MOTORS; PRODUCING MECHANICAL POWER OR A REACTIVE PROPULSIVE THRUST, NOT OTHERWISE PROVIDED FOR
    • F03GSPRING, WEIGHT, INERTIA OR LIKE MOTORS; MECHANICAL-POWER PRODUCING DEVICES OR MECHANISMS, NOT OTHERWISE PROVIDED FOR OR USING ENERGY SOURCES NOT OTHERWISE PROVIDED FOR
    • F03G7/00Mechanical-power-producing mechanisms, not otherwise provided for or using energy sources not otherwise provided for
    • F03G7/08Mechanical-power-producing mechanisms, not otherwise provided for or using energy sources not otherwise provided for recovering energy derived from swinging, rolling, pitching or like movements, e.g. from the vibrations of a machine
    • FMECHANICAL ENGINEERING; LIGHTING; HEATING; WEAPONS; BLASTING
    • F16ENGINEERING ELEMENTS AND UNITS; GENERAL MEASURES FOR PRODUCING AND MAINTAINING EFFECTIVE FUNCTIONING OF MACHINES OR INSTALLATIONS; THERMAL INSULATION IN GENERAL
    • F16FSPRINGS; SHOCK-ABSORBERS; MEANS FOR DAMPING VIBRATION
    • F16F15/00Suppression of vibrations in systems; Means or arrangements for avoiding or reducing out-of-balance forces, e.g. due to motion
    • F16F15/02Suppression of vibrations of non-rotating, e.g. reciprocating systems; Suppression of vibrations of rotating systems by use of members not moving with the rotating systems
    • F16F15/04Suppression of vibrations of non-rotating, e.g. reciprocating systems; Suppression of vibrations of rotating systems by use of members not moving with the rotating systems using elastic means
    • F16F15/06Suppression of vibrations of non-rotating, e.g. reciprocating systems; Suppression of vibrations of rotating systems by use of members not moving with the rotating systems using elastic means with metal springs
    • F16F15/067Suppression of vibrations of non-rotating, e.g. reciprocating systems; Suppression of vibrations of rotating systems by use of members not moving with the rotating systems using elastic means with metal springs using only wound springs
    • FMECHANICAL ENGINEERING; LIGHTING; HEATING; WEAPONS; BLASTING
    • F16ENGINEERING ELEMENTS AND UNITS; GENERAL MEASURES FOR PRODUCING AND MAINTAINING EFFECTIVE FUNCTIONING OF MACHINES OR INSTALLATIONS; THERMAL INSULATION IN GENERAL
    • F16MFRAMES, CASINGS OR BEDS OF ENGINES, MACHINES OR APPARATUS, NOT SPECIFIC TO ENGINES, MACHINES OR APPARATUS PROVIDED FOR ELSEWHERE; STANDS; SUPPORTS
    • F16M1/00Frames or casings of engines, machines or apparatus; Frames serving as machinery beds
    • H02J7/70
    • HELECTRICITY
    • H02GENERATION; CONVERSION OR DISTRIBUTION OF ELECTRIC POWER
    • H02NELECTRIC MACHINES NOT OTHERWISE PROVIDED FOR
    • H02N2/00Electric machines in general using piezoelectric effect, electrostriction or magnetostriction
    • H02N2/18Electric machines in general using piezoelectric effect, electrostriction or magnetostriction producing electrical output from mechanical input, e.g. generators
    • H02N2/186Vibration harvesters
    • FMECHANICAL ENGINEERING; LIGHTING; HEATING; WEAPONS; BLASTING
    • F01MACHINES OR ENGINES IN GENERAL; ENGINE PLANTS IN GENERAL; STEAM ENGINES
    • F01PCOOLING OF MACHINES OR ENGINES IN GENERAL; COOLING OF INTERNAL-COMBUSTION ENGINES
    • F01P5/00Pumping cooling-air or liquid coolants
    • F01P5/02Pumping cooling-air; Arrangements of cooling-air pumps, e.g. fans or blowers
    • F01P5/04Pump-driving arrangements
    • F01P2005/046Pump-driving arrangements with electrical pump drive

Landscapes

  • Engineering & Computer Science (AREA)
  • General Engineering & Computer Science (AREA)
  • Mechanical Engineering (AREA)
  • Chemical & Material Sciences (AREA)
  • Combustion & Propulsion (AREA)
  • Physics & Mathematics (AREA)
  • Acoustics & Sound (AREA)
  • Aviation & Aerospace Engineering (AREA)
  • Exhaust Silencers (AREA)

Abstract

本发明公开了一种用于农业机械的具有防护机构的柴油机,包括支撑板,所述支撑板顶部设有副支撑板,所述副支撑板顶端放置有柴油发动机,所述支撑板和所述副支撑板之间设有减震机构,所述减震机构包括弹簧,所述弹簧顶端固定设有上螺纹板,所述弹簧底端固定设有下螺纹板,所述上螺纹板和所述下螺纹板通过螺钉分别固定在所述支撑板和所述副支撑板上。有益效果:声音可与弹簧片多次冲击,弹簧片产生震动,来进行有效的消音,弹簧片连接副蜂窝板,进行消音后续的消音,因为水腔内填充有水,可以阻止声音的传递,因此设置的水进行最后的消音部件,起到四重的消音,大大降低声音的传出,避免噪音污染,该设置的装置适合中小农业机械用的柴油机。

Figure 202011130812

The invention discloses a diesel engine with a protective mechanism for agricultural machinery, comprising a support plate, a sub support plate is arranged on the top of the support plate, a diesel engine is placed on the top of the sub support plate, the support plate and the A damping mechanism is provided between the auxiliary support plates, the damping mechanism includes a spring, an upper threaded plate is fixed at the top of the spring, and a lower threaded plate is fixed at the bottom of the spring. The lower screw plate is respectively fixed on the support plate and the auxiliary support plate by screws. Beneficial effects: The sound can impact the spring sheet for many times, and the spring sheet vibrates to effectively silence the sound. The spring sheet is connected to the auxiliary honeycomb panel for subsequent noise reduction. Because the water cavity is filled with water, it can prevent the transmission of sound. Therefore, the installed water performs the final silencing component, which plays a four-fold silencing effect, greatly reduces the sound transmission, and avoids noise pollution. The set device is suitable for diesel engines used in small and medium agricultural machinery.

Figure 202011130812

Description

Diesel engine with protection mechanism for agricultural machinery
Technical Field
The invention relates to the field of diesel engines, in particular to a diesel engine with a protection mechanism for agricultural machinery.
Background
The diesel engine has the advantages of large load capacity, low specific oil consumption, high thermal efficiency and the like, and is continuously popularized. Agricultural machinery using diesel engine as power has huge reserve in China, with the continuous propulsion of agricultural mechanization, the total power of the agricultural machinery in China reaches 9.72 hundred million kilowatts, and the power proportion of the diesel engine reaches 77.35%. When the existing diesel engine is used, noise pollution and heat dissipation pollution cannot be well protected, so that the service life of the diesel engine is greatly shortened.
An effective solution to the problems in the related art has not been proposed yet.
Disclosure of Invention
The invention aims to provide a diesel engine with a protection mechanism for agricultural machinery, which aims to solve the problems in the background technology.
In order to achieve the purpose, the invention provides the following technical scheme:
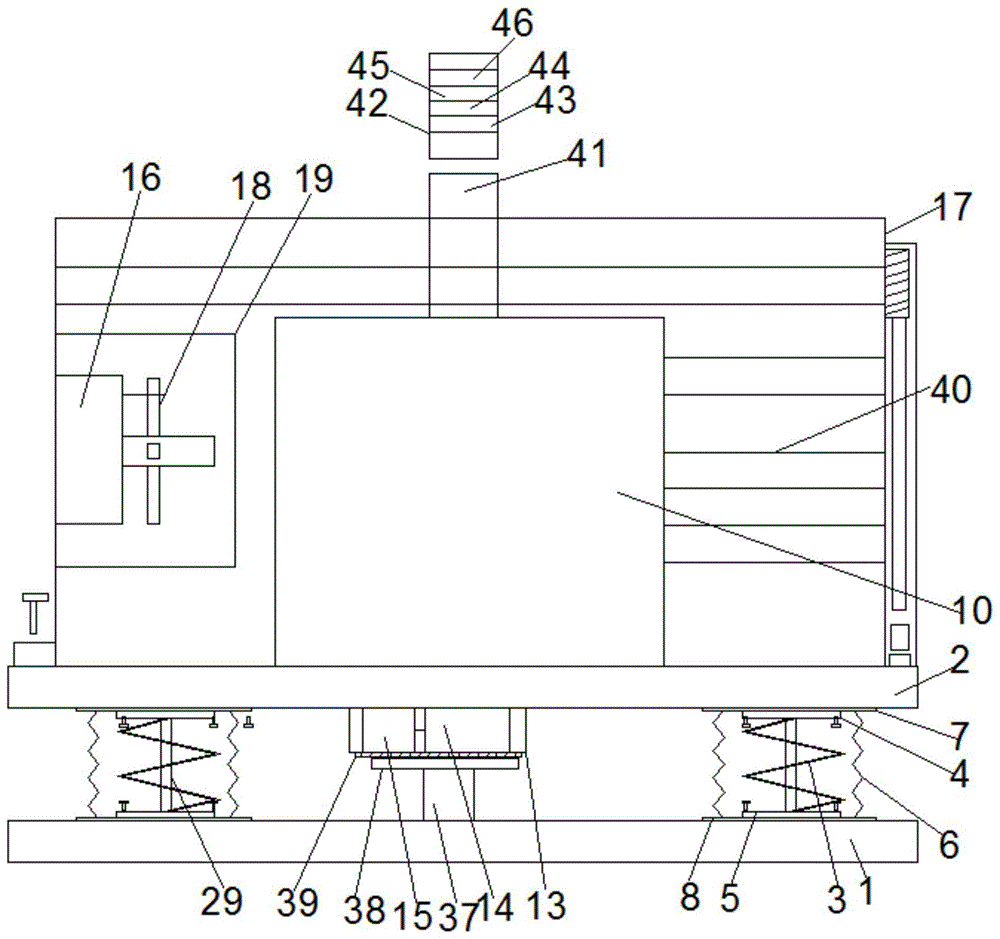
a diesel engine with a protection mechanism for agricultural machinery comprises a supporting plate, wherein a secondary supporting plate is arranged at the top of the supporting plate, a diesel engine is arranged at the top end of the secondary supporting plate, a damping mechanism is arranged between the supporting plate and the secondary supporting plate and comprises a spring, an upper threaded plate is fixedly arranged at the top end of the spring, a lower threaded plate is fixedly arranged at the bottom end of the spring, the upper threaded plate and the lower threaded plate are respectively fixed on the supporting plate and the secondary supporting plate through screws, a telescopic corrugated pipe is sleeved on the spring, an upper circular plate is fixedly arranged at the top end of the telescopic corrugated pipe, a lower circular plate is fixedly arranged at the bottom end of the telescopic corrugated pipe, through holes are respectively formed in the lower circular plate and the upper circular plate, the upper threaded plate and the lower threaded plate are inserted in the through holes, and a secondary sealing ring is pasted on the upper circular plate, the bottom end of the lower circular plate is pasted with an auxiliary sealing washer, the upper circular plate and the lower circular plate are respectively fixed on the support plate and the auxiliary support plate through screws, the bottom end of the support plate is fixedly provided with a battery box, a battery and a piezoelectric ceramic plate are installed inside the battery box, the piezoelectric ceramic plate and the battery are electrically connected, the battery is connected with a motor through a lead, the top end of the auxiliary support plate is provided with a protective cover, the motor is fixed on the inner wall of the protective cover, the motor is provided with a rotating rod, the rotating rod is provided with a plurality of fan blades, the inner wall of the protective cover is fixedly provided with a fan cover, the fan cover is provided with a sound insulation mechanism, the protective cover is provided with an auxiliary sound insulation mechanism, the auxiliary sound insulation mechanism comprises an inner shell and an outer shell, the inner, the sound insulation board is characterized in that spring pieces are uniformly and fixedly arranged on the other side of the sound insulation board, an auxiliary cellular board is fixedly arranged on the other end of each spring piece, a water cavity is fixedly arranged on the other end of each auxiliary cellular board, the other end of each water cavity is fixedly connected with the inside of the shell, the water cavity is filled with water, a water inlet pipe communicated with the inside of the water cavity is arranged on the protective cover, a control valve is arranged on the water inlet pipe, and a spring detection mechanism is arranged at the top end of the supporting plate.
Further, install the chamber door on the battery box, wire on the battery is for passing the accessory support board extend to the protection casing inside with the motor is connected, the fixed mounting panel that is equipped with on the protection casing outer wall, just the mounting panel passes through the fix with screw the accessory support board top.
Further, be equipped with noise insulation mechanism on the fan housing, noise insulation mechanism includes inner cover and dustcoat, the inner cover with form the sound-absorbing cavity between the dustcoat, the inboard fixed circular shape acoustic celotex board that is equipped with of inner cover, the acoustic celotex board is the honeycomb panel, the inboard paste of acoustic celotex board has the cotton layer of sound of inhaling, inhale the cotton layer opposite side of sound with the inboard fixed connection of dustcoat.
Furthermore, the sound penetrating hole comprises a sound penetrating opening formed in an inclined and upward mode and an auxiliary sound penetrating opening formed in an inclined and downward mode, and the sound penetrating openings and the auxiliary sound penetrating openings are arranged in a staggered mode.
Furthermore, the spring detection mechanism is a vertical plate fixed at the top end of the supporting plate, a contact plate is fixedly arranged at the top end of the vertical plate, and the bottom end of the battery box is arranged corresponding to the contact plate.
Furthermore, a plurality of reinforcing ribs are fixed at the bottom end of the battery box.
Furthermore, a telescopic rod sleeved on the spring is fixedly arranged between the upper thread plate and the lower thread plate.
Further, the cooling metal pipe has been laid to the protection casing inner wall, the cooling metal pipe is the S form setting, protection casing and tip and water tank intercommunication are run through to cooling metal pipe one end, be equipped with sucking pump and condenser in the water tank, the output of sucking pump with the cooling metal pipe is connected.
Further, a tail gas exhaust pipe is arranged on the diesel engine, penetrates through the top of the protective cover, and is connected with a purifying device.
Further, purifier includes a purification section of thick bamboo, a purification section of thick bamboo inner wall from the top down is equipped with graphite alkene screen panel, peat, active carbon adsorption layer and activated carbon fiber in proper order, a purification section of thick bamboo internal diameter is less than tail gas calandria internal diameter, the last fixed first sealing washer that is equipped with of tail gas calandria inner wall, a purification section of thick bamboo inserts in the tail gas calandria, first sealing washer parcel a purification section of thick bamboo outer wall, fixed cover is equipped with the drum on the purification section of thick bamboo outer wall, the drum inner wall is pasted and is had the second sealing washer, second sealing washer parcel tail gas calandria outer wall.
Compared with the prior art, the invention has the following beneficial effects:
the utility model is characterized in that the protective cover is provided with a heat dissipation hole, the diesel engine is placed on the auxiliary support plate and is fixed by screws in a traditional mode to be stably supported, the spring at the bottom has the effect of shock absorption and support on the whole equipment, and the spring is wrapped by the arranged telescopic corrugated pipe, so that the spring is dustproof without influencing the action of the spring, meanwhile, the spring is prevented from directly contacting with air, and a certain damp-proof effect is achieved, the spring detection mechanism can detect whether the elasticity is greatly reduced after the spring is used for a long time, and whether the spring can be normally used for shock absorption, thereby prompting that the spring needs to be replaced and shock absorption work, thereby effectively improving the working efficiency of the self-adaptive diesel engine, after the auxiliary support plate generates shock when the diesel engine works, the shock force is transmitted to the piezoelectric ceramic plate, and the energy is transmitted to the battery for electricity storage through the shock of the piezoelectric ceramic plate, thereby transmitting to the motor, rotating a plurality of groups of fan blades through the work of the motor, leading the fan blades to generate wind power to blow and radiate the inside of the protective cover, playing a good radiating effect on the diesel engine, and through the arrangement, generating electricity only through the vibration generated by the work of the diesel engine, thereby starting the blowing and radiating, the protective cover is provided with the auxiliary sound insulation mechanism, playing a sound insulation and silencing effect when the diesel engine works, silencing the noise generated in the working process firstly through the sound insulation board, leading the sound to enter the sound through hole, leading the sound to impact the inner wall of the sound through hole to generate the silencing effect, then colliding with the spring leaf again in the sound transmission process, leading the sound to impact with the spring leaf for a plurality of times, leading the spring leaf to generate vibration to effectively silence, leading the spring leaf to be connected with the auxiliary honeycomb board for silencing subsequent silencing, because the water cavity is filled with water, the device can prevent sound from being transmitted, so that the arranged water is used for the final silencing part to play a role in quadruple silencing, the sound is greatly reduced, the noise pollution is avoided, and the device is suitable for diesel engines for small and medium-sized agricultural machinery.
Drawings
In order to more clearly illustrate the embodiments of the present invention or the technical solutions in the prior art, the drawings needed in the embodiments will be briefly described below, and it is obvious that the drawings in the following description are only some embodiments of the present invention, and it is obvious for those skilled in the art to obtain other drawings without creative efforts.
FIG. 1 is a front view of a diesel engine with a guard mechanism for an agricultural machine according to an embodiment of the present invention;
FIG. 2 is a schematic view of an upper circular plate of a diesel engine with a guard mechanism for an agricultural machine according to an embodiment of the present invention;
FIG. 3 is a schematic diagram of the components of a protective cover of a diesel engine with a protective mechanism for an agricultural machine according to an embodiment of the present invention;
FIG. 4 is a schematic view of a hood of a diesel engine with a guard mechanism for an agricultural machine according to an embodiment of the present disclosure;
fig. 5 is a schematic view of a purification cartridge of a diesel engine with a guard mechanism for an agricultural machine according to an embodiment of the present invention.
Reference numerals:
1. a support plate; 2. a sub-support plate; 3. a spring; 4. an upper thread plate; 5. a lower thread plate; 6. a bellows; 7. an upper circular plate; 8. a lower circular plate; 9. perforating; 10. a diesel engine; 11. a secondary seal ring; 12. a secondary sealing gasket; 13. a battery box; 14. a battery; 15. a piezoelectric ceramic plate; 16. a motor; 17. a protective cover; 18. a plurality of sets of fan blades; 19. a fan housing; 20. an inner shell; 21. a housing; 22. a sound insulating board; 23. a sound through hole; 24. a secondary cellular board; 25. a water chamber; 26. water; 27. a water inlet pipe; 28. a spring plate; 29. (ii) a 30. An inner cover; 31. a housing; 32. a sound absorbing chamber; 33. a sound insulating board; 34. a sound absorbing cotton layer; 35. a sound penetration port; 36. an auxiliary sound penetration port; 37. a vertical plate; 38. a contact plate; 39. reinforcing ribs; 40. cooling the metal tube; 41. a tail gas exhaust pipe; 42. a purification cartridge; 43. a graphene mesh enclosure; 44. peat; 45. an activated carbon adsorption layer; 46. activated carbon fibers; 47. a first seal ring; 48. a cylinder; 49. and a second seal ring.
Detailed Description
The invention is further described with reference to the following drawings and detailed description:
in order that the above objects, features and advantages of the present invention can be more clearly understood, the present invention will be further described with reference to the accompanying drawings and examples. It should be noted that the embodiments and features of the embodiments of the present application may be combined with each other without conflict.
In the following description, numerous specific details are set forth in order to provide a thorough understanding of the present invention, however, the present invention may be practiced in other ways than those specifically described herein, and thus the present invention is not limited to the specific embodiments of the present disclosure.
The first embodiment is as follows:
referring to fig. 1-5, a diesel engine with a protection mechanism for agricultural machinery according to an embodiment of the present invention includes a support plate 1, a sub-support plate 2 is disposed on a top of the support plate 1, a diesel engine 10 is disposed on a top end of the sub-support plate 2, a damping mechanism is disposed between the support plate 1 and the sub-support plate 2, the damping mechanism includes a spring 3, an upper threaded plate 4 is fixedly disposed on a top end of the spring 3, a lower threaded plate 5 is fixedly disposed on a bottom end of the spring 3, the upper threaded plate 4 and the lower threaded plate 5 are respectively fixed on the support plate 1 and the sub-support plate 2 by screws, a telescopic bellows 6 is sleeved on the spring 3, an upper circular plate 7 is fixedly disposed on a top end of the telescopic bellows 6, a lower circular plate 8 is fixedly disposed on a bottom end of the telescopic bellows 6, and holes 9 are disposed on both the lower circular plate 8 and the upper circular plate 7, the upper thread plate 4 and the lower thread plate 5 are inserted in the perforation 9, an auxiliary sealing ring 11 is pasted at the top end of the upper thread plate 7, an auxiliary sealing ring 12 is pasted at the bottom end of the lower thread plate 8, the upper thread plate 7 and the lower thread plate 8 are respectively fixed on the support plate 1 and the auxiliary support plate 2 through screws, a battery box 13 is fixedly arranged at the bottom end of the support plate 1, a battery 14 and a piezoelectric ceramic plate 15 are installed inside the battery box 13, the piezoelectric ceramic plate 15 and the battery 14 are electrically connected, the battery 14 is connected with a motor 16 through a lead, a protective cover 17 is arranged at the top end of the auxiliary support plate 2, the motor 16 is fixed on the inner wall of the protective cover 17, a rotating rod is arranged on the motor 16, a plurality of groups of fan blades 18 are installed on the rotating rod, a fan cover 19 is fixedly arranged on the inner wall of the protective cover 17, and a sound insulation mechanism is arranged on the fan cover 19, be equipped with vice noise insulation mechanism on the protection casing 17, vice noise insulation mechanism includes inner shell 20 and shell 21, the fixed pasting of inner shell 20 inner wall has acoustic celotex board 22, a plurality of sound hole 23 has been seted up on the acoustic celotex board 22, acoustic celotex board 22 opposite side is evenly fixed and is equipped with spring leaf 28, spring leaf 28 other end is fixed and is equipped with vice honeycomb panel 24, vice honeycomb panel 24 other end is fixed and is equipped with water cavity 25, the water cavity 25 other end with the inside fixed connection of shell 21, water cavity 25 packs has water 26, be equipped with on the protection casing 17 with the inside communicating inlet tube 27 in water cavity 25, be equipped with the control valve on the inlet tube 27, 1 top of backup pad is equipped with spring detection mechanism.
Example two:
referring to fig. 1, for the battery box 13, a box door is installed on the battery box 13, a wire on the battery 14 passes through the auxiliary support plate 2 and extends into the protective cover 17 to be connected with the motor 16, an installation plate is fixedly installed on the outer wall of the protective cover 17, and the installation plate is fixed at the top end of the auxiliary support plate 2 through a screw.
Example three:
referring to fig. 1 and 4, for the wind shield 19, a sound insulation mechanism is disposed on the wind shield 19, the sound insulation mechanism includes an inner cover 30 and an outer cover 31, a sound absorption cavity 32 is formed between the inner cover 30 and the outer cover 31, a circular sound insulation plate 33 is fixedly disposed on the inner side of the inner cover 30, the sound insulation plate 33 is a honeycomb plate, a sound absorption cotton layer 34 is adhered to the inner side of the sound insulation plate 33, and the other side of the sound absorption cotton layer 34 is fixedly connected to the inner side of the outer cover 31
Through the scheme of the invention, the beneficial effects are as follows: the wind shield 19 is provided with a sound insulation mechanism which can perform certain noise elimination on working noise generated during working and can also perform certain noise elimination on noise generated by the motor 16, wherein the noise generated during working is firstly absorbed by the sound absorption cotton layer 34 and then absorbed again by the sound insulation board 33, is transmitted into the sound absorption cavity 32 and impacts the inner wall of the sound absorption cavity 32 to perform final noise elimination.
Example four:
referring to fig. 3, for the sound through holes 23, the sound through holes 23 include sound through holes 35 opened obliquely upward and sub sound through holes 36 opened obliquely downward, and the sound through holes 35 and the sub sound through holes 36 are alternately arranged.
Through the scheme of the invention, the beneficial effects are as follows: the sound through hole 23 includes a sound through port 35 and an auxiliary sound through port 36, and the sound through port 35 and the auxiliary sound through port 36 are alternately arranged, so that the sound is transmitted in different directions to the spring plate 28, and the sound is reflected by the spring plate 28 in different directions, thereby achieving the effect of multiple sound reduction.
Example five:
referring to fig. 1, for the spring detection mechanism, the spring detection mechanism is a vertical plate 37 fixed on the top end of the support plate 1, a contact plate 38 is fixed on the top end of the vertical plate 37, and the bottom end of the battery box 13 is arranged corresponding to the contact plate 38.
Through the scheme of the invention, the beneficial effects are as follows: when spring 3 played the shock attenuation effect for a long time, the shock attenuation elasticity greatly reduced of spring 3, make the length of its spring 3 body shorten, drive upper portion equipment and descend, thereby drive accessory shoe 2 and descend, finally make its battery box 13 bottom and contact plate 38 top contact, it explains spring 3 shock attenuation elasticity effect greatly reduced this moment, when unable normal shock attenuation, then need change spring 3, thereby guarantee that the device receives the shock attenuation protection effect for a long time, notice, during the change, support between its backup pad 1 and the accessory shoe 2 through the instrument.
Example six:
referring to fig. 1, for the battery box 13, a plurality of reinforcing ribs 39 are fixed at the bottom end of the battery box 13.
Through the scheme of the invention, the beneficial effects are as follows: the rib 39 eventually contacts the top end of the contact plate 38, and damage to the case of the battery case 13 by the contact plate 38 can be avoided.
Example seven:
referring to fig. 1, for the upper thread plate 4, a telescopic rod 29 sleeved on the spring 3 is fixedly arranged between the upper thread plate 4 and the lower thread plate 5.
Example eight:
referring to fig. 1, for the protection cover 17, a cooling metal pipe 40 is laid on the inner wall of the protection cover 17, the cooling metal pipe 40 is arranged in an S shape, one end of the cooling metal pipe 40 penetrates through the protection cover 17 and the end part thereof is communicated with a water tank, a suction pump and a condenser are arranged in the water tank, and the output end of the suction pump is connected with the cooling metal pipe 40
Through the scheme of the invention, the beneficial effects are as follows: the pipe at the bottom of the cooling metal pipe 40 is communicated with the bottom of the water tank to realize circulating cooling, and the inside of the protective cover 17 is cooled by cooling cold water in the cooling metal pipe 40 to realize heat dissipation of the diesel engine.
Example nine:
referring to fig. 1, for the diesel engine 10, a tail gas exhaust pipe 41 is disposed on the diesel engine 10, the tail gas exhaust pipe 41 penetrates through the top of the protective cover 17, and a purification device is connected to the tail gas exhaust pipe 41.
Example ten:
referring to fig. 1 and 5, for the purification device, the purification device includes a purification cylinder 42, a graphene mesh enclosure 43, peat 44, an activated carbon adsorption layer 45 and activated carbon fibers 46 are sequentially disposed on an inner wall of the purification cylinder 42 from top to bottom, an inner diameter of the purification cylinder 42 is smaller than an inner diameter of the exhaust pipe 41, a first sealing ring 47 is fixedly disposed on the inner wall of the exhaust pipe 41, the purification cylinder 42 is inserted into the exhaust pipe 41, the first sealing ring 47 wraps an outer wall of the purification cylinder 42, a cylinder 48 is fixedly disposed on an outer wall of the purification cylinder 42, a second sealing ring 49 is adhered to an inner wall of the cylinder 48, and the second sealing ring 49 wraps an outer wall of the exhaust pipe 41.
Through the scheme of the invention, the beneficial effects are as follows: through purifier, thereby can be with discharging after the produced tail gas purification of self-adaptation diesel engine, avoid causing the pollution to the air circumstance, through graphite alkene screen panel 43, peat 44, activated carbon adsorption layer 45 and activated carbon fiber 46 carry out purification once, improve the amortization of purification, during the installation, insert purification section of thick bamboo 42 in tail gas calandria 41, first sealing washer 47 parcel purification section of thick bamboo 42 outer wall, play a heavy sealing connection, tail gas calandria 41 outer wall then inserts in drum 48, second sealing washer 49 parcel tail gas calandria 41 outer wall, play double sealing, leakproofness when guaranteeing to connect, avoid tail gas to reveal, it is more smooth and easy to exhaust, notice is the fixed corresponding screw thread board on drum 48 and the tail gas calandria 41 outer wall, connect through the screw between two screw thread boards, guarantee purification section of thick bamboo 42 detachable, change.
For the convenience of understanding the above technical solutions of the present invention, the following detailed description is made of the working principle or the operation mode of the present invention in the practical process:
in practical application, it is noted that the protective cover 17 is provided with heat dissipation holes, the diesel engine 10 is placed on the auxiliary support plate 2 and is fixed by screws in a traditional mode to be stably supported, the whole equipment is subjected to a shock absorption supporting effect through the spring 3 at the bottom, the spring 3 is wrapped through the arranged telescopic corrugated pipe 6, the spring 3 is subjected to a dust prevention effect under the effect of the spring 3, meanwhile, the spring is prevented from being directly contacted with air directly, a certain moisture prevention effect is achieved, the spring detection mechanism can detect whether the elasticity of the spring is greatly reduced after the spring is used for a long time, and whether the spring can be normally used in a shock absorption manner, so that the spring needs to be replaced and the shock absorption work is prompted, the work efficiency of the self-adaptive diesel engine 10 is effectively improved, after the auxiliary support plate 2 generates shock through the diesel engine 10, the vibration force is transmitted to the piezoelectric ceramic plate 15, energy is transmitted to the battery 14 for storing electricity through the vibration of the piezoelectric ceramic plate 15, so that the energy is transmitted to the motor 16, the plurality of groups of fan blades 18 are rotated through the work of the motor 16, wind power is generated to blow and radiate the inside of the protective cover 17, a good radiating effect is achieved for the diesel engine 10, and through the arrangement, power generation can be achieved as long as the vibration generated by the work of the diesel engine 10 is generated, so that the blowing and radiating are started, the protective cover 17 is provided with an auxiliary sound insulation mechanism, the sound insulation and silencing effects can be achieved when the diesel engine 10 works, noise generated during the work is firstly silenced through the sound insulation plate 22, the sound is transmitted into the sound penetration hole 23, the sound hits the inner wall of the sound penetration hole 23 to generate the silencing effect, then the sound collides with the spring leaf 28 again in the sound transmission process, the sound can impact the spring leaf 28 for many times, and the spring leaf 28 generates vibration, the spring piece 28 is connected with the auxiliary honeycomb plate 24 to perform effective silencing, subsequent silencing is performed, water 26 is filled in the water cavity 25 to prevent sound transmission, and therefore the set water performs the last silencing part to perform quadruple silencing, sound is greatly reduced to be transmitted out, noise pollution is avoided, and the device is suitable for diesel engines for small and medium-sized agricultural machines.
Although embodiments of the present invention have been shown and described, it will be appreciated by those skilled in the art that changes, modifications, substitutions and alterations can be made in these embodiments without departing from the principles and spirit of the invention, the scope of which is defined in the appended claims and their equivalents.

Claims (6)

1. The diesel engine with the protection mechanism for the agricultural machinery is characterized by comprising a supporting plate (1), wherein an auxiliary supporting plate (2) is arranged at the top of the supporting plate (1), a diesel engine (10) is placed at the top end of the auxiliary supporting plate (2), a damping mechanism is arranged between the supporting plate (1) and the auxiliary supporting plate (2) and comprises a spring (3), an upper threaded plate (4) is fixedly arranged at the top end of the spring (3), a lower threaded plate (5) is fixedly arranged at the bottom end of the spring (3), the upper threaded plate (4) and the lower threaded plate (5) are respectively fixed on the supporting plate (1) and the auxiliary supporting plate (2) through screws, a telescopic corrugated pipe (6) is sleeved on the spring (3), an upper circular plate (7) is fixedly arranged at the top end of the telescopic corrugated pipe (6), a lower circular plate (8) is fixedly arranged at the bottom end of the telescopic corrugated pipe (6), lower circular plate (8) with go up and all seted up perforation (9) on circular plate (7), go up screw plate (4) with lower screw plate (5) alternate in perforation (9), go up vice sealing washer (11) that circular plate (7) top was pasted, lower circular plate (8) bottom is pasted and is had vice sealing washer (12), go up circular plate (7) with lower circular plate (8) are fixed respectively through the screw in backup pad (1) with on accessory backing plate (2), backup pad (1) bottom mounting is equipped with battery box (13), battery box (13) internally mounted has battery (14) and piezoceramics board (15), piezoceramics board (15) with be electric connection between battery (14), battery (14) are connected with motor (16) through the wire, accessory backing plate (2) top is equipped with protection casing (17), the motor (16) is fixed on the inner wall of the protective cover (17), a rotating rod is arranged on the motor (16), a plurality of groups of fan blades (18) are installed on the rotating rod, a fan cover (19) is fixedly arranged on the inner wall of the protective cover (17), a sound insulation mechanism is arranged on the fan cover (19), an auxiliary sound insulation mechanism is arranged on the protective cover (17), the auxiliary sound insulation mechanism comprises an inner shell (20) and an outer shell (21), a sound insulation plate (22) is fixedly adhered to the inner wall of the inner shell (20), a plurality of sound penetration holes (23) are formed in the sound insulation plate (22), a spring piece (28) is uniformly and fixedly arranged on the other side of the sound insulation plate (22), an auxiliary honeycomb plate (24) is fixedly arranged on the other end of the spring piece (28), a water cavity (25) is fixedly arranged on the other end of the auxiliary honeycomb plate (24), and the other end of the water cavity (25) is fixedly connected with the inner part of the outer shell (21), the utility model discloses a water cavity, including water cavity (25), protection casing (17), be equipped with on the protection casing (17) with the inside communicating inlet tube (27) in water cavity (25), be equipped with the control valve on inlet tube (27), backup pad (1) top is equipped with spring detection mechanism, be equipped with sound-proof mechanism on fan housing (19), sound-proof mechanism includes inner cover (30) and dustcoat (31), inner cover (30) with form between dustcoat (31) and inhale sound chamber (32), inner cover (30) inboard is fixed and is equipped with circular shape acoustic celotex board (33), acoustic celotex board (33) are the honeycomb panel, acoustic celotex board (33) inboard is pasted and is had sound absorption cotton layer (34), sound absorption cotton layer (34) opposite side with the inboard fixed connection of dustcoat (31), spring detection mechanism is for fixing vertical board (37) on backup pad (1) top, vertical board (37) top is fixed and is equipped with contact plate (38), the battery box (13) bottom with the corresponding setting of contact plate (38), be equipped with tail gas calandria (41) on diesel engine (10), tail gas calandria (41) pass protection casing (17) top, just be connected with purifier on the tail gas calandria (41), purifier includes purifying cylinder (42), purifying cylinder (42) inner wall from the top down is equipped with graphite alkene screen panel (43), peat (44), active carbon adsorption layer (45) and activated carbon fiber (46) in proper order, purifying cylinder (42) inner diameter is less than tail gas calandria (41) inner diameter, fixed first sealing washer (47) that is equipped with on tail gas calandria (41) inner wall, purifying cylinder (42) insert in tail gas calandria (41), first sealing washer (47) parcel purifying cylinder (42) outer wall, be equipped with fixed cover drum (48) on purifying cylinder (42) outer wall, the inner wall of the cylinder (48) is pasted with a second sealing ring (49), and the second sealing ring (49) wraps the outer wall of the tail gas exhaust pipe (41).
2. The diesel engine with the protection mechanism for the agricultural machine is characterized in that a box door is installed on the battery box (13), a lead on the battery (14) extends to the inside of the protection cover (17) through the auxiliary support plate (2) to be connected with the motor (16), a mounting plate is fixedly arranged on the outer wall of the protection cover (17), and the mounting plate is fixed to the top end of the auxiliary support plate (2) through screws.
3. The diesel engine with a guard mechanism for agricultural machinery according to claim 1, wherein the sound penetration hole (23) comprises a sound penetration port (35) opened obliquely upward and an auxiliary sound penetration port (36) opened obliquely downward, and the sound penetration port (35) and the auxiliary sound penetration port (36) are staggered with each other.
4. The diesel engine with guard mechanism for agricultural machines of claim 1, wherein several reinforcing bars (39) are fixed to the bottom end of the battery box (13).
5. The diesel engine with the protection mechanism for the agricultural machine is characterized in that a telescopic rod (29) sleeved on the spring (3) is fixedly arranged between the upper thread plate (4) and the lower thread plate (5).
6. The diesel engine with the protection mechanism for the agricultural machine is characterized in that a cooling metal pipe (40) is laid on the inner wall of the protection cover (17), the cooling metal pipe (40) is arranged in an S shape, one end of the cooling metal pipe (40) penetrates through the protection cover (17) and the end part of the cooling metal pipe is communicated with a water tank, a suction pump and a condenser are arranged in the water tank, and the output end of the suction pump is connected with the cooling metal pipe (40).
CN202011130812.XA 2020-10-21 2020-10-21 A diesel engine with protective mechanism for agricultural machinery Active CN112282935B (en)

Priority Applications (1)

Application Number Priority Date Filing Date Title
CN202011130812.XA CN112282935B (en) 2020-10-21 2020-10-21 A diesel engine with protective mechanism for agricultural machinery

Applications Claiming Priority (1)

Application Number Priority Date Filing Date Title
CN202011130812.XA CN112282935B (en) 2020-10-21 2020-10-21 A diesel engine with protective mechanism for agricultural machinery

Publications (2)

Publication Number Publication Date
CN112282935A CN112282935A (en) 2021-01-29
CN112282935B true CN112282935B (en) 2021-08-31

Family

ID=74424439

Family Applications (1)

Application Number Title Priority Date Filing Date
CN202011130812.XA Active CN112282935B (en) 2020-10-21 2020-10-21 A diesel engine with protective mechanism for agricultural machinery

Country Status (1)

Country Link
CN (1) CN112282935B (en)

Families Citing this family (1)

* Cited by examiner, † Cited by third party
Publication number Priority date Publication date Assignee Title
CN113931743A (en) * 2021-10-26 2022-01-14 中国船舶重工集团公司第七0四研究所 Perforated sound insulation cover

Citations (2)

* Cited by examiner, † Cited by third party
Publication number Priority date Publication date Assignee Title
CN109441630A (en) * 2018-11-02 2019-03-08 湖北康利安动力科技有限公司 A kind of diesel engine explosive-proof protector system based on automatic adjusument
CN109973215A (en) * 2019-03-26 2019-07-05 江苏台普动力机械有限公司 A kind of diesel engine unit of mute cooling function

Family Cites Families (8)

* Cited by examiner, † Cited by third party
Publication number Priority date Publication date Assignee Title
CN201778893U (en) * 2010-04-02 2011-03-30 佛山市顺德区顺恒鑫柴油发电机有限公司 Low-noise, quakeproof, dustproof and environmental-friendly diesel generator set
CN106838116A (en) * 2017-01-17 2017-06-13 江苏大学 A kind of recyclable engine rubber suspension device of vibrational energy
CN109882290A (en) * 2019-03-26 2019-06-14 江苏台普动力机械有限公司 A kind of noise-reduced diesel generator group noise elimination mechanism
CN210531027U (en) * 2019-08-01 2020-05-15 安徽天沃重工机械有限公司 Adjustable and damping diesel engine for excavator
CN211524956U (en) * 2019-09-29 2020-09-18 广州市环迪汽车科技有限公司 Silencing shed of engine unit
CN210977683U (en) * 2019-11-26 2020-07-10 李建峰 Noise-reduction and environment-friendly processing system for power equipment of interference-free geothermal drilling machine
CN111287829B (en) * 2020-03-16 2024-05-28 中船重工电机科技股份有限公司 Diesel generating set in-cabin silencing device capable of effectively reducing exhaust noise
CN111271566A (en) * 2020-03-29 2020-06-12 马鞍山市常立发机械制造有限公司 Diesel engine with shock absorber on base and mounting method thereof

Patent Citations (2)

* Cited by examiner, † Cited by third party
Publication number Priority date Publication date Assignee Title
CN109441630A (en) * 2018-11-02 2019-03-08 湖北康利安动力科技有限公司 A kind of diesel engine explosive-proof protector system based on automatic adjusument
CN109973215A (en) * 2019-03-26 2019-07-05 江苏台普动力机械有限公司 A kind of diesel engine unit of mute cooling function

Also Published As

Publication number Publication date
CN112282935A (en) 2021-01-29

Similar Documents

Publication Publication Date Title
CN202789016U (en) Engine exhaust silencer
CN112431667B (en) Adopt maze branch wind channel to realize diesel generating set that heat dissipation falls makes an uproar
CN214403764U (en) Silencing and noise reducing device for diesel generating set
CN112796878B (en) Generating set with corrosion-resistant heat dissipation and noise reduction functions
CN112282935B (en) A diesel engine with protective mechanism for agricultural machinery
CN212202234U (en) Noise reduction structure of diesel generator set
CN111456850A (en) Power supply sound insulation device of diesel generator
CN207905929U (en) A silent diesel generator set
CN211296437U (en) Generator casing with noise reduction structure
CN112072832B (en) An auxiliary slot structure for suppressing vibration noise of a permanent magnet synchronous motor for vehicles
CN201714460U (en) Reactive muffler used for automobile
CN113446108A (en) Environment-friendly diesel generating set with heat dissipation and noise reduction functions
CN211258814U (en) Diesel generating set exhaust baffle structure
CN214170671U (en) Single-machine mute box type gas generator set
CN223625691U (en) A noise-reducing bass generator
CN211648310U (en) Silencer of generator set
CN220898046U (en) Cotton filling machine for cold-proof jacket processing
CN211174344U (en) Efficient noise reduction structure of box type generator set
CN221927504U (en) Oxygen generator silencer cover
CN214755809U (en) Thermal power generator casing that can give sound insulation
CN220712139U (en) Noise reduction ventilation device special for grain depot
CN219711669U (en) Marine diesel generator set
CN221096672U (en) Diesel generating set silencing device
CN223523830U (en) A novel diesel generator set heat dissipation, noise reduction, and smoke removal device
CN213425934U (en) Noise reduction type motor end cover

Legal Events

Date Code Title Description
PB01 Publication
PB01 Publication
SE01 Entry into force of request for substantive examination
SE01 Entry into force of request for substantive examination
GR01 Patent grant
GR01 Patent grant